Запчасти на подвесной двигатель SUZUKI DT55S/L/LL модель 1990 года - Электрика / Electrical
вконтакте

Контактный телефон: +7 (981) 121-46-93, +7 (800) 200-90-76 , Email: parts-katalog@yandex.ru, где купить

 
 

  Логин:

Пароль:

Регистрация

www.partskatalog.ru Все каталоги Запчасти Mercury Запчасти Suzuki Запчасти Tohatsu Запчасти Honda Контакты



УВАЖАЕМЫЕ КЛИЕНТЫ!
C 19 ДЕКАБРЯ 2025 ПО 02 МАРТА 2026 ГОДА ОТДЕЛ ЗАПЧАСТЕЙ И СЕРВИС РАБОТАТЬ НЕ БУДУТ
ПРОДАЖА ЛОДОЧНЫХ МОТОРОВ В ШТАТНОМ РЕЖИМЕ
ОБ ИЗМЕНЕНИЯХ В ГРАФИКЕ РАБОТЫ ЧИТАЙТЕ НА САЙТА



назад Раздел:   вперёд

Вернуться к выбору узлов мотора


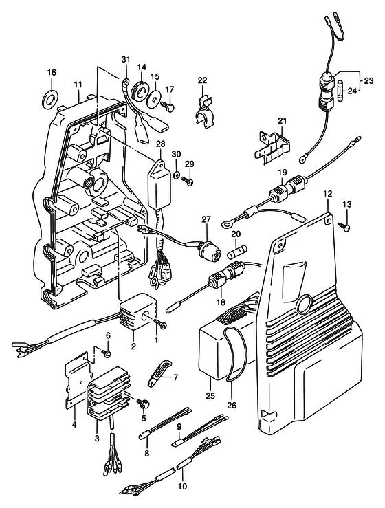
ДЕТАЛИРОВКА ДЛЯ МОДЕЛИ: SUZUKI DT55TC L

Электрика


Код модели двигателя: DT55S/L/LL

Год выпуска двигателя: 1990

Номер на
рисунке
АртикулНаименованиеQTYКол-во
на складе
Цена
102142-05257-000

Винт - Screw (Screw)

под заказ110 руб.
232800-95D01-000

Выпрямитель в сборе - Rectifier Assy (MODEL:88~90 MODEL:94~99 <-2800-95720 ) (Rectifier Assy)

под заказ10760 руб.
232800-95D02-000

   (актуальный код замены) Выпрямитель в сборе - Rectifier Assy

1 шт10760 руб.
332800-94610-000

Выпрямитель & Регулятор в сборе - Rectifier & Regulator Assy (MODEL:91~93) (Rectifier & Regulator Assy)

под заказ15840 руб.
332800-94620-000

   (актуальный код замены) Выпрямитель & Регулятор в сборе - Rectifier & Regulator Assy

4 шт15840 руб.
332800-94620-000

Выпрямитель & Регулятор в сборе - Rectifier & Regulator Assy (Rect & regulator assy ) (Rectifier & Regulator Assy)

4 шт15840 руб.
432801-94702-000

Кронштейн выпрямителя в сборе - Bracket, Rectifier Assy (Bracket, rect & regulator # <-2801-94701 ) (Bracket, Rectifier Assy)

под заказ0 руб.
501550-06127-000

Болт - Bolt (Bolt, rect # MODEL:91~99 ) (Bolt)

10 шт180 руб.
602112-05107-000

Винт - Screw (Screw, bracket # MODEL:91~99 ) (Screw)

под заказ120 руб.
709404-08205-000

Струбцина (l: 45 T: 0.6) - Clamp (l:45 T:06) (Clamp (l:62) # MODEL:91~99 ) (Clamp (l:45 T:0.6))

под заказ170 руб.
709404-08211-000

   (актуальный код замены) Струбцина (l: 45 T: 0.6) - Clamp (l:45 T:0.6)

под заказ170 руб.
832809-94700-000

Запчасть снята с производства - The Spare Part Is Laid Off (DT55HTC, MODEL:91) (The Spare Part Is Laid Off)

под заказ0 руб.
936840-95D00-000

Lead, Тахометр - Lead, Tachometer (MODEL:91~99 <-2815-95D00 ) (Lead, Tachometer)

под заказ0 руб.
1036810-94601-000

Lead в сборе, Выпрямитель Ext - Lead Assy, Rectifier Ext (Lead assy, rectifier # <-6810-94700 ) (Lead Assy, Rectifier Ext)

под заказ0 руб.
1132890-94710-000

Запчасть снята с производства - The Spare Part Is Laid Off (MODEL:88) (The Spare Part Is Laid Off)

под заказ0 руб.
1132890-94720-000

Держатель электрических частей - Holder, Electric Parts (Holder, electric parts # MODEL:89~99 ) (Holder, Electric Parts)

под заказ0 руб.
1232891-94700-000

Запчасть снята с производства - The Spare Part Is Laid Off (MODEL:88) (The Spare Part Is Laid Off)

под заказ0 руб.
1232891-94711-000

Запчасть снята с производства - The Spare Part Is Laid Off (MODEL:89~99 <-2891-94710) (The Spare Part Is Laid Off)

под заказ0 руб.
1303212-05163-000

Винт - Screw (Screw)

под заказ660 руб.
1313765-48GV0-000

   (актуальный код замены) Винт - Screw

под заказ660 руб.
1303212-0516B-000

Винт - Screw (Screw)

под заказ660 руб.
1313765-48GV0-000

   (актуальный код замены) Винт - Screw

под заказ660 руб.
1409320-12011-000

Подушка - Cushion (Cushion ) (Cushion)

под заказ150 руб.
1409320-12090-000

   (актуальный код замены) Подушка (11.8x25x7.5) - Cushion (11.8x25x7.5)

под заказ150 руб.
1509160-12056-000

Шайба (12.5x26x1.6) - Washer (125x26x16) (Washer (12.5x26x1.6))

под заказ150 руб.
1509160-12089-000

   (актуальный код замены) Шайба (12.5x26x1.6) - Washer (12.5x26x1.6)

под заказ150 руб.
1509160-12089-000

Шайба (12.5x26x1.6) - Washer (125x26x16) (Washer (12.5x26x1.6) ) (Washer (12.5x26x1.6))

под заказ150 руб.
1509160-12089-000

Шайба (12.5x26x1.6) - Washer (125x26x16) (Washer (12.5x26x1.6) # MODEL:96~99 ) (Washer (12.5x26x1.6))

под заказ150 руб.
1609160-06054-000

Шайба (6.5x22x1.6) - Washer (65x22x16) (Washer (6.5x22x1.6) ) (Washer (6.5x22x1.6))

под заказ120 руб.
1701550-06127-000

Болт - Bolt (Bolt, rect ) (Bolt)

10 шт180 руб.
1836740-94720-000

Запчасть снята с производства - The Spare Part Is Laid Off (MODEL:88) (The Spare Part Is Laid Off)

под заказ0 руб.
1836740-94760-000

Запчасть снята с производства - The Spare Part Is Laid Off (DT55HTC, <-6740-94710) (The Spare Part Is Laid Off)

под заказ0 руб.
1936740-87D00-000

Запчасть снята с производства - The Spare Part Is Laid Off (MODEL:88) (The Spare Part Is Laid Off)

под заказ0 руб.
2009481-20001-000

Предохранитель (20a) - Fuse (20a) (Fuse (20a))

30 шт180 руб.
2136791-87E00-000

Держатель, Предохранитель Case - Holder, Fuse Case (Holder, fuse case # MODEL:89~93 ) (Holder, Fuse Case)

под заказ0 руб.
2209408-00045-000

Струбцина - Clamp (Holder, fuse case # MODEL:94~99 <-9408-00091 ) (Clamp)

под заказ240 руб.
2336740-94771-000

Корпус предохранителя - Case Assy, Fuse (MODEL:90~99 <-6740-87D20 <-6740-94770 ) (Case Assy, Fuse)

под заказ4230 руб.
2409481-25001-000

Предохранитель (25a) - Fuse (25a) (Fuse, 25a ) (Fuse (25a))

под заказ220 руб.
2532900-94711-000

Запчасть снята с производства - The Spare Part Is Laid Off (MODEL:88 <-2900-94710) (The Spare Part Is Laid Off)

под заказ0 руб.
2532900-94750-000

Модуль C.D.I. - Unit, Cdi (C.d.i unit # MODEL:89~99 <-2900-94731 ) (Unit, Cdi)

под заказ0 руб.
2609280-70004-000

Уплотнительное кольцо (d: 3.53, Id: 69.44) - O Ring (d:353, Id:6944) (MODEL:88 ) (O Ring (d:3.53, Id:69.44))

под заказ280 руб.
2609280-70005-000

Уплотнительное кольцо (d: 3.1, Id: 69.4) - O Ring (d:31, Id:694) (Band (d:3.1 id:69.4) # MODEL:89~99 ) (O Ring (d:3.1, Id:69.4))

под заказ520 руб.
2737930-94706-000

Запчасть снята с производства - The Spare Part Is Laid Off (MODEL:88, <-7930-94705) (The Spare Part Is Laid Off)

под заказ0 руб.
2837875-94611-000

Запчасть снята с производства - The Spare Part Is Laid Off (DT55HTC) (The Spare Part Is Laid Off)

под заказ0 руб.
2837875-94641-000

Unit, Low Oil - Unit, Low Oil (Unit, lower oil # <-7875-94640 ) (Unit, Low Oil)

под заказ0 руб.
2903212-05163-000

Винт - Screw (Screw)

под заказ660 руб.
2913765-48GV0-000

   (актуальный код замены) Винт - Screw

под заказ660 руб.
2903212-0516B-000

Винт - Screw (Screw)

под заказ660 руб.
2913765-48GV0-000

   (актуальный код замены) Винт - Screw

под заказ660 руб.
3008322-01057-000

Шайба - Washer (Washer, front hook holder ) (Washer)

под заказ140 руб.
3133445-94710-000

Lead, Катушка зажигания Earth - Lead, Ignition Coil Earth (Lead, ignition earth # <-3445-94700 ) (Lead, Ignition Coil Earth)

под заказ0 руб.


Время выполнения запроса 7.4575698375702 сек.

 
 

данный сайт носит информационный характер и не является публичной офертой

склад запчастей для водомоторной техники