Подобрать запчасти на лодочный мотор Suzuki DT55S/L/LL - Tie rod
вконтакте

Контактный телефон: +7 (981) 121-46-93, +7 (800) 200-90-76 , Email: parts-katalog@yandex.ru, где купить

 
 

  Логин:

Пароль:

Регистрация

www.partskatalog.ru Все каталоги Запчасти Mercury Запчасти Suzuki Запчасти Tohatsu Запчасти Honda Контакты



УВАЖАЕМЫЕ КЛИЕНТЫ!
C 19 ДЕКАБРЯ 2025 ПО 02 МАРТА 2026 ГОДА ОТДЕЛ ЗАПЧАСТЕЙ И СЕРВИС РАБОТАТЬ НЕ БУДУТ
ПРОДАЖА ЛОДОЧНЫХ МОТОРОВ В ШТАТНОМ РЕЖИМЕ
ОБ ИЗМЕНЕНИЯХ В ГРАФИКЕ РАБОТЫ ЧИТАЙТЕ НА САЙТА



назад Раздел:   вперёд

Вернуться к выбору узлов мотора


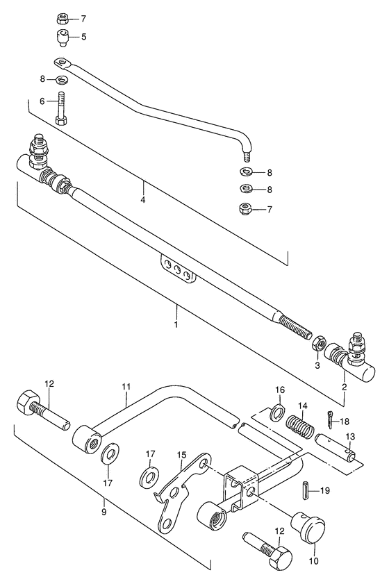
ДЕТАЛИРОВКА ДЛЯ МОДЕЛИ: SUZUKI DT55TCM(E1) M

Tie Тяга


Код модели двигателя: DT55S/L/LL

Год выпуска двигателя: 1991

Регион: General Export No.1 ,Код региона: P01

Цвет: California Gray Metallic

Номер на
рисунке
АртикулНаименованиеQTYКол-во
на складе
Цена
167600-95200-000

Запчасть снята с производства - The Spare Part Is Laid Off (The Spare Part Is Laid Off)

под заказ0 руб.
283450-93720-000

Соединитель, Рулевая система Шарик - Joint, Steering Ball (Joint, Steering Ball)

под заказ0 руб.
309140-12029-000

Гайка - Nut (Nut)

под заказ310 руб.
467701-95500-000

Рулевая тяга в сборе - Link Assy, Drag (Std) (Link Assy, Drag)

под заказ14790 руб.
467701-95520-000

   (актуальный код замены) Рулевая тяга в сборе - Link Assy, Drag

под заказ14790 руб.
467701-95520-000

Рулевая тяга в сборе - Link Assy, Drag (Link Assy, Drag)

под заказ14790 руб.
567721-94501-000

Проставка - Spacer (Spacer)

под заказ1110 руб.
567721-99E00-000

   (актуальный код замены) Проставка - Spacer

под заказ1110 руб.
567721-99E00-000

Проставка - Spacer (Spacer)

под заказ1110 руб.
667725-94501-000

Болт - Bolt (Bolt)

под заказ1200 руб.
667725-99E20-000

   (актуальный код замены) Болт переключающей тяги - Bolt, Drag Link

под заказ1200 руб.
667725-99E10-000

Болт - Bolt (Bolt)

под заказ1200 руб.
667725-99E20-000

   (актуальный код замены) Болт переключающей тяги - Bolt, Drag Link

под заказ1200 руб.
767726-94500-000

Блокирующая гайка - Nut, Lock (Nut, Lock)

под заказ800 руб.
767726-99E00-000

   (актуальный код замены) Блокирующая гайка - Nut, Lock

3 шт800 руб.
767726-99E00-000

Блокирующая гайка - Nut, Lock (Nut, Lock)

3 шт800 руб.
867728-94501-000

Шайба - Washer (Washer)

под заказ260 руб.
867728-99E00-000

   (актуальный код замены) Шайба - Washer

2 шт260 руб.
867728-99E00-000

Шайба - Washer (Washer)

2 шт260 руб.
945600-95250-000

Рычаг в сборе, TraileКольцо - Arm Assy, Trailering (Arm Assy, Trailering)

под заказ0 руб.
1041221-98400-000

Ручка, Стопор наклона - Knob, Tilt Stopper (Knob, arm lock pin ) (Knob, Tilt Stopper)

под заказ600 руб.
1145610-95250-000

Запчасть снята с производства - The Spare Part Is Laid Off (The Spare Part Is Laid Off)

под заказ0 руб.
1245615-95250-000

Запчасть снята с производства - The Spare Part Is Laid Off (The Spare Part Is Laid Off)

под заказ0 руб.
1345621-95250-000

Запчасть снята с производства - The Spare Part Is Laid Off (The Spare Part Is Laid Off)

под заказ0 руб.
1545631-95250-000

Запчасть снята с производства - The Spare Part Is Laid Off (The Spare Part Is Laid Off)

под заказ0 руб.
1609160-10082-000

Шайба (10.5x19x2) - Washer (105x19x2) (Washer ) (Washer (10.5x19x2))

19 шт120 руб.
1709160-12066-000

Шайба (12.5x22x2.5) - Washer (125x22x25) (Washer (12.5x22x2.5) ) (Washer (12.5x22x2.5))

19 шт150 руб.
1809204-01002-000

Штифт - Pin (Cotter pin ) (Pin)

24 шт140 руб.
1909205-03012-000

Стопор пружины (3x16) - Pin, Spring (3x16) (Pin, gear ) (Pin, Spring (3x16))

12 шт190 руб.


Время выполнения запроса 8.7881510257721 сек.

 
 

данный сайт носит информационный характер и не является публичной офертой

склад запчастей для водомоторной техники