Подобрать запчасти на подвесной лодочный двигатель Suzuki - Опции : handle
вконтакте

Контактный телефон: +7 (981) 121-46-93, +7 (800) 200-90-76 , Email: parts-katalog@yandex.ru, где купить

 
 

  Логин:

Пароль:

Регистрация

www.partskatalog.ru Все каталоги Запчасти Mercury Запчасти Suzuki Запчасти Tohatsu Запчасти Honda Контакты



УВАЖАЕМЫЕ КЛИЕНТЫ!
C 19 ДЕКАБРЯ 2025 ПО 02 МАРТА 2026 ГОДА ОТДЕЛ ЗАПЧАСТЕЙ И СЕРВИС РАБОТАТЬ НЕ БУДУТ
ПРОДАЖА ЛОДОЧНЫХ МОТОРОВ В ШТАТНОМ РЕЖИМЕ
ОБ ИЗМЕНЕНИЯХ В ГРАФИКЕ РАБОТЫ ЧИТАЙТЕ НА САЙТА



назад Раздел:   вперёд

Вернуться к выбору узлов мотора


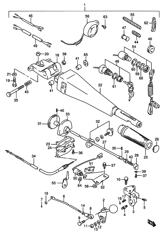
ДЕТАЛИРОВКА ДЛЯ МОДЕЛИ: SUZUKI DT55CRQL M

Опции : handle


Год выпуска двигателя: 1991

Номер на
рисунке
АртикулНаименованиеQTYКол-во
на складе
Цена
163001-95611-0ED

Handle в сборе, Tiller (gray) - Handle Assy, Tiller (gray) (<-3001-95610-0ED ) (Handle Assy, Tiller (gray))

под заказ0 руб.
221110-94702-000

Рычаг сцепления - Lever, Clutch (Lever, clutch # <-1110-94701 ) (Lever, Clutch)

под заказ0 руб.
321150-95214-0ED

Кронштейн, Рычаг сцепления (gray) - Bracket, Clutch Lever (gray) (Bracket, clutch lever # <-1150-95213-0ED ) (Bracket, Clutch Lever (gray))

под заказ0 руб.
421211-95212-000

Сцепление Вал Рычаг - Shaft, Clutch Lever (Shaft, clutch lever ) (Shaft, Clutch Lever)

под заказ0 руб.
522511-99010-000

Ниппель смазки - Nipple, Grease (Nipple, Grease)

под заказ340 руб.
522511-99011-000

   (актуальный код замены) Ниппель смазки - Nipple, Grease

9 шт400 руб.
522511-99011-000

Ниппель смазки - Nipple, Grease (Nipple, Grease)

9 шт400 руб.
623115-94720-000

Запчасть снята с производства - The Spare Part Is Laid Off (The Spare Part Is Laid Off)

под заказ0 руб.
709385-06003-000

Зажим - Clip (Clip)

под заказ0 руб.
823312-95210-000

Коннектор тяги сцепления №2 - Connector, Clutch Link No2 (Connector, clutch link ) (Connector, Clutch Link No.2)

под заказ0 руб.
909111-06064-000

Болт (6x17) - Bolt (6x17) (Bolt, clutch control arm ) (Bolt (6x17))

15 шт860 руб.
1009117-08037-000

Болт (8x16) - Bolt (8x16) (Bolt (8x16))

под заказ250 руб.
1009117-08109-000

   (актуальный код замены) Болт (8x16) - Bolt (8x16)

5 шт250 руб.
1009117-08109-000

Болт (8x16) - Bolt (8x16) (Bolt (8x16))

5 шт250 руб.
1109159-08059-000

Гайка - Nut (Nut, clutch lever ) (Nut)

13 шт390 руб.
1209160-08081-000

Шайба (8.5x23x1.5) - Washer (85x23x15) (Washer, clutch lever # <-9160-08014 ) (Washer (8.5x23x1.5))

4 шт210 руб.
1309162-08007-000

Шайба с блокировкой - Washer, Lock (Lock washer ) (Washer, Lock)

под заказ160 руб.
1409140-05005-000

Гайка - Nut (Nut)

10 шт270 руб.
1508322-01067-000

Шайба - Washer (Washer)

10 шт160 руб.
1609260-10005-000

Шарик - Ball (Steel ball ) (Ball)

4 шт210 руб.
1709440-07021-000

Пружина - Spring (Spring, clutch notch ) (Spring)

под заказ160 руб.
1843761-95502-0ED

Кронштейн рулевого управления Handle (gray) - Bracket, Steering Handle (gray) (Bracket, steering handle # <-3761-95501-0ED ) (Bracket, Steering Handle (gray))

под заказ0 руб.
1943762-95500-000

Болт, Румпель Кронштейн - Bolt, Steering Handle Bracket (Bolt, strg handle brkt # L:36 ) (Bolt, Steering Handle Bracket)

под заказ0 руб.
2043764-95500-000

Гайка, Strg Handle Brkt - Nut, Strg Handle Brkt (Nut, strg handle brkt ) (Nut, Strg Handle Brkt)

под заказ0 руб.
2109160-10098-000

Шайба (10x18x1) - Washer (10x18x1) (Washer, handle brkt ) (Washer (10x18x1))

под заказ170 руб.
2263111-95503-0ED

Ручка румпеля (gray) - Handle, Tiller (gray) (Handle, Tiller (gray))

под заказ0 руб.
2363119-95500-000

Прокладка, Крышка румпеля - Gasket, Tiller Handle Cover (Gasket, tiller handle cover ) (Gasket, Tiller Handle Cover)

под заказ0 руб.
2463121-95501-0ED

Запчасть снята с производства - The Spare Part Is Laid Off (The Spare Part Is Laid Off)

под заказ0 руб.
2563210-93E00-000

Рукоятка румпеля - Grip, Handle (Grip, Handle)

под заказ3390 руб.
2563210-93E30-000

   (актуальный код замены) Рукоятка румпеля - Grip, Handle

1 шт3390 руб.
2563210-93E30-000

Рукоятка румпеля - Grip, Handle (Grip, handle ) (Grip, Handle)

1 шт3390 руб.
2663213-94400-000

Колпачок, Stop Переключатель - Cap, Stop Switch (Cap, Stop Switch)

под заказ910 руб.
2763221-95500-000

Тяга румпеля - Rod, Handle (Rod, Handle)

под заказ0 руб.
2863223-92D00-000

Стопор тяги румпеля - Stopper, Handle Rod (Stopper, handle rod ) (Stopper, Handle Rod)

под заказ430 руб.
2963225-93200-000

Втулка тяги румпеля - Bush, Handle Rod (Bush, handle rod ) (Bush, Handle Rod)

14 шт480 руб.
3063227-93200-000

Штифт, Handle Тяга - Pin, Handle Rod (Pin, handle rod ) (Pin, Handle Rod)

под заказ220 руб.
3163230-95501-000

Шестерня, Тросик дросселя - Gear, Throttle Cable (Gear, throttle cable ) (Gear, Throttle Cable)

под заказ5860 руб.
3263240-96300-000

Регулировка румпеля (комплект) Рукоятка - Adjuster Set, Handle Grip (Adjuster, handle grip ) (Adjuster Set, Handle Grip)

3 шт2490 руб.
3363410-95500-000

Запчасть снята с производства - The Spare Part Is Laid Off (The Spare Part Is Laid Off)

под заказ0 руб.
3463610-95511-000

Тросик дросселя, в сборе - Cable Assy, Throttle (Cable assy, throttle ) (Cable Assy, Throttle)

под заказ0 руб.
3509100-10264-000

Болт (10x80) - Bolt (10x80) (Bolt (l:80) ) (Bolt (10x80))

под заказ1010 руб.
3609125-06053-000

Винт (6x16) - Screw (6x16) (Screw, tiller handle cover ) (Screw (6x16))

под заказ220 руб.
3709126-06015-000

Винт (6x23) - Screw (6x23) (Screw (6x23))

6 шт190 руб.
3809159-10050-000

Гайка - Nut (Nut)

8 шт250 руб.
3909163-06001-000

Шайба с блокировкой - Washer, Lock (Washer, Lock)

13 шт120 руб.
4009205-03012-000

Стопор пружины (3x16) - Pin, Spring (3x16) (Pin, gear ) (Pin, Spring (3x16))

12 шт190 руб.
4109306-10009-000

Втулка - Bush (Bush)

под заказ170 руб.
4209440-12027-000

Пружина - Spring (Spring)

12 шт170 руб.
4309440-22008-000

Пружина - Spring (Spring, tiller handle brkt ) (Spring)

под заказ1460 руб.
4438423-95510-000

Трубка провода переключателя (l: 250) - Tube, Switch Lead (l:250) (L:150->0) (Tube, Switch Lead (l:250))

под заказ610 руб.
4433833-91J00-000

   (актуальный код замены) Трубка провода переключателя (l: 250) - Tube, Switch Lead (l:250)

под заказ610 руб.
4433833-91J00-000

Трубка провода переключателя (l: 250) - Tube, Switch Lead (l:250) (Tube, Switch Lead (l:250))

под заказ610 руб.
4536647-95600-000

Провод, Реле двигателя гидроподъёма - Wire, Ptt Relay (Wire, Ptt Relay)

под заказ0 руб.
4636656-94310-000

Запчасть снята с производства - The Spare Part Is Laid Off (The Spare Part Is Laid Off)

под заказ0 руб.
4736663-94700-000

Запчасть снята с производства - The Spare Part Is Laid Off (The Spare Part Is Laid Off)

под заказ0 руб.
4837110-94632-000

Запчасть снята с производства - The Spare Part Is Laid Off (<-7110-94631) (The Spare Part Is Laid Off)

под заказ0 руб.
4837110-94641-000

   (актуальный код замены) Запчасть снята с производства - The Spare Part Is Laid Off

под заказ0 руб.
4837110-94641-000

Запчасть снята с производства - The Spare Part Is Laid Off (The Spare Part Is Laid Off)

под заказ0 руб.
4937111-95310-000

Lead, Удлинитель Buzzer - Lead, Extension Buzzer (Lead, ext buzzer ) (Lead, Extension Buzzer)

под заказ0 руб.
5037721-95592-000

Выключатель нейтрали, в сборе - Switch Assy, Neutral (<-7781-95591) (Switch Assy, Neutral)

под заказ0 руб.
5037721-95593-000

   (актуальный код замены) Запчасть снята с производства - The Spare Part Is Laid Off

под заказ0 руб.
5037721-95593-000

Выключатель нейтрали, в сборе - Switch Assy, Neutral (Switch Assy, Neutral)

под заказ0 руб.
5137725-95300-000

Пускатель переключателя нейтрали - Actuator, Neutral Switch (Actuator, neutral sw ) (Actuator, Neutral Switch)

под заказ710 руб.
5237726-95303-000

Кронштейн переключателя нейтрали - Bracket, Neutral Switch (Bracket, neutral sw ) (Bracket, Neutral Switch)

под заказ0 руб.
5237726-95591-000

Кронштейн переключателя нейтрали - Bracket, Neutral Switch (Bracket, neutral sw # FOR DT75, DT85 ) (Bracket, Neutral Switch)

под заказ0 руб.
5337729-95591-000

Рычаг, Переключатель нейтрали - Lever, Neutral Switch (Lever, neutral sw # FOR DT75, DT85 ) (Lever, Neutral Switch)

под заказ0 руб.
5437820-92E00-000

Аварийный выключатель, в сборе - Switch Assy, Emergency (Switch Assy, Emergency)

под заказ4710 руб.
5437820-92E05-000

   (актуальный код замены) Аварийный выключатель, в сборе - Switch Assy, Emergency

1 шт4710 руб.
5437820-92E04-000

Аварийный выключатель, в сборе - Switch Assy, Emergency (Switch Assy, Emergency)

под заказ4710 руб.
5437820-92E05-000

   (актуальный код замены) Аварийный выключатель, в сборе - Switch Assy, Emergency

1 шт4710 руб.
5538423-95510-000

Трубка провода переключателя (l: 250) - Tube, Switch Lead (l:250) (IG SW) (Tube, Switch Lead (l:250))

под заказ610 руб.
5533833-91J00-000

   (актуальный код замены) Трубка провода переключателя (l: 250) - Tube, Switch Lead (l:250)

под заказ610 руб.
5533833-91J00-000

Трубка провода переключателя (l: 250) - Tube, Switch Lead (l:250) (Tube, Switch Lead (l:250))

под заказ610 руб.
5638500-92X50-000

Предупреждающий зуммер - Buzzer Set, Warning (<-8500-92E00 ) (Buzzer Set, Warning)

под заказ10280 руб.
5638500-92X52-000

   (актуальный код замены) Предупреждающий зуммер - Buzzer Set, Warning

под заказ10280 руб.
5709118-06027-000

Болт (6x20) - Bolt (6x20) (Bolt, neutral sw brkt ) (Bolt (6x20))

под заказ0 руб.
5809160-06104-000

Шайба (6.5x24x2) - Washer (65x24x2) (FOR DT75, DT85 ) (Washer (6.5x24x2))

под заказ220 руб.
5909160-12057-000

Шайба (12.5x18x1.8) - Washer (125x18x18) (Washer (12.5x18x1.8))

под заказ190 руб.
5909160-12087-000

   (актуальный код замены) Шайба (12.5x18x1.8) - Washer (12.5x18x1.8)

под заказ190 руб.
5909160-12087-000

Шайба (12.5x18x1.8) - Washer (125x18x18) (Washer (12.5x18x1.8))

под заказ190 руб.
6009160-12067-000

Шайба (12.5x23x1) - Washer (125x23x1) (Washer, emergency sw ) (Washer (12.5x23x1))

8 шт230 руб.
6109160-25069-000

Шайба (25x40x1.1) - Washer (25x40x11) (Washer, ignition sw ) (Washer (25x40x1.1))

под заказ370 руб.
6209404-06432-000

Струбцина (l: 65) - Clamp (l:65) (Clamp (l:80) ) (Clamp (l:65))

8 шт170 руб.
6209404-06039-000

   (актуальный код замены) Струбцина (l: 65) - Clamp (l:65)

под заказ170 руб.
6209404-10205-000

Струбцина (l: 82) - Clamp (l:82) (Clamp, lead ) (Clamp (l:82))

под заказ170 руб.
6303142-05253-000

под заказ730 руб.
6303142-0525B-000

   (актуальный код замены) Винт - Screw

под заказ730 руб.
6303142-0525B-000

под заказ730 руб.
6408322-01127-000

Шайба - Washer (Washer, neutral sw ) (Washer)

под заказ140 руб.
6509160-10097-000

Шайба (10.5x22x2.5) - Washer (105x22x25) (Washer (10.5x22x2.5))

под заказ240 руб.


Время выполнения запроса 4.9814429283142 сек.

 
 

данный сайт носит информационный характер и не является публичной офертой

склад запчастей для водомоторной техники