Купить оригинальные запчасти на подвесной двигатель Suzuki DT55S/L/LL модель 1991 года - Clamp bracket
вконтакте

Контактный телефон: +7 (981) 121-46-93, +7 (800) 200-90-76 , Email: parts-katalog@yandex.ru, где купить

 
 

  Логин:

Пароль:

Регистрация

www.partskatalog.ru Все каталоги Запчасти Mercury Запчасти Suzuki Запчасти Tohatsu Запчасти Honda Контакты



УВАЖАЕМЫЕ КЛИЕНТЫ!
C 19 ДЕКАБРЯ 2025 ПО 02 МАРТА 2026 ГОДА ОТДЕЛ ЗАПЧАСТЕЙ И СЕРВИС РАБОТАТЬ НЕ БУДУТ
ПРОДАЖА ЛОДОЧНЫХ МОТОРОВ В ШТАТНОМ РЕЖИМЕ
ОБ ИЗМЕНЕНИЯХ В ГРАФИКЕ РАБОТЫ ЧИТАЙТЕ НА САЙТА



назад Раздел:   вперёд

Вернуться к выбору узлов мотора


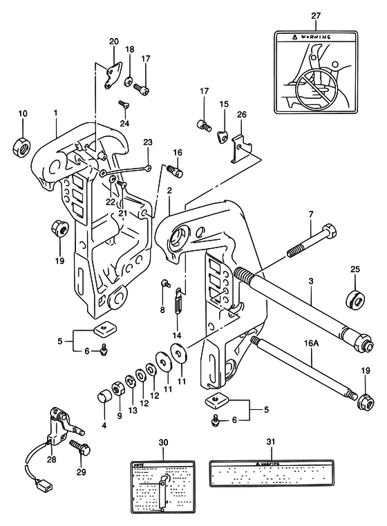
ДЕТАЛИРОВКА ДЛЯ МОДЕЛИ: SUZUKI DT55HTCL M

Кронштейн транца


Код модели двигателя: DT55S/L/LL

Год выпуска двигателя: 1991

Цвет: California Gray Metallic

Номер на
рисунке
АртикулНаименованиеQTYКол-во
на складе
Цена
141111-95E03-0ED

Кронштейн правого зажима (gray) - Bracket, Clamp Stbd (gray) (Bracket, clamp stbd # <-1111-95E02-0ED ) (Bracket, Clamp Stbd (gray))

под заказ0 руб.
241121-95E05-0ED

(->1121-95E20-0ED USED WITH 33834-93E00)

под заказнет сведений
233834-93E00-000

Трубка (14.1x10.7x180) - Tube (141x107x180) (Tube, switch lead ) (Tube (14.1x10.7x180))

под заказ370 руб.
241121-95E20-0ED

Кронштейн левого зажима (gray) - Bracket, Clamp Port (gray) (Bracket, clamp port ) (Bracket, Clamp Port (gray))

под заказ0 руб.
241121-95E20-0ED

Кронштейн левого зажима (gray) - Bracket, Clamp Port (gray) (Bracket, clamp port # DT55:861238~ DT65:861211~ ) (Bracket, Clamp Port (gray))

под заказ0 руб.
341130-95540-000

Труба кронштейна транца - Shaft, Clamp Bracket (Shaft, Clamp Bracket)

под заказ0 руб.
341130-95541-000

   (актуальный код замены) Запчасть снята с производства - The Spare Part Is Laid Off

под заказ0 руб.
341130-95541-000

Труба кронштейна транца - Shaft, Clamp Bracket (Shaft, Clamp Bracket)

под заказ0 руб.
441153-94500-000

Колпачок транцевого болта - Cap, Transom Bolt (Cap, Transom Bolt)

2 шт370 руб.
555320-95310-000

Защитный цинковый анод - Zinc Set, Protection (Zinc Set, Protection)

под заказ1320 руб.
555320-95311-000

   (актуальный код замены) Защитный цинковый анод - Zinc Set, Protection

16 шт1320 руб.
555320-95311-000

Защитный цинковый анод - Zinc Set, Protection (Zinc Set, Protection)

16 шт1320 руб.
609116-06094-000

Болт (6x15) - Bolt (6x15) (Bolt (6x15))

20 шт270 руб.
709100-12039-000

под заказнет сведений
709100-12093-000

Болт (12x100) - Bolt (12x100) (Bolt (12x100))

6 шт1330 руб.
709159-12014-000

Гайка - Nut (Nut)

18 шт370 руб.
809125-06063-000

Винт (6x10) - Screw (6x10) (Screw (6x10))

6 шт190 руб.
909140-12028-000

Гайка - Nut (Nut)

под заказ350 руб.
1009159-22003-000

Гайка - Nut (Nut)

под заказ1950 руб.
1009159-22006-000

   (актуальный код замены) Гайка - Nut

8 шт1950 руб.
1009159-22006-000

Гайка - Nut (Nut)

8 шт1950 руб.
1109160-12044-000

Шайба (12.5x35x3.2) - Washer (125x35x32) (Washer (12.5x35x3.2) ) (Washer (12.5x35x3.2))

12 шт260 руб.
1209160-12066-000

Шайба (12.5x22x2.5) - Washer (125x22x25) (Washer (12.5x22x2.5) ) (Washer (12.5x22x2.5))

19 шт150 руб.
1309162-12005-000

Шайба с блокировкой - Washer, Lock (Lock washer (12.2x21.5x3) ) (Washer, Lock)

под заказ160 руб.
1409404-06432-000

Струбцина (l: 65) - Clamp (l:65) (Clamp (l:80) ) (Clamp (l:65))

8 шт170 руб.
1409404-06039-000

   (актуальный код замены) Струбцина (l: 65) - Clamp (l:65)

под заказ170 руб.
1541225-95E00-000

Запчасть снята с производства - The Spare Part Is Laid Off (MODEL:95) (The Spare Part Is Laid Off)

под заказ0 руб.
1645421-95E01-000

Запчасть снята с производства - The Spare Part Is Laid Off (TYPE:S) (The Spare Part Is Laid Off)

под заказ0 руб.
1645421-87D00-000

Штифт блокировки наклона - Pin, Tilt Lock (Pin, Tilt Lock)

под заказ2810 руб.
1645421-87D03-000

   (актуальный код замены) Штифт блокировки наклона - Pin, Tilt Lock

под заказ2810 руб.
1645421-87D02-000

Штифт блокировки наклона - Pin, Tilt Lock (Pin, Tilt Lock)

под заказ2810 руб.
1645421-87D03-000

   (актуальный код замены) Штифт блокировки наклона - Pin, Tilt Lock

под заказ2810 руб.
1709106-10065-000

Болт (10x20) - Bolt (10x20) (Bolt (10x20))

под заказ430 руб.
1809160-10082-000

Шайба (10.5x19x2) - Washer (105x19x2) (Washer # MODEL:96~99 ) (Washer (10.5x19x2))

19 шт120 руб.
1909159-14020-000

Гайка - Nut (Nut)

под заказ350 руб.
2041241-95E00-000

Запчасть снята с производства - The Spare Part Is Laid Off (MODEL:95) (The Spare Part Is Laid Off)

под заказ0 руб.
2109125-06063-000

Винт (6x10) - Screw (6x10) (MODEL:95 ) (Screw (6x10))

6 шт190 руб.
2209161-06120-000

Шайба (6.3x12.5x1) - Washer (63x125x1) (MODEL:95 ) (Washer (6.3x12.5x1))

под заказ0 руб.
2336894-87D00-000

Lead (l: 165) - Lead (l:165) (MODEL:95 ) (Lead (l:165))

2 шт1350 руб.
2409126-05007-000

Винт (5x8) - Screw (5x8) (Screw # MODEL:95 ) (Screw (5x8))

9 шт220 руб.
2541161-94400-000

Сальник рулевого кабеля - Seal, Steering Cable (Seal, steering cable ) (Seal, Steering Cable)

16 шт1530 руб.
2641242-95E00-000

Запчасть снята с производства - The Spare Part Is Laid Off (MODEL:95) (The Spare Part Is Laid Off)

под заказ0 руб.
2741337-95E00-000

Маркировка, Tilt Lock Warning - Mark, Tilt Lock Warning (Mark, tilt lock warning # MODEL:95 ) (Mark, Tilt Lock Warning)

под заказ0 руб.
2834801-94710-000

Датчик трима - Sender Assy, Trim (Sender Assy, Trim)

под заказ26880 руб.
2909100-06113-000

Болт (6x16) - Bolt (6x16) (Bolt (6x16))

под заказ140 руб.
3041336-95E20-000

Запчасть снята с производства - The Spare Part Is Laid Off (MODEL:95) (The Spare Part Is Laid Off)

под заказ0 руб.
3148171-95E10-000

Запчасть снята с производства - The Spare Part Is Laid Off (MODEL:95) (The Spare Part Is Laid Off)

под заказ0 руб.


Время выполнения запроса 2.7673308849335 сек.

 
 

данный сайт носит информационный характер и не является публичной офертой

склад запчастей для водомоторной техники