вконтакте

Контактный телефон: +7 (981) 121-46-93, +7 (800) 200-90-76 , Email: parts-katalog@yandex.ru, где купить

 
 

  Логин:

Пароль:

Регистрация

www.partskatalog.ru Все каталоги Запчасти Mercury Запчасти Suzuki Запчасти Tohatsu Запчасти Honda Контакты



УВАЖАЕМЫЕ КЛИЕНТЫ!
C 19 ДЕКАБРЯ 2025 ПО 02 МАРТА 2026 ГОДА ОТДЕЛ ЗАПЧАСТЕЙ И СЕРВИС РАБОТАТЬ НЕ БУДУТ
ПРОДАЖА ЛОДОЧНЫХ МОТОРОВ В ШТАТНОМ РЕЖИМЕ
ОБ ИЗМЕНЕНИЯХ В ГРАФИКЕ РАБОТЫ ЧИТАЙТЕ НА САЙТА




запчастиsuzuki

Узнать наличие и цену запчасти:

Вернуться к началу выбора

Поиск модели по серийному номеру


РЕЖИМЫ ПРОСМОТРА

Все узлы и детали

Двигатель

Трансмиссия

Электрика

Внешние части

Тип двигателя: 4x - тактный

Модель двигателя: Suzuki DF2.5

Модификация Вашего двигателя:   Suzuki DF-2.5S K9
Код модели двигателя: DF2.5S
Год выпуска двигателя: 2009
Регион: General Export No.1 ,Код региона: P01
Цвет: Shadow Black Metallic


Поиск запчастей по коду или названию


   Выберите раздел

найти расходники на лодочные моторы Suzuki

Начните вводить запрос

Cylinder head (Головка блока цилиндра)

Cylinder head (Головка блока цилиндра)

Cylinder block (Блок цилиндра)

Cylinder block (Блок цилиндра)

Crankshaft (Коленвал)

Crankshaft (Коленвал)

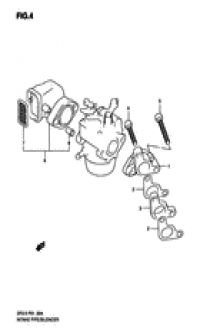
Intake pipe / silencer (Всасывающий патрубок / глушитель)

Intake pipe / silencer (Всасывающий патрубок / глушитель)

Carburetor (Карбюратор)

Carburetor (Карбюратор)

Water pump (Водяной насос)

Water pump (Водяной насос)

Recoil starter (Барабанный стартер)

Recoil starter (Барабанный стартер)

Oil pump (Масляный насос)

Oil pump (Масляный насос)

Clutch lever (Рычаг сцепления)

Clutch lever (Рычаг сцепления)

Shift rod (Переключающая тяга)

Shift rod (Переключающая тяга)

Drive shaft (Корпус вала передачи)

Drive shaft (Корпус вала передачи)

Magneto (Магнето)

Magneto (Магнето)

Clamp bracket (Кронштейн транца)

Clamp bracket (Кронштейн транца)

Swivel bracket (Поворотный кронштейн)

Swivel bracket (Поворотный кронштейн)

Drive shaft housing (Корпус вала передачи)

Drive shaft housing (Корпус вала передачи)

Gear case (Картер коробки передач)

Gear case (Картер коробки передач)

Lower cover (Нижняя часть корпуса)

Lower cover (Нижняя часть корпуса)

Engine cover (Крышка двигателя (капот))

Engine cover (Крышка двигателя (капот))
(MODEL:06~09); NOTE : REFER TO FIG.19(D- 9) FOR MODEL:10~

Tiller handle (Румпель)

Tiller handle (Румпель)

Fuel tank (Топливный бак)

Fuel tank (Топливный бак)




 
 

данный сайт носит информационный характер и не является публичной офертой

склад запчастей для водомоторной техники