вконтакте

Контактный телефон: +7 (981) 121-46-93, +7 (800) 200-90-76 , Email: parts-katalog@yandex.ru, где купить

 
 

  Логин:

Пароль:

Регистрация

www.partskatalog.ru Все каталоги Запчасти Mercury Запчасти Suzuki Запчасти Tohatsu Запчасти Honda Контакты



УВАЖАЕМЫЕ КЛИЕНТЫ!
C 31 ОКТЯБРЯ 2025 ПО 10 НОЯБРЯ 2025 ГОДА РАБОТАТЬ НЕ БУДЕМ




запчастиsuzuki

Узнать наличие и цену запчасти:

Вернуться к началу выбора

Поиск модели по серийному номеру


РЕЖИМЫ ПРОСМОТРА

Все узлы и детали

Двигатель

Трансмиссия

Электрика

Внешние части

Тип двигателя: 4x - тактный

Модель двигателя: Suzuki DF5

Модификация Вашего двигателя:   Suzuki DF-5L K3
Код модели двигателя: DF5S/L
Год выпуска двигателя: 2003
Цвет: Shadow Black Metallic


Поиск запчастей по коду или названию


   Выберите раздел

найти расходники на лодочные моторы Suzuki

Начните вводить запрос

Cylinder head (Головка блока цилиндра)

Cylinder head (Головка блока цилиндра)

Cylinder block (Блок цилиндра)

Cylinder block (Блок цилиндра)

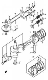
Crankshaft (Коленвал)

Crankshaft (Коленвал)

Intake manifold (Впускной коллектор)

Intake manifold (Впускной коллектор)

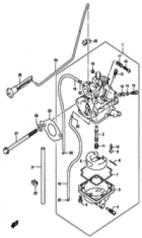
Carburetor (Карбюратор)

Carburetor (Карбюратор)
(DF4/5 MODEL:02~04); NOTE : REFER TO FIG.6(B- 8) FOR DF6 MODEL:03 REFER TO FIG.7(B- 9) FOR DF4/5 MODEL:05~ DF6 MODEL:04~

Carburetor (Карбюратор)

Carburetor (Карбюратор)
(*); NOTE : (*) : DF4/5 MODEL:05~ DF6 MODEL:04~

Fuel pump (Топливный насос)

Fuel pump (Топливный насос)
(DF5 MODEL:02~04

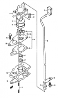
Water pump (Водяной насос)

Water pump (Водяной насос)
(MODEL:02~04); NOTE : REFER TO FIG.14(C- 8) FOR MODEL:05~

Water pump (Водяной насос)

Water pump (Водяной насос)
(MODEL:05~)

Recoil starter (Барабанный стартер)

Recoil starter (Барабанный стартер)

Oil pump (Масляный насос)

Oil pump (Масляный насос)

Clutch lever (Рычаг сцепления)

Clutch lever (Рычаг сцепления)

Shift rod (Переключающая тяга)

Shift rod (Переключающая тяга)

Drive shaft (Корпус вала передачи)

Drive shaft (Корпус вала передачи)

Magneto (Магнето)

Magneto (Магнето)

Clamp bracket (Кронштейн транца)

Clamp bracket (Кронштейн транца)

Swivel bracket (Поворотный кронштейн)

Swivel bracket (Поворотный кронштейн)

Drive shaft housing (Корпус вала передачи)

Drive shaft housing (Корпус вала передачи)

Gear case (Картер коробки передач)

Gear case (Картер коробки передач)
(DF4/5 MODEL:02

Gear case (Картер коробки передач)

Gear case (Картер коробки передач)
(DF4/5 MODEL:04~

Lower cover (Нижняя часть корпуса)

Lower cover (Нижняя часть корпуса)

Engine cover (Крышка двигателя (капот))

Engine cover (Крышка двигателя (капот))
(MODEL:02); NOTE : REFER TO FIG.28 (F- 5) FOR MODEL:03~09 REFER TO FIG.28A(F- 6) FOR MODEL:10~

Engine cover (Крышка двигателя (капот))

Engine cover (Крышка двигателя (капот))
(MODEL:03~09); NOTE : REFER TO FIG.28A(F- 6) FOR MODEL:10~

Engine cover (Крышка двигателя (капот))

Engine cover (Крышка двигателя (капот))
(MODEL:10~)

Tiller handle (Румпель)

Tiller handle (Румпель)

Fuel tank (Топливный бак)

Fuel tank (Топливный бак)

Opt : electrical (Опции : Электрика)

Opt : electrical (Опции : Электрика)

Opt : fuel tank (Опции : Топливный бак)

Opt : fuel tank (Опции : Топливный бак)
(RESIN)

Opt:remote control (Опции: дистанционное управление)

Opt:remote control (Опции: дистанционное управление)

Opt:remocon parts set (Опции: установочный комплект ДУ)

Opt:remocon parts set (Опции: установочный комплект ДУ)




 
 

данный сайт носит информационный характер и не является публичной офертой

склад запчастей для водомоторной техники