вконтакте

Контактный телефон: +7 (981) 121-46-93, +7 (800) 200-90-76 , Email: parts-katalog@yandex.ru, где купить

 
 

  Логин:

Пароль:

Регистрация

www.partskatalog.ru Все каталоги Запчасти Mercury Запчасти Suzuki Запчасти Tohatsu Запчасти Honda Контакты



УВАЖАЕМЫЕ КЛИЕНТЫ!
C 19 ДЕКАБРЯ 2025 ПО 02 МАРТА 2026 ГОДА ОТДЕЛ ЗАПЧАСТЕЙ И СЕРВИС РАБОТАТЬ НЕ БУДУТ
ПРОДАЖА ЛОДОЧНЫХ МОТОРОВ В ШТАТНОМ РЕЖИМЕ
ОБ ИЗМЕНЕНИЯХ В ГРАФИКЕ РАБОТЫ ЧИТАЙТЕ НА САЙТА




запчастиsuzuki

Узнать наличие и цену запчасти:

Вернуться к началу выбора

Поиск модели по серийному номеру


РЕЖИМЫ ПРОСМОТРА

Все узлы и детали

Двигатель

Трансмиссия

Электрика

Внешние части

Тип двигателя: 4x - тактный

Модель двигателя: Suzuki DF6

Модификация Вашего двигателя:   Suzuki DF-6L (P03 013)
Двигатели с серийным номером после 00602F-310001
Код модели двигателя: DF6S/L
Год выпуска двигателя: 2013
Регион: USA/General South East Asia ,Код региона: P03/P013
Цвет: Shadow Black Metallic


Поиск запчастей по коду или названию


   Выберите раздел

найти расходники на лодочные моторы Suzuki

Начните вводить запрос

Cylinder head (Головка блока цилиндра)

Cylinder head (Головка блока цилиндра)
(DF4 P03)

Cylinder head (Головка блока цилиндра)

Cylinder head (Головка блока цилиндра)
(DF6 P03)

Cylinder block (Блок цилиндра)

Cylinder block (Блок цилиндра)

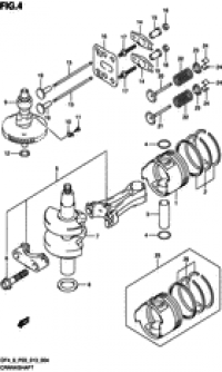
Crankshaft (Коленвал)

Crankshaft (Коленвал)

Intake manifold (Впускной коллектор)

Intake manifold (Впускной коллектор)
(DF4 P03)

Intake manifold (Впускной коллектор)

Intake manifold (Впускной коллектор)
(DF6 P03)

Carburetor (Карбюратор)

Carburetor (Карбюратор)
(DF4 P03)

Carburetor (Карбюратор)

Carburetor (Карбюратор)
(DF6 P03)

Fuel pump (Топливный насос)

Fuel pump (Топливный насос)
(DF4 P03)

Fuel pump (Топливный насос)

Fuel pump (Топливный насос)
(DF6 P03)

Water pump (Водяной насос)

Water pump (Водяной насос)

Recoil starter (Барабанный стартер)

Recoil starter (Барабанный стартер)

Oil pump (Масляный насос)

Oil pump (Масляный насос)

Clutch lever (Рычаг сцепления)

Clutch lever (Рычаг сцепления)

Shift rod (Переключающая тяга)

Shift rod (Переключающая тяга)

Drive shaft (Корпус вала передачи)

Drive shaft (Корпус вала передачи)

Magneto (Магнето)

Magneto (Магнето)

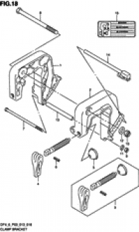
Clamp bracket (Кронштейн транца)

Clamp bracket (Кронштейн транца)

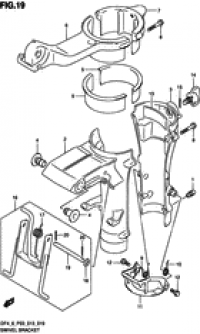
Swivel bracket (Поворотный кронштейн)

Swivel bracket (Поворотный кронштейн)

Drive shaft housing (Корпус вала передачи)

Drive shaft housing (Корпус вала передачи)

Gear case (Картер коробки передач)

Gear case (Картер коробки передач)

Lower cover (Нижняя часть корпуса)

Lower cover (Нижняя часть корпуса)
(DF4 P03)

Lower cover (Нижняя часть корпуса)

Lower cover (Нижняя часть корпуса)
(DF6 P03)

Engine cover (Крышка двигателя (капот))

Engine cover (Крышка двигателя (капот))
(DF4 P03)

Engine cover (Крышка двигателя (капот))

Engine cover (Крышка двигателя (капот))
(DF6 P03)

Tiller handle (Румпель)

Tiller handle (Румпель)

Fuel tank (Топливный бак)

Fuel tank (Топливный бак)
(DF4 P03)

Fuel tank (Топливный бак)

Fuel tank (Топливный бак)
(DF6 P03)

Opt : electrical (Опции : Электрика)

Opt : electrical (Опции : Электрика)

Opt:fuel tank (Опции: топливный бак)

Opt:fuel tank (Опции: топливный бак)
(RESIN) (DF4 P03)

Opt:fuel tank (Опции: топливный бак)

Opt:fuel tank (Опции: топливный бак)
(RESIN) (DF6 P03)

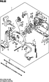
Opt:remote control (Опции: дистанционное управление)

Opt:remote control (Опции: дистанционное управление)

Opt:remocon parts set (Опции: установочный комплект ДУ)

Opt:remocon parts set (Опции: установочный комплект ДУ)




 
 

данный сайт носит информационный характер и не является публичной офертой

склад запчастей для водомоторной техники