вконтакте

Контактный телефон: +7 (981) 121-46-93, +7 (800) 200-90-76 , Email: parts-katalog@yandex.ru, где купить

 
 

  Логин:

Пароль:

Регистрация

www.partskatalog.ru Все каталоги Запчасти Mercury Запчасти Suzuki Запчасти Tohatsu Запчасти Honda Контакты



УВАЖАЕМЫЕ КЛИЕНТЫ!
C 19 ДЕКАБРЯ 2025 ПО 02 МАРТА 2026 ГОДА ОТДЕЛ ЗАПЧАСТЕЙ И СЕРВИС РАБОТАТЬ НЕ БУДУТ
ПРОДАЖА ЛОДОЧНЫХ МОТОРОВ В ШТАТНОМ РЕЖИМЕ
ОБ ИЗМЕНЕНИЯХ В ГРАФИКЕ РАБОТЫ ЧИТАЙТЕ НА САЙТА




запчастиsuzuki

Узнать наличие и цену запчасти:

Вернуться к началу выбора

Поиск модели по серийному номеру


РЕЖИМЫ ПРОСМОТРА

Все узлы и детали

Двигатель

Трансмиссия

Электрика

Внешние части

Тип двигателя: 4x - тактный

Модель двигателя: Suzuki DF8

Модификация Вашего двигателя:   Suzuki DF-8A/DF-8AR (P01)
Двигатели с серийным номером после 00801F-310001
Код модели двигателя: DF8AS/L; DF8ARS/L
Год выпуска двигателя: 2013
Регион: General Export No.1 ,Код региона: P01
Цвет: Shadow Black Metallic


Поиск запчастей по коду или названию


   Выберите раздел

найти расходники на лодочные моторы Suzuki

Начните вводить запрос

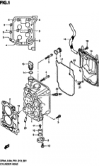
Cylinder head (Головка блока цилиндра)

Cylinder head (Головка блока цилиндра)

Cylinder block (Блок цилиндра)

Cylinder block (Блок цилиндра)

Crankshaft (Коленвал)

Crankshaft (Коленвал)

Timing belt (Ремень распредвала)

Timing belt (Ремень распредвала)
(DF8A P01)

Timing belt (Ремень распредвала)

Timing belt (Ремень распредвала)
(DF8AR P01)

Timing belt (Ремень распредвала)

Timing belt (Ремень распредвала)
(DF9.9A P01)

Timing belt (Ремень распредвала)

Timing belt (Ремень распредвала)
(DF9.9AR P01)

Camshaft (Распределительный вал)

Camshaft (Распределительный вал)
(DF8A P01)

Camshaft (Распределительный вал)

Camshaft (Распределительный вал)
(DF8AR P01)

Camshaft (Распределительный вал)

Camshaft (Распределительный вал)
(DF9.9A P01)

Camshaft (Распределительный вал)

Camshaft (Распределительный вал)
(DF9.9AR P01)

Inlet manifold (Впускной коллектор)

Inlet manifold (Впускной коллектор)

Carburetor (Карбюратор)

Carburetor (Карбюратор)
(DF8A P01)

Carburetor (Карбюратор)

Carburetor (Карбюратор)
(DF8AR P01)

Carburetor (Карбюратор)

Carburetor (Карбюратор)
(DF9.9A P01)

Carburetor (Карбюратор)

Carburetor (Карбюратор)
(DF9.9AR P01)

Fuel pump (Топливный насос)

Fuel pump (Топливный насос)

Water pump (Водяной насос)

Water pump (Водяной насос)

Thermostat (Термостат)

Thermostat (Термостат)

Recoil starter (Барабанный стартер)

Recoil starter (Барабанный стартер)

Throttle control (Управление дросселем)

Throttle control (Управление дросселем)
(DF8A P01)

Throttle control (Управление дросселем)

Throttle control (Управление дросселем)
(DF8AR P01)

Throttle control (Управление дросселем)

Throttle control (Управление дросселем)
(DF9.9A P01)

Throttle control (Управление дросселем)

Throttle control (Управление дросселем)
(DF9.9AR P01)

Oil pump (Масляный насос)

Oil pump (Масляный насос)

Clutch rod (Тяга сцепления)

Clutch rod (Тяга сцепления)
(DF8A P01)

Clutch rod (Тяга сцепления)

Clutch rod (Тяга сцепления)
(DF8AR P01)

Clutch rod (Тяга сцепления)

Clutch rod (Тяга сцепления)
(DF9.9A P01)

Clutch rod (Тяга сцепления)

Clutch rod (Тяга сцепления)
(DF9.9AR P01)

Shift rod (Переключающая тяга)

Shift rod (Переключающая тяга)

Transmission (Трансмиссия)

Transmission (Трансмиссия)

Starting motor (Двигатель электростартера)

Starting motor (Двигатель электростартера)

Magneto (Магнето)

Magneto (Магнето)
(DF8A P01)

Magneto (Магнето)

Magneto (Магнето)
(DF8AR P01)

Magneto (Магнето)

Magneto (Магнето)
(DF9.9A P01)

Magneto (Магнето)

Magneto (Магнето)
(DF9.9AR P01)

Rectifier / ignition coil (Выпрямитель / Катушка зажигания)

Rectifier / ignition coil (Выпрямитель / Катушка зажигания)
(DF8A P01)

Rectifier / ignition coil (Выпрямитель / Катушка зажигания)

Rectifier / ignition coil (Выпрямитель / Катушка зажигания)
(DF8AR P01)

Rectifier / ignition coil (Выпрямитель / Катушка зажигания)

Rectifier / ignition coil (Выпрямитель / Катушка зажигания)
(DF9.9A P01)

Rectifier / ignition coil (Выпрямитель / Катушка зажигания)

Rectifier / ignition coil (Выпрямитель / Катушка зажигания)
(DF9.9AR P01)

Sensor / switch (Датчики и переключатели)

Sensor / switch (Датчики и переключатели)
(DF8A P01)

Sensor / switch (Датчики и переключатели)

Sensor / switch (Датчики и переключатели)
(DF8AR P01)

Sensor / switch (Датчики и переключатели)

Sensor / switch (Датчики и переключатели)
(DF9.9A P01)

Sensor / switch (Датчики и переключатели)

Sensor / switch (Датчики и переключатели)
(DF9.9AR P01)

Harness (Жгут проводов)

Harness (Жгут проводов)
(DF8A P01)

Harness (Жгут проводов)

Harness (Жгут проводов)
(DF8AR P01)

Harness (Жгут проводов)

Harness (Жгут проводов)
(DF9.9A P01)

Harness (Жгут проводов)

Harness (Жгут проводов)
(DF9.9AR P01)

Clamp bracket (Кронштейн транца)

Clamp bracket (Кронштейн транца)
(DF8A P01)

Clamp bracket (Кронштейн транца)

Clamp bracket (Кронштейн транца)
(DF8AR P01)

Clamp bracket (Кронштейн транца)

Clamp bracket (Кронштейн транца)
(DF9.9A P01)

Clamp bracket (Кронштейн транца)

Clamp bracket (Кронштейн транца)
(DF9.9AR P01)

Swivel bracket (Поворотный кронштейн)

Swivel bracket (Поворотный кронштейн)
(DF8A P01)

Swivel bracket (Поворотный кронштейн)

Swivel bracket (Поворотный кронштейн)
(DF8AR P01)

Swivel bracket (Поворотный кронштейн)

Swivel bracket (Поворотный кронштейн)
(DF9.9A P01)

Swivel bracket (Поворотный кронштейн)

Swivel bracket (Поворотный кронштейн)
(DF9.9AR P01)

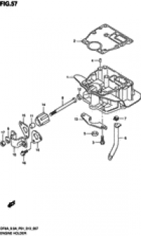
Engine holder (Основание двигателя)

Engine holder (Основание двигателя)

Drive shaft housing (Корпус вала передачи)

Drive shaft housing (Корпус вала передачи)

Gear case (Картер коробки передач)

Gear case (Картер коробки передач)

Side cover (Боковая крышка)

Side cover (Боковая крышка)
(DF8A P01)

Side cover (Боковая крышка)

Side cover (Боковая крышка)
(DF8AR P01)

Side cover (Боковая крышка)

Side cover (Боковая крышка)
(DF9.9A P01)

Side cover (Боковая крышка)

Side cover (Боковая крышка)
(DF9.9AR P01)

Engine cover (Крышка двигателя (капот))

Engine cover (Крышка двигателя (капот))
(DF8A P01)

Engine cover (Крышка двигателя (капот))

Engine cover (Крышка двигателя (капот))
(DF8AR P01)

Engine cover (Крышка двигателя (капот))

Engine cover (Крышка двигателя (капот))
(DF9.9A P01)

Engine cover (Крышка двигателя (капот))

Engine cover (Крышка двигателя (капот))
(DF9.9AR P01)

Fuel tank (Топливный бак)

Fuel tank (Топливный бак)
(RESIN 12L)

Tiller handle (Румпель)

Tiller handle (Румпель)
(DF8A P01)

Tiller handle (Румпель)

Tiller handle (Румпель)
(DF9.9A P01)

Remote control (Дистанционное управление)

Remote control (Дистанционное управление)
(DF8AR P01)

Remote control (Дистанционное управление)

Remote control (Дистанционное управление)
(DF9.9AR P01)

Remocon cable holder (Держатель кабеля дистанционного управления)

Remocon cable holder (Держатель кабеля дистанционного управления)
(DF8AR P01)

Remocon cable holder (Держатель кабеля дистанционного управления)

Remocon cable holder (Держатель кабеля дистанционного управления)
(DF9.9AR P01)

Drag link (Переключающая тяга)

Drag link (Переключающая тяга)
(DF8AR P01)

Drag link (Переключающая тяга)

Drag link (Переключающая тяга)
(DF9.9AR P01)

Opt:electrical (Опции: электрика)

Opt:electrical (Опции: электрика)
(MANUAL STARTER) (DF8A P01)

Opt:electrical (Опции: электрика)

Opt:electrical (Опции: электрика)
(MANUAL STARTER) (DF9.9A P01)

Opt:meter (Опции: приборы)

Opt:meter (Опции: приборы)
(DF8AR P01)

Opt:meter (Опции: приборы)

Opt:meter (Опции: приборы)
(DF9.9AR P01)

Opt:starting motor (Опции: электростартер)

Opt:starting motor (Опции: электростартер)
(MANUAL STARTER) (DF8A P01)

Opt:starting motor (Опции: электростартер)

Opt:starting motor (Опции: электростартер)
(MANUAL STARTER) (DF9.9A P01)

Opt:fuel tank (Опции: топливный бак)

Opt:fuel tank (Опции: топливный бак)
(RESIN 25L)

Opt:remote control parts (Опции: Запчасти для дистанционного управления)

Opt:remote control parts (Опции: Запчасти для дистанционного управления)
(DF8A P01)

Opt:remote control parts (Опции: Запчасти для дистанционного управления)

Opt:remote control parts (Опции: Запчасти для дистанционного управления)
(DF9.9A P01)

Opt:remote control assy single (Дистанционное управление в сборе, одинарное)

Opt:remote control assy single (Дистанционное управление в сборе, одинарное)
(1)

Opt:remote control assy single (Дистанционное управление в сборе, одинарное)

Opt:remote control assy single (Дистанционное управление в сборе, одинарное)
(2)

Opt:remocon cable (Опции: трос дистанционного управления)

Opt:remocon cable (Опции: трос дистанционного управления)
(DF8A P01)

Opt:remocon cable (Опции: трос дистанционного управления)

Opt:remocon cable (Опции: трос дистанционного управления)
(DF9.9A P01)




 
 

данный сайт носит информационный характер и не является публичной офертой

склад запчастей для водомоторной техники