вконтакте

Контактный телефон: +7 (981) 121-46-93, +7 (800) 200-90-76 , Email: parts-katalog@yandex.ru, где купить

 
 

  Логин:

Пароль:

Регистрация

www.partskatalog.ru Все каталоги Запчасти Mercury Запчасти Suzuki Запчасти Tohatsu Запчасти Honda Контакты



УВАЖАЕМЫЕ КЛИЕНТЫ!
C 19 ДЕКАБРЯ 2025 ПО 02 МАРТА 2026 ГОДА ОТДЕЛ ЗАПЧАСТЕЙ И СЕРВИС РАБОТАТЬ НЕ БУДУТ
ПРОДАЖА ЛОДОЧНЫХ МОТОРОВ В ШТАТНОМ РЕЖИМЕ
ОБ ИЗМЕНЕНИЯХ В ГРАФИКЕ РАБОТЫ ЧИТАЙТЕ НА САЙТА




запчастиsuzuki

Узнать наличие и цену запчасти:

Вернуться к началу выбора

Поиск модели по серийному номеру


РЕЖИМЫ ПРОСМОТРА

Все узлы и детали

Двигатель

Трансмиссия

Электрика

Внешние части

Тип двигателя: 4x - тактный

Модель двигателя: Suzuki DF9.9

Модификация Вашего двигателя:   Suzuki DF-9.9B/DF-9.9BR/DF-9.9BT (P01 014)
Двигатели с серийным номером после 00995F-410001
Код модели двигателя: DF9.9BS/L; DF9.9BRS/L; DF9.9BTS/L
Год выпуска двигателя: 2014
Регион: General Export No.1/Thailand ,Код региона: P01/P014
Цвет: Shadow Black Metallic


Поиск запчастей по коду или названию


   Выберите раздел

найти расходники на лодочные моторы Suzuki

Начните вводить запрос

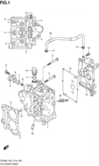
Cylinder head (Головка блока цилиндра)

Cylinder head (Головка блока цилиндра)

Cylinder block (Блок цилиндра)

Cylinder block (Блок цилиндра)

Crankshaft (Коленвал)

Crankshaft (Коленвал)

Timing belt (Ремень распредвала)

Timing belt (Ремень распредвала)

Camshaft (Распределительный вал)

Camshaft (Распределительный вал)
(DF9.9B P01)

Camshaft (Распределительный вал)

Camshaft (Распределительный вал)
(DF9.9BR P01)

Camshaft (Распределительный вал)

Camshaft (Распределительный вал)
(DF9.9BT P01)

Camshaft (Распределительный вал)

Camshaft (Распределительный вал)
(DF15A P01)

Camshaft (Распределительный вал)

Camshaft (Распределительный вал)
(DF15AR P01)

Camshaft (Распределительный вал)

Camshaft (Распределительный вал)
(DF15ATH P01)

Camshaft (Распределительный вал)

Camshaft (Распределительный вал)
(DF20A P01)

Camshaft (Распределительный вал)

Camshaft (Распределительный вал)
(DF20A P40)

Camshaft (Распределительный вал)

Camshaft (Распределительный вал)
(DF20AR P01)

Camshaft (Распределительный вал)

Camshaft (Распределительный вал)
(DF20AT P01)

Camshaft (Распределительный вал)

Camshaft (Распределительный вал)
(DF20ATH P01)

Inlet manifold (Впускной коллектор)

Inlet manifold (Впускной коллектор)
(DF9.9B P01)

Inlet manifold (Впускной коллектор)

Inlet manifold (Впускной коллектор)
(DF9.9BR P01)

Inlet manifold (Впускной коллектор)

Inlet manifold (Впускной коллектор)
(DF9.9BT P01)

Inlet manifold (Впускной коллектор)

Inlet manifold (Впускной коллектор)
(DF15A P01)

Inlet manifold (Впускной коллектор)

Inlet manifold (Впускной коллектор)
(DF15AR P01)

Inlet manifold (Впускной коллектор)

Inlet manifold (Впускной коллектор)
(DF15ATH P01)

Inlet manifold (Впускной коллектор)

Inlet manifold (Впускной коллектор)
(DF20A P01)

Inlet manifold (Впускной коллектор)

Inlet manifold (Впускной коллектор)
(DF20A P40)

Inlet manifold (Впускной коллектор)

Inlet manifold (Впускной коллектор)
(DF20AR P01)

Inlet manifold (Впускной коллектор)

Inlet manifold (Впускной коллектор)
(DF20AT P01)

Inlet manifold (Впускной коллектор)

Inlet manifold (Впускной коллектор)
(DF20ATH P01)

Fuel injector (Топливный инжектор)

Fuel injector (Топливный инжектор)

Fuel pump (Топливный насос)

Fuel pump (Топливный насос)

Water pump (Водяной насос)

Water pump (Водяной насос)
(DF9.9B P01)

Water pump (Водяной насос)

Water pump (Водяной насос)
(DF9.9BR P01)

Water pump (Водяной насос)

Water pump (Водяной насос)
(DF9.9BT P01)

Water pump (Водяной насос)

Water pump (Водяной насос)
(DF15A P01)

Water pump (Водяной насос)

Water pump (Водяной насос)
(DF15AR P01)

Water pump (Водяной насос)

Water pump (Водяной насос)
(DF15ATH P01)

Water pump (Водяной насос)

Water pump (Водяной насос)
(DF20A P01)

Water pump (Водяной насос)

Water pump (Водяной насос)
(DF20A P40)

Water pump (Водяной насос)

Water pump (Водяной насос)
(DF20AR P01)

Water pump (Водяной насос)

Water pump (Водяной насос)
(DF20AT P01)

Water pump (Водяной насос)

Water pump (Водяной насос)
(DF20ATH P01)

Thermostat (Термостат)

Thermostat (Термостат)

Recoil starter (Барабанный стартер)

Recoil starter (Барабанный стартер)
(DF9.9B P01)

Recoil starter (Барабанный стартер)

Recoil starter (Барабанный стартер)
(DF9.9BR P01)

Recoil starter (Барабанный стартер)

Recoil starter (Барабанный стартер)
(DF9.9BT P01)

Recoil starter (Барабанный стартер)

Recoil starter (Барабанный стартер)
(DF15A P01)

Recoil starter (Барабанный стартер)

Recoil starter (Барабанный стартер)
(DF15AR P01)

Recoil starter (Барабанный стартер)

Recoil starter (Барабанный стартер)
(DF15ATH P01)

Recoil starter (Барабанный стартер)

Recoil starter (Барабанный стартер)
(DF20A P01)

Recoil starter (Барабанный стартер)

Recoil starter (Барабанный стартер)
(DF20A P40)

Recoil starter (Барабанный стартер)

Recoil starter (Барабанный стартер)
(DF20AR P01)

Recoil starter (Барабанный стартер)

Recoil starter (Барабанный стартер)
(DF20AT P01)

Recoil starter (Барабанный стартер)

Recoil starter (Барабанный стартер)
(DF20ATH P01)

Throttle control (Управление дросселем)

Throttle control (Управление дросселем)
(DF9.9BR P01)

Throttle control (Управление дросселем)

Throttle control (Управление дросселем)
(DF9.9BT P01)

Throttle control (Управление дросселем)

Throttle control (Управление дросселем)
(DF15AR P01)

Throttle control (Управление дросселем)

Throttle control (Управление дросселем)
(DF20AR P01)

Throttle control (Управление дросселем)

Throttle control (Управление дросселем)
(DF20AT P01)

Throttle body (Дроссель газа)

Throttle body (Дроссель газа)
(DF9.9B P01)

Throttle body (Дроссель газа)

Throttle body (Дроссель газа)
(DF9.9BR P01)

Throttle body (Дроссель газа)

Throttle body (Дроссель газа)
(DF9.9BT P01)

Throttle body (Дроссель газа)

Throttle body (Дроссель газа)
(DF15A P01)

Throttle body (Дроссель газа)

Throttle body (Дроссель газа)
(DF15AR P01)

Throttle body (Дроссель газа)

Throttle body (Дроссель газа)
(DF15ATH P01)

Throttle body (Дроссель газа)

Throttle body (Дроссель газа)
(DF20A P01)

Throttle body (Дроссель газа)

Throttle body (Дроссель газа)
(DF20A P40)

Throttle body (Дроссель газа)

Throttle body (Дроссель газа)
(DF20AR P01)

Throttle body (Дроссель газа)

Throttle body (Дроссель газа)
(DF20AT P01)

Throttle body (Дроссель газа)

Throttle body (Дроссель газа)
(DF20ATH P01)

Oil pump (Масляный насос)

Oil pump (Масляный насос)

Clutch rod (Тяга сцепления)

Clutch rod (Тяга сцепления)
(DF9.9B P01)

Clutch rod (Тяга сцепления)

Clutch rod (Тяга сцепления)
(DF9.9BR P01)

Clutch rod (Тяга сцепления)

Clutch rod (Тяга сцепления)
(DF9.9BT P01)

Clutch rod (Тяга сцепления)

Clutch rod (Тяга сцепления)
(DF15A P01)

Clutch rod (Тяга сцепления)

Clutch rod (Тяга сцепления)
(DF15AR P01)

Clutch rod (Тяга сцепления)

Clutch rod (Тяга сцепления)
(DF15ATH P01)

Clutch rod (Тяга сцепления)

Clutch rod (Тяга сцепления)
(DF20A P01)

Clutch rod (Тяга сцепления)

Clutch rod (Тяга сцепления)
(DF20A P40)

Clutch rod (Тяга сцепления)

Clutch rod (Тяга сцепления)
(DF20AR P01)

Clutch rod (Тяга сцепления)

Clutch rod (Тяга сцепления)
(DF20AT P01)

Clutch rod (Тяга сцепления)

Clutch rod (Тяга сцепления)
(DF20ATH P01)

Shift rod (Переключающая тяга)

Shift rod (Переключающая тяга)

Transmission (Трансмиссия)

Transmission (Трансмиссия)
(DF9.9B P01)

Transmission (Трансмиссия)

Transmission (Трансмиссия)
(DF9.9BR P01)

Transmission (Трансмиссия)

Transmission (Трансмиссия)
(DF9.9BT P01)

Transmission (Трансмиссия)

Transmission (Трансмиссия)
(DF15A P01)

Transmission (Трансмиссия)

Transmission (Трансмиссия)
(DF15AR P01)

Transmission (Трансмиссия)

Transmission (Трансмиссия)
(DF15ATH P01)

Transmission (Трансмиссия)

Transmission (Трансмиссия)
(DF20A P01)

Transmission (Трансмиссия)

Transmission (Трансмиссия)
(DF20A P40)

Transmission (Трансмиссия)

Transmission (Трансмиссия)
(DF20AR P01)

Transmission (Трансмиссия)

Transmission (Трансмиссия)
(DF20AT P01)

Transmission (Трансмиссия)

Transmission (Трансмиссия)
(DF20ATH P01)

Starting motor (Двигатель электростартера)

Starting motor (Двигатель электростартера)
(ELECTRIC STARTER)

Magneto (Магнето)

Magneto (Магнето)
(MANUAL STARTER) (DF9.9B P01)

Magneto (Магнето)

Magneto (Магнето)
(MANUAL STARTER) (DF15A P01)

Magneto (Магнето)

Magneto (Магнето)
(MANUAL STARTER) (DF20A P01)

Magneto (Магнето)

Magneto (Магнето)
(MANUAL STARTER) (DF20A P40)

Magneto (Магнето)

Magneto (Магнето)
(ELECTRIC STARTER)

Rectifier/ignition coil (Выпрямитель / Катушка зажигания)

Rectifier/ignition coil (Выпрямитель / Катушка зажигания)
(DF9.9B P01)

Rectifier/ignition coil (Выпрямитель / Катушка зажигания)

Rectifier/ignition coil (Выпрямитель / Катушка зажигания)
(DF9.9BR P01)

Rectifier/ignition coil (Выпрямитель / Катушка зажигания)

Rectifier/ignition coil (Выпрямитель / Катушка зажигания)
(DF9.9BT P01)

Rectifier/ignition coil (Выпрямитель / Катушка зажигания)

Rectifier/ignition coil (Выпрямитель / Катушка зажигания)
(DF15A P01)

Rectifier/ignition coil (Выпрямитель / Катушка зажигания)

Rectifier/ignition coil (Выпрямитель / Катушка зажигания)
(DF15AR P01)

Rectifier/ignition coil (Выпрямитель / Катушка зажигания)

Rectifier/ignition coil (Выпрямитель / Катушка зажигания)
(DF15ATH P01)

Rectifier/ignition coil (Выпрямитель / Катушка зажигания)

Rectifier/ignition coil (Выпрямитель / Катушка зажигания)
(DF20A P01)

Rectifier/ignition coil (Выпрямитель / Катушка зажигания)

Rectifier/ignition coil (Выпрямитель / Катушка зажигания)
(DF20A P40)

Rectifier/ignition coil (Выпрямитель / Катушка зажигания)

Rectifier/ignition coil (Выпрямитель / Катушка зажигания)
(DF20AR P01)

Rectifier/ignition coil (Выпрямитель / Катушка зажигания)

Rectifier/ignition coil (Выпрямитель / Катушка зажигания)
(DF20AT P01)

Rectifier/ignition coil (Выпрямитель / Катушка зажигания)

Rectifier/ignition coil (Выпрямитель / Катушка зажигания)
(DF20ATH P01)

Ptt switch (Переключатель гидроподъёма)

Ptt switch (Переключатель гидроподъёма)
(DF9.9BT P01)

Ptt switch (Переключатель гидроподъёма)

Ptt switch (Переключатель гидроподъёма)
(DF15ATH P01)

Ptt switch (Переключатель гидроподъёма)

Ptt switch (Переключатель гидроподъёма)
(DF20AT P01)

Ptt switch (Переключатель гидроподъёма)

Ptt switch (Переключатель гидроподъёма)
(DF20ATH P01)

Sensor/switch (Датчики и переключатели)

Sensor/switch (Датчики и переключатели)
(DF9.9B P01)

Sensor/switch (Датчики и переключатели)

Sensor/switch (Датчики и переключатели)
(DF9.9BR P01)

Sensor/switch (Датчики и переключатели)

Sensor/switch (Датчики и переключатели)
(DF9.9BT P01)

Sensor/switch (Датчики и переключатели)

Sensor/switch (Датчики и переключатели)
(DF15A P01)

Sensor/switch (Датчики и переключатели)

Sensor/switch (Датчики и переключатели)
(DF15AR P01)

Sensor/switch (Датчики и переключатели)

Sensor/switch (Датчики и переключатели)
(DF15ATH P01)

Sensor/switch (Датчики и переключатели)

Sensor/switch (Датчики и переключатели)
(DF20A P01)

Sensor/switch (Датчики и переключатели)

Sensor/switch (Датчики и переключатели)
(DF20A P40)

Sensor/switch (Датчики и переключатели)

Sensor/switch (Датчики и переключатели)
(DF20AR P01)

Sensor/switch (Датчики и переключатели)

Sensor/switch (Датчики и переключатели)
(DF20AT P01)

Sensor/switch (Датчики и переключатели)

Sensor/switch (Датчики и переключатели)
(DF20ATH P01)

Harness (Жгут проводов)

Harness (Жгут проводов)
(DF9.9B P01)

Harness (Жгут проводов)

Harness (Жгут проводов)
(DF9.9BR P01)

Harness (Жгут проводов)

Harness (Жгут проводов)
(DF9.9BT P01)

Harness (Жгут проводов)

Harness (Жгут проводов)
(DF15A P01)

Harness (Жгут проводов)

Harness (Жгут проводов)
(DF15AR P01)

Harness (Жгут проводов)

Harness (Жгут проводов)
(DF15ATH P01)

Harness (Жгут проводов)

Harness (Жгут проводов)
(DF20A P01)

Harness (Жгут проводов)

Harness (Жгут проводов)
(DF20A P40)

Harness (Жгут проводов)

Harness (Жгут проводов)
(DF20AR P01)

Harness (Жгут проводов)

Harness (Жгут проводов)
(DF20AT P01)

Harness (Жгут проводов)

Harness (Жгут проводов)
(DF20ATH P01)

Clamp bracket (Кронштейн транца)

Clamp bracket (Кронштейн транца)
(DF9.9B P01)

Clamp bracket (Кронштейн транца)

Clamp bracket (Кронштейн транца)
(DF9.9BR P01)

Clamp bracket (Кронштейн транца)

Clamp bracket (Кронштейн транца)
(DF9.9BT P01)

Clamp bracket (Кронштейн транца)

Clamp bracket (Кронштейн транца)
(DF15A P01)

Clamp bracket (Кронштейн транца)

Clamp bracket (Кронштейн транца)
(DF15AR P01)

Clamp bracket (Кронштейн транца)

Clamp bracket (Кронштейн транца)
(DF15ATH P01)

Clamp bracket (Кронштейн транца)

Clamp bracket (Кронштейн транца)
(DF20A P01)

Clamp bracket (Кронштейн транца)

Clamp bracket (Кронштейн транца)
(DF20A P40)

Clamp bracket (Кронштейн транца)

Clamp bracket (Кронштейн транца)
(DF20AR P01)

Clamp bracket (Кронштейн транца)

Clamp bracket (Кронштейн транца)
(DF20AT P01)

Clamp bracket (Кронштейн транца)

Clamp bracket (Кронштейн транца)
(DF20ATH P01)

Swivel bracket (Поворотный кронштейн)

Swivel bracket (Поворотный кронштейн)
(DF9.9B P01)

Swivel bracket (Поворотный кронштейн)

Swivel bracket (Поворотный кронштейн)
(DF9.9BR P01)

Swivel bracket (Поворотный кронштейн)

Swivel bracket (Поворотный кронштейн)
(DF9.9BT P01)

Swivel bracket (Поворотный кронштейн)

Swivel bracket (Поворотный кронштейн)
(DF15A P01)

Swivel bracket (Поворотный кронштейн)

Swivel bracket (Поворотный кронштейн)
(DF15AR P01)

Swivel bracket (Поворотный кронштейн)

Swivel bracket (Поворотный кронштейн)
(DF15ATH P01)

Swivel bracket (Поворотный кронштейн)

Swivel bracket (Поворотный кронштейн)
(DF20A P01)

Swivel bracket (Поворотный кронштейн)

Swivel bracket (Поворотный кронштейн)
(DF20A P40)

Swivel bracket (Поворотный кронштейн)

Swivel bracket (Поворотный кронштейн)
(DF20AR P01)

Swivel bracket (Поворотный кронштейн)

Swivel bracket (Поворотный кронштейн)
(DF20AT P01)

Swivel bracket (Поворотный кронштейн)

Swivel bracket (Поворотный кронштейн)
(DF20ATH P01)

Tilt cylinder (Цилиндр наклона)

Tilt cylinder (Цилиндр наклона)
(DF9.9BT P01)

Tilt cylinder (Цилиндр наклона)

Tilt cylinder (Цилиндр наклона)
(DF15ATH P01)

Tilt cylinder (Цилиндр наклона)

Tilt cylinder (Цилиндр наклона)
(DF20AT P01)

Tilt cylinder (Цилиндр наклона)

Tilt cylinder (Цилиндр наклона)
(DF20ATH P01)

Ptt motor (Двигатель гидроподъёма)

Ptt motor (Двигатель гидроподъёма)
(DF9.9BT P01)

Ptt motor (Двигатель гидроподъёма)

Ptt motor (Двигатель гидроподъёма)
(DF15ATH P01)

Ptt motor (Двигатель гидроподъёма)

Ptt motor (Двигатель гидроподъёма)
(DF20AT P01)

Ptt motor (Двигатель гидроподъёма)

Ptt motor (Двигатель гидроподъёма)
(DF20ATH P01)

Engine holder (Основание двигателя)

Engine holder (Основание двигателя)

Drive shaft housing (Корпус вала передачи)

Drive shaft housing (Корпус вала передачи)

Gear case (Картер коробки передач)

Gear case (Картер коробки передач)

Side cover (Боковая крышка)

Side cover (Боковая крышка)
(DF9.9B P01)

Side cover (Боковая крышка)

Side cover (Боковая крышка)
(DF9.9BR P01)

Side cover (Боковая крышка)

Side cover (Боковая крышка)
(DF9.9BT P01)

Side cover (Боковая крышка)

Side cover (Боковая крышка)
(DF15A P01)

Side cover (Боковая крышка)

Side cover (Боковая крышка)
(DF15AR P01)

Side cover (Боковая крышка)

Side cover (Боковая крышка)
(DF15ATH P01)

Side cover (Боковая крышка)

Side cover (Боковая крышка)
(DF20A P01)

Side cover (Боковая крышка)

Side cover (Боковая крышка)
(DF20A P40)

Side cover (Боковая крышка)

Side cover (Боковая крышка)
(DF20AR P01)

Side cover (Боковая крышка)

Side cover (Боковая крышка)
(DF20AT P01)

Side cover (Боковая крышка)

Side cover (Боковая крышка)
(DF20ATH P01)

Engine cover (Крышка двигателя (капот))

Engine cover (Крышка двигателя (капот))
(DF9.9B P01)

Engine cover (Крышка двигателя (капот))

Engine cover (Крышка двигателя (капот))
(DF9.9BR P01)

Engine cover (Крышка двигателя (капот))

Engine cover (Крышка двигателя (капот))
(DF9.9BT P01)

Engine cover (Крышка двигателя (капот))

Engine cover (Крышка двигателя (капот))
(DF15A P01)

Engine cover (Крышка двигателя (капот))

Engine cover (Крышка двигателя (капот))
(DF15AR P01)

Engine cover (Крышка двигателя (капот))

Engine cover (Крышка двигателя (капот))
(DF15ATH P01)

Engine cover (Крышка двигателя (капот))

Engine cover (Крышка двигателя (капот))
(DF20A P01)

Engine cover (Крышка двигателя (капот))

Engine cover (Крышка двигателя (капот))
(DF20A P40)

Engine cover (Крышка двигателя (капот))

Engine cover (Крышка двигателя (капот))
(DF20AR P01)

Engine cover (Крышка двигателя (капот))

Engine cover (Крышка двигателя (капот))
(DF20AT P01)

Engine cover (Крышка двигателя (капот))

Engine cover (Крышка двигателя (капот))
(DF20ATH P01)

Tiller handle (Румпель)

Tiller handle (Румпель)
(DF9.9B P01)

Tiller handle (Румпель)

Tiller handle (Румпель)
(DF15A P01)

Tiller handle (Румпель)

Tiller handle (Румпель)
(DF15ATH P01)

Tiller handle (Румпель)

Tiller handle (Румпель)
(DF20A P01)

Tiller handle (Румпель)

Tiller handle (Румпель)
(DF20A P40)

Tiller handle (Румпель)

Tiller handle (Румпель)
(DF20ATH P01)

Fuel tank (Топливный бак)

Fuel tank (Топливный бак)
<row eff_dt="03-MAR-14"exp_dt=""> <l id="*" d="SIEHE / VOIR SERVICE BULLETIN SB-OF512-05; "/> </row>

Remote control (Дистанционное управление)

Remote control (Дистанционное управление)
(DF9.9BR P01)

Remote control (Дистанционное управление)

Remote control (Дистанционное управление)
(DF9.9BT P01)

Remote control (Дистанционное управление)

Remote control (Дистанционное управление)
(DF15AR P01)

Remote control (Дистанционное управление)

Remote control (Дистанционное управление)
(DF20AR P01)

Remote control (Дистанционное управление)

Remote control (Дистанционное управление)
(DF20AT P01)

Drag link (Переключающая тяга)

Drag link (Переключающая тяга)
(DF9.9BR P01)

Drag link (Переключающая тяга)

Drag link (Переключающая тяга)
(DF9.9BT P01)

Drag link (Переключающая тяга)

Drag link (Переключающая тяга)
(DF15AR P01)

Drag link (Переключающая тяга)

Drag link (Переключающая тяга)
(DF20AR P01)

Drag link (Переключающая тяга)

Drag link (Переключающая тяга)
(DF20AT P01)

Opt:fuel tank (Опции: топливный бак)

Opt:fuel tank (Опции: топливный бак)

Opt:electrical (Опции: электрика)

Opt:electrical (Опции: электрика)
(MANUAL STARTER) (DF9.9B P01)

Opt:electrical (Опции: электрика)

Opt:electrical (Опции: электрика)
(MANUAL STARTER) (DF15A P01)

Opt:electrical (Опции: электрика)

Opt:electrical (Опции: электрика)
(MANUAL STARTER) (DF20A P01)

Opt:electrical (Опции: электрика)

Opt:electrical (Опции: электрика)
(MANUAL STARTER) (DF20A P40)

Opt:starting motor (Опции: электростартер)

Opt:starting motor (Опции: электростартер)
(MANUAL STARTER) (DF9.9B P01)

Opt:starting motor (Опции: электростартер)

Opt:starting motor (Опции: электростартер)
(MANUAL STARTER) (DF9.9BR P01)

Opt:starting motor (Опции: электростартер)

Opt:starting motor (Опции: электростартер)
(MANUAL STARTER) (DF9.9BT P01)

Opt:starting motor (Опции: электростартер)

Opt:starting motor (Опции: электростартер)
(MANUAL STARTER) (DF15A P01)

Opt:starting motor (Опции: электростартер)

Opt:starting motor (Опции: электростартер)
(MANUAL STARTER) (DF15AR P01)

Opt:starting motor (Опции: электростартер)

Opt:starting motor (Опции: электростартер)
(MANUAL STARTER) (DF15ATH P01)

Opt:starting motor (Опции: электростартер)

Opt:starting motor (Опции: электростартер)
(MANUAL STARTER) (DF20A P01)

Opt:starting motor (Опции: электростартер)

Opt:starting motor (Опции: электростартер)
(MANUAL STARTER) (DF20A P40)

Opt:starting motor (Опции: электростартер)

Opt:starting motor (Опции: электростартер)
(MANUAL STARTER) (DF20AR P01)

Opt:starting motor (Опции: электростартер)

Opt:starting motor (Опции: электростартер)
(MANUAL STARTER) (DF20AT P01)

Opt:starting motor (Опции: электростартер)

Opt:starting motor (Опции: электростартер)
(MANUAL STARTER) (DF20ATH P01)

Opt:meter (Опции: приборы)

Opt:meter (Опции: приборы)
(DF9.9BR P01)

Opt:meter (Опции: приборы)

Opt:meter (Опции: приборы)
(DF9.9BT P01)

Opt:meter (Опции: приборы)

Opt:meter (Опции: приборы)
(DF15AR P01)

Opt:meter (Опции: приборы)

Opt:meter (Опции: приборы)
(DF20AR P01)

Opt:meter (Опции: приборы)

Opt:meter (Опции: приборы)
(DF20AT P01)

Opt:switch (Опции: переключатели)

Opt:switch (Опции: переключатели)
(DF9.9BR P01)

Opt:switch (Опции: переключатели)

Opt:switch (Опции: переключатели)
(DF9.9BT P01)

Opt:switch (Опции: переключатели)

Opt:switch (Опции: переключатели)
(DF15AR P01)

Opt:switch (Опции: переключатели)

Opt:switch (Опции: переключатели)
(DF20AR P01)

Opt:switch (Опции: переключатели)

Opt:switch (Опции: переключатели)
(DF20AT P01)

Opt:remote control parts (Опции: Запчасти для дистанционного управления)

Opt:remote control parts (Опции: Запчасти для дистанционного управления)
(DF9.9B P01)

Opt:remote control parts (Опции: Запчасти для дистанционного управления)

Opt:remote control parts (Опции: Запчасти для дистанционного управления)
(DF15A P01)

Opt:remote control parts (Опции: Запчасти для дистанционного управления)

Opt:remote control parts (Опции: Запчасти для дистанционного управления)
(DF20A P01)

Opt:remote control parts (Опции: Запчасти для дистанционного управления)

Opt:remote control parts (Опции: Запчасти для дистанционного управления)
(DF20A P40)

Opt:remote control assy single (Дистанционное управление в сборе, одинарное)

Opt:remote control assy single (Дистанционное управление в сборе, одинарное)
(1) (DF9.9B P01)

Opt:remote control assy single (Дистанционное управление в сборе, одинарное)

Opt:remote control assy single (Дистанционное управление в сборе, одинарное)
(1) (DF15A P01)

Opt:remote control assy single (Дистанционное управление в сборе, одинарное)

Opt:remote control assy single (Дистанционное управление в сборе, одинарное)
(1) (DF20A P01)

Opt:remote control assy single (Дистанционное управление в сборе, одинарное)

Opt:remote control assy single (Дистанционное управление в сборе, одинарное)
(1) (DF20A P40)

Opt:remote control assy single (Дистанционное управление в сборе, одинарное)

Opt:remote control assy single (Дистанционное управление в сборе, одинарное)
(2) (DF9.9B P01)

Opt:remote control assy single (Дистанционное управление в сборе, одинарное)

Opt:remote control assy single (Дистанционное управление в сборе, одинарное)
(2) (DF15A P01)

Opt:remote control assy single (Дистанционное управление в сборе, одинарное)

Opt:remote control assy single (Дистанционное управление в сборе, одинарное)
(2) (DF20A P01)

Opt:remote control assy single (Дистанционное управление в сборе, одинарное)

Opt:remote control assy single (Дистанционное управление в сборе, одинарное)
(2) (DF20A P40)

Opt:remote control (Опции: дистанционное управление)

Opt:remote control (Опции: дистанционное управление)
(DF9.9B P01)

Opt:remote control (Опции: дистанционное управление)

Opt:remote control (Опции: дистанционное управление)
(DF15A P01)

Opt:remote control (Опции: дистанционное управление)

Opt:remote control (Опции: дистанционное управление)
(DF20A P01)

Opt:remote control (Опции: дистанционное управление)

Opt:remote control (Опции: дистанционное управление)
(DF20A P40)

Opt:remocon cable (Опции: трос дистанционного управления)

Opt:remocon cable (Опции: трос дистанционного управления)
(DF9.9BR P01)

Opt:remocon cable (Опции: трос дистанционного управления)

Opt:remocon cable (Опции: трос дистанционного управления)
(DF9.9BT P01)

Opt:remocon cable (Опции: трос дистанционного управления)

Opt:remocon cable (Опции: трос дистанционного управления)
(DF15AR P01)

Opt:remocon cable (Опции: трос дистанционного управления)

Opt:remocon cable (Опции: трос дистанционного управления)
(DF20AR P01)

Opt:remocon cable (Опции: трос дистанционного управления)

Opt:remocon cable (Опции: трос дистанционного управления)
(DF20AT P01)

Opt:remocon cable (Опции: трос дистанционного управления)

Opt:remocon cable (Опции: трос дистанционного управления)
(ELECTRIC STARTER) (DF9.9B P01)

Opt:remocon cable (Опции: трос дистанционного управления)

Opt:remocon cable (Опции: трос дистанционного управления)
(ELECTRIC STARTER) (DF15A P01)

Opt:remocon cable (Опции: трос дистанционного управления)

Opt:remocon cable (Опции: трос дистанционного управления)
(ELECTRIC STARTER) (DF15ATH P01)

Opt:remocon cable (Опции: трос дистанционного управления)

Opt:remocon cable (Опции: трос дистанционного управления)
(ELECTRIC STARTER) (DF20A P01)

Opt:remocon cable (Опции: трос дистанционного управления)

Opt:remocon cable (Опции: трос дистанционного управления)
(ELECTRIC STARTER) (DF20A P40)

Opt:remocon cable (Опции: трос дистанционного управления)

Opt:remocon cable (Опции: трос дистанционного управления)
(ELECTRIC STARTER) (DF20ATH P01)

Opt:drag link (Опции: рулевая тяга)

Opt:drag link (Опции: рулевая тяга)
(DF9.9B P01)

Opt:drag link (Опции: рулевая тяга)

Opt:drag link (Опции: рулевая тяга)
(DF15A P01)

Opt:drag link (Опции: рулевая тяга)

Opt:drag link (Опции: рулевая тяга)
(DF20A P01)

Opt:drag link (Опции: рулевая тяга)

Opt:drag link (Опции: рулевая тяга)
(DF20A P40)

Opt:lowrance gauge (Опции: приборы Lowrance)

Opt:lowrance gauge (Опции: приборы Lowrance)
(DF9.9BR P01)

Opt:lowrance gauge (Опции: приборы Lowrance)

Opt:lowrance gauge (Опции: приборы Lowrance)
(DF9.9BT P01)

Opt:lowrance gauge (Опции: приборы Lowrance)

Opt:lowrance gauge (Опции: приборы Lowrance)
(DF15AR P01)

Opt:lowrance gauge (Опции: приборы Lowrance)

Opt:lowrance gauge (Опции: приборы Lowrance)
(DF20AR P01)

Opt:lowrance gauge (Опции: приборы Lowrance)

Opt:lowrance gauge (Опции: приборы Lowrance)
(DF20AT P01)




 
 

данный сайт носит информационный характер и не является публичной офертой

склад запчастей для водомоторной техники