вконтакте

Контактный телефон: +7 (981) 121-46-93, +7 (800) 200-90-76 , Email: parts-katalog@yandex.ru, где купить

 
 

  Логин:

Пароль:

Регистрация

www.partskatalog.ru Все каталоги Запчасти Mercury Запчасти Suzuki Запчасти Tohatsu Запчасти Honda Контакты



УВАЖАЕМЫЕ КЛИЕНТЫ!
C 19 ДЕКАБРЯ 2025 ПО 02 МАРТА 2026 ГОДА ОТДЕЛ ЗАПЧАСТЕЙ И СЕРВИС РАБОТАТЬ НЕ БУДУТ
ПРОДАЖА ЛОДОЧНЫХ МОТОРОВ В ШТАТНОМ РЕЖИМЕ
ОБ ИЗМЕНЕНИЯХ В ГРАФИКЕ РАБОТЫ ЧИТАЙТЕ НА САЙТА




запчастиsuzuki

Узнать наличие и цену запчасти:

Вернуться к началу выбора

Поиск модели по серийному номеру


РЕЖИМЫ ПРОСМОТРА

Все узлы и детали

Двигатель

Трансмиссия

Электрика

Внешние части

Тип двигателя: 4x - тактный

Модель двигателя: Suzuki DF15

Модификация Вашего двигателя:   Suzuki DF-15A/DF-15AR (P03 013)
Двигатели с серийным номером после 01504F-310001
Код модели двигателя: DF15AS/L; DF15ARS/L
Год выпуска двигателя: 2013
Регион: USA/General South East Asia ,Код региона: P03/P013
Цвет: Shadow Black Metallic


Поиск запчастей по коду или названию


   Выберите раздел

найти расходники на лодочные моторы Suzuki

Начните вводить запрос

Cylinder head (Головка блока цилиндра)

Cylinder head (Головка блока цилиндра)

Cylinder block (Блок цилиндра)

Cylinder block (Блок цилиндра)

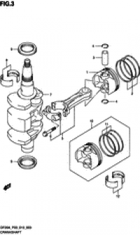
Crankshaft (Коленвал)

Crankshaft (Коленвал)

Timing belt (Ремень распредвала)

Timing belt (Ремень распредвала)

Camshaft (Распределительный вал)

Camshaft (Распределительный вал)
(DF9.9B P03)

Camshaft (Распределительный вал)

Camshaft (Распределительный вал)
(DF9.9BR P03)

Camshaft (Распределительный вал)

Camshaft (Распределительный вал)
(DF15A P03)

Camshaft (Распределительный вал)

Camshaft (Распределительный вал)
(DF15AR P03)

Camshaft (Распределительный вал)

Camshaft (Распределительный вал)
(DF20A P03)

Camshaft (Распределительный вал)

Camshaft (Распределительный вал)
(DF20AR P03)

Inlet manifold (Впускной коллектор)

Inlet manifold (Впускной коллектор)
(DF9.9B P03)

Inlet manifold (Впускной коллектор)

Inlet manifold (Впускной коллектор)
(DF9.9BR P03)

Inlet manifold (Впускной коллектор)

Inlet manifold (Впускной коллектор)
(DF15A P03)

Inlet manifold (Впускной коллектор)

Inlet manifold (Впускной коллектор)
(DF15AR P03)

Inlet manifold (Впускной коллектор)

Inlet manifold (Впускной коллектор)
(DF20A P03)

Inlet manifold (Впускной коллектор)

Inlet manifold (Впускной коллектор)
(DF20AR P03)

Fuel injector (Топливный инжектор)

Fuel injector (Топливный инжектор)

Fuel pump (Топливный насос)

Fuel pump (Топливный насос)
(DF9.9B P03)

Fuel pump (Топливный насос)

Fuel pump (Топливный насос)
(DF9.9BR P03)

Fuel pump (Топливный насос)

Fuel pump (Топливный насос)
(DF15A P03)

Fuel pump (Топливный насос)

Fuel pump (Топливный насос)
(DF15AR P03)

Fuel pump (Топливный насос)

Fuel pump (Топливный насос)
(DF20A P03)

Fuel pump (Топливный насос)

Fuel pump (Топливный насос)
(DF20AR P03)

Water pump (Водяной насос)

Water pump (Водяной насос)

Thermostat (Термостат)

Thermostat (Термостат)

Recoil starter (Барабанный стартер)

Recoil starter (Барабанный стартер)

Throttle control (Управление дросселем)

Throttle control (Управление дросселем)
(DF9.9BR P03)

Throttle control (Управление дросселем)

Throttle control (Управление дросселем)
(DF15AR P03)

Throttle control (Управление дросселем)

Throttle control (Управление дросселем)
(DF20AR P03)

Throttle body (Дроссель газа)

Throttle body (Дроссель газа)
(DF9.9B P03)

Throttle body (Дроссель газа)

Throttle body (Дроссель газа)
(DF9.9BR P03)

Throttle body (Дроссель газа)

Throttle body (Дроссель газа)
(DF15A P03)

Throttle body (Дроссель газа)

Throttle body (Дроссель газа)
(DF15AR P03)

Throttle body (Дроссель газа)

Throttle body (Дроссель газа)
(DF20A P03)

Throttle body (Дроссель газа)

Throttle body (Дроссель газа)
(DF20AR P03)

Oil pump (Масляный насос)

Oil pump (Масляный насос)

Clutch rod (Тяга сцепления)

Clutch rod (Тяга сцепления)
(DF9.9B P03)

Clutch rod (Тяга сцепления)

Clutch rod (Тяга сцепления)
(DF9.9BR P03)

Clutch rod (Тяга сцепления)

Clutch rod (Тяга сцепления)
(DF15A P03)

Clutch rod (Тяга сцепления)

Clutch rod (Тяга сцепления)
(DF15AR P03)

Clutch rod (Тяга сцепления)

Clutch rod (Тяга сцепления)
(DF20A P03)

Clutch rod (Тяга сцепления)

Clutch rod (Тяга сцепления)
(DF20AR P03)

Shift rod (Переключающая тяга)

Shift rod (Переключающая тяга)

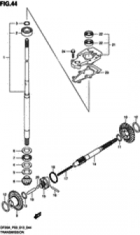
Transmission (Трансмиссия)

Transmission (Трансмиссия)

Starting motor (Двигатель электростартера)

Starting motor (Двигатель электростартера)
(ELECTRIC STARTER)

Magneto (Магнето)

Magneto (Магнето)
(DF9.9B P03)

Magneto (Магнето)

Magneto (Магнето)
(DF9.9BR P03)

Magneto (Магнето)

Magneto (Магнето)
(DF15A P03)

Magneto (Магнето)

Magneto (Магнето)
(DF15AR P03)

Magneto (Магнето)

Magneto (Магнето)
(DF20A P03)

Magneto (Магнето)

Magneto (Магнето)
(DF20AR P03)

Rectifier / ignition coil (Выпрямитель / Катушка зажигания)

Rectifier / ignition coil (Выпрямитель / Катушка зажигания)
(DF9.9B P03)

Rectifier / ignition coil (Выпрямитель / Катушка зажигания)

Rectifier / ignition coil (Выпрямитель / Катушка зажигания)
(DF9.9BR P03)

Rectifier / ignition coil (Выпрямитель / Катушка зажигания)

Rectifier / ignition coil (Выпрямитель / Катушка зажигания)
(DF15A P03)

Rectifier / ignition coil (Выпрямитель / Катушка зажигания)

Rectifier / ignition coil (Выпрямитель / Катушка зажигания)
(DF15AR P03)

Rectifier / ignition coil (Выпрямитель / Катушка зажигания)

Rectifier / ignition coil (Выпрямитель / Катушка зажигания)
(DF20A P03)

Rectifier / ignition coil (Выпрямитель / Катушка зажигания)

Rectifier / ignition coil (Выпрямитель / Катушка зажигания)
(DF20AR P03)

Sensor / switch (Датчики и переключатели)

Sensor / switch (Датчики и переключатели)
(DF9.9B P03)

Sensor / switch (Датчики и переключатели)

Sensor / switch (Датчики и переключатели)
(DF9.9BR P03)

Sensor / switch (Датчики и переключатели)

Sensor / switch (Датчики и переключатели)
(DF15A P03)

Sensor / switch (Датчики и переключатели)

Sensor / switch (Датчики и переключатели)
(DF15AR P03)

Sensor / switch (Датчики и переключатели)

Sensor / switch (Датчики и переключатели)
(DF20A P03)

Sensor / switch (Датчики и переключатели)

Sensor / switch (Датчики и переключатели)
(DF20AR P03)

Harness (Жгут проводов)

Harness (Жгут проводов)
(DF9.9B P03)

Harness (Жгут проводов)

Harness (Жгут проводов)
(DF9.9BR P03)

Harness (Жгут проводов)

Harness (Жгут проводов)
(DF15A P03)

Harness (Жгут проводов)

Harness (Жгут проводов)
(DF15AR P03)

Harness (Жгут проводов)

Harness (Жгут проводов)
(DF20A P03)

Harness (Жгут проводов)

Harness (Жгут проводов)
(DF20AR P03)

Clamp bracket (Кронштейн транца)

Clamp bracket (Кронштейн транца)
(DF9.9B P03)

Clamp bracket (Кронштейн транца)

Clamp bracket (Кронштейн транца)
(DF9.9BR P03)

Clamp bracket (Кронштейн транца)

Clamp bracket (Кронштейн транца)
(DF15A P03)

Clamp bracket (Кронштейн транца)

Clamp bracket (Кронштейн транца)
(DF15AR P03)

Clamp bracket (Кронштейн транца)

Clamp bracket (Кронштейн транца)
(DF20A P03)

Clamp bracket (Кронштейн транца)

Clamp bracket (Кронштейн транца)
(DF20AR P03)

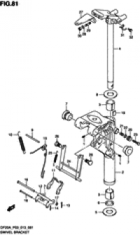
Swivel bracket (Поворотный кронштейн)

Swivel bracket (Поворотный кронштейн)
(DF9.9B P03)

Swivel bracket (Поворотный кронштейн)

Swivel bracket (Поворотный кронштейн)
(DF9.9BR P03)

Swivel bracket (Поворотный кронштейн)

Swivel bracket (Поворотный кронштейн)
(DF15A P03)

Swivel bracket (Поворотный кронштейн)

Swivel bracket (Поворотный кронштейн)
(DF15AR P03)

Swivel bracket (Поворотный кронштейн)

Swivel bracket (Поворотный кронштейн)
(DF20A P03)

Swivel bracket (Поворотный кронштейн)

Swivel bracket (Поворотный кронштейн)
(DF20AR P03)

Engine holder (Основание двигателя)

Engine holder (Основание двигателя)

Drive shaft housing (Корпус вала передачи)

Drive shaft housing (Корпус вала передачи)

Gear case (Картер коробки передач)

Gear case (Картер коробки передач)

Side cover (Боковая крышка)

Side cover (Боковая крышка)
(DF9.9B P03)

Side cover (Боковая крышка)

Side cover (Боковая крышка)
(DF9.9BR P03)

Side cover (Боковая крышка)

Side cover (Боковая крышка)
(DF15A P03)

Side cover (Боковая крышка)

Side cover (Боковая крышка)
(DF15AR P03)

Side cover (Боковая крышка)

Side cover (Боковая крышка)
(DF20A P03)

Side cover (Боковая крышка)

Side cover (Боковая крышка)
(DF20AR P03)

Engine cover (Крышка двигателя (капот))

Engine cover (Крышка двигателя (капот))
(DF9.9B P03)

Engine cover (Крышка двигателя (капот))

Engine cover (Крышка двигателя (капот))
(DF9.9BR P03)

Engine cover (Крышка двигателя (капот))

Engine cover (Крышка двигателя (капот))
(DF15A P03)

Engine cover (Крышка двигателя (капот))

Engine cover (Крышка двигателя (капот))
(DF15AR P03)

Engine cover (Крышка двигателя (капот))

Engine cover (Крышка двигателя (капот))
(DF20A P03)

Engine cover (Крышка двигателя (капот))

Engine cover (Крышка двигателя (капот))
(DF20AR P03)

Tiller handle (Румпель)

Tiller handle (Румпель)
(DF9.9B P03)

Tiller handle (Румпель)

Tiller handle (Румпель)
(DF15A P03)

Tiller handle (Румпель)

Tiller handle (Румпель)
(DF20A P03)

Fuel tank (Топливный бак)

Fuel tank (Топливный бак)
(RESIN)

Opt:fuel tank (Опции: топливный бак)

Opt:fuel tank (Опции: топливный бак)
(RESIN 25L)

Opt:electrical (Опции: электрика)

Opt:electrical (Опции: электрика)
(MANUAL STARTER)

Opt:starting motor (Опции: электростартер)

Opt:starting motor (Опции: электростартер)
(MANUAL STARTER)

Opt:meter (Опции: приборы)

Opt:meter (Опции: приборы)
(DF9.9BR P03)

Opt:meter (Опции: приборы)

Opt:meter (Опции: приборы)
(DF15AR P03)

Opt:meter (Опции: приборы)

Opt:meter (Опции: приборы)
(DF20AR P03)

Opt:switch (Опции: переключатели)

Opt:switch (Опции: переключатели)
(DF9.9BR P03)

Opt:switch (Опции: переключатели)

Opt:switch (Опции: переключатели)
(DF15AR P03)

Opt:switch (Опции: переключатели)

Opt:switch (Опции: переключатели)
(DF20AR P03)

Opt:remote control parts (Опции: Запчасти для дистанционного управления)

Opt:remote control parts (Опции: Запчасти для дистанционного управления)
(DF9.9B P03)

Opt:remote control parts (Опции: Запчасти для дистанционного управления)

Opt:remote control parts (Опции: Запчасти для дистанционного управления)
(DF15A P03)

Opt:remote control parts (Опции: Запчасти для дистанционного управления)

Opt:remote control parts (Опции: Запчасти для дистанционного управления)
(DF20A P03)

Opt:remote control assy single (Дистанционное управление в сборе, одинарное)

Opt:remote control assy single (Дистанционное управление в сборе, одинарное)
(1)

Opt:remote control assy single (Дистанционное управление в сборе, одинарное)

Opt:remote control assy single (Дистанционное управление в сборе, одинарное)
(2)

Opt:remote control (Опции: дистанционное управление)

Opt:remote control (Опции: дистанционное управление)
(DF9.9B P03)

Opt:remote control (Опции: дистанционное управление)

Opt:remote control (Опции: дистанционное управление)
(DF9.9BR P03)

Opt:remote control (Опции: дистанционное управление)

Opt:remote control (Опции: дистанционное управление)
(DF15A P03)

Opt:remote control (Опции: дистанционное управление)

Opt:remote control (Опции: дистанционное управление)
(DF15AR P03)

Opt:remote control (Опции: дистанционное управление)

Opt:remote control (Опции: дистанционное управление)
(DF20A P03)

Opt:remote control (Опции: дистанционное управление)

Opt:remote control (Опции: дистанционное управление)
(DF20AR P03)

Opt:remocon cable (Опции: трос дистанционного управления)

Opt:remocon cable (Опции: трос дистанционного управления)
(ELECTRIC STARTER) (DF15A P03)

Opt:remocon cable (Опции: трос дистанционного управления)

Opt:remocon cable (Опции: трос дистанционного управления)
(ELECTRIC STARTER) (DF20A P03)

Opt:drag link (Опции: рулевая тяга)

Opt:drag link (Опции: рулевая тяга)
(DF15A P03)

Opt:drag link (Опции: рулевая тяга)

Opt:drag link (Опции: рулевая тяга)
(DF20A P03)

Opt:lowrance gauge (Опции: приборы Lowrance)

Opt:lowrance gauge (Опции: приборы Lowrance)
(DF9.9BR P03)

Opt:lowrance gauge (Опции: приборы Lowrance)

Opt:lowrance gauge (Опции: приборы Lowrance)
(DF15AR P03)

Opt:lowrance gauge (Опции: приборы Lowrance)

Opt:lowrance gauge (Опции: приборы Lowrance)
(DF20AR P03)




 
 

данный сайт носит информационный характер и не является публичной офертой

склад запчастей для водомоторной техники