вконтакте

Контактный телефон: +7 (981) 121-46-93, +7 (800) 200-90-76 , Email: parts-katalog@yandex.ru, где купить

 
 

  Логин:

Пароль:

Регистрация

www.partskatalog.ru Все каталоги Запчасти Mercury Запчасти Suzuki Запчасти Tohatsu Запчасти Honda Контакты



УВАЖАЕМЫЕ КЛИЕНТЫ!
C 19 ДЕКАБРЯ 2025 ПО 02 МАРТА 2026 ГОДА ОТДЕЛ ЗАПЧАСТЕЙ И СЕРВИС РАБОТАТЬ НЕ БУДУТ
ПРОДАЖА ЛОДОЧНЫХ МОТОРОВ В ШТАТНОМ РЕЖИМЕ
ОБ ИЗМЕНЕНИЯХ В ГРАФИКЕ РАБОТЫ ЧИТАЙТЕ НА САЙТА




запчастиsuzuki

Узнать наличие и цену запчасти:

Вернуться к началу выбора

Поиск модели по серийному номеру


РЕЖИМЫ ПРОСМОТРА

Все узлы и детали

Двигатель

Трансмиссия

Электрика

Внешние части

Тип двигателя: 4x - тактный

Модель двигателя: Suzuki DF15

Модификация Вашего двигателя:   Suzuki DF-15A/DF-15AR/DF-15ATH (P03 014)
Двигатели с серийным номером после 01504F-410001
Код модели двигателя: DF15AS/L; DF15ARS/L; DF15ATS/L
Год выпуска двигателя: 2014
Регион: USA/Thailand ,Код региона: P03/P014
Цвет: Shadow Black Metallic


Поиск запчастей по коду или названию


   Выберите раздел

найти расходники на лодочные моторы Suzuki

Начните вводить запрос

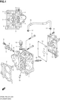
Cylinder head (Головка блока цилиндра)

Cylinder head (Головка блока цилиндра)

Cylinder block (Блок цилиндра)

Cylinder block (Блок цилиндра)

Crankshaft (Коленвал)

Crankshaft (Коленвал)

Timing belt (Ремень распредвала)

Timing belt (Ремень распредвала)

Camshaft (Распределительный вал)

Camshaft (Распределительный вал)
(DF9.9B P03)

Camshaft (Распределительный вал)

Camshaft (Распределительный вал)
(DF9.9BR P03)

Camshaft (Распределительный вал)

Camshaft (Распределительный вал)
(DF9.9BT P03)

Camshaft (Распределительный вал)

Camshaft (Распределительный вал)
(DF15A P03)

Camshaft (Распределительный вал)

Camshaft (Распределительный вал)
(DF15AR P03)

Camshaft (Распределительный вал)

Camshaft (Распределительный вал)
(DF15ATH P03)

Camshaft (Распределительный вал)

Camshaft (Распределительный вал)
(DF20A P03)

Camshaft (Распределительный вал)

Camshaft (Распределительный вал)
(DF20AR P03)

Camshaft (Распределительный вал)

Camshaft (Распределительный вал)
(DF20AT P03)

Camshaft (Распределительный вал)

Camshaft (Распределительный вал)
(DF20ATH P03)

Inlet manifold (Впускной коллектор)

Inlet manifold (Впускной коллектор)
(DF9.9B P03)

Inlet manifold (Впускной коллектор)

Inlet manifold (Впускной коллектор)
(DF9.9BR P03)

Inlet manifold (Впускной коллектор)

Inlet manifold (Впускной коллектор)
(DF9.9BT P03)

Inlet manifold (Впускной коллектор)

Inlet manifold (Впускной коллектор)
(DF15A P03)

Inlet manifold (Впускной коллектор)

Inlet manifold (Впускной коллектор)
(DF15AR P03)

Inlet manifold (Впускной коллектор)

Inlet manifold (Впускной коллектор)
(DF15ATH P03)

Inlet manifold (Впускной коллектор)

Inlet manifold (Впускной коллектор)
(DF20A P03)

Inlet manifold (Впускной коллектор)

Inlet manifold (Впускной коллектор)
(DF20AR P03)

Inlet manifold (Впускной коллектор)

Inlet manifold (Впускной коллектор)
(DF20AT P03)

Inlet manifold (Впускной коллектор)

Inlet manifold (Впускной коллектор)
(DF20ATH P03)

Fuel injector (Топливный инжектор)

Fuel injector (Топливный инжектор)

Fuel pump (Топливный насос)

Fuel pump (Топливный насос)

Water pump (Водяной насос)

Water pump (Водяной насос)

Thermostat (Термостат)

Thermostat (Термостат)

Recoil starter (Барабанный стартер)

Recoil starter (Барабанный стартер)
(DF9.9B P03)

Recoil starter (Барабанный стартер)

Recoil starter (Барабанный стартер)
(DF9.9BR P03)

Recoil starter (Барабанный стартер)

Recoil starter (Барабанный стартер)
(DF9.9BT P03)

Recoil starter (Барабанный стартер)

Recoil starter (Барабанный стартер)
(DF15A P03)

Recoil starter (Барабанный стартер)

Recoil starter (Барабанный стартер)
(DF15AR P03)

Recoil starter (Барабанный стартер)

Recoil starter (Барабанный стартер)
(DF15ATH P03)

Recoil starter (Барабанный стартер)

Recoil starter (Барабанный стартер)
(DF20A P03)

Recoil starter (Барабанный стартер)

Recoil starter (Барабанный стартер)
(DF20AR P03)

Recoil starter (Барабанный стартер)

Recoil starter (Барабанный стартер)
(DF20AT P03)

Recoil starter (Барабанный стартер)

Recoil starter (Барабанный стартер)
(DF20ATH P03)

Throttle control (Управление дросселем)

Throttle control (Управление дросселем)
(DF9.9BR P03)

Throttle control (Управление дросселем)

Throttle control (Управление дросселем)
(DF9.9BT P03)

Throttle control (Управление дросселем)

Throttle control (Управление дросселем)
(DF15AR P03)

Throttle control (Управление дросселем)

Throttle control (Управление дросселем)
(DF20AR P03)

Throttle control (Управление дросселем)

Throttle control (Управление дросселем)
(DF20AT P03)

Throttle body (Дроссель газа)

Throttle body (Дроссель газа)
(DF9.9B P03)

Throttle body (Дроссель газа)

Throttle body (Дроссель газа)
(DF9.9BR P03)

Throttle body (Дроссель газа)

Throttle body (Дроссель газа)
(DF9.9BT P03)

Throttle body (Дроссель газа)

Throttle body (Дроссель газа)
(DF15A P03)

Throttle body (Дроссель газа)

Throttle body (Дроссель газа)
(DF15AR P03)

Throttle body (Дроссель газа)

Throttle body (Дроссель газа)
(DF15ATH P03)

Throttle body (Дроссель газа)

Throttle body (Дроссель газа)
(DF20A P03)

Throttle body (Дроссель газа)

Throttle body (Дроссель газа)
(DF20AR P03)

Throttle body (Дроссель газа)

Throttle body (Дроссель газа)
(DF20AT P03)

Throttle body (Дроссель газа)

Throttle body (Дроссель газа)
(DF20ATH P03)

Oil pump (Масляный насос)

Oil pump (Масляный насос)

Clutch rod (Тяга сцепления)

Clutch rod (Тяга сцепления)
(DF9.9B P03)

Clutch rod (Тяга сцепления)

Clutch rod (Тяга сцепления)
(DF9.9BR P03)

Clutch rod (Тяга сцепления)

Clutch rod (Тяга сцепления)
(DF9.9BT P03)

Clutch rod (Тяга сцепления)

Clutch rod (Тяга сцепления)
(DF15A P03)

Clutch rod (Тяга сцепления)

Clutch rod (Тяга сцепления)
(DF15AR P03)

Clutch rod (Тяга сцепления)

Clutch rod (Тяга сцепления)
(DF15ATH P03)

Clutch rod (Тяга сцепления)

Clutch rod (Тяга сцепления)
(DF20A P03)

Clutch rod (Тяга сцепления)

Clutch rod (Тяга сцепления)
(DF20AR P03)

Clutch rod (Тяга сцепления)

Clutch rod (Тяга сцепления)
(DF20AT P03)

Clutch rod (Тяга сцепления)

Clutch rod (Тяга сцепления)
(DF20ATH P03)

Shift rod (Переключающая тяга)

Shift rod (Переключающая тяга)

Transmission (Трансмиссия)

Transmission (Трансмиссия)
(DF9.9B P03)

Transmission (Трансмиссия)

Transmission (Трансмиссия)
(DF9.9BR P03)

Transmission (Трансмиссия)

Transmission (Трансмиссия)
(DF9.9BT P03)

Transmission (Трансмиссия)

Transmission (Трансмиссия)
(DF15A P03)

Transmission (Трансмиссия)

Transmission (Трансмиссия)
(DF15AR P03)

Transmission (Трансмиссия)

Transmission (Трансмиссия)
(DF15ATH P03)

Transmission (Трансмиссия)

Transmission (Трансмиссия)
(DF20A P03)

Transmission (Трансмиссия)

Transmission (Трансмиссия)
(DF20AR P03)

Transmission (Трансмиссия)

Transmission (Трансмиссия)
(DF20AT P03)

Transmission (Трансмиссия)

Transmission (Трансмиссия)
(DF20ATH P03)

Starting motor (Двигатель электростартера)

Starting motor (Двигатель электростартера)
(ELECTRIC STARTER)

Magneto (Магнето)

Magneto (Магнето)
(MANUAL STARTER) (DF9.9B P03)

Magneto (Магнето)

Magneto (Магнето)
(MANUAL STARTER) (DF15A P03)

Magneto (Магнето)

Magneto (Магнето)
(MANUAL STARTER) (DF20A P03)

Magneto (Магнето)

Magneto (Магнето)
(ELECTRIC STARTER)

Rectifier/ignition coil (Выпрямитель / Катушка зажигания)

Rectifier/ignition coil (Выпрямитель / Катушка зажигания)
(DF9.9B P03)

Rectifier/ignition coil (Выпрямитель / Катушка зажигания)

Rectifier/ignition coil (Выпрямитель / Катушка зажигания)
(DF9.9BR P03)

Rectifier/ignition coil (Выпрямитель / Катушка зажигания)

Rectifier/ignition coil (Выпрямитель / Катушка зажигания)
(DF9.9BT P03)

Rectifier/ignition coil (Выпрямитель / Катушка зажигания)

Rectifier/ignition coil (Выпрямитель / Катушка зажигания)
(DF15A P03)

Rectifier/ignition coil (Выпрямитель / Катушка зажигания)

Rectifier/ignition coil (Выпрямитель / Катушка зажигания)
(DF15AR P03)

Rectifier/ignition coil (Выпрямитель / Катушка зажигания)

Rectifier/ignition coil (Выпрямитель / Катушка зажигания)
(DF15ATH P03)

Rectifier/ignition coil (Выпрямитель / Катушка зажигания)

Rectifier/ignition coil (Выпрямитель / Катушка зажигания)
(DF20A P03)

Rectifier/ignition coil (Выпрямитель / Катушка зажигания)

Rectifier/ignition coil (Выпрямитель / Катушка зажигания)
(DF20AR P03)

Rectifier/ignition coil (Выпрямитель / Катушка зажигания)

Rectifier/ignition coil (Выпрямитель / Катушка зажигания)
(DF20AT P03)

Rectifier/ignition coil (Выпрямитель / Катушка зажигания)

Rectifier/ignition coil (Выпрямитель / Катушка зажигания)
(DF20ATH P03)

Ptt switch (Переключатель гидроподъёма)

Ptt switch (Переключатель гидроподъёма)
(DF9.9BT P03)

Ptt switch (Переключатель гидроподъёма)

Ptt switch (Переключатель гидроподъёма)
(DF15ATH P03)

Ptt switch (Переключатель гидроподъёма)

Ptt switch (Переключатель гидроподъёма)
(DF20AT P03)

Ptt switch (Переключатель гидроподъёма)

Ptt switch (Переключатель гидроподъёма)
(DF20ATH P03)

Sensor/switch (Датчики и переключатели)

Sensor/switch (Датчики и переключатели)
(DF9.9B P03)

Sensor/switch (Датчики и переключатели)

Sensor/switch (Датчики и переключатели)
(DF9.9BR P03)

Sensor/switch (Датчики и переключатели)

Sensor/switch (Датчики и переключатели)
(DF9.9BT P03)

Sensor/switch (Датчики и переключатели)

Sensor/switch (Датчики и переключатели)
(DF15A P03)

Sensor/switch (Датчики и переключатели)

Sensor/switch (Датчики и переключатели)
(DF15AR P03)

Sensor/switch (Датчики и переключатели)

Sensor/switch (Датчики и переключатели)
(DF15ATH P03)

Sensor/switch (Датчики и переключатели)

Sensor/switch (Датчики и переключатели)
(DF20A P03)

Sensor/switch (Датчики и переключатели)

Sensor/switch (Датчики и переключатели)
(DF20AR P03)

Sensor/switch (Датчики и переключатели)

Sensor/switch (Датчики и переключатели)
(DF20AT P03)

Sensor/switch (Датчики и переключатели)

Sensor/switch (Датчики и переключатели)
(DF20ATH P03)

Harness (Жгут проводов)

Harness (Жгут проводов)
(DF9.9B P03)

Harness (Жгут проводов)

Harness (Жгут проводов)
(DF9.9BR P03)

Harness (Жгут проводов)

Harness (Жгут проводов)
(DF9.9BT P03)

Harness (Жгут проводов)

Harness (Жгут проводов)
(DF15A P03)

Harness (Жгут проводов)

Harness (Жгут проводов)
(DF15AR P03)

Harness (Жгут проводов)

Harness (Жгут проводов)
(DF15ATH P03)

Harness (Жгут проводов)

Harness (Жгут проводов)
(DF20A P03)

Harness (Жгут проводов)

Harness (Жгут проводов)
(DF20AR P03)

Harness (Жгут проводов)

Harness (Жгут проводов)
(DF20AT P03)

Harness (Жгут проводов)

Harness (Жгут проводов)
(DF20ATH P03)

Clamp bracket (Кронштейн транца)

Clamp bracket (Кронштейн транца)
(DF9.9B P03)

Clamp bracket (Кронштейн транца)

Clamp bracket (Кронштейн транца)
(DF9.9BR P03)

Clamp bracket (Кронштейн транца)

Clamp bracket (Кронштейн транца)
(DF9.9BT P03)

Clamp bracket (Кронштейн транца)

Clamp bracket (Кронштейн транца)
(DF15A P03)

Clamp bracket (Кронштейн транца)

Clamp bracket (Кронштейн транца)
(DF15AR P03)

Clamp bracket (Кронштейн транца)

Clamp bracket (Кронштейн транца)
(DF15ATH P03)

Clamp bracket (Кронштейн транца)

Clamp bracket (Кронштейн транца)
(DF20A P03)

Clamp bracket (Кронштейн транца)

Clamp bracket (Кронштейн транца)
(DF20AR P03)

Clamp bracket (Кронштейн транца)

Clamp bracket (Кронштейн транца)
(DF20AT P03)

Clamp bracket (Кронштейн транца)

Clamp bracket (Кронштейн транца)
(DF20ATH P03)

Swivel bracket (Поворотный кронштейн)

Swivel bracket (Поворотный кронштейн)
(DF9.9B P03)

Swivel bracket (Поворотный кронштейн)

Swivel bracket (Поворотный кронштейн)
(DF9.9BR P03)

Swivel bracket (Поворотный кронштейн)

Swivel bracket (Поворотный кронштейн)
(DF9.9BT P03)

Swivel bracket (Поворотный кронштейн)

Swivel bracket (Поворотный кронштейн)
(DF15A P03)

Swivel bracket (Поворотный кронштейн)

Swivel bracket (Поворотный кронштейн)
(DF15AR P03)

Swivel bracket (Поворотный кронштейн)

Swivel bracket (Поворотный кронштейн)
(DF15ATH P03)

Swivel bracket (Поворотный кронштейн)

Swivel bracket (Поворотный кронштейн)
(DF20A P03)

Swivel bracket (Поворотный кронштейн)

Swivel bracket (Поворотный кронштейн)
(DF20AR P03)

Swivel bracket (Поворотный кронштейн)

Swivel bracket (Поворотный кронштейн)
(DF20AT P03)

Swivel bracket (Поворотный кронштейн)

Swivel bracket (Поворотный кронштейн)
(DF20ATH P03)

Tilt cylinder (Цилиндр наклона)

Tilt cylinder (Цилиндр наклона)
(DF9.9BT P03)

Tilt cylinder (Цилиндр наклона)

Tilt cylinder (Цилиндр наклона)
(DF15ATH P03)

Tilt cylinder (Цилиндр наклона)

Tilt cylinder (Цилиндр наклона)
(DF20AT P03)

Tilt cylinder (Цилиндр наклона)

Tilt cylinder (Цилиндр наклона)
(DF20ATH P03)

Ptt motor (Двигатель гидроподъёма)

Ptt motor (Двигатель гидроподъёма)
(DF9.9BT P03)

Ptt motor (Двигатель гидроподъёма)

Ptt motor (Двигатель гидроподъёма)
(DF15ATH P03)

Ptt motor (Двигатель гидроподъёма)

Ptt motor (Двигатель гидроподъёма)
(DF20AT P03)

Ptt motor (Двигатель гидроподъёма)

Ptt motor (Двигатель гидроподъёма)
(DF20ATH P03)

Engine holder (Основание двигателя)

Engine holder (Основание двигателя)
(DF9.9B P03)

Engine holder (Основание двигателя)

Engine holder (Основание двигателя)
(DF9.9BR P03)

Engine holder (Основание двигателя)

Engine holder (Основание двигателя)
(DF9.9BT P03)

Engine holder (Основание двигателя)

Engine holder (Основание двигателя)
(DF15A P03)

Engine holder (Основание двигателя)

Engine holder (Основание двигателя)
(DF15AR P03)

Engine holder (Основание двигателя)

Engine holder (Основание двигателя)
(DF15ATH P03)

Engine holder (Основание двигателя)

Engine holder (Основание двигателя)
(DF20A P03)

Engine holder (Основание двигателя)

Engine holder (Основание двигателя)
(DF20AR P03)

Engine holder (Основание двигателя)

Engine holder (Основание двигателя)
(DF20AT P03)

Engine holder (Основание двигателя)

Engine holder (Основание двигателя)
(DF20ATH P03)

Drive shaft housing (Корпус вала передачи)

Drive shaft housing (Корпус вала передачи)

Gear case (Картер коробки передач)

Gear case (Картер коробки передач)
(3 BLADE)

Gear case (Картер коробки передач)

Gear case (Картер коробки передач)
(4 BLADE) (DF9.9BT P03)

Gear case (Картер коробки передач)

Gear case (Картер коробки передач)
(4 BLADE) (DF15ATH P03)

Side cover (Боковая крышка)

Side cover (Боковая крышка)
(DF9.9B P03)

Side cover (Боковая крышка)

Side cover (Боковая крышка)
(DF9.9BR P03)

Side cover (Боковая крышка)

Side cover (Боковая крышка)
(DF9.9BT P03)

Side cover (Боковая крышка)

Side cover (Боковая крышка)
(DF15A P03)

Side cover (Боковая крышка)

Side cover (Боковая крышка)
(DF15AR P03)

Side cover (Боковая крышка)

Side cover (Боковая крышка)
(DF15ATH P03)

Side cover (Боковая крышка)

Side cover (Боковая крышка)
(DF20A P03)

Side cover (Боковая крышка)

Side cover (Боковая крышка)
(DF20AR P03)

Side cover (Боковая крышка)

Side cover (Боковая крышка)
(DF20AT P03)

Side cover (Боковая крышка)

Side cover (Боковая крышка)
(DF20ATH P03)

Engine cover (Крышка двигателя (капот))

Engine cover (Крышка двигателя (капот))
(DF9.9B P03)

Engine cover (Крышка двигателя (капот))

Engine cover (Крышка двигателя (капот))
(DF9.9BR P03)

Engine cover (Крышка двигателя (капот))

Engine cover (Крышка двигателя (капот))
(DF9.9BT P03)

Engine cover (Крышка двигателя (капот))

Engine cover (Крышка двигателя (капот))
(DF15A P03)

Engine cover (Крышка двигателя (капот))

Engine cover (Крышка двигателя (капот))
(DF15AR P03)

Engine cover (Крышка двигателя (капот))

Engine cover (Крышка двигателя (капот))
(DF15ATH P03)

Engine cover (Крышка двигателя (капот))

Engine cover (Крышка двигателя (капот))
(DF20A P03)

Engine cover (Крышка двигателя (капот))

Engine cover (Крышка двигателя (капот))
(DF20AR P03)

Engine cover (Крышка двигателя (капот))

Engine cover (Крышка двигателя (капот))
(DF20AT P03)

Engine cover (Крышка двигателя (капот))

Engine cover (Крышка двигателя (капот))
(DF20ATH P03)

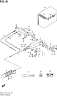
Tiller handle (Румпель)

Tiller handle (Румпель)
(DF9.9B P03)

Tiller handle (Румпель)

Tiller handle (Румпель)
(DF15A P03)

Tiller handle (Румпель)

Tiller handle (Румпель)
(DF15ATH P03)

Tiller handle (Румпель)

Tiller handle (Румпель)
(DF20A P03)

Tiller handle (Румпель)

Tiller handle (Румпель)
(DF20ATH P03)

Fuel tank (Топливный бак)

Fuel tank (Топливный бак)

Remote control (Дистанционное управление)

Remote control (Дистанционное управление)
(DF9.9BR P03)

Remote control (Дистанционное управление)

Remote control (Дистанционное управление)
(DF9.9BT P03)

Remote control (Дистанционное управление)

Remote control (Дистанционное управление)
(DF15AR P03)

Remote control (Дистанционное управление)

Remote control (Дистанционное управление)
(DF20AR P03)

Remote control (Дистанционное управление)

Remote control (Дистанционное управление)
(DF20AT P03)

Drag link (Переключающая тяга)

Drag link (Переключающая тяга)
(DF9.9BR P03)

Drag link (Переключающая тяга)

Drag link (Переключающая тяга)
(DF9.9BT P03)

Drag link (Переключающая тяга)

Drag link (Переключающая тяга)
(DF15AR P03)

Drag link (Переключающая тяга)

Drag link (Переключающая тяга)
(DF20AR P03)

Drag link (Переключающая тяга)

Drag link (Переключающая тяга)
(DF20AT P03)

Opt:fuel tank (Опции: топливный бак)

Opt:fuel tank (Опции: топливный бак)

Opt:electrical (Опции: электрика)

Opt:electrical (Опции: электрика)
(MANUAL STARTER) (DF9.9B P03)

Opt:electrical (Опции: электрика)

Opt:electrical (Опции: электрика)
(MANUAL STARTER) (DF15A P03)

Opt:electrical (Опции: электрика)

Opt:electrical (Опции: электрика)
(MANUAL STARTER) (DF20A P03)

Opt:starting motor (Опции: электростартер)

Opt:starting motor (Опции: электростартер)
(MANUAL STARTER) (DF9.9B P03)

Opt:starting motor (Опции: электростартер)

Opt:starting motor (Опции: электростартер)
(MANUAL STARTER) (DF9.9BR P03)

Opt:starting motor (Опции: электростартер)

Opt:starting motor (Опции: электростартер)
(MANUAL STARTER) (DF15A P03)

Opt:starting motor (Опции: электростартер)

Opt:starting motor (Опции: электростартер)
(MANUAL STARTER) (DF15AR P03)

Opt:starting motor (Опции: электростартер)

Opt:starting motor (Опции: электростартер)
(MANUAL STARTER) (DF15ATH P03)

Opt:starting motor (Опции: электростартер)

Opt:starting motor (Опции: электростартер)
(MANUAL STARTER) (DF20A P03)

Opt:starting motor (Опции: электростартер)

Opt:starting motor (Опции: электростартер)
(MANUAL STARTER) (DF20AR P03)

Opt:starting motor (Опции: электростартер)

Opt:starting motor (Опции: электростартер)
(MANUAL STARTER) (DF20AT P03)

Opt:starting motor (Опции: электростартер)

Opt:starting motor (Опции: электростартер)
(MANUAL STARTER) (DF20ATH P03)

Opt:meter (Опции: приборы)

Opt:meter (Опции: приборы)
(DF9.9BR P03)

Opt:meter (Опции: приборы)

Opt:meter (Опции: приборы)
(1) (DF9.9BT P03)

Opt:meter (Опции: приборы)

Opt:meter (Опции: приборы)
(2) (DF9.9BT P03)

Opt:meter (Опции: приборы)

Opt:meter (Опции: приборы)
(DF15AR P03)

Opt:meter (Опции: приборы)

Opt:meter (Опции: приборы)
(DF20AR P03)

Opt:meter (Опции: приборы)

Opt:meter (Опции: приборы)
(DF20AT P03)

Opt:switch (Опции: переключатели)

Opt:switch (Опции: переключатели)
(DF9.9BR P03)

Opt:switch (Опции: переключатели)

Opt:switch (Опции: переключатели)
(DF9.9BT P03)

Opt:switch (Опции: переключатели)

Opt:switch (Опции: переключатели)
(DF15AR P03)

Opt:switch (Опции: переключатели)

Opt:switch (Опции: переключатели)
(DF20AR P03)

Opt:switch (Опции: переключатели)

Opt:switch (Опции: переключатели)
(DF20AT P03)

Opt:remote control parts (Опции: Запчасти для дистанционного управления)

Opt:remote control parts (Опции: Запчасти для дистанционного управления)
(DF9.9B P03)

Opt:remote control parts (Опции: Запчасти для дистанционного управления)

Opt:remote control parts (Опции: Запчасти для дистанционного управления)
(DF15A P03)

Opt:remote control parts (Опции: Запчасти для дистанционного управления)

Opt:remote control parts (Опции: Запчасти для дистанционного управления)
(DF20A P03)

Opt:remote control assy single (Дистанционное управление в сборе, одинарное)

Opt:remote control assy single (Дистанционное управление в сборе, одинарное)
(1) (DF9.9B P03)

Opt:remote control assy single (Дистанционное управление в сборе, одинарное)

Opt:remote control assy single (Дистанционное управление в сборе, одинарное)
(1) (DF9.9BT P03)

Opt:remote control assy single (Дистанционное управление в сборе, одинарное)

Opt:remote control assy single (Дистанционное управление в сборе, одинарное)
(1) (DF15A P03)

Opt:remote control assy single (Дистанционное управление в сборе, одинарное)

Opt:remote control assy single (Дистанционное управление в сборе, одинарное)
(1) (DF20A P03)

Opt:remote control assy single (Дистанционное управление в сборе, одинарное)

Opt:remote control assy single (Дистанционное управление в сборе, одинарное)
(2) (DF9.9B P03)

Opt:remote control assy single (Дистанционное управление в сборе, одинарное)

Opt:remote control assy single (Дистанционное управление в сборе, одинарное)
(2) (DF9.9BT P03)

Opt:remote control assy single (Дистанционное управление в сборе, одинарное)

Opt:remote control assy single (Дистанционное управление в сборе, одинарное)
(2) (DF15A P03)

Opt:remote control assy single (Дистанционное управление в сборе, одинарное)

Opt:remote control assy single (Дистанционное управление в сборе, одинарное)
(2) (DF20A P03)

Opt:remote control (Опции: дистанционное управление)

Opt:remote control (Опции: дистанционное управление)
(DF9.9B P03)

Opt:remote control (Опции: дистанционное управление)

Opt:remote control (Опции: дистанционное управление)
(DF9.9BT P03)

Opt:remote control (Опции: дистанционное управление)

Opt:remote control (Опции: дистанционное управление)
(DF15A P03)

Opt:remote control (Опции: дистанционное управление)

Opt:remote control (Опции: дистанционное управление)
(DF20A P03)

Opt:remocon cable (Опции: трос дистанционного управления)

Opt:remocon cable (Опции: трос дистанционного управления)
(DF9.9BR P03)

Opt:remocon cable (Опции: трос дистанционного управления)

Opt:remocon cable (Опции: трос дистанционного управления)
(DF15AR P03)

Opt:remocon cable (Опции: трос дистанционного управления)

Opt:remocon cable (Опции: трос дистанционного управления)
(DF20AR P03)

Opt:remocon cable (Опции: трос дистанционного управления)

Opt:remocon cable (Опции: трос дистанционного управления)
(DF20AT P03)

Opt:remocon cable (Опции: трос дистанционного управления)

Opt:remocon cable (Опции: трос дистанционного управления)
(ELECTRIC STARTER) (DF9.9B P03)

Opt:remocon cable (Опции: трос дистанционного управления)

Opt:remocon cable (Опции: трос дистанционного управления)
(ELECTRIC STARTER) (DF15A P03)

Opt:remocon cable (Опции: трос дистанционного управления)

Opt:remocon cable (Опции: трос дистанционного управления)
(ELECTRIC STARTER) (DF15ATH P03)

Opt:remocon cable (Опции: трос дистанционного управления)

Opt:remocon cable (Опции: трос дистанционного управления)
(ELECTRIC STARTER) (DF20A P03)

Opt:remocon cable (Опции: трос дистанционного управления)

Opt:remocon cable (Опции: трос дистанционного управления)
(ELECTRIC STARTER) (DF20ATH P03)

Opt:drag link (Опции: рулевая тяга)

Opt:drag link (Опции: рулевая тяга)
(DF9.9B P03)

Opt:drag link (Опции: рулевая тяга)

Opt:drag link (Опции: рулевая тяга)
(DF15A P03)

Opt:drag link (Опции: рулевая тяга)

Opt:drag link (Опции: рулевая тяга)
(DF20A P03)

Opt:lowrance gauge (Опции: приборы Lowrance)

Opt:lowrance gauge (Опции: приборы Lowrance)
(DF9.9BR P03)

Opt:lowrance gauge (Опции: приборы Lowrance)

Opt:lowrance gauge (Опции: приборы Lowrance)
(DF9.9BT P03)

Opt:lowrance gauge (Опции: приборы Lowrance)

Opt:lowrance gauge (Опции: приборы Lowrance)
(DF15AR P03)

Opt:lowrance gauge (Опции: приборы Lowrance)

Opt:lowrance gauge (Опции: приборы Lowrance)
(DF20AR P03)

Opt:lowrance gauge (Опции: приборы Lowrance)

Opt:lowrance gauge (Опции: приборы Lowrance)
(DF20AT P03)




 
 

данный сайт носит информационный характер и не является публичной офертой

склад запчастей для водомоторной техники