вконтакте

Контактный телефон: +7 (981) 121-46-93, +7 (800) 200-90-76 , Email: parts-katalog@yandex.ru, где купить

 
 

  Логин:

Пароль:

Регистрация

www.partskatalog.ru Все каталоги Запчасти Mercury Запчасти Suzuki Запчасти Tohatsu Запчасти Honda Контакты



УВАЖАЕМЫЕ КЛИЕНТЫ!
C 19 ДЕКАБРЯ 2025 ПО 02 МАРТА 2026 ГОДА ОТДЕЛ ЗАПЧАСТЕЙ И СЕРВИС РАБОТАТЬ НЕ БУДУТ
ПРОДАЖА ЛОДОЧНЫХ МОТОРОВ В ШТАТНОМ РЕЖИМЕ
ОБ ИЗМЕНЕНИЯХ В ГРАФИКЕ РАБОТЫ ЧИТАЙТЕ НА САЙТА




запчастиsuzuki

Узнать наличие и цену запчасти:

Вернуться к началу выбора

Поиск модели по серийному номеру


РЕЖИМЫ ПРОСМОТРА

Все узлы и детали

Двигатель

Трансмиссия

Электрика

Внешние части

Тип двигателя: 4x - тактный

Модель двигателя: Suzuki DF15

Модификация Вашего двигателя:   Suzuki DF-15 (A,R,AR)S K3
Код модели двигателя: DF15S/L; DF15RS/L
Год выпуска двигателя: 2003
Цвет: Shadow Black Metallic


Поиск запчастей по коду или названию


   Выберите раздел

найти расходники на лодочные моторы Suzuki

Начните вводить запрос

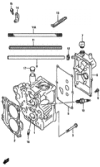
Cylinder head (Головка блока цилиндра)

Cylinder head (Головка блока цилиндра)
NOTE : COLOR : Z11 (WHITE) 0EP (BLACK)

Cylinder block (Блок цилиндра)

Cylinder block (Блок цилиндра)
NOTE : COLOR Z11 (WHITE) 0EP (BLACK)

Crankshaft (Коленвал)

Crankshaft (Коленвал)

Timing belt (Ремень распредвала)

Timing belt (Ремень распредвала)

Camshaft (Распределительный вал)

Camshaft (Распределительный вал)
NOTE : REFER TO FIG.6 (B-7) FOR DF9.9 652501~/DF15 652501~

Camshaft (Распределительный вал)

Camshaft (Распределительный вал)
(DF9.9 652501~/DF15 652501~)

Inlet manifold (Впускной коллектор)

Inlet manifold (Впускной коллектор)
NOTE : COLOR : Z11 (WHITE) 0EP (BLACK)

Carburetor (Карбюратор)

Carburetor (Карбюратор)

Fuel pump (Топливный насос)

Fuel pump (Топливный насос)

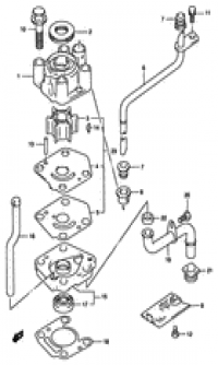
Water pump (Водяной насос)

Water pump (Водяной насос)

Thermostat (Термостат)

Thermostat (Термостат)
NOTE : COLOR : Z11 (WHITE) 0EP (BLACK)

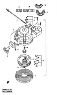
Recoil starter (Барабанный стартер)

Recoil starter (Барабанный стартер)

Throttle (Дроссель)

Throttle (Дроссель)
NOTE : REFER TO FIG.14(C-6) FOR DF9.9 652501~/DF15 652501~

Throttle (Дроссель)

Throttle (Дроссель)
(DF9.9 652501~/DF15 652501~)

Oil pump (Масляный насос)

Oil pump (Масляный насос)
NOTE : COLOR : Z11 (WHITE) 0EP (BLACK)

Oil pan (Масляный поддон)

Oil pan (Масляный поддон)
NOTE : COLOR : Z11 (WHITE) 0EP (BLACK) REFER TO FIG.17(C-9) FOR MODEL:03

Oil pan (Масляный поддон)

Oil pan (Масляный поддон)
(MODEL:03); NOTE : COLOR : Z11 (WHITE) 0EP (BLACK)

Clutch (Сцепление)

Clutch (Сцепление)
NOTE : REFER TO FIG.19(C-11) FOR DF9.9 652501~/DF15 652501~

Clutch (Сцепление)

Clutch (Сцепление)
(DF9.9 652501~/DF15 652501~)

Transmission (Трансмиссия)

Transmission (Трансмиссия)

Starting motor (Двигатель электростартера)

Starting motor (Двигатель электростартера)
NOTE : COLOR : Z11 (WHITE) 0EP (BLACK)

Magneto (Магнето)

Magneto (Магнето)

Ignition coil (Катушка зажигания)

Ignition coil (Катушка зажигания)

Rectifier (Выпрямитель)

Rectifier (Выпрямитель)

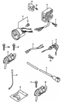
Electrical (Электрика)

Electrical (Электрика)
(1); NOTE : REFER TO FIG.26(D-7) : FOR DF9.9 652501~/DF15 652501~

Electrical (Электрика)

Electrical (Электрика)
(2)(DF9.9 652501~/DF15 652501~)

Clamp bracket (Кронштейн транца)

Clamp bracket (Кронштейн транца)

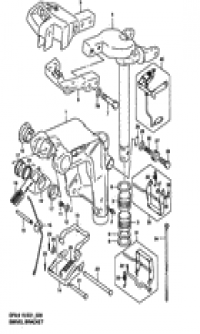
Swivel bracket (Поворотный кронштейн)

Swivel bracket (Поворотный кронштейн)
NOTE : REFER TO FIG.29(E-5) FOR DF9.9 652501~/DF15 652501~

Swivel bracket (Поворотный кронштейн)

Swivel bracket (Поворотный кронштейн)
(DF9.9 652501~/DF15 652501~); NOTE : COLOR : Z11(WHITE) 0EP(BLACK)

Driveshaft housing (Корпус вала передачи)

Driveshaft housing (Корпус вала передачи)
NOTE : COLOR : Z11 (WHITE) REFER TO FIG.31(E-8) FOR DF9.9 652501~/DF15 652501~

Driveshaft housing (Корпус вала передачи)

Driveshaft housing (Корпус вала передачи)
(DF9.9 652501~/DF15 652501~); NOTE : COLOR : Z11 (WHITE) 0EP (BLACK)

Gear case (Картер коробки передач)

Gear case (Картер коробки передач)
NOTE : COLOR : Z11 (WHITE) 0EP (BLACK) 019 (BLACK)

Side cover (Боковая крышка)

Side cover (Боковая крышка)
NOTE : COLOR : Z11 (WHITE) REFER TO FIG.34(F-3) FOR DF9.9 652501~/DF15 652501~

Side cover (Боковая крышка)

Side cover (Боковая крышка)
(DF9.9 652501~/DF15 652501~); NOTE : COLOR : Z11 (WHITE) 0EP (BLACK)

Engine cover (Крышка двигателя (капот))

Engine cover (Крышка двигателя (капот))
NOTE : COLOR : Z11 (WHITE) 1LF (DEEP BLUE) REFER TO FIG.36(F-5) FOR MODEL:99~02 REFER TO FIG.37(F-6) FOR MODEL:03

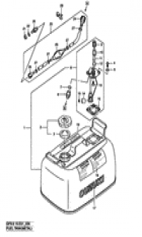
Fuel tank (Топливный бак)

Fuel tank (Топливный бак)
(MODEL:03)

Fuel tank (Топливный бак)

Fuel tank (Топливный бак)
(RESIN)

Fuel tank (Топливный бак)

Fuel tank (Топливный бак)
(METAL)

Tiller handle (Румпель)

Tiller handle (Румпель)
NOTE : REFERO TO FIG.41(F-10) FOR DF9.9 652501~/DF15 652501~

Tiller handle (Румпель)

Tiller handle (Румпель)
(DF9.9 652501~/DF15 652501~)

Remote control (Дистанционное управление)

Remote control (Дистанционное управление)
(TYPE:R); NOTE : COLOR : 0EP(BLACK)

Remocon cable holder (Держатель кабеля дистанционного управления)

Remocon cable holder (Держатель кабеля дистанционного управления)
(DF9.9R/9.9AR/15R/15AR); NOTE : COLOR : 0EP(BLACK) Z11(WHITE)

Drag link (Переключающая тяга)

Drag link (Переключающая тяга)
(DF9.9R/9.9AR/15R/15AR)

Opt:electrical (Опции: электрика)

Opt:electrical (Опции: электрика)

Opt:starting motor (Опции: электростартер)

Opt:starting motor (Опции: электростартер)

Opt:receptacle set (Опции: Установочная коробка)

Opt:receptacle set (Опции: Установочная коробка)

Opt:tiller handle (Опции: Румпель)

Opt:tiller handle (Опции: Румпель)

Opt:fuel tank (Опции: топливный бак)

Opt:fuel tank (Опции: топливный бак)
(RESIN 25L)

Opt:remote control parts (Опции: Запчасти для дистанционного управления)

Opt:remote control parts (Опции: Запчасти для дистанционного управления)
NOTE : REFER TO FIG.51(G-9) FOR DF9.9 652501~/DF15 652501~

Opt:remote control parts (Опции: Запчасти для дистанционного управления)

Opt:remote control parts (Опции: Запчасти для дистанционного управления)
(*); NOTE : COLOR : Z11 (WHITE) 0EP (BLACK) (*) : DF9.9 652501~/DF15 652501~

Opt:drag link (Опции: рулевая тяга)

Opt:drag link (Опции: рулевая тяга)

Opt:gasket set (Опции: комплект прокладок)

Opt:gasket set (Опции: комплект прокладок)

Optional (Опции)

Optional (Опции)




 
 

данный сайт носит информационный характер и не является публичной офертой

склад запчастей для водомоторной техники