вконтакте

Контактный телефон: +7 (981) 121-46-93, +7 (800) 200-90-76 , Email: parts-katalog@yandex.ru, где купить

 
 

  Логин:

Пароль:

Регистрация

www.partskatalog.ru Все каталоги Запчасти Mercury Запчасти Suzuki Запчасти Tohatsu Запчасти Honda Контакты



УВАЖАЕМЫЕ КЛИЕНТЫ!
C 19 ДЕКАБРЯ 2025 ПО 02 МАРТА 2026 ГОДА ОТДЕЛ ЗАПЧАСТЕЙ И СЕРВИС РАБОТАТЬ НЕ БУДУТ
ПРОДАЖА ЛОДОЧНЫХ МОТОРОВ В ШТАТНОМ РЕЖИМЕ
ОБ ИЗМЕНЕНИЯХ В ГРАФИКЕ РАБОТЫ ЧИТАЙТЕ НА САЙТА




запчастиsuzuki

Узнать наличие и цену запчасти:

Вернуться к началу выбора

Поиск модели по серийному номеру


РЕЖИМЫ ПРОСМОТРА

Все узлы и детали

Двигатель

Трансмиссия

Электрика

Внешние части

Тип двигателя: 4x - тактный

Модель двигателя: Suzuki DF15

Модификация Вашего двигателя:   Suzuki DF-15S K8
Код модели двигателя: DF15S/L; DF15RS/L
Год выпуска двигателя: 2008
Цвет: Shadow Black Metallic


Поиск запчастей по коду или названию


   Выберите раздел

найти расходники на лодочные моторы Suzuki

Начните вводить запрос

Cylinder head (Головка блока цилиндра)

Cylinder head (Головка блока цилиндра)
NOTE : REFER TO FIG.2(B- 3) FOR MODEL:05~

Cylinder head (Головка блока цилиндра)

Cylinder head (Головка блока цилиндра)
(MODEL:05~)

Cylinder block (Блок цилиндра)

Cylinder block (Блок цилиндра)
NOTE : REFER TO FIG.4(B- 5) FOR MODEL:05~

Cylinder block (Блок цилиндра)

Cylinder block (Блок цилиндра)
(MODEL:05~)

Crankshaft (Коленвал)

Crankshaft (Коленвал)

Timing belt (Ремень распредвала)

Timing belt (Ремень распредвала)
NOTE : REFER TO FIG.7(B- 8) FOR MODEL:05~

Timing belt (Ремень распредвала)

Timing belt (Ремень распредвала)
(MODEL:05~)

Camshaft (Распределительный вал)

Camshaft (Распределительный вал)

Inlet manifold (Впускной коллектор)

Inlet manifold (Впускной коллектор)
NOTE : REFER TO FIG.10(C- 3) FOR MODEL:05~

Inlet manifold (Впускной коллектор)

Inlet manifold (Впускной коллектор)
(MODEL:05~)

Carburetor (Карбюратор)

Carburetor (Карбюратор)
NOTE : REFER TO FIG.12(C- 6) FOR MODEL:05~

Carburetor (Карбюратор)

Carburetor (Карбюратор)
(MODEL:05~)

Fuel pump (Топливный насос)

Fuel pump (Топливный насос)
NOTE : REFER TO FIG.14(C- 9) FOR MODEL:05~

Fuel pump (Топливный насос)

Fuel pump (Топливный насос)
(MODEL:05~)

Water pump (Водяной насос)

Water pump (Водяной насос)
NOTE : REFER TO FIG.15A(D- 3) FOR MODEL:07~

Water pump (Водяной насос)

Water pump (Водяной насос)
(MODEL:07~)

Thermostat (Термостат)

Thermostat (Термостат)

Recoil starter (Барабанный стартер)

Recoil starter (Барабанный стартер)

Throttle control (Управление дросселем)

Throttle control (Управление дросселем)
NOTE : REFER TO FIG.19(D- 7) FOR DF9.9

Throttle control (Управление дросселем)

Throttle control (Управление дросселем)
(DF9.9R/15R MODEL:05~)

Oil pump (Масляный насос)

Oil pump (Масляный насос)

Oil pan (Масляный поддон)

Oil pan (Масляный поддон)

Clutch (Сцепление)

Clutch (Сцепление)

Transmission (Трансмиссия)

Transmission (Трансмиссия)

Starting motor (Двигатель электростартера)

Starting motor (Двигатель электростартера)
NOTE : REFER TO FIG.26(E- 3) FOR MODEL:05~

Starting motor (Двигатель электростартера)

Starting motor (Двигатель электростартера)
(MODEL:05~)

Magneto (Магнето)

Magneto (Магнето)
NOTE : REFER TO FIG.28(E- 5) FOR MODEL:05~

Magneto (Магнето)

Magneto (Магнето)
(MODEL:05~)

Ignition coil (Катушка зажигания)

Ignition coil (Катушка зажигания)
NOTE : REFER TO FIG.30(E- 7) FOR MODEL:05~

Ignition coil (Катушка зажигания)

Ignition coil (Катушка зажигания)
(MODEL:05~)

Rectifier (Выпрямитель)

Rectifier (Выпрямитель)
NOTE : REFER TO FIG.32(E- 9) FOR MODEL:05~

Rectifier (Выпрямитель)

Rectifier (Выпрямитель)
(MODEL:05~)

Electrical (Электрика)

Electrical (Электрика)
NOTE : REFER TO FIG.34(E-12) FOR MODEL:05~

Electrical (Электрика)

Electrical (Электрика)
(MODEL:05~)

Clamp bracket (Кронштейн транца)

Clamp bracket (Кронштейн транца)
NOTE : REFER TO FIG.36(F- 3) FOR MODEL:05~

Clamp bracket (Кронштейн транца)

Clamp bracket (Кронштейн транца)
(MODEL:05~)

Swivel bracket (Поворотный кронштейн)

Swivel bracket (Поворотный кронштейн)
NOTE : REFER TO FIG.38(F- 6) FOR MODEL:05~

Swivel bracket (Поворотный кронштейн)

Swivel bracket (Поворотный кронштейн)
(MODEL:05~)

Drive shaft housing (Корпус вала передачи)

Drive shaft housing (Корпус вала передачи)

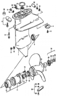
Gear case (Картер коробки передач)

Gear case (Картер коробки передач)

Side cover (Боковая крышка)

Side cover (Боковая крышка)

Engine cover (Крышка двигателя (капот))

Engine cover (Крышка двигателя (капот))
(MODEL:04~09); NOTE : REFER TO FIG.42A(G- 4) FOR MODEL:10~

Engine cover (Крышка двигателя (капот))

Engine cover (Крышка двигателя (капот))
(MODEL:10~)

Fuel tank (Топливный бак)

Fuel tank (Топливный бак)
(RESIN)

Tiller handle (Румпель)

Tiller handle (Румпель)
NOTE : REFER TO FIG.45(G- 7) FOR MODEL:05~

Tiller handle (Румпель)

Tiller handle (Румпель)
(MODEL:05~)

Remote control (Дистанционное управление)

Remote control (Дистанционное управление)
(TYPE:R); NOTE : REFER TO FIG.47(H- 5) FOR TYPE:R

Remote control (Дистанционное управление)

Remote control (Дистанционное управление)
(TYPE:R)(MODEL:05~); NOTE : REFER TO ACCESSORY CATALOG U.S. MARKET CONTROL CABLES

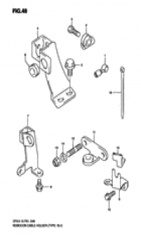
Remocon cable holder (Держатель кабеля дистанционного управления)

Remocon cable holder (Держатель кабеля дистанционного управления)
(TYPE:R)

Drag link (Переключающая тяга)

Drag link (Переключающая тяга)
(TYPE:R)

Opt:meter (Опции: приборы)

Opt:meter (Опции: приборы)
(TYPE:R)

Opt:electrical (Опции: электрика)

Opt:electrical (Опции: электрика)
NOTE : REFER TO FIG.52(I- 4) FOR MODEL:05~

Opt:electrical (Опции: электрика)

Opt:electrical (Опции: электрика)
(MODEL:05~)

Opt:starting motor (Опции: электростартер)

Opt:starting motor (Опции: электростартер)
NOTE : REFER TO FIG.54(I- 6) FOR MODEL:05~

Opt:starting motor (Опции: электростартер)

Opt:starting motor (Опции: электростартер)
(MODEL:05~)

Opt:receptacle set (Опции: Установочная коробка)

Opt:receptacle set (Опции: Установочная коробка)
(MODEL:04)

Opt:tiller handle (Опции: Румпель)

Opt:tiller handle (Опции: Румпель)
NOTE : REFER TO FIG.57(I-10) FOR MODEL:05~

Opt:tiller handle (Опции: Румпель)

Opt:tiller handle (Опции: Румпель)
(MODEL:05~)

Opt:fuel tank (Опции: топливный бак)

Opt:fuel tank (Опции: топливный бак)
(RESIN 25L)

Opt:remote control parts (Опции: Запчасти для дистанционного управления)

Opt:remote control parts (Опции: Запчасти для дистанционного управления)
NOTE : REFER TO FIG.60(J- 4) FOR MODEL:05~

Opt:remote control parts (Опции: Запчасти для дистанционного управления)

Opt:remote control parts (Опции: Запчасти для дистанционного управления)
(MODEL:05~)

Opt:top mount single (Опции: одинарное, монтаж сверху)

Opt:top mount single (Опции: одинарное, монтаж сверху)
(1)(MODEL:05~)

Opt:top mount single (Опции: одинарное, монтаж сверху)

Opt:top mount single (Опции: одинарное, монтаж сверху)
(2)(MODEL:05~)

Opt:drag link (Опции: рулевая тяга)

Opt:drag link (Опции: рулевая тяга)




 
 

данный сайт носит информационный характер и не является публичной офертой

склад запчастей для водомоторной техники