вконтакте

Контактный телефон: +7 (981) 121-46-93, +7 (800) 200-90-76 , Email: parts-katalog@yandex.ru, где купить

 
 

  Логин:

Пароль:

Регистрация

www.partskatalog.ru Все каталоги Запчасти Mercury Запчасти Suzuki Запчасти Tohatsu Запчасти Honda Контакты



УВАЖАЕМЫЕ КЛИЕНТЫ!
C 19 ДЕКАБРЯ 2025 ПО 02 МАРТА 2026 ГОДА ОТДЕЛ ЗАПЧАСТЕЙ И СЕРВИС РАБОТАТЬ НЕ БУДУТ
ПРОДАЖА ЛОДОЧНЫХ МОТОРОВ В ШТАТНОМ РЕЖИМЕ
ОБ ИЗМЕНЕНИЯХ В ГРАФИКЕ РАБОТЫ ЧИТАЙТЕ НА САЙТА




запчастиsuzuki

Узнать наличие и цену запчасти:

Вернуться к началу выбора

Поиск модели по серийному номеру


РЕЖИМЫ ПРОСМОТРА

Все узлы и детали

Тип двигателя: 4x - тактный

Модель двигателя: Suzuki DF15

Модификация Вашего двигателя:   Suzuki DF-15RS K9 (P1) K9
Год выпуска двигателя: 2009


Поиск запчастей по коду или названию


   Выберите раздел

найти расходники на лодочные моторы Suzuki

Начните вводить запрос

Catalog preface (Каталог)

Catalog preface (Каталог)

Catalog preface (Каталог)

Catalog preface (Каталог)

Catalog preface (Каталог)

Catalog preface (Каталог)

Color chart (Таблица цветов)

Color chart (Таблица цветов)

Cylinder head (Головка блока цилиндра)

Cylinder head (Головка блока цилиндра)

Cylinder head (Головка блока цилиндра)

Cylinder head (Головка блока цилиндра)
Model: 05~

Cylinder block (Блок цилиндра)

Cylinder block (Блок цилиндра)

Cylinder block (Блок цилиндра)

Cylinder block (Блок цилиндра)
Model: 05~

Crankshaft (Коленвал)

Crankshaft (Коленвал)

Timing belt (Ремень распредвала)

Timing belt (Ремень распредвала)

Timing belt (Ремень распредвала)

Timing belt (Ремень распредвала)
Model: 05~

Camshaft (Распределительный вал)

Camshaft (Распределительный вал)

Inlet manifold (Впускной коллектор)

Inlet manifold (Впускной коллектор)

Inlet manifold (Впускной коллектор)

Inlet manifold (Впускной коллектор)
Model: 05~

Carburetor (Карбюратор)

Carburetor (Карбюратор)

Carburetor (Карбюратор)

Carburetor (Карбюратор)
Model: 05~

Fuel pump (Топливный насос)

Fuel pump (Топливный насос)

Fuel pump (Топливный насос)

Fuel pump (Топливный насос)
Model: 05~

Water pump (Водяной насос)

Water pump (Водяной насос)

Water pump (Водяной насос)

Water pump (Водяной насос)
Model: 07~

Thermostat (Термостат)

Thermostat (Термостат)

Recoil starter (Барабанный стартер)

Recoil starter (Барабанный стартер)

Throttle control (Управление дросселем)

Throttle control (Управление дросселем)

Throttle control (Управление дросселем)

Throttle control (Управление дросселем)
Df9.9

Throttle control (Управление дросселем)

Throttle control (Управление дросселем)
Df9.9r/15r model: 05~

Oil pump (Масляный насос)

Oil pump (Масляный насос)

Oil pan (Масляный поддон)

Oil pan (Масляный поддон)

Clutch (Сцепление)

Clutch (Сцепление)

Transmission (Трансмиссия)

Transmission (Трансмиссия)

Starting motor (Двигатель электростартера)

Starting motor (Двигатель электростартера)

Starting motor (Двигатель электростартера)

Starting motor (Двигатель электростартера)
Model: 05~

Magneto (Магнето)

Magneto (Магнето)

Magneto (Магнето)

Magneto (Магнето)
Model: 05~

Ignition coil (Катушка зажигания)

Ignition coil (Катушка зажигания)

Ignition coil (Катушка зажигания)

Ignition coil (Катушка зажигания)
Model: 05~

Rectifier (Выпрямитель)

Rectifier (Выпрямитель)

Rectifier (Выпрямитель)

Rectifier (Выпрямитель)
Model: 05~

Electrical (Электрика)

Electrical (Электрика)

Electrical (Электрика)

Electrical (Электрика)
Model: 05~

Clamp bracket (Кронштейн транца)

Clamp bracket (Кронштейн транца)

Clamp bracket (Кронштейн транца)

Clamp bracket (Кронштейн транца)
Model: 05~

Swivel bracket (Поворотный кронштейн)

Swivel bracket (Поворотный кронштейн)

Swivel bracket (Поворотный кронштейн)

Swivel bracket (Поворотный кронштейн)
Model: 05~

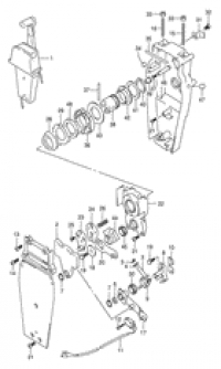
Drive shaft housing (Корпус вала передачи)

Drive shaft housing (Корпус вала передачи)

Gear case (Картер коробки передач)

Gear case (Картер коробки передач)

Side cover (Боковая крышка)

Side cover (Боковая крышка)

Engine cover (Крышка двигателя (капот))

Engine cover (Крышка двигателя (капот))
Model: 04~09

Engine cover (Крышка двигателя (капот))

Engine cover (Крышка двигателя (капот))
Model: 10~

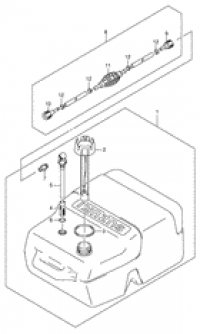
Fuel tank (Топливный бак)

Fuel tank (Топливный бак)
Resin

Tiller handle (Румпель)

Tiller handle (Румпель)

Tiller handle (Румпель)

Tiller handle (Румпель)
Model: 05~

Remote control (Дистанционное управление)

Remote control (Дистанционное управление)
Type: r

Remote control (Дистанционное управление)

Remote control (Дистанционное управление)
Type: r)(model: 05~

Remocon cable holder (Держатель кабеля дистанционного управления)

Remocon cable holder (Держатель кабеля дистанционного управления)
Type: r

Drag link (Переключающая тяга)

Drag link (Переключающая тяга)
Type: r

Meter (Прибор)

Meter (Прибор)
Optional; type: r

Electrical (Электрика)

Electrical (Электрика)
Optional;

Electrical (Электрика)

Electrical (Электрика)
Optional; model: 05~

Starting motor (Двигатель электростартера)

Starting motor (Двигатель электростартера)
Optional;

Starting motor (Двигатель электростартера)

Starting motor (Двигатель электростартера)
Optional; model: 05~

Receptacle set (Установочная коробка)

Receptacle set (Установочная коробка)
Optional; model: 04

Tiller handle (Румпель)

Tiller handle (Румпель)
Optional;

Tiller handle (Румпель)

Tiller handle (Румпель)
Optional; model: 05~

Fuel tank (Топливный бак)

Fuel tank (Топливный бак)
Optional; resin 25l

Remote control parts (Запчасти для дистанционного управления)

Remote control parts (Запчасти для дистанционного управления)
Optional;

Remote control parts (Запчасти для дистанционного управления)

Remote control parts (Запчасти для дистанционного управления)
Optional; model: 05~

Top mount single (одинарное, монтаж сверху)

Top mount single (одинарное, монтаж сверху)
Optional; 1)(model: 05~

Top mount single (одинарное, монтаж сверху)

Top mount single (одинарное, монтаж сверху)
Optional; 2)(model: 05~

Drag link (Переключающая тяга)

Drag link (Переключающая тяга)
Optional;




 
 

данный сайт носит информационный характер и не является публичной офертой

склад запчастей для водомоторной техники