вконтакте

Контактный телефон: +7 (981) 121-46-93, +7 (800) 200-90-76 , Email: parts-katalog@yandex.ru, где купить

 
 

  Логин:

Пароль:

Регистрация

www.partskatalog.ru Все каталоги Запчасти Mercury Запчасти Suzuki Запчасти Tohatsu Запчасти Honda Контакты



УВАЖАЕМЫЕ КЛИЕНТЫ!
C 19 ДЕКАБРЯ 2025 ПО 02 МАРТА 2026 ГОДА ОТДЕЛ ЗАПЧАСТЕЙ И СЕРВИС РАБОТАТЬ НЕ БУДУТ
ПРОДАЖА ЛОДОЧНЫХ МОТОРОВ В ШТАТНОМ РЕЖИМЕ
ОБ ИЗМЕНЕНИЯХ В ГРАФИКЕ РАБОТЫ ЧИТАЙТЕ НА САЙТА




запчастиsuzuki

Узнать наличие и цену запчасти:

Вернуться к началу выбора

Поиск модели по серийному номеру


РЕЖИМЫ ПРОСМОТРА

Все узлы и детали

Двигатель

Трансмиссия

Электрика

Внешние части

Тип двигателя: 4x - тактный

Модель двигателя: Suzuki DF25

Модификация Вашего двигателя:   Suzuki DF-25T K4
Год выпуска двигателя: 2004


Поиск запчастей по коду или названию


   Выберите раздел

найти расходники на лодочные моторы Suzuki

Начните вводить запрос

Cylinder head (Головка блока цилиндра)

Cylinder head (Головка блока цилиндра)

Cylinder block (Блок цилиндра)

Cylinder block (Блок цилиндра)

Under oil seal (Нижний сальник)

Under oil seal (Нижний сальник)

Crankshaft (Коленвал)

Crankshaft (Коленвал)

Camshaft (Распределительный вал)

Camshaft (Распределительный вал)

Valve (Клапан)

Valve (Клапан)

Inlet case (вход case)

Inlet case (вход case)

Carburetor (Карбюратор)

Carburetor (Карбюратор)

Silencer (Глушитель)

Silencer (Глушитель)

Exhaust cover (Кожух выхлопной трубы)

Exhaust cover (Кожух выхлопной трубы)

Fuel pump (Топливный насос)

Fuel pump (Топливный насос)

Water pump (Водяной насос)

Water pump (Водяной насос)

Thermostat (Термостат)

Thermostat (Термостат)

Recoil starter (Барабанный стартер)

Recoil starter (Барабанный стартер)

Throttle control (Управление дросселем)

Throttle control (Управление дросселем)
(TYPE:Q); NOTE : REFER TO FIG.16(C- 6) FOR TYPE:QR/T

Throttle control (Управление дросселем)

Throttle control (Управление дросселем)
(TYPE:QR/T)

Oil pump (Масляный насос)

Oil pump (Масляный насос)

Oil pan (Масляный поддон)

Oil pan (Масляный поддон)

Clutch (Сцепление)

Clutch (Сцепление)
(TYPE:Q); NOTE : REFER TO FIG.20(C-10) FOR TYPE:QR/T

Clutch (Сцепление)

Clutch (Сцепление)
(TYPE:QR/T)

Shift rod (Переключающая тяга)

Shift rod (Переключающая тяга)

Drive shaft (Корпус вала передачи)

Drive shaft (Корпус вала передачи)
NOTE : COLOR : 0EP(BLACK)

Starting motor (Двигатель электростартера)

Starting motor (Двигатель электростартера)

Magneto (Магнето)

Magneto (Магнето)

Rectifier (Выпрямитель)

Rectifier (Выпрямитель)

Ignition coil (Катушка зажигания)

Ignition coil (Катушка зажигания)

Switch (Переключатель)

Switch (Переключатель)

Harness (Жгут проводов)

Harness (Жгут проводов)

Ptt relay (Реле двигателя гидроподъёма)

Ptt relay (Реле двигателя гидроподъёма)
(TYPE:T)

Clamp bracket (Кронштейн транца)

Clamp bracket (Кронштейн транца)

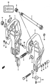
Swivel bracket (Поворотный кронштейн)

Swivel bracket (Поворотный кронштейн)
(DF25:371155~/DF30:371163~)

Swivel bracket (Поворотный кронштейн)

Swivel bracket (Поворотный кронштейн)
NOTE : REFER TO FIG.31A(E- 6) FOR DF25:371155~

Gas cylinder (Цилиндр газа)

Gas cylinder (Цилиндр газа)

Power trim

Power trim
(TYPE:T)

Ptt motor (Двигатель гидроподъёма)

Ptt motor (Двигатель гидроподъёма)
(TYPE:T)

Engine holder (Основание двигателя)

Engine holder (Основание двигателя)

Drive shaft housing (Корпус вала передачи)

Drive shaft housing (Корпус вала передачи)

Gear case (Картер коробки передач)

Gear case (Картер коробки передач)

Side cover (Боковая крышка)

Side cover (Боковая крышка)

Engine cover (Крышка двигателя (капот))

Engine cover (Крышка двигателя (капот))
(MODEL:00~02); NOTE : REFER TO FIG.39A(F- 5) FOR MODEL:03~07

Engine cover (Крышка двигателя (капот))

Engine cover (Крышка двигателя (капот))
(MODEL:03~07)

Tiller handle (Румпель)

Tiller handle (Румпель)

Fuel tank (Топливный бак)

Fuel tank (Топливный бак)
(STEEL 24L); NOTE : REFER TO FIG.42(F- 8) FOR FUEL TANK (RESIN)

Fuel tank (Топливный бак)

Fuel tank (Топливный бак)
(RESIN)

Remote control box (Дистанционное управление в сборе)

Remote control box (Дистанционное управление в сборе)
(MODEL:05~07)

Remote control box (Дистанционное управление в сборе)

Remote control box (Дистанционное управление в сборе)
(MODEL:00~03); NOTE : REFER TO FIG.43A(G- 4) FOR MODEL:04 REFER TO FIG.43B(G- 6) FOR MODEL:05~07

Remote control box (Дистанционное управление в сборе)

Remote control box (Дистанционное управление в сборе)
(MODEL:04); NOTE : REFER TO FIG.43B(G- 6) FOR MODEL:05~07

Remocon cable (Кабель дистанционного управления)

Remocon cable (Кабель дистанционного управления)

Drag link (Переключающая тяга)

Drag link (Переключающая тяга)

Opt:starting motor (Опции: электростартер)

Opt:starting motor (Опции: электростартер)

Opt:meter (Опции: приборы)

Opt:meter (Опции: приборы)
NOTE : REFER TO FIG.47A(H- 4) FOR MODEL:05~07

Opt:meter (Опции: приборы)

Opt:meter (Опции: приборы)
(MODEL:05~07)

Opt:trim sender (Опции: Датчик трима)

Opt:trim sender (Опции: Датчик трима)

Opt:switch (Опции: переключатели)

Opt:switch (Опции: переключатели)
(MODEL:05~07)

Opt:switch panel (Опции: переключатели panel)

Opt:switch panel (Опции: переключатели panel)
NOTE : REFER TO FIG.49A(H- 8) FOR MODEL:05~07

Opt:trim switch (Опции: Переключатель трима)

Opt:trim switch (Опции: Переключатель трима)
(MODEL:00~04)

Opt:tiller handle (Опции: Румпель)

Opt:tiller handle (Опции: Румпель)
(MODEL:01

Opt:top mount single (Опции: одинарное, монтаж сверху)

Opt:top mount single (Опции: одинарное, монтаж сверху)
(1)

Opt:top mount single (Опции: одинарное, монтаж сверху)

Opt:top mount single (Опции: одинарное, монтаж сверху)
(2)

Opt:concealed remocon (Опции: дистанционное управление, скрытая установка)

Opt:concealed remocon (Опции: дистанционное управление, скрытая установка)
(1)

Opt:concealed remocon (Опции: дистанционное управление, скрытая установка)

Opt:concealed remocon (Опции: дистанционное управление, скрытая установка)
(2)

Opt:remocon attachment (Опции: Фиксатор дистанционного управления)

Opt:remocon attachment (Опции: Фиксатор дистанционного управления)

Opt:remocon parts set (Опции: установочный комплект ДУ)

Opt:remocon parts set (Опции: установочный комплект ДУ)

Opt:gasket set (Опции: комплект прокладок)

Opt:gasket set (Опции: комплект прокладок)

Optional (Опции)

Optional (Опции)




 
 

данный сайт носит информационный характер и не является публичной офертой

склад запчастей для водомоторной техники