вконтакте

Контактный телефон: +7 (981) 121-46-93, +7 (800) 200-90-76 , Email: parts-katalog@yandex.ru, где купить

 
 

  Логин:

Пароль:

Регистрация

www.partskatalog.ru Все каталоги Запчасти Mercury Запчасти Suzuki Запчасти Tohatsu Запчасти Honda Контакты



УВАЖАЕМЫЕ КЛИЕНТЫ!
C 31 ОКТЯБРЯ 2025 ПО 10 НОЯБРЯ 2025 ГОДА РАБОТАТЬ НЕ БУДЕМ




запчастиsuzuki

Узнать наличие и цену запчасти:

Вернуться к началу выбора

Поиск модели по серийному номеру


РЕЖИМЫ ПРОСМОТРА

Все узлы и детали

Тип двигателя: 4x - тактный

Модель двигателя: Suzuki DF40

Модификация Вашего двигателя:   Suzuki DF-40QHLK8 (E1) K8
Код модели двигателя: DF40QHS/L; DF40TS/L
Год выпуска двигателя: 2008
Регион: General Export No.1 ,Код региона: P01
Цвет: Shadow Black Metallic


Поиск запчастей по коду или названию


   Выберите раздел

найти расходники на лодочные моторы Suzuki

Начните вводить запрос

Catalog preface (Каталог)

Catalog preface (Каталог)

Catalog preface (Каталог)

Catalog preface (Каталог)

Catalog preface (Каталог)

Catalog preface (Каталог)

Catalog preface (Каталог)

Catalog preface (Каталог)

Catalog preface (Каталог)

Catalog preface (Каталог)

Catalog preface (Каталог)

Catalog preface (Каталог)

Catalog preface (Каталог)

Catalog preface (Каталог)

Catalog preface (Каталог)

Catalog preface (Каталог)

Color chart (Таблица цветов)

Color chart (Таблица цветов)

Cylinder head (Головка блока цилиндра)

Cylinder head (Головка блока цилиндра)

Cylinder block (Блок цилиндра)

Cylinder block (Блок цилиндра)

Oil seal housing (Корпус сальника)

Oil seal housing (Корпус сальника)
Model: 99

Oil seal housing (Корпус сальника)

Oil seal housing (Корпус сальника)
Modle: 01~10

Crankshaft (Коленвал)

Crankshaft (Коленвал)

Timing chain (Распределяющая цепь)

Timing chain (Распределяющая цепь)

Camshaft (Распределительный вал)

Camshaft (Распределительный вал)

Inlet manifold (Впускной коллектор)

Inlet manifold (Впускной коллектор)

Silencer (Глушитель)

Silencer (Глушитель)
Model: 99

Silencer (Глушитель)

Silencer (Глушитель)
Model: 01~06

Silencer (Глушитель)

Silencer (Глушитель)
Df40: 680712~

Fuel vapor separator (Отделитель паров топлива)

Fuel vapor separator (Отделитель паров топлива)
Model: 99

Fuel vapor separator (Отделитель паров топлива)

Fuel vapor separator (Отделитель паров топлива)
Model: 00~10

Fuel injector (Топливный инжектор)

Fuel injector (Топливный инжектор)

Fuel pump (Топливный насос)

Fuel pump (Топливный насос)

Water pump (Водяной насос)

Water pump (Водяной насос)

Thermostat (Термостат)

Thermostat (Термостат)

Throttle body (Дроссель газа)

Throttle body (Дроссель газа)

Oil pump (Масляный насос)

Oil pump (Масляный насос)

Oil pan (Масляный поддон)

Oil pan (Масляный поддон)

Clutch (Сцепление)

Clutch (Сцепление)

Shift rod (Переключающая тяга)

Shift rod (Переключающая тяга)

Transmission (Трансмиссия)

Transmission (Трансмиссия)

Transmission (Трансмиссия)

Transmission (Трансмиссия)

Starting motor (Двигатель электростартера)

Starting motor (Двигатель электростартера)
Model: 99

Starting motor (Двигатель электростартера)

Starting motor (Двигатель электростартера)
Model: 01~04

Starting motor (Двигатель электростартера)

Starting motor (Двигатель электростартера)
Model: 05~10

Magneto (Магнето)

Magneto (Магнето)
Model: 99

Magneto (Магнето)

Magneto (Магнето)
Model: 01~04

Magneto (Магнето)

Magneto (Магнето)
Model: 05~10

Ignition coil (Катушка зажигания)

Ignition coil (Катушка зажигания)
Model: 99~04

Ignition coil (Катушка зажигания)

Ignition coil (Катушка зажигания)
Model: 05~10

Harness (Жгут проводов)

Harness (Жгут проводов)

Engine control unit (Блок управления двигателем)

Engine control unit (Блок управления двигателем)

Sensor (Датчик)

Sensor (Датчик)

Clamp bracket (Кронштейн транца)

Clamp bracket (Кронштейн транца)
Model: 99

Clamp bracket (Кронштейн транца)

Clamp bracket (Кронштейн транца)
Model: 01~10

Swivel bracket (Поворотный кронштейн)

Swivel bracket (Поворотный кронштейн)
Model: 99

Swivel bracket (Поворотный кронштейн)

Swivel bracket (Поворотный кронштейн)
Model: 01~10

Gas cylinder (Цилиндр газа)

Gas cylinder (Цилиндр газа)
Type: qh

Gas cylinder (Цилиндр газа)

Gas cylinder (Цилиндр газа)
Type: qh

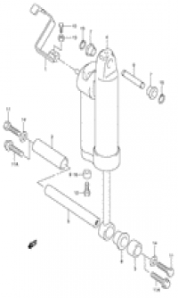
Power trim/tilt (Механизированный дифферент наклона)

Power trim/tilt (Механизированный дифферент наклона)
Type: t model: 99

Power trim/tilt (Механизированный дифферент наклона)

Power trim/tilt (Механизированный дифферент наклона)
Type: t model: 01~10

Ptt motor (Двигатель гидроподъёма)

Ptt motor (Двигатель гидроподъёма)
Type: t model: 99

Ptt motor (Двигатель гидроподъёма)

Ptt motor (Двигатель гидроподъёма)
Type: t model: 01~10

Engine holder (Основание двигателя)

Engine holder (Основание двигателя)

Drive shaft housing (Корпус вала передачи)

Drive shaft housing (Корпус вала передачи)

Gear case (Картер коробки передач)

Gear case (Картер коробки передач)

Side cover (Боковая крышка)

Side cover (Боковая крышка)

Engine cover (Крышка двигателя (капот))

Engine cover (Крышка двигателя (капот))
Model: 99~02

Engine cover (Крышка двигателя (капот))

Engine cover (Крышка двигателя (капот))
Model: 03~09

Engine cover (Крышка двигателя (капот))

Engine cover (Крышка двигателя (капот))
Model: 10

Tiller handle (Румпель)

Tiller handle (Румпель)
Type: qh

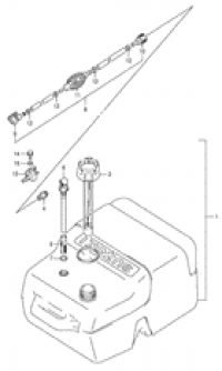
Fuel tank (Топливный бак)

Fuel tank (Топливный бак)
Steel

Fuel tank (Топливный бак)

Fuel tank (Топливный бак)
Plastic

Drag link (Переключающая тяга)

Drag link (Переключающая тяга)

Remote control (Дистанционное управление)

Remote control (Дистанционное управление)
Model: 99~03

Remote control (Дистанционное управление)

Remote control (Дистанционное управление)
Model: 04

Remote control (Дистанционное управление)

Remote control (Дистанционное управление)
Model: 05~10

Meter (Прибор)

Meter (Прибор)
Optional; model: 99~04

Meter (Прибор)

Meter (Прибор)
Optional; model: 05~

Meter (Прибор)

Meter (Прибор)
Optional; model: 08~

Trim sender (Датчик трима)

Trim sender (Датчик трима)
Optional;

Harness (Жгут проводов)

Harness (Жгут проводов)
Optional;

Harness (Жгут проводов)

Harness (Жгут проводов)
Optional; model: 08~

Switch (Переключатель)

Switch (Переключатель)
Optional; model: 99~04

Switch (Переключатель)

Switch (Переключатель)
Optional; model: 05~10

Trim switch (Переключатель трима)

Trim switch (Переключатель трима)
Optional; model: 99~04

Top mount single (одинарное, монтаж сверху)

Top mount single (одинарное, монтаж сверху)
Optional; 1)(model: 05~10

Top mount single (одинарное, монтаж сверху)

Top mount single (одинарное, монтаж сверху)
Optional; 2)(model: 05~10

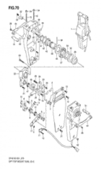
Top mount dual (сдвоенное ДУ, монтаж сверху)

Top mount dual (сдвоенное ДУ, монтаж сверху)
Optional; 1)(model: 05~10

Top mount dual (сдвоенное ДУ, монтаж сверху)

Top mount dual (сдвоенное ДУ, монтаж сверху)
Optional; 2)(model: 05~10

Tiller handle (Румпель)

Tiller handle (Румпель)
Optional;

Gasket set (Комплект прокладок)

Gasket set (Комплект прокладок)
Optional;




 
 

данный сайт носит информационный характер и не является публичной офертой

склад запчастей для водомоторной техники