вконтакте

Контактный телефон: +7 (981) 121-46-93, +7 (800) 200-90-76 , Email: parts-katalog@yandex.ru, где купить

 
 

  Логин:

Пароль:

Регистрация

www.partskatalog.ru Все каталоги Запчасти Mercury Запчасти Suzuki Запчасти Tohatsu Запчасти Honda Контакты



УВАЖАЕМЫЕ КЛИЕНТЫ!
C 19 ДЕКАБРЯ 2025 ПО 02 МАРТА 2026 ГОДА ОТДЕЛ ЗАПЧАСТЕЙ И СЕРВИС РАБОТАТЬ НЕ БУДУТ
ПРОДАЖА ЛОДОЧНЫХ МОТОРОВ В ШТАТНОМ РЕЖИМЕ
ОБ ИЗМЕНЕНИЯХ В ГРАФИКЕ РАБОТЫ ЧИТАЙТЕ НА САЙТА




запчастиsuzuki

Узнать наличие и цену запчасти:

Вернуться к началу выбора

Поиск модели по серийному номеру


РЕЖИМЫ ПРОСМОТРА

Все узлы и детали

Двигатель

Трансмиссия

Электрика

Внешние части

Тип двигателя: 4x - тактный

Модель двигателя: Suzuki DF50

Модификация Вашего двигателя:   Suzuki DF-50WTL K7
Год выпуска двигателя: 2007


Поиск запчастей по коду или названию


   Выберите раздел

найти расходники на лодочные моторы Suzuki

Начните вводить запрос

Cylinder head (Головка блока цилиндра)

Cylinder head (Головка блока цилиндра)

Cylinder block (Блок цилиндра)

Cylinder block (Блок цилиндра)

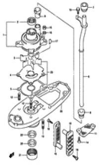
Oil seal housing (Корпус сальника)

Oil seal housing (Корпус сальника)
(MODLE:01~10)

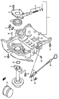
Crankshaft (Коленвал)

Crankshaft (Коленвал)

Timing chain (Распределяющая цепь)

Timing chain (Распределяющая цепь)

Camshaft (Распределительный вал)

Camshaft (Распределительный вал)

Inlet manifold (Впускной коллектор)

Inlet manifold (Впускной коллектор)

Silencer (Глушитель)

Silencer (Глушитель)
(DF40:680712~

Fuel vapor separator (Отделитель паров топлива)

Fuel vapor separator (Отделитель паров топлива)
(MODEL:00~10)

Fuel injector (Топливный инжектор)

Fuel injector (Топливный инжектор)

Fuel pump (Топливный насос)

Fuel pump (Топливный насос)

Water pump (Водяной насос)

Water pump (Водяной насос)

Thermostat (Термостат)

Thermostat (Термостат)

Throttle body (Дроссель газа)

Throttle body (Дроссель газа)

Oil pump (Масляный насос)

Oil pump (Масляный насос)

Oil pan (Масляный поддон)

Oil pan (Масляный поддон)

Clutch (Сцепление)

Clutch (Сцепление)

Shift rod (Переключающая тяга)

Shift rod (Переключающая тяга)

Transmission (Трансмиссия)

Transmission (Трансмиссия)
(*); NOTE : REFER TO FIG.23(D- 6) FOR DF40:510001~510209

Transmission (Трансмиссия)

Transmission (Трансмиссия)
(*); NOTE : (*): DF40:510001~510209 DF50:510001~510465

Starting motor (Двигатель электростартера)

Starting motor (Двигатель электростартера)
(MODEL:05~10)

Magneto (Магнето)

Magneto (Магнето)
(MODEL:05~10)

Ignition coil (Катушка зажигания)

Ignition coil (Катушка зажигания)
(MODEL:05~10)

Harness (Жгут проводов)

Harness (Жгут проводов)

Engine control unit (Блок управления двигателем)

Engine control unit (Блок управления двигателем)

Sensor (Датчик)

Sensor (Датчик)

Clamp bracket (Кронштейн транца)

Clamp bracket (Кронштейн транца)
(MODEL:01~10)

Swivel bracket (Поворотный кронштейн)

Swivel bracket (Поворотный кронштейн)
(MODEL:01~10)

Gas cylinder (Цилиндр газа)

Gas cylinder (Цилиндр газа)
(TYPE:QH

Power trim/tilt (Механизированный дифферент наклона)

Power trim/tilt (Механизированный дифферент наклона)
(TYPE:T MODEL:01~10)

Ptt motor (Двигатель гидроподъёма)

Ptt motor (Двигатель гидроподъёма)
(TYPE:T MODEL:01~10)

Engine holder (Основание двигателя)

Engine holder (Основание двигателя)

Drive shaft housing (Корпус вала передачи)

Drive shaft housing (Корпус вала передачи)

Gear case (Картер коробки передач)

Gear case (Картер коробки передач)

Side cover (Боковая крышка)

Side cover (Боковая крышка)

Engine cover (Крышка двигателя (капот))

Engine cover (Крышка двигателя (капот))
(MODEL:03~09); NOTE : REFER TO FIG.50A(H- 6) FOR MODEL:10

Tiller handle (Румпель)

Tiller handle (Румпель)
(TYPE:QH

Fuel tank (Топливный бак)

Fuel tank (Топливный бак)
(STEEL)

Fuel tank (Топливный бак)

Fuel tank (Топливный бак)
(PLASTIC)

Drag link (Переключающая тяга)

Drag link (Переключающая тяга)

Remote control (Дистанционное управление)

Remote control (Дистанционное управление)
(MODEL:05~10)

Opt:meter (Опции: приборы)

Opt:meter (Опции: приборы)
(MODEL:05~)

Opt:trim sender (Опции: Датчик трима)

Opt:trim sender (Опции: Датчик трима)

Opt:harness (Опции: жгут проводов)

Opt:harness (Опции: жгут проводов)

Opt:switch (Опции: переключатели)

Opt:switch (Опции: переключатели)
(MODEL:05~10)

Opt:top mount single (Опции: одинарное, монтаж сверху)

Opt:top mount single (Опции: одинарное, монтаж сверху)
(1)(MODEL:05~10)

Opt:top mount single (Опции: одинарное, монтаж сверху)

Opt:top mount single (Опции: одинарное, монтаж сверху)
(2)(MODEL:05~10)

Opt:top mount dual (Опция: сдвоенное ДУ, монтаж сверху)

Opt:top mount dual (Опция: сдвоенное ДУ, монтаж сверху)
(1)(MODEL:05~10)

Opt:top mount dual (Опция: сдвоенное ДУ, монтаж сверху)

Opt:top mount dual (Опция: сдвоенное ДУ, монтаж сверху)
(2)(MODEL:05~10)

Opt:tiller handle (Опции: Румпель)

Opt:tiller handle (Опции: Румпель)

Opt:gasket set (Опции: комплект прокладок)

Opt:gasket set (Опции: комплект прокладок)




 
 

данный сайт носит информационный характер и не является публичной офертой

склад запчастей для водомоторной техники