вконтакте

Контактный телефон: +7 (981) 121-46-93, +7 (800) 200-90-76 , Email: parts-katalog@yandex.ru, где купить

 
 

  Логин:

Пароль:

Регистрация

www.partskatalog.ru Все каталоги Запчасти Mercury Запчасти Suzuki Запчасти Tohatsu Запчасти Honda Контакты



УВАЖАЕМЫЕ КЛИЕНТЫ!
C 19 ДЕКАБРЯ 2025 ПО 02 МАРТА 2026 ГОДА ОТДЕЛ ЗАПЧАСТЕЙ И СЕРВИС РАБОТАТЬ НЕ БУДУТ
ПРОДАЖА ЛОДОЧНЫХ МОТОРОВ В ШТАТНОМ РЕЖИМЕ
ОБ ИЗМЕНЕНИЯХ В ГРАФИКЕ РАБОТЫ ЧИТАЙТЕ НА САЙТА




запчастиsuzuki

Узнать наличие и цену запчасти:

Вернуться к началу выбора

Поиск модели по серийному номеру


РЕЖИМЫ ПРОСМОТРА

Все узлы и детали

Двигатель

Трансмиссия

Электрика

Внешние части

Тип двигателя: 4x - тактный

Модель двигателя: Suzuki DF50

Модификация Вашего двигателя:   Suzuki DF-50ATL/DF-50ATHL (E01)
Двигатели с серийным номером после 05003F-210001
Код модели двигателя: DF50AQHS/L; DF50AT(H)S/L
Год выпуска двигателя: 2011
Регион: General Export No.1 ,Код региона: P01
Цвет: Shadow Black Metallic


Поиск запчастей по коду или названию


   Выберите раздел

найти расходники на лодочные моторы Suzuki

Начните вводить запрос

Cylinder head (Головка блока цилиндра)

Cylinder head (Головка блока цилиндра)

Cylinder block (Блок цилиндра)

Cylinder block (Блок цилиндра)

Ring gear cover (Крышка механизма маховика)

Ring gear cover (Крышка механизма маховика)
(DF40A E01)

Ring gear cover (Крышка механизма маховика)

Ring gear cover (Крышка механизма маховика)
(DF40AQH E01)

Ring gear cover (Крышка механизма маховика)

Ring gear cover (Крышка механизма маховика)
(DF40AST E34)

Ring gear cover (Крышка механизма маховика)

Ring gear cover (Крышка механизма маховика)
(DF50A E01)

Ring gear cover (Крышка механизма маховика)

Ring gear cover (Крышка механизма маховика)
(DF50ATH E01)

Ring gear cover (Крышка механизма маховика)

Ring gear cover (Крышка механизма маховика)
(DF60A E01)

Ring gear cover (Крышка механизма маховика)

Ring gear cover (Крышка механизма маховика)
(DF60A E40)

Ring gear cover (Крышка механизма маховика)

Ring gear cover (Крышка механизма маховика)
(DF60AQH E01)

Ring gear cover (Крышка механизма маховика)

Ring gear cover (Крышка механизма маховика)
(DF60AQH E40)

Ring gear cover (Крышка механизма маховика)

Ring gear cover (Крышка механизма маховика)
(DF60ATH E01)

Ring gear cover (Крышка механизма маховика)

Ring gear cover (Крышка механизма маховика)
(DF60ATH E40)

Crankshaft (Коленвал)

Crankshaft (Коленвал)

Timing chain (Распределяющая цепь)

Timing chain (Распределяющая цепь)

Camshaft (Распределительный вал)

Camshaft (Распределительный вал)

Intake manifold / silencer / exhaust cover (Впускной коллектор / Глушитель / Кожух выхлопной трубы)

Intake manifold / silencer / exhaust cover (Впускной коллектор / Глушитель / Кожух выхлопной трубы)

Fuel vapor separator (Отделитель паров топлива)

Fuel vapor separator (Отделитель паров топлива)
(DF40A E01)

Fuel vapor separator (Отделитель паров топлива)

Fuel vapor separator (Отделитель паров топлива)
(DF40AQH E01)

Fuel vapor separator (Отделитель паров топлива)

Fuel vapor separator (Отделитель паров топлива)
(DF40AST E34)

Fuel vapor separator (Отделитель паров топлива)

Fuel vapor separator (Отделитель паров топлива)
(DF50A E01)

Fuel vapor separator (Отделитель паров топлива)

Fuel vapor separator (Отделитель паров топлива)
(DF50ATH E01)

Fuel vapor separator (Отделитель паров топлива)

Fuel vapor separator (Отделитель паров топлива)
(DF60A E01)

Fuel vapor separator (Отделитель паров топлива)

Fuel vapor separator (Отделитель паров топлива)
(DF60A E40)

Fuel vapor separator (Отделитель паров топлива)

Fuel vapor separator (Отделитель паров топлива)
(DF60AQH E01)

Fuel vapor separator (Отделитель паров топлива)

Fuel vapor separator (Отделитель паров топлива)
(DF60AQH E40)

Fuel vapor separator (Отделитель паров топлива)

Fuel vapor separator (Отделитель паров топлива)
(DF60ATH E01)

Fuel vapor separator (Отделитель паров топлива)

Fuel vapor separator (Отделитель паров топлива)
(DF60ATH E40)

Fuel injector (Топливный инжектор)

Fuel injector (Топливный инжектор)
(DF40A E01)

Fuel injector (Топливный инжектор)

Fuel injector (Топливный инжектор)
(DF40AQH E01)

Fuel injector (Топливный инжектор)

Fuel injector (Топливный инжектор)
(DF40AST E34)

Fuel injector (Топливный инжектор)

Fuel injector (Топливный инжектор)
(DF50A E01)

Fuel injector (Топливный инжектор)

Fuel injector (Топливный инжектор)
(DF50ATH E01)

Fuel injector (Топливный инжектор)

Fuel injector (Топливный инжектор)
(DF60A E01)

Fuel injector (Топливный инжектор)

Fuel injector (Топливный инжектор)
(DF60A E40)

Fuel injector (Топливный инжектор)

Fuel injector (Топливный инжектор)
(DF60AQH E01)

Fuel injector (Топливный инжектор)

Fuel injector (Топливный инжектор)
(DF60AQH E40)

Fuel injector (Топливный инжектор)

Fuel injector (Топливный инжектор)
(DF60ATH E01)

Fuel injector (Топливный инжектор)

Fuel injector (Топливный инжектор)
(DF60ATH E40)

Fuel pump (Топливный насос)

Fuel pump (Топливный насос)
(DF40A E01)

Fuel pump (Топливный насос)

Fuel pump (Топливный насос)
(DF40AQH E01)

Fuel pump (Топливный насос)

Fuel pump (Топливный насос)
(DF40AST E34)

Fuel pump (Топливный насос)

Fuel pump (Топливный насос)
(DF50A E01)

Fuel pump (Топливный насос)

Fuel pump (Топливный насос)
(DF50ATH E01)

Fuel pump (Топливный насос)

Fuel pump (Топливный насос)
(DF60A E01)

Fuel pump (Топливный насос)

Fuel pump (Топливный насос)
(DF60A E40)

Fuel pump (Топливный насос)

Fuel pump (Топливный насос)
(DF60AQH E01)

Fuel pump (Топливный насос)

Fuel pump (Топливный насос)
(DF60AQH E40)

Fuel pump (Топливный насос)

Fuel pump (Топливный насос)
(DF60ATH E01)

Fuel pump (Топливный насос)

Fuel pump (Топливный насос)
(DF60ATH E40)

Water pump (Водяной насос)

Water pump (Водяной насос)
(DF40A E01)

Water pump (Водяной насос)

Water pump (Водяной насос)
(DF40AQH E01)

Water pump (Водяной насос)

Water pump (Водяной насос)
(DF40AST E34)

Water pump (Водяной насос)

Water pump (Водяной насос)
(DF50A E01)

Water pump (Водяной насос)

Water pump (Водяной насос)
(DF50ATH E01)

Water pump (Водяной насос)

Water pump (Водяной насос)
(DF60A E01)

Water pump (Водяной насос)

Water pump (Водяной насос)
(DF60A E40)

Water pump (Водяной насос)

Water pump (Водяной насос)
(DF60AQH E01)

Water pump (Водяной насос)

Water pump (Водяной насос)
(DF60AQH E40)

Water pump (Водяной насос)

Water pump (Водяной насос)
(DF60ATH E01)

Water pump (Водяной насос)

Water pump (Водяной насос)
(DF60ATH E40)

Thermostat (Термостат)

Thermostat (Термостат)

Throttle body (Дроссель газа)

Throttle body (Дроссель газа)
(DF40A E01)

Throttle body (Дроссель газа)

Throttle body (Дроссель газа)
(DF40AQH E01)

Throttle body (Дроссель газа)

Throttle body (Дроссель газа)
(DF40AST E34)

Throttle body (Дроссель газа)

Throttle body (Дроссель газа)
(DF50A E01)

Throttle body (Дроссель газа)

Throttle body (Дроссель газа)
(DF50ATH E01)

Throttle body (Дроссель газа)

Throttle body (Дроссель газа)
(DF60A E01)

Throttle body (Дроссель газа)

Throttle body (Дроссель газа)
(DF60A E40)

Throttle body (Дроссель газа)

Throttle body (Дроссель газа)
(DF60AQH E01)

Throttle body (Дроссель газа)

Throttle body (Дроссель газа)
(DF60AQH E40)

Throttle body (Дроссель газа)

Throttle body (Дроссель газа)
(DF60ATH E01)

Throttle body (Дроссель газа)

Throttle body (Дроссель газа)
(DF60ATH E40)

Oil pump (Масляный насос)

Oil pump (Масляный насос)

Oil pan (Масляный поддон)

Oil pan (Масляный поддон)

Clutch shaft (Сцепление Вал)

Clutch shaft (Сцепление Вал)
(DF40A E01)

Clutch shaft (Сцепление Вал)

Clutch shaft (Сцепление Вал)
(DF40AQH E01)

Clutch shaft (Сцепление Вал)

Clutch shaft (Сцепление Вал)
(DF40AST E34)

Clutch shaft (Сцепление Вал)

Clutch shaft (Сцепление Вал)
(DF50A E01)

Clutch shaft (Сцепление Вал)

Clutch shaft (Сцепление Вал)
(DF50ATH E01)

Clutch shaft (Сцепление Вал)

Clutch shaft (Сцепление Вал)
(DF60A E01)

Clutch shaft (Сцепление Вал)

Clutch shaft (Сцепление Вал)
(DF60A E40)

Clutch shaft (Сцепление Вал)

Clutch shaft (Сцепление Вал)
(DF60AQH E01)

Clutch shaft (Сцепление Вал)

Clutch shaft (Сцепление Вал)
(DF60AQH E40)

Clutch shaft (Сцепление Вал)

Clutch shaft (Сцепление Вал)
(DF60ATH E01)

Clutch shaft (Сцепление Вал)

Clutch shaft (Сцепление Вал)
(DF60ATH E40)

Clutch rod (Тяга сцепления)

Clutch rod (Тяга сцепления)
(DF40A E01)

Clutch rod (Тяга сцепления)

Clutch rod (Тяга сцепления)
(DF40AQH E01)

Clutch rod (Тяга сцепления)

Clutch rod (Тяга сцепления)
(DF40AST E34)

Clutch rod (Тяга сцепления)

Clutch rod (Тяга сцепления)
(DF50A E01)

Clutch rod (Тяга сцепления)

Clutch rod (Тяга сцепления)
(DF50ATH E01)

Clutch rod (Тяга сцепления)

Clutch rod (Тяга сцепления)
(DF60A E01)

Clutch rod (Тяга сцепления)

Clutch rod (Тяга сцепления)
(DF60A E40)

Clutch rod (Тяга сцепления)

Clutch rod (Тяга сцепления)
(DF60AQH E01)

Clutch rod (Тяга сцепления)

Clutch rod (Тяга сцепления)
(DF60AQH E40)

Clutch rod (Тяга сцепления)

Clutch rod (Тяга сцепления)
(DF60ATH E01)

Clutch rod (Тяга сцепления)

Clutch rod (Тяга сцепления)
(DF60ATH E40)

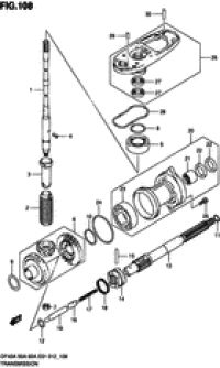
Transmission (Трансмиссия)

Transmission (Трансмиссия)
(DF40A E01)

Transmission (Трансмиссия)

Transmission (Трансмиссия)
(DF40AQH E01)

Transmission (Трансмиссия)

Transmission (Трансмиссия)
(DF40AST E34)

Transmission (Трансмиссия)

Transmission (Трансмиссия)
(DF50A E01)

Transmission (Трансмиссия)

Transmission (Трансмиссия)
(DF50ATH E01)

Transmission (Трансмиссия)

Transmission (Трансмиссия)
(DF60A E01)

Transmission (Трансмиссия)

Transmission (Трансмиссия)
(DF60A E40)

Transmission (Трансмиссия)

Transmission (Трансмиссия)
(DF60AQH E01)

Transmission (Трансмиссия)

Transmission (Трансмиссия)
(DF60AQH E40)

Transmission (Трансмиссия)

Transmission (Трансмиссия)
(DF60ATH E01)

Transmission (Трансмиссия)

Transmission (Трансмиссия)
(DF60ATH E40)

Starting motor (Двигатель электростартера)

Starting motor (Двигатель электростартера)

Magneto (Магнето)

Magneto (Магнето)

Rectifier / ignition coil (Выпрямитель / Катушка зажигания)

Rectifier / ignition coil (Выпрямитель / Катушка зажигания)

Sensor (Датчик)

Sensor (Датчик)
(DF40A E01)

Sensor (Датчик)

Sensor (Датчик)
(DF40AQH E01)

Sensor (Датчик)

Sensor (Датчик)
(DF40AST E34)

Sensor (Датчик)

Sensor (Датчик)
(DF50A E01)

Sensor (Датчик)

Sensor (Датчик)
(DF50ATH E01)

Sensor (Датчик)

Sensor (Датчик)
(DF60A E01)

Sensor (Датчик)

Sensor (Датчик)
(DF60A E40)

Sensor (Датчик)

Sensor (Датчик)
(DF60AQH E01)

Sensor (Датчик)

Sensor (Датчик)
(DF60AQH E40)

Sensor (Датчик)

Sensor (Датчик)
(DF60ATH E01)

Sensor (Датчик)

Sensor (Датчик)
(DF60ATH E40)

Harness (Жгут проводов)

Harness (Жгут проводов)
(DF40A E01)

Harness (Жгут проводов)

Harness (Жгут проводов)
(DF40AQH E01)

Harness (Жгут проводов)

Harness (Жгут проводов)
(DF40AST E34)

Harness (Жгут проводов)

Harness (Жгут проводов)
(DF50A E01)

Harness (Жгут проводов)

Harness (Жгут проводов)
(DF50ATH E01)

Harness (Жгут проводов)

Harness (Жгут проводов)
(DF60A E01)

Harness (Жгут проводов)

Harness (Жгут проводов)
(DF60A E40)

Harness (Жгут проводов)

Harness (Жгут проводов)
(DF60AQH E01)

Harness (Жгут проводов)

Harness (Жгут проводов)
(DF60AQH E40)

Harness (Жгут проводов)

Harness (Жгут проводов)
(DF60ATH E01)

Harness (Жгут проводов)

Harness (Жгут проводов)
(DF60ATH E40)

Ptt switch / engine control unit (Переключатель гидроподъёма / Блок управления двигателем)

Ptt switch / engine control unit (Переключатель гидроподъёма / Блок управления двигателем)
(DF40A E01)

Ptt switch / engine control unit (Переключатель гидроподъёма / Блок управления двигателем)

Ptt switch / engine control unit (Переключатель гидроподъёма / Блок управления двигателем)
(DF40AQH E01)

Ptt switch / engine control unit (Переключатель гидроподъёма / Блок управления двигателем)

Ptt switch / engine control unit (Переключатель гидроподъёма / Блок управления двигателем)
(DF40AST E34)

Ptt switch / engine control unit (Переключатель гидроподъёма / Блок управления двигателем)

Ptt switch / engine control unit (Переключатель гидроподъёма / Блок управления двигателем)
(DF50A E01)

Ptt switch / engine control unit (Переключатель гидроподъёма / Блок управления двигателем)

Ptt switch / engine control unit (Переключатель гидроподъёма / Блок управления двигателем)
(DF50ATH E01)

Ptt switch / engine control unit (Переключатель гидроподъёма / Блок управления двигателем)

Ptt switch / engine control unit (Переключатель гидроподъёма / Блок управления двигателем)
(DF60A E01)

Ptt switch / engine control unit (Переключатель гидроподъёма / Блок управления двигателем)

Ptt switch / engine control unit (Переключатель гидроподъёма / Блок управления двигателем)
(DF60A E40)

Ptt switch / engine control unit (Переключатель гидроподъёма / Блок управления двигателем)

Ptt switch / engine control unit (Переключатель гидроподъёма / Блок управления двигателем)
(DF60AQH E01)

Ptt switch / engine control unit (Переключатель гидроподъёма / Блок управления двигателем)

Ptt switch / engine control unit (Переключатель гидроподъёма / Блок управления двигателем)
(DF60AQH E40)

Ptt switch / engine control unit (Переключатель гидроподъёма / Блок управления двигателем)

Ptt switch / engine control unit (Переключатель гидроподъёма / Блок управления двигателем)
(DF60ATH E01)

Ptt switch / engine control unit (Переключатель гидроподъёма / Блок управления двигателем)

Ptt switch / engine control unit (Переключатель гидроподъёма / Блок управления двигателем)
(DF60ATH E40)

Clamp bracket (Кронштейн транца)

Clamp bracket (Кронштейн транца)
(DF40A E01)

Clamp bracket (Кронштейн транца)

Clamp bracket (Кронштейн транца)
(DF40AQH E01)

Clamp bracket (Кронштейн транца)

Clamp bracket (Кронштейн транца)
(DF40AST E34)

Clamp bracket (Кронштейн транца)

Clamp bracket (Кронштейн транца)
(DF50A E01)

Clamp bracket (Кронштейн транца)

Clamp bracket (Кронштейн транца)
(DF50ATH E01)

Clamp bracket (Кронштейн транца)

Clamp bracket (Кронштейн транца)
(DF60A E01)

Clamp bracket (Кронштейн транца)

Clamp bracket (Кронштейн транца)
(DF60A E40)

Clamp bracket (Кронштейн транца)

Clamp bracket (Кронштейн транца)
(DF60AQH E01)

Clamp bracket (Кронштейн транца)

Clamp bracket (Кронштейн транца)
(DF60AQH E40)

Clamp bracket (Кронштейн транца)

Clamp bracket (Кронштейн транца)
(DF60ATH E01)

Clamp bracket (Кронштейн транца)

Clamp bracket (Кронштейн транца)
(DF60ATH E40)

Swivel bracket (Поворотный кронштейн)

Swivel bracket (Поворотный кронштейн)
(DF40A E01)

Swivel bracket (Поворотный кронштейн)

Swivel bracket (Поворотный кронштейн)
(DF40AQH E01)

Swivel bracket (Поворотный кронштейн)

Swivel bracket (Поворотный кронштейн)
(DF40AST E34)

Swivel bracket (Поворотный кронштейн)

Swivel bracket (Поворотный кронштейн)
(DF50A E01)

Swivel bracket (Поворотный кронштейн)

Swivel bracket (Поворотный кронштейн)
(DF50ATH E01)

Swivel bracket (Поворотный кронштейн)

Swivel bracket (Поворотный кронштейн)
(DF60A E01)

Swivel bracket (Поворотный кронштейн)

Swivel bracket (Поворотный кронштейн)
(DF60A E40)

Swivel bracket (Поворотный кронштейн)

Swivel bracket (Поворотный кронштейн)
(DF60AQH E01)

Swivel bracket (Поворотный кронштейн)

Swivel bracket (Поворотный кронштейн)
(DF60AQH E40)

Swivel bracket (Поворотный кронштейн)

Swivel bracket (Поворотный кронштейн)
(DF60ATH E01)

Swivel bracket (Поворотный кронштейн)

Swivel bracket (Поворотный кронштейн)
(DF60ATH E40)

Gas cylinder (Цилиндр газа)

Gas cylinder (Цилиндр газа)
(DF40AQH E01)

Gas cylinder (Цилиндр газа)

Gas cylinder (Цилиндр газа)
(DF60AQH E01)

Gas cylinder (Цилиндр газа)

Gas cylinder (Цилиндр газа)
(DF60AQH E40)

Trim cylinder (Цилиндр трима)

Trim cylinder (Цилиндр трима)
(DF40A E01)

Trim cylinder (Цилиндр трима)

Trim cylinder (Цилиндр трима)
(DF40AST E34)

Trim cylinder (Цилиндр трима)

Trim cylinder (Цилиндр трима)
(DF50A E01)

Trim cylinder (Цилиндр трима)

Trim cylinder (Цилиндр трима)
(DF50ATH E01)

Trim cylinder (Цилиндр трима)

Trim cylinder (Цилиндр трима)
(DF60A E01)

Trim cylinder (Цилиндр трима)

Trim cylinder (Цилиндр трима)
(DF60A E40)

Trim cylinder (Цилиндр трима)

Trim cylinder (Цилиндр трима)
(DF60ATH E01)

Trim cylinder (Цилиндр трима)

Trim cylinder (Цилиндр трима)
(DF60ATH E40)

Ptt motor (Двигатель гидроподъёма)

Ptt motor (Двигатель гидроподъёма)
(DF40A E01)

Ptt motor (Двигатель гидроподъёма)

Ptt motor (Двигатель гидроподъёма)
(DF40AST E34)

Ptt motor (Двигатель гидроподъёма)

Ptt motor (Двигатель гидроподъёма)
(DF50A E01)

Ptt motor (Двигатель гидроподъёма)

Ptt motor (Двигатель гидроподъёма)
(DF50ATH E01)

Ptt motor (Двигатель гидроподъёма)

Ptt motor (Двигатель гидроподъёма)
(DF60A E01)

Ptt motor (Двигатель гидроподъёма)

Ptt motor (Двигатель гидроподъёма)
(DF60A E40)

Ptt motor (Двигатель гидроподъёма)

Ptt motor (Двигатель гидроподъёма)
(DF60ATH E01)

Ptt motor (Двигатель гидроподъёма)

Ptt motor (Двигатель гидроподъёма)
(DF60ATH E40)

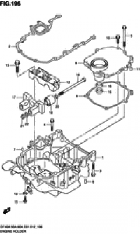
Engine holder (Основание двигателя)

Engine holder (Основание двигателя)
(DF40A E01)

Engine holder (Основание двигателя)

Engine holder (Основание двигателя)
(DF40AQH E01)

Engine holder (Основание двигателя)

Engine holder (Основание двигателя)
(DF40AST E34)

Engine holder (Основание двигателя)

Engine holder (Основание двигателя)
(DF50A E01)

Engine holder (Основание двигателя)

Engine holder (Основание двигателя)
(DF50ATH E01)

Engine holder (Основание двигателя)

Engine holder (Основание двигателя)
(DF60A E01)

Engine holder (Основание двигателя)

Engine holder (Основание двигателя)
(DF60A E40)

Engine holder (Основание двигателя)

Engine holder (Основание двигателя)
(DF60AQH E01)

Engine holder (Основание двигателя)

Engine holder (Основание двигателя)
(DF60AQH E40)

Engine holder (Основание двигателя)

Engine holder (Основание двигателя)
(DF60ATH E01)

Engine holder (Основание двигателя)

Engine holder (Основание двигателя)
(DF60ATH E40)

Drive shaft housing (Корпус вала передачи)

Drive shaft housing (Корпус вала передачи)
(DF40A E01)

Drive shaft housing (Корпус вала передачи)

Drive shaft housing (Корпус вала передачи)
(DF40AQH E01)

Drive shaft housing (Корпус вала передачи)

Drive shaft housing (Корпус вала передачи)
(DF40AST E34)

Drive shaft housing (Корпус вала передачи)

Drive shaft housing (Корпус вала передачи)
(DF50A E01)

Drive shaft housing (Корпус вала передачи)

Drive shaft housing (Корпус вала передачи)
(DF50ATH E01)

Drive shaft housing (Корпус вала передачи)

Drive shaft housing (Корпус вала передачи)
(DF60A E01)

Drive shaft housing (Корпус вала передачи)

Drive shaft housing (Корпус вала передачи)
(DF60A E40)

Drive shaft housing (Корпус вала передачи)

Drive shaft housing (Корпус вала передачи)
(DF60AQH E01)

Drive shaft housing (Корпус вала передачи)

Drive shaft housing (Корпус вала передачи)
(DF60AQH E40)

Drive shaft housing (Корпус вала передачи)

Drive shaft housing (Корпус вала передачи)
(DF60ATH E01)

Drive shaft housing (Корпус вала передачи)

Drive shaft housing (Корпус вала передачи)
(DF60ATH E40)

Gear case (Картер коробки передач)

Gear case (Картер коробки передач)
(DF40A E01)

Gear case (Картер коробки передач)

Gear case (Картер коробки передач)
(DF40AQH E01)

Gear case (Картер коробки передач)

Gear case (Картер коробки передач)
(DF40AST E34)

Gear case (Картер коробки передач)

Gear case (Картер коробки передач)
(DF50A E01)

Gear case (Картер коробки передач)

Gear case (Картер коробки передач)
(DF50ATH E01)

Gear case (Картер коробки передач)

Gear case (Картер коробки передач)
(DF60A E01)

Gear case (Картер коробки передач)

Gear case (Картер коробки передач)
(DF60A E40)

Gear case (Картер коробки передач)

Gear case (Картер коробки передач)
(DF60AQH E01)

Gear case (Картер коробки передач)

Gear case (Картер коробки передач)
(DF60AQH E40)

Gear case (Картер коробки передач)

Gear case (Картер коробки передач)
(DF60ATH E01)

Gear case (Картер коробки передач)

Gear case (Картер коробки передач)
(DF60ATH E40)

Side cover (Боковая крышка)

Side cover (Боковая крышка)
(DF40A E01)

Side cover (Боковая крышка)

Side cover (Боковая крышка)
(DF40AQH E01)

Side cover (Боковая крышка)

Side cover (Боковая крышка)
(DF40AST E34)

Side cover (Боковая крышка)

Side cover (Боковая крышка)
(DF50A E01)

Side cover (Боковая крышка)

Side cover (Боковая крышка)
(DF50ATH E01)

Side cover (Боковая крышка)

Side cover (Боковая крышка)
(DF60A E01)

Side cover (Боковая крышка)

Side cover (Боковая крышка)
(DF60A E40)

Side cover (Боковая крышка)

Side cover (Боковая крышка)
(DF60AQH E01)

Side cover (Боковая крышка)

Side cover (Боковая крышка)
(DF60AQH E40)

Side cover (Боковая крышка)

Side cover (Боковая крышка)
(DF60ATH E01)

Side cover (Боковая крышка)

Side cover (Боковая крышка)
(DF60ATH E40)

Engine cover (Крышка двигателя (капот))

Engine cover (Крышка двигателя (капот))
(DF40A E01)

Engine cover (Крышка двигателя (капот))

Engine cover (Крышка двигателя (капот))
(DF40AQH E01)

Engine cover (Крышка двигателя (капот))

Engine cover (Крышка двигателя (капот))
(DF40AST E34)

Engine cover (Крышка двигателя (капот))

Engine cover (Крышка двигателя (капот))
(DF50A E01)

Engine cover (Крышка двигателя (капот))

Engine cover (Крышка двигателя (капот))
(DF50ATH E01)

Engine cover (Крышка двигателя (капот))

Engine cover (Крышка двигателя (капот))
(DF60A E01)

Engine cover (Крышка двигателя (капот))

Engine cover (Крышка двигателя (капот))
(DF60A E40)

Engine cover (Крышка двигателя (капот))

Engine cover (Крышка двигателя (капот))
(DF60AQH E01)

Engine cover (Крышка двигателя (капот))

Engine cover (Крышка двигателя (капот))
(DF60AQH E40)

Engine cover (Крышка двигателя (капот))

Engine cover (Крышка двигателя (капот))
(DF60ATH E01)

Engine cover (Крышка двигателя (капот))

Engine cover (Крышка двигателя (капот))
(DF60ATH E40)

Tiller handle (Румпель)

Tiller handle (Румпель)
(DF40AQH E01)

Tiller handle (Румпель)

Tiller handle (Румпель)
(DF50ATH E01)

Tiller handle (Румпель)

Tiller handle (Румпель)
(DF60AQH E01)

Tiller handle (Румпель)

Tiller handle (Румпель)
(DF60AQH E40)

Tiller handle (Румпель)

Tiller handle (Румпель)
(DF60ATH E01)

Tiller handle (Румпель)

Tiller handle (Румпель)
(DF60ATH E40)

Fuel tank (Топливный бак)

Fuel tank (Топливный бак)
(PLASTIC)

Drag link (Переключающая тяга)

Drag link (Переключающая тяга)
(DF40A E01)

Drag link (Переключающая тяга)

Drag link (Переключающая тяга)
(DF40AQH E01)

Drag link (Переключающая тяга)

Drag link (Переключающая тяга)
(DF40AST E34)

Drag link (Переключающая тяга)

Drag link (Переключающая тяга)
(DF50A E01)

Drag link (Переключающая тяга)

Drag link (Переключающая тяга)
(DF50ATH E01)

Drag link (Переключающая тяга)

Drag link (Переключающая тяга)
(DF60A E01)

Drag link (Переключающая тяга)

Drag link (Переключающая тяга)
(DF60A E40)

Drag link (Переключающая тяга)

Drag link (Переключающая тяга)
(DF60AQH E01)

Drag link (Переключающая тяга)

Drag link (Переключающая тяга)
(DF60AQH E40)

Drag link (Переключающая тяга)

Drag link (Переключающая тяга)
(DF60ATH E01)

Drag link (Переключающая тяга)

Drag link (Переключающая тяга)
(DF60ATH E40)

Meter (Прибор)

Meter (Прибор)
(DF40A E01)

Meter (Прибор)

Meter (Прибор)
(DF40AST E34)

Meter (Прибор)

Meter (Прибор)
(DF50A E01)

Meter (Прибор)

Meter (Прибор)
(DF60A E01)

Meter (Прибор)

Meter (Прибор)
(DF60A E40)

Water pressure gauge sub kit (Комплект прибора изменения давления воды)

Water pressure gauge sub kit (Комплект прибора изменения давления воды)
(DF40A E01)

Water pressure gauge sub kit (Комплект прибора изменения давления воды)

Water pressure gauge sub kit (Комплект прибора изменения давления воды)
(DF40AQH E01)

Water pressure gauge sub kit (Комплект прибора изменения давления воды)

Water pressure gauge sub kit (Комплект прибора изменения давления воды)
(DF40AST E34)

Water pressure gauge sub kit (Комплект прибора изменения давления воды)

Water pressure gauge sub kit (Комплект прибора изменения давления воды)
(DF50A E01)

Water pressure gauge sub kit (Комплект прибора изменения давления воды)

Water pressure gauge sub kit (Комплект прибора изменения давления воды)
(DF50ATH E01)

Water pressure gauge sub kit (Комплект прибора изменения давления воды)

Water pressure gauge sub kit (Комплект прибора изменения давления воды)
(DF60A E01)

Water pressure gauge sub kit (Комплект прибора изменения давления воды)

Water pressure gauge sub kit (Комплект прибора изменения давления воды)
(DF60A E40)

Water pressure gauge sub kit (Комплект прибора изменения давления воды)

Water pressure gauge sub kit (Комплект прибора изменения давления воды)
(DF60AQH E01)

Water pressure gauge sub kit (Комплект прибора изменения давления воды)

Water pressure gauge sub kit (Комплект прибора изменения давления воды)
(DF60AQH E40)

Water pressure gauge sub kit (Комплект прибора изменения давления воды)

Water pressure gauge sub kit (Комплект прибора изменения давления воды)
(DF60ATH E01)

Water pressure gauge sub kit (Комплект прибора изменения давления воды)

Water pressure gauge sub kit (Комплект прибора изменения давления воды)
(DF60ATH E40)

Opt:meter (Опции: приборы)

Opt:meter (Опции: приборы)
(DF40A E01)

Opt:meter (Опции: приборы)

Opt:meter (Опции: приборы)
(DF40AQH E01)

Opt:meter (Опции: приборы)

Opt:meter (Опции: приборы)
(DF40AST E34)

Opt:meter (Опции: приборы)

Opt:meter (Опции: приборы)
(DF50A E01)

Opt:meter (Опции: приборы)

Opt:meter (Опции: приборы)
(DF50ATH E01)

Opt:meter (Опции: приборы)

Opt:meter (Опции: приборы)
(DF60A E01)

Opt:meter (Опции: приборы)

Opt:meter (Опции: приборы)
(DF60A E40)

Opt:meter (Опции: приборы)

Opt:meter (Опции: приборы)
(DF60AQH E01)

Opt:meter (Опции: приборы)

Opt:meter (Опции: приборы)
(DF60AQH E40)

Opt:meter (Опции: приборы)

Opt:meter (Опции: приборы)
(DF60ATH E01)

Opt:meter (Опции: приборы)

Opt:meter (Опции: приборы)
(DF60ATH E40)

Opt:harness (Опции: жгут проводов)

Opt:harness (Опции: жгут проводов)
(DF40A E01)

Opt:harness (Опции: жгут проводов)

Opt:harness (Опции: жгут проводов)
(DF40AQH E01)

Opt:harness (Опции: жгут проводов)

Opt:harness (Опции: жгут проводов)
(DF40AST E34)

Opt:harness (Опции: жгут проводов)

Opt:harness (Опции: жгут проводов)
(DF50A E01)

Opt:harness (Опции: жгут проводов)

Opt:harness (Опции: жгут проводов)
(DF50ATH E01)

Opt:harness (Опции: жгут проводов)

Opt:harness (Опции: жгут проводов)
(DF60A E01)

Opt:harness (Опции: жгут проводов)

Opt:harness (Опции: жгут проводов)
(DF60A E40)

Opt:harness (Опции: жгут проводов)

Opt:harness (Опции: жгут проводов)
(DF60AQH E01)

Opt:harness (Опции: жгут проводов)

Opt:harness (Опции: жгут проводов)
(DF60AQH E40)

Opt:harness (Опции: жгут проводов)

Opt:harness (Опции: жгут проводов)
(DF60ATH E01)

Opt:harness (Опции: жгут проводов)

Opt:harness (Опции: жгут проводов)
(DF60ATH E40)

Opt:switch (Опции: переключатели)

Opt:switch (Опции: переключатели)
(DF40A E01)

Opt:switch (Опции: переключатели)

Opt:switch (Опции: переключатели)
(DF40AST E34)

Opt:switch (Опции: переключатели)

Opt:switch (Опции: переключатели)
(DF50A E01)

Opt:switch (Опции: переключатели)

Opt:switch (Опции: переключатели)
(DF60A E01)

Opt:switch (Опции: переключатели)

Opt:switch (Опции: переключатели)
(DF60A E40)

Opt:remote control (Опции: дистанционное управление)

Opt:remote control (Опции: дистанционное управление)
(DF40A E01)

Opt:remote control (Опции: дистанционное управление)

Opt:remote control (Опции: дистанционное управление)
(DF40AST E34)

Opt:remote control (Опции: дистанционное управление)

Opt:remote control (Опции: дистанционное управление)
(DF50A E01)

Opt:remote control (Опции: дистанционное управление)

Opt:remote control (Опции: дистанционное управление)
(DF60A E01)

Opt:remote control (Опции: дистанционное управление)

Opt:remote control (Опции: дистанционное управление)
(DF60A E40)

Opt:remote control assy single (Дистанционное управление в сборе, одинарное)

Opt:remote control assy single (Дистанционное управление в сборе, одинарное)
(1)

Opt:remote control assy single (Дистанционное управление в сборе, одинарное)

Opt:remote control assy single (Дистанционное управление в сборе, одинарное)
(2)

Opt:tiller handle (Опции: Румпель)

Opt:tiller handle (Опции: Румпель)
(DF40A E01)

Opt:tiller handle (Опции: Румпель)

Opt:tiller handle (Опции: Румпель)
(DF40AST E34)

Opt:tiller handle (Опции: Румпель)

Opt:tiller handle (Опции: Румпель)
(DF50A E01)

Opt:tiller handle (Опции: Румпель)

Opt:tiller handle (Опции: Румпель)
(DF60A E01)

Opt:tiller handle (Опции: Румпель)

Opt:tiller handle (Опции: Румпель)
(DF60A E40)

Opt:gasket set (Опции: комплект прокладок)

Opt:gasket set (Опции: комплект прокладок)
(DF40A E01)

Opt:gasket set (Опции: комплект прокладок)

Opt:gasket set (Опции: комплект прокладок)
(DF40AQH E01)

Opt:gasket set (Опции: комплект прокладок)

Opt:gasket set (Опции: комплект прокладок)
(DF40AST E34)

Opt:gasket set (Опции: комплект прокладок)

Opt:gasket set (Опции: комплект прокладок)
(DF50A E01)

Opt:gasket set (Опции: комплект прокладок)

Opt:gasket set (Опции: комплект прокладок)
(DF50ATH E01)

Opt:gasket set (Опции: комплект прокладок)

Opt:gasket set (Опции: комплект прокладок)
(DF60A E01)

Opt:gasket set (Опции: комплект прокладок)

Opt:gasket set (Опции: комплект прокладок)
(DF60A E40)

Opt:gasket set (Опции: комплект прокладок)

Opt:gasket set (Опции: комплект прокладок)
(DF60AQH E01)

Opt:gasket set (Опции: комплект прокладок)

Opt:gasket set (Опции: комплект прокладок)
(DF60AQH E40)

Opt:gasket set (Опции: комплект прокладок)

Opt:gasket set (Опции: комплект прокладок)
(DF60ATH E01)

Opt:gasket set (Опции: комплект прокладок)

Opt:gasket set (Опции: комплект прокладок)
(DF60ATH E40)




 
 

данный сайт носит информационный характер и не является публичной офертой

склад запчастей для водомоторной техники