вконтакте

Контактный телефон: +7 (981) 121-46-93, +7 (800) 200-90-76 , Email: parts-katalog@yandex.ru, где купить

 
 

  Логин:

Пароль:

Регистрация

www.partskatalog.ru Все каталоги Запчасти Mercury Запчасти Suzuki Запчасти Tohatsu Запчасти Honda Контакты



УВАЖАЕМЫЕ КЛИЕНТЫ!
C 19 ДЕКАБРЯ 2025 ПО 02 МАРТА 2026 ГОДА ОТДЕЛ ЗАПЧАСТЕЙ И СЕРВИС РАБОТАТЬ НЕ БУДУТ
ПРОДАЖА ЛОДОЧНЫХ МОТОРОВ В ШТАТНОМ РЕЖИМЕ
ОБ ИЗМЕНЕНИЯХ В ГРАФИКЕ РАБОТЫ ЧИТАЙТЕ НА САЙТА




запчастиsuzuki

Узнать наличие и цену запчасти:

Вернуться к началу выбора

Поиск модели по серийному номеру


РЕЖИМЫ ПРОСМОТРА

Все узлы и детали

Тип двигателя: 4x - тактный

Модель двигателя: Suzuki DF70

Модификация Вашего двигателя:   Suzuki DF-70TLK4 (E1) K4
Код модели двигателя: DF70TL/X; DF70WT(H)L/X
Год выпуска двигателя: 2004
Регион: General Export No.1 ,Код региона: P01
Цвет: Shadow Black Metallic


Поиск запчастей по коду или названию


   Выберите раздел

найти расходники на лодочные моторы Suzuki

Начните вводить запрос

Catalog preface (Каталог)

Catalog preface (Каталог)

Catalog preface (Каталог)

Catalog preface (Каталог)

Catalog preface (Каталог)

Catalog preface (Каталог)

Catalog preface (Каталог)

Catalog preface (Каталог)

Catalog preface (Каталог)

Catalog preface (Каталог)

Catalog preface (Каталог)

Catalog preface (Каталог)

Color chart (Таблица цветов)

Color chart (Таблица цветов)

Cylinder head (Головка блока цилиндра)

Cylinder head (Головка блока цилиндра)

Cylinder block (Блок цилиндра)

Cylinder block (Блок цилиндра)

Under oil seal housing (Нижник корпус сальника)

Under oil seal housing (Нижник корпус сальника)

Crankshaft (Коленвал)

Crankshaft (Коленвал)

Timing belt (Ремень распредвала)

Timing belt (Ремень распредвала)

Camshaft (Распределительный вал)

Camshaft (Распределительный вал)

Inlet manifold (Впускной коллектор)

Inlet manifold (Впускной коллектор)
Df60

Inlet manifold (Впускной коллектор)

Inlet manifold (Впускной коллектор)
Df60: 971961~model: 01

Inlet manifold (Впускной коллектор)

Inlet manifold (Впускной коллектор)
Df70: 973970~model: 00

Inlet manifold (Впускной коллектор)

Inlet manifold (Впускной коллектор)
Df70 model: 01

Inlet manifold (Впускной коллектор)

Inlet manifold (Впускной коллектор)
Df60

Silencer (Глушитель)

Silencer (Глушитель)

Exhaust manifold (Выхлопной патрубок)

Exhaust manifold (Выхлопной патрубок)

Fuel vapor separator (Отделитель паров топлива)

Fuel vapor separator (Отделитель паров топлива)

Fuel vapor separator (Отделитель паров топлива)

Fuel vapor separator (Отделитель паров топлива)

Fuel vapor separator (Отделитель паров топлива)

Fuel vapor separator (Отделитель паров топлива)
Model: 01~09

Fuel injector (Топливный инжектор)

Fuel injector (Топливный инжектор)

Fuel injector (Топливный инжектор)

Fuel injector (Топливный инжектор)

Fuel pump (Топливный насос)

Fuel pump (Топливный насос)

Fuel pump (Топливный насос)

Fuel pump (Топливный насос)
Model: 07~09

Water pump (Водяной насос)

Water pump (Водяной насос)

Water pump (Водяной насос)

Water pump (Водяной насос)
Model: 08~09

Thermostat (Термостат)

Thermostat (Термостат)

Throttle body (Дроссель газа)

Throttle body (Дроссель газа)

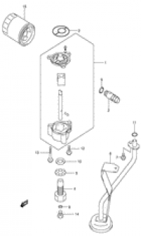
Oil pump (Масляный насос)

Oil pump (Масляный насос)

Oil pan (Масляный поддон)

Oil pan (Масляный поддон)

Clutch shaft (Сцепление Вал)

Clutch shaft (Сцепление Вал)

Shift rod (Переключающая тяга)

Shift rod (Переключающая тяга)

Transmission (Трансмиссия)

Transmission (Трансмиссия)
Model: 98~00

Transmission (Трансмиссия)

Transmission (Трансмиссия)
Model: 01~09

Starting motor (Двигатель электростартера)

Starting motor (Двигатель электростартера)
Model: 98~00

Starting motor (Двигатель электростартера)

Starting motor (Двигатель электростартера)
Model: 01~09

Magneto (Магнето)

Magneto (Магнето)
Model: 98~00

Magneto (Магнето)

Magneto (Магнето)
Model: 01~09

Ignition coil (Катушка зажигания)

Ignition coil (Катушка зажигания)

Sensor (Датчик)

Sensor (Датчик)

Harness (Жгут проводов)

Harness (Жгут проводов)

Trim sender (Датчик трима)

Trim sender (Датчик трима)

Engine control unit (Блок управления двигателем)

Engine control unit (Блок управления двигателем)

Clamp bracket (Кронштейн транца)

Clamp bracket (Кронштейн транца)

Swivel bracket (Поворотный кронштейн)

Swivel bracket (Поворотный кронштейн)

Trim cylinder (Цилиндр трима)

Trim cylinder (Цилиндр трима)
Model: 98~00

Trim cylinder (Цилиндр трима)

Trim cylinder (Цилиндр трима)
Model: 01~09

Ptt motor (Двигатель гидроподъёма)

Ptt motor (Двигатель гидроподъёма)
Model: 98~00

Ptt motor (Двигатель гидроподъёма)

Ptt motor (Двигатель гидроподъёма)
Model: 01~09

Engine holder (Основание двигателя)

Engine holder (Основание двигателя)

Drive shaft housing (Корпус вала передачи)

Drive shaft housing (Корпус вала передачи)

Gear case (Картер коробки передач)

Gear case (Картер коробки передач)
Model: 98~00

Gear case (Картер коробки передач)

Gear case (Картер коробки передач)
Model: 01~09

Side cover (Боковая крышка)

Side cover (Боковая крышка)

Engine cover (Крышка двигателя (капот))

Engine cover (Крышка двигателя (капот))
Model: 98~02

Engine cover (Крышка двигателя (капот))

Engine cover (Крышка двигателя (капот))
Model: 03~09

Tiller handle (Румпель)

Tiller handle (Румпель)
Df70wth

Fuel tank (Топливный бак)

Fuel tank (Топливный бак)
Steel

Fuel tank (Топливный бак)

Fuel tank (Топливный бак)
Plastic

Drag link (Переключающая тяга)

Drag link (Переключающая тяга)

Remote control (Дистанционное управление)

Remote control (Дистанционное управление)
Model: 98~03

Remote control (Дистанционное управление)

Remote control (Дистанционное управление)
Model: 04

Remote control (Дистанционное управление)

Remote control (Дистанционное управление)
Model: 05~09

Top mount single (одинарное, монтаж сверху)

Top mount single (одинарное, монтаж сверху)
Optional; 1)(model: 05~09

Top mount single (одинарное, монтаж сверху)

Top mount single (одинарное, монтаж сверху)
Optional; 2)(model: 05~09

Top mount dual (сдвоенное ДУ, монтаж сверху)

Top mount dual (сдвоенное ДУ, монтаж сверху)
Optional; 1)(model: 05~09

Top mount dual (сдвоенное ДУ, монтаж сверху)

Top mount dual (сдвоенное ДУ, монтаж сверху)
Optional; 2)(model: 05~09

Meter (Прибор)

Meter (Прибор)
Optional; model: 98~04

Meter (Прибор)

Meter (Прибор)
Optional; model: 05~

Meter (Прибор)

Meter (Прибор)
Optional; model: 08~

Trim sender (Датчик трима)

Trim sender (Датчик трима)
Optional;

Harness (Жгут проводов)

Harness (Жгут проводов)
Optional;

Harness (Жгут проводов)

Harness (Жгут проводов)
Optional; model: 08~

Switch (Переключатель)

Switch (Переключатель)
Optional; model: 98~04

Switch (Переключатель)

Switch (Переключатель)
Optional; model: 05~09

Trim switch (Переключатель трима)

Trim switch (Переключатель трима)
Optional; model: 98~04

Tiller handle (Румпель)

Tiller handle (Румпель)
Optional;

Optional (Опции)

Optional (Опции)




 
 

данный сайт носит информационный характер и не является публичной офертой

склад запчастей для водомоторной техники