вконтакте

Контактный телефон: +7 (981) 121-46-93, +7 (800) 200-90-76 , Email: parts-katalog@yandex.ru, где купить

 
 

  Логин:

Пароль:

Регистрация

www.partskatalog.ru Все каталоги Запчасти Mercury Запчасти Suzuki Запчасти Tohatsu Запчасти Honda Контакты



УВАЖАЕМЫЕ КЛИЕНТЫ!
C 19 ДЕКАБРЯ 2025 ПО 02 МАРТА 2026 ГОДА ОТДЕЛ ЗАПЧАСТЕЙ И СЕРВИС РАБОТАТЬ НЕ БУДУТ
ПРОДАЖА ЛОДОЧНЫХ МОТОРОВ В ШТАТНОМ РЕЖИМЕ
ОБ ИЗМЕНЕНИЯХ В ГРАФИКЕ РАБОТЫ ЧИТАЙТЕ НА САЙТА




запчастиsuzuki

Узнать наличие и цену запчасти:

Вернуться к началу выбора

Поиск модели по серийному номеру


РЕЖИМЫ ПРОСМОТРА

Все узлы и детали

Двигатель

Трансмиссия

Электрика

Внешние части

Тип двигателя: 4x - тактный

Модель двигателя: Suzuki DF70

Модификация Вашего двигателя:   Suzuki DF-70WTL K4
Год выпуска двигателя: 2004


Поиск запчастей по коду или названию


   Выберите раздел

найти расходники на лодочные моторы Suzuki

Начните вводить запрос

Cylinder head (Головка блока цилиндра)

Cylinder head (Головка блока цилиндра)

Cylinder block (Блок цилиндра)

Cylinder block (Блок цилиндра)

Under oil seal housing (Нижник корпус сальника)

Under oil seal housing (Нижник корпус сальника)

Crankshaft (Коленвал)

Crankshaft (Коленвал)

Timing belt (Ремень распредвала)

Timing belt (Ремень распредвала)

Camshaft (Распределительный вал)

Camshaft (Распределительный вал)

Inlet manifold (Впускной коллектор)

Inlet manifold (Впускной коллектор)
(DF60

Inlet manifold (Впускной коллектор)

Inlet manifold (Впускной коллектор)
(DF60:971961~MODEL:01)

Inlet manifold (Впускной коллектор)

Inlet manifold (Впускной коллектор)
(DF70:973970~MODEL:00)

Silencer (Глушитель)

Silencer (Глушитель)

Exhaust manifold (Выхлопной патрубок)

Exhaust manifold (Выхлопной патрубок)

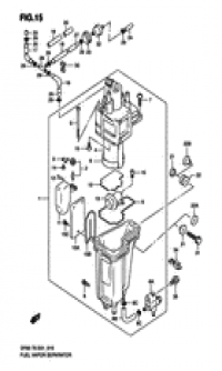
Fuel vapor separator (Отделитель паров топлива)

Fuel vapor separator (Отделитель паров топлива)
NOTE : REFER TO FIG.14(C- 5) FOR DF60:971544~MODEL:00

Fuel vapor separator (Отделитель паров топлива)

Fuel vapor separator (Отделитель паров топлива)
(*); NOTE : (*) : DF60:971544~MODEL:00 DF70:972016~MODEL:00

Fuel vapor separator (Отделитель паров топлива)

Fuel vapor separator (Отделитель паров топлива)
(MODEL:01~09)

Fuel injector (Топливный инжектор)

Fuel injector (Топливный инжектор)
NOTE : REFER TO FIG.17(C- 9) FOR DF60:971544~MODEL:09

Fuel injector (Топливный инжектор)

Fuel injector (Топливный инжектор)
(*); NOTE : (*) : DF60:971544~MODEL:09 DF70:972016~MODEL:09

Fuel pump (Топливный насос)

Fuel pump (Топливный насос)
(MODEL:07~09)

Fuel pump (Топливный насос)

Fuel pump (Топливный насос)
NOTE : REFER TO FIG.18A(C-12) FOR MODEL:07~09

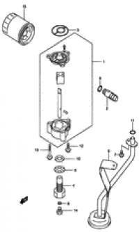
Water pump (Водяной насос)

Water pump (Водяной насос)
(MODEL:08~09)

Water pump (Водяной насос)

Water pump (Водяной насос)
NOTE : REFER TO FIG.19A(C-15) FOR MODEL:08~09

Thermostat (Термостат)

Thermostat (Термостат)

Throttle body (Дроссель газа)

Throttle body (Дроссель газа)

Oil pump (Масляный насос)

Oil pump (Масляный насос)

Oil pan (Масляный поддон)

Oil pan (Масляный поддон)

Clutch shaft (Сцепление Вал)

Clutch shaft (Сцепление Вал)

Shift rod (Переключающая тяга)

Shift rod (Переключающая тяга)

Transmission (Трансмиссия)

Transmission (Трансмиссия)
(MODEL:98~00); NOTE : REFER TO FIG.27(D-10) FOR MODEL:01~09

Transmission (Трансмиссия)

Transmission (Трансмиссия)
(MODEL:01~09)

Starting motor (Двигатель электростартера)

Starting motor (Двигатель электростартера)
(MODEL:98~00); NOTE : REFER TO FIG.29(E- 3) FOR MODEL:01~09

Starting motor (Двигатель электростартера)

Starting motor (Двигатель электростартера)
(MODEL:01~09)

Magneto (Магнето)

Magneto (Магнето)
(MODEL:98~00); NOTE : REFER TO FIG.31(E- 5) MODEL:01~09

Magneto (Магнето)

Magneto (Магнето)
(MODEL:01~09)

Ignition coil (Катушка зажигания)

Ignition coil (Катушка зажигания)

Sensor (Датчик)

Sensor (Датчик)

Harness (Жгут проводов)

Harness (Жгут проводов)

Trim sender (Датчик трима)

Trim sender (Датчик трима)

Engine control unit (Блок управления двигателем)

Engine control unit (Блок управления двигателем)

Clamp bracket (Кронштейн транца)

Clamp bracket (Кронштейн транца)

Swivel bracket (Поворотный кронштейн)

Swivel bracket (Поворотный кронштейн)

Trim cylinder (Цилиндр трима)

Trim cylinder (Цилиндр трима)
(MODEL:98~00); NOTE : REFER TO FIG.40(F- 7) FOR MODEL:01~09

Trim cylinder (Цилиндр трима)

Trim cylinder (Цилиндр трима)
(MODEL:01~09)

Ptt motor (Двигатель гидроподъёма)

Ptt motor (Двигатель гидроподъёма)
(MODEL:98~00); NOTE : REFER TO FIG.42(F- 9) FOR MODEL:01~09

Ptt motor (Двигатель гидроподъёма)

Ptt motor (Двигатель гидроподъёма)
(MODEL:01~09)

Engine holder (Основание двигателя)

Engine holder (Основание двигателя)

Drive shaft housing (Корпус вала передачи)

Drive shaft housing (Корпус вала передачи)

Gear case (Картер коробки передач)

Gear case (Картер коробки передач)
(MODEL:98~00); NOTE : REFER TO FIG.46(G- 4) FOR MODEL:01~09

Gear case (Картер коробки передач)

Gear case (Картер коробки передач)
(MODEL:01~09)

Side cover (Боковая крышка)

Side cover (Боковая крышка)

Engine cover (Крышка двигателя (капот))

Engine cover (Крышка двигателя (капот))
(MODEL:03~09)

Engine cover (Крышка двигателя (капот))

Engine cover (Крышка двигателя (капот))
(MODEL:98~02); NOTE : REFER TO FIG.48A(G- 9) FOR MODEL:03~09

Tiller handle (Румпель)

Tiller handle (Румпель)
(DF70WTH)

Fuel tank (Топливный бак)

Fuel tank (Топливный бак)
(STEEL)

Fuel tank (Топливный бак)

Fuel tank (Топливный бак)
(PLASTIC)

Drag link (Переключающая тяга)

Drag link (Переключающая тяга)

Remote control (Дистанционное управление)

Remote control (Дистанционное управление)
(MODEL:98~03); NOTE : REFER TO FIG.54(H- 7) FOR MODEL:04 REFER TO FIG.55(H-10) FOR MODEL:05~09

Remote control (Дистанционное управление)

Remote control (Дистанционное управление)
(MODEL:04); NOTE : REFER TO FIG.55(H-10) FOR MODEL:05~09

Remote control (Дистанционное управление)

Remote control (Дистанционное управление)
(MODEL:05~09)

Opt:top mount single (Опции: одинарное, монтаж сверху)

Opt:top mount single (Опции: одинарное, монтаж сверху)
(1)(MODEL:05~09)

Opt:top mount single (Опции: одинарное, монтаж сверху)

Opt:top mount single (Опции: одинарное, монтаж сверху)
(2)(MODEL:05~09)

Opt:top mount dual (Опция: сдвоенное ДУ, монтаж сверху)

Opt:top mount dual (Опция: сдвоенное ДУ, монтаж сверху)
(1)(MODEL:05~09)

Opt:top mount dual (Опция: сдвоенное ДУ, монтаж сверху)

Opt:top mount dual (Опция: сдвоенное ДУ, монтаж сверху)
(2)(MODEL:05~09)

Opt:meter (Опции: приборы)

Opt:meter (Опции: приборы)
(MODEL:98~04); NOTE : REFER TO FIG.61(J- 3) FOR MODEL:05~

Opt:meter (Опции: приборы)

Opt:meter (Опции: приборы)
(MODEL:05~)

Opt:meter (Опции: приборы)

Opt:meter (Опции: приборы)
(MODEL:08~)

Opt:trim sender (Опции: Датчик трима)

Opt:trim sender (Опции: Датчик трима)

Opt:harness (Опции: жгут проводов)

Opt:harness (Опции: жгут проводов)

Opt:harness (Опции: жгут проводов)

Opt:harness (Опции: жгут проводов)
(MODEL:08~)

Opt:switch (Опции: переключатели)

Opt:switch (Опции: переключатели)
(MODEL:98~04); NOTE : REFER TO FIG.67(J- 9) FOR MODEL:05~09

Opt:switch (Опции: переключатели)

Opt:switch (Опции: переключатели)
(MODEL:05~09)

Opt:trim switch (Опции: Переключатель трима)

Opt:trim switch (Опции: Переключатель трима)
(MODEL:98~04)

Opt:tiller handle (Опции: Румпель)

Opt:tiller handle (Опции: Румпель)

Optional (Опции)

Optional (Опции)




 
 

данный сайт носит информационный характер и не является публичной офертой

склад запчастей для водомоторной техники