вконтакте

Контактный телефон: +7 (981) 121-46-93, +7 (800) 200-90-76 , Email: parts-katalog@yandex.ru, где купить

 
 

  Логин:

Пароль:

Регистрация

www.partskatalog.ru Все каталоги Запчасти Mercury Запчасти Suzuki Запчасти Tohatsu Запчасти Honda Контакты



УВАЖАЕМЫЕ КЛИЕНТЫ!
C 19 ДЕКАБРЯ 2025 ПО 02 МАРТА 2026 ГОДА ОТДЕЛ ЗАПЧАСТЕЙ И СЕРВИС РАБОТАТЬ НЕ БУДУТ
ПРОДАЖА ЛОДОЧНЫХ МОТОРОВ В ШТАТНОМ РЕЖИМЕ
ОБ ИЗМЕНЕНИЯХ В ГРАФИКЕ РАБОТЫ ЧИТАЙТЕ НА САЙТА




запчастиsuzuki

Узнать наличие и цену запчасти:

Вернуться к началу выбора

Поиск модели по серийному номеру


РЕЖИМЫ ПРОСМОТРА

Все узлы и детали

Двигатель

Трансмиссия

Электрика

Внешние части

Тип двигателя: 4x - тактный

Модель двигателя: Suzuki DF90

Модификация Вашего двигателя:   Suzuki DF-90TL K1
Код модели двигателя: DF90TL/X
Год выпуска двигателя: 2001
Цвет: Shadow Black Metallic


Поиск запчастей по коду или названию


   Выберите раздел

найти расходники на лодочные моторы Suzuki

Начните вводить запрос

Cylinder head (Головка блока цилиндра)

Cylinder head (Головка блока цилиндра)

Cylinder block (Блок цилиндра)

Cylinder block (Блок цилиндра)

Ring gear cover (Крышка механизма маховика)

Ring gear cover (Крышка механизма маховика)

Crankshaft (Коленвал)

Crankshaft (Коленвал)

Timing chain (Распределяющая цепь)

Timing chain (Распределяющая цепь)

Camshaft (Распределительный вал)

Camshaft (Распределительный вал)

Intake manifold (Впускной коллектор)

Intake manifold (Впускной коллектор)

Silencer (Глушитель)

Silencer (Глушитель)

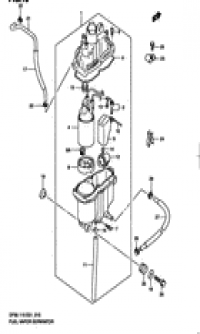
Fuel vapor separator (Отделитель паров топлива)

Fuel vapor separator (Отделитель паров топлива)
(DF90T

Fuel vapor separator (Отделитель паров топлива)

Fuel vapor separator (Отделитель паров топлива)
(DF115WT/WZ

Fuel injector (Топливный инжектор)

Fuel injector (Топливный инжектор)
NOTE : REFER TO FIG.12(C- 5) FOR DF90T:151862~

Fuel injector (Топливный инжектор)

Fuel injector (Топливный инжектор)
(DF90T:151862~

Fuel injector (Топливный инжектор)

Fuel injector (Топливный инжектор)
(DF115WT/WZ

Fuel pump (Топливный насос)

Fuel pump (Топливный насос)
(DF90T

Fuel pump (Топливный насос)

Fuel pump (Топливный насос)
(DF90T:680686~

Fuel pump (Топливный насос)

Fuel pump (Топливный насос)
(DF115WT); NOTE : REFER TO FIG.17(C-11) FOR DF115WT:681518~

Fuel pump (Топливный насос)

Fuel pump (Топливный насос)
(DF115WT:681518~

Water pump (Водяной насос)

Water pump (Водяной насос)
(DF90T

Water pump (Водяной насос)

Water pump (Водяной насос)
(DF115WT); NOTE : REFER TO FIG.20(D- 4) FOR DF90T:680686~

Water pump (Водяной насос)

Water pump (Водяной насос)
(*); NOTE : (*) : DF90T:680686~

Thermostat (Термостат)

Thermostat (Термостат)

Throttle body (Дроссель газа)

Throttle body (Дроссель газа)

Oil pump (Масляный насос)

Oil pump (Масляный насос)

Oil pan (Масляный поддон)

Oil pan (Масляный поддон)

Clutch shaft (Сцепление Вал)

Clutch shaft (Сцепление Вал)
NOTE : REFER TO FIG.26(E- 3) FOR DF90T:372278~

Clutch shaft (Сцепление Вал)

Clutch shaft (Сцепление Вал)
(DF90T:372278~

Clutch shaft (Сцепление Вал)

Clutch shaft (Сцепление Вал)
(*); NOTE : (*) : DF90T:680686~

Shift rod (Переключающая тяга)

Shift rod (Переключающая тяга)
(DF90T

Shift rod (Переключающая тяга)

Shift rod (Переключающая тяга)
(DF90T:680686~

Shift rod (Переключающая тяга)

Shift rod (Переключающая тяга)
(DF115Z)

Transmission (Трансмиссия)

Transmission (Трансмиссия)
(DF90T

Transmission (Трансмиссия)

Transmission (Трансмиссия)
(DF115Z)

Starting motor (Двигатель электростартера)

Starting motor (Двигатель электростартера)

Magneto (Магнето)

Magneto (Магнето)

Rectifier (Выпрямитель)

Rectifier (Выпрямитель)

Ignition coil (Катушка зажигания)

Ignition coil (Катушка зажигания)

Sensor (Датчик)

Sensor (Датчик)

Harness (Жгут проводов)

Harness (Жгут проводов)

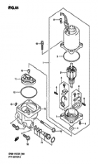
Ptt switch & engine control unit (Переключатель гидроподъёма & Блок управления двигателем)

Ptt switch & engine control unit (Переключатель гидроподъёма & Блок управления двигателем)
(MODEL:01~03); NOTE : REFER TO FIG.40(F-10) FOR MODEL:04~

Ptt switch & engine control unit (Переключатель гидроподъёма & Блок управления двигателем)

Ptt switch & engine control unit (Переключатель гидроподъёма & Блок управления двигателем)
(MODEL:04~)

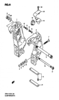
Clamp bracket (Кронштейн транца)

Clamp bracket (Кронштейн транца)

Swivel bracket (Поворотный кронштейн)

Swivel bracket (Поворотный кронштейн)

Trim cylinder (Цилиндр трима)

Trim cylinder (Цилиндр трима)

Ptt motor (Двигатель гидроподъёма)

Ptt motor (Двигатель гидроподъёма)

Engine holder (Основание двигателя)

Engine holder (Основание двигателя)
NOTE : REFER TO FIG.46(G-10) FOR DF90:680686~

Engine holder (Основание двигателя)

Engine holder (Основание двигателя)
(DF90:680686~

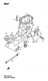
Drive shaft housing (Корпус вала передачи)

Drive shaft housing (Корпус вала передачи)

Gear case (Картер коробки передач)

Gear case (Картер коробки передач)
(DF90T

Gear case (Картер коробки передач)

Gear case (Картер коробки передач)
(DF115Z)

Side cover (Боковая крышка)

Side cover (Боковая крышка)

Engine cover (Крышка двигателя (капот))

Engine cover (Крышка двигателя (капот))
(MODEL:01

Engine cover (Крышка двигателя (капот))

Engine cover (Крышка двигателя (капот))
(MODEL:10~)

Engine cover (Крышка двигателя (капот))

Engine cover (Крышка двигателя (капот))
(MODEL:03~09); NOTE : REFER TO FIG.52A(H- 6) FOR MODEL:10~

Fuel tank (Топливный бак)

Fuel tank (Топливный бак)
(METAL)

Fuel tank (Топливный бак)

Fuel tank (Топливный бак)
(PLASTIC)

Remote control (Дистанционное управление)

Remote control (Дистанционное управление)
(MODEL:01~03); NOTE : REFER TO FIG.56(I- 5) FOR MODEL:04 REFER TO FIG.57(I- 8) FOR MODEL:05~

Remote control (Дистанционное управление)

Remote control (Дистанционное управление)
(MODEL:04); NOTE : REFER TO FIG.57(I- 8) FOR MODEL:05~

Remote control (Дистанционное управление)

Remote control (Дистанционное управление)
(MODEL:05~)

Drag link (Переключающая тяга)

Drag link (Переключающая тяга)

Opt:meter (Опции: приборы)

Opt:meter (Опции: приборы)
(MODEL:01~04); NOTE : REFER TO FIG.60(J- 3) FOR MODEL:05~

Opt:meter (Опции: приборы)

Opt:meter (Опции: приборы)
(MODEL:05~)

Opt:meter (Опции: приборы)

Opt:meter (Опции: приборы)
(MODEL:08~)

Opt:trim sender (Опции: Датчик трима)

Opt:trim sender (Опции: Датчик трима)

Opt:harness (Опции: жгут проводов)

Opt:harness (Опции: жгут проводов)

Opt:harness (Опции: жгут проводов)

Opt:harness (Опции: жгут проводов)
(MODEL:08~)

Opt:switch (Опции: переключатели)

Opt:switch (Опции: переключатели)
(MODEL:01~04); NOTE : REFER TO FIG.66(J- 9) FOR MODEL:05~

Opt:switch (Опции: переключатели)

Opt:switch (Опции: переключатели)
(MODEL:05~)

Opt : trim switch (Опции : Переключатель трима)

Opt : trim switch (Опции : Переключатель трима)
(MODEL:01~04)

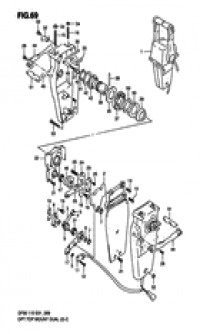
Opt:top mount dual (Опция: сдвоенное ДУ, монтаж сверху)

Opt:top mount dual (Опция: сдвоенное ДУ, монтаж сверху)
(1)

Opt:top mount dual (Опция: сдвоенное ДУ, монтаж сверху)

Opt:top mount dual (Опция: сдвоенное ДУ, монтаж сверху)
(2)

Opt:tiller handle (Опции: Румпель)

Opt:tiller handle (Опции: Румпель)
(MODEL:01~03); NOTE : REFER TO FIG.71(K- 5) FOR MODEL:04~

Opt:tiller handle (Опции: Румпель)

Opt:tiller handle (Опции: Румпель)
(MODEL:04~)

Opt:gasket set (Опции: комплект прокладок)

Opt:gasket set (Опции: комплект прокладок)




 
 

данный сайт носит информационный характер и не является публичной офертой

склад запчастей для водомоторной техники