вконтакте

Контактный телефон: +7 (981) 121-46-93, +7 (800) 200-90-76 , Email: parts-katalog@yandex.ru, где купить

 
 

  Логин:

Пароль:

Регистрация

www.partskatalog.ru Все каталоги Запчасти Mercury Запчасти Suzuki Запчасти Tohatsu Запчасти Honda Контакты



УВАЖАЕМЫЕ КЛИЕНТЫ!
C 31 ОКТЯБРЯ 2025 ПО 10 НОЯБРЯ 2025 ГОДА РАБОТАТЬ НЕ БУДЕМ




запчастиsuzuki

Узнать наличие и цену запчасти:

Вернуться к началу выбора

Поиск модели по серийному номеру


РЕЖИМЫ ПРОСМОТРА

Все узлы и детали

Тип двигателя: 4x - тактный

Модель двигателя: Suzuki DF90

Модификация Вашего двигателя:   Suzuki DF-90AT(80A) prd
Год выпуска двигателя: 2011


Поиск запчастей по коду или названию


   Выберите раздел

найти расходники на лодочные моторы Suzuki

Начните вводить запрос

Catalog preface (Каталог)

Catalog preface (Каталог)

Catalog preface (Каталог)

Catalog preface (Каталог)

Color chart (Таблица цветов)

Color chart (Таблица цветов)

Cylinder head (Головка блока цилиндра)

Cylinder head (Головка блока цилиндра)

Cylinder block (Блок цилиндра)

Cylinder block (Блок цилиндра)

Ring gear cover (Крышка механизма маховика)

Ring gear cover (Крышка механизма маховика)
Df70a e01

Ring gear cover (Крышка механизма маховика)

Ring gear cover (Крышка механизма маховика)
Df70a e40

Ring gear cover (Крышка механизма маховика)

Ring gear cover (Крышка механизма маховика)
Df70ath e01

Ring gear cover (Крышка механизма маховика)

Ring gear cover (Крышка механизма маховика)
Df70ath e40

Ring gear cover (Крышка механизма маховика)

Ring gear cover (Крышка механизма маховика)
Df80a e01

Ring gear cover (Крышка механизма маховика)

Ring gear cover (Крышка механизма маховика)
Df80a e40

Ring gear cover (Крышка механизма маховика)

Ring gear cover (Крышка механизма маховика)
Df90a e01

Ring gear cover (Крышка механизма маховика)

Ring gear cover (Крышка механизма маховика)
Df90a e40

Ring gear cover (Крышка механизма маховика)

Ring gear cover (Крышка механизма маховика)
Df90ath e01

Ring gear cover (Крышка механизма маховика)

Ring gear cover (Крышка механизма маховика)
Df90ath e40

Crankshaft (Коленвал)

Crankshaft (Коленвал)

Timing chain (Распределяющая цепь)

Timing chain (Распределяющая цепь)

Camshaft (Распределительный вал)

Camshaft (Распределительный вал)
Df70a e01

Camshaft (Распределительный вал)

Camshaft (Распределительный вал)
Df70a e40

Camshaft (Распределительный вал)

Camshaft (Распределительный вал)
Df70ath e01

Camshaft (Распределительный вал)

Camshaft (Распределительный вал)
Df70ath e40

Camshaft (Распределительный вал)

Camshaft (Распределительный вал)
Df80a e01

Camshaft (Распределительный вал)

Camshaft (Распределительный вал)
Df80a e40

Camshaft (Распределительный вал)

Camshaft (Распределительный вал)
Df90a e01

Camshaft (Распределительный вал)

Camshaft (Распределительный вал)
Df90a e40

Camshaft (Распределительный вал)

Camshaft (Распределительный вал)
Df90ath e01

Camshaft (Распределительный вал)

Camshaft (Распределительный вал)
Df90ath e40

Intake manifold (Впускной коллектор)

Intake manifold (Впускной коллектор)

Silencer (Глушитель)

Silencer (Глушитель)

Exhaust cover (Кожух выхлопной трубы)

Exhaust cover (Кожух выхлопной трубы)

Fuel vapor separator (Отделитель паров топлива)

Fuel vapor separator (Отделитель паров топлива)
Df70a e01

Fuel vapor separator (Отделитель паров топлива)

Fuel vapor separator (Отделитель паров топлива)
Df70a e40

Fuel vapor separator (Отделитель паров топлива)

Fuel vapor separator (Отделитель паров топлива)
Df70ath e01

Fuel vapor separator (Отделитель паров топлива)

Fuel vapor separator (Отделитель паров топлива)
Df70ath e40

Fuel vapor separator (Отделитель паров топлива)

Fuel vapor separator (Отделитель паров топлива)
Df80a e01

Fuel vapor separator (Отделитель паров топлива)

Fuel vapor separator (Отделитель паров топлива)
Df80a e40

Fuel vapor separator (Отделитель паров топлива)

Fuel vapor separator (Отделитель паров топлива)
Df90a e01

Fuel vapor separator (Отделитель паров топлива)

Fuel vapor separator (Отделитель паров топлива)
Df90a e40

Fuel vapor separator (Отделитель паров топлива)

Fuel vapor separator (Отделитель паров топлива)
Df90ath e01

Fuel vapor separator (Отделитель паров топлива)

Fuel vapor separator (Отделитель паров топлива)
Df90ath e40

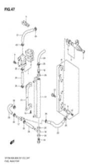
Fuel injector (Топливный инжектор)

Fuel injector (Топливный инжектор)
Df70a e01

Fuel injector (Топливный инжектор)

Fuel injector (Топливный инжектор)
Df70a e40

Fuel injector (Топливный инжектор)

Fuel injector (Топливный инжектор)
Df70ath e01

Fuel injector (Топливный инжектор)

Fuel injector (Топливный инжектор)
Df70ath e40

Fuel injector (Топливный инжектор)

Fuel injector (Топливный инжектор)
Df80a e01

Fuel injector (Топливный инжектор)

Fuel injector (Топливный инжектор)
Df80a e40

Fuel injector (Топливный инжектор)

Fuel injector (Топливный инжектор)
Df90a e01

Fuel injector (Топливный инжектор)

Fuel injector (Топливный инжектор)
Df90a e40

Fuel injector (Топливный инжектор)

Fuel injector (Топливный инжектор)
Df90ath e01

Fuel injector (Топливный инжектор)

Fuel injector (Топливный инжектор)
Df90ath e40

Fuel pump (Топливный насос)

Fuel pump (Топливный насос)

Water pump (Водяной насос)

Water pump (Водяной насос)
Df70a e01

Water pump (Водяной насос)

Water pump (Водяной насос)
Df70a e40

Water pump (Водяной насос)

Water pump (Водяной насос)
Df70ath e01

Water pump (Водяной насос)

Water pump (Водяной насос)
Df70ath e40

Water pump (Водяной насос)

Water pump (Водяной насос)
Df80a e01

Water pump (Водяной насос)

Water pump (Водяной насос)
Df80a e40

Water pump (Водяной насос)

Water pump (Водяной насос)
Df90a e01

Water pump (Водяной насос)

Water pump (Водяной насос)
Df90a e40

Water pump (Водяной насос)

Water pump (Водяной насос)
Df90ath e01

Water pump (Водяной насос)

Water pump (Водяной насос)
Df90ath e40

Thermostat (Термостат)

Thermostat (Термостат)

Throttle body (Дроссель газа)

Throttle body (Дроссель газа)
Df70a e01

Throttle body (Дроссель газа)

Throttle body (Дроссель газа)
Df70a e40

Throttle body (Дроссель газа)

Throttle body (Дроссель газа)
Df70ath e01

Throttle body (Дроссель газа)

Throttle body (Дроссель газа)
Df70ath e40

Throttle body (Дроссель газа)

Throttle body (Дроссель газа)
Df80a e01

Throttle body (Дроссель газа)

Throttle body (Дроссель газа)
Df80a e40

Throttle body (Дроссель газа)

Throttle body (Дроссель газа)
Df90a e01

Throttle body (Дроссель газа)

Throttle body (Дроссель газа)
Df90a e40

Throttle body (Дроссель газа)

Throttle body (Дроссель газа)
Df90ath e01

Throttle body (Дроссель газа)

Throttle body (Дроссель газа)
Df90ath e40

Oil pump (Масляный насос)

Oil pump (Масляный насос)

Oil pan (Масляный поддон)

Oil pan (Масляный поддон)

Clutch shaft (Сцепление Вал)

Clutch shaft (Сцепление Вал)

Clutch rod (Тяга сцепления)

Clutch rod (Тяга сцепления)

Transmission (Трансмиссия)

Transmission (Трансмиссия)

Starting motor (Двигатель электростартера)

Starting motor (Двигатель электростартера)

Magneto (Магнето)

Magneto (Магнето)

Rectifier / ignition coil (Выпрямитель / Катушка зажигания)

Rectifier / ignition coil (Выпрямитель / Катушка зажигания)

Sensor (Датчик)

Sensor (Датчик)

Harness (Жгут проводов)

Harness (Жгут проводов)
Df70a e01

Harness (Жгут проводов)

Harness (Жгут проводов)
Df70a e40

Harness (Жгут проводов)

Harness (Жгут проводов)
Df70ath e01

Harness (Жгут проводов)

Harness (Жгут проводов)
Df70ath e40

Harness (Жгут проводов)

Harness (Жгут проводов)
Df80a e01

Harness (Жгут проводов)

Harness (Жгут проводов)
Df80a e40

Harness (Жгут проводов)

Harness (Жгут проводов)
Df90a e01

Harness (Жгут проводов)

Harness (Жгут проводов)
Df90a e40

Harness (Жгут проводов)

Harness (Жгут проводов)
Df90ath e01

Harness (Жгут проводов)

Harness (Жгут проводов)
Df90ath e40

Ptt switch / engine control unit (Переключатель гидроподъёма / Блок управления двигателем)

Ptt switch / engine control unit (Переключатель гидроподъёма / Блок управления двигателем)
Df70a e01

Ptt switch / engine control unit (Переключатель гидроподъёма / Блок управления двигателем)

Ptt switch / engine control unit (Переключатель гидроподъёма / Блок управления двигателем)
Df70a e40

Ptt switch / engine control unit (Переключатель гидроподъёма / Блок управления двигателем)

Ptt switch / engine control unit (Переключатель гидроподъёма / Блок управления двигателем)
Df70ath e01

Ptt switch / engine control unit (Переключатель гидроподъёма / Блок управления двигателем)

Ptt switch / engine control unit (Переключатель гидроподъёма / Блок управления двигателем)
Df70ath e40

Ptt switch / engine control unit (Переключатель гидроподъёма / Блок управления двигателем)

Ptt switch / engine control unit (Переключатель гидроподъёма / Блок управления двигателем)
Df80a e01

Ptt switch / engine control unit (Переключатель гидроподъёма / Блок управления двигателем)

Ptt switch / engine control unit (Переключатель гидроподъёма / Блок управления двигателем)
Df80a e40

Ptt switch / engine control unit (Переключатель гидроподъёма / Блок управления двигателем)

Ptt switch / engine control unit (Переключатель гидроподъёма / Блок управления двигателем)
Df90a e01

Ptt switch / engine control unit (Переключатель гидроподъёма / Блок управления двигателем)

Ptt switch / engine control unit (Переключатель гидроподъёма / Блок управления двигателем)
Df90a e40

Ptt switch / engine control unit (Переключатель гидроподъёма / Блок управления двигателем)

Ptt switch / engine control unit (Переключатель гидроподъёма / Блок управления двигателем)
Df90ath e01

Ptt switch / engine control unit (Переключатель гидроподъёма / Блок управления двигателем)

Ptt switch / engine control unit (Переключатель гидроподъёма / Блок управления двигателем)
Df90ath e40

Clamp bracket (Кронштейн транца)

Clamp bracket (Кронштейн транца)

Swivel bracket (Поворотный кронштейн)

Swivel bracket (Поворотный кронштейн)
Df70a e01

Swivel bracket (Поворотный кронштейн)

Swivel bracket (Поворотный кронштейн)
Df70a e40

Swivel bracket (Поворотный кронштейн)

Swivel bracket (Поворотный кронштейн)
Df70ath e01

Swivel bracket (Поворотный кронштейн)

Swivel bracket (Поворотный кронштейн)
Df70ath e40

Swivel bracket (Поворотный кронштейн)

Swivel bracket (Поворотный кронштейн)
Df80a e01

Swivel bracket (Поворотный кронштейн)

Swivel bracket (Поворотный кронштейн)
Df80a e40

Swivel bracket (Поворотный кронштейн)

Swivel bracket (Поворотный кронштейн)
Df90a e01

Swivel bracket (Поворотный кронштейн)

Swivel bracket (Поворотный кронштейн)
Df90a e40

Swivel bracket (Поворотный кронштейн)

Swivel bracket (Поворотный кронштейн)
Df90ath e01

Swivel bracket (Поворотный кронштейн)

Swivel bracket (Поворотный кронштейн)
Df90ath e40

Trim cylinder (Цилиндр трима)

Trim cylinder (Цилиндр трима)

Ptt motor (Двигатель гидроподъёма)

Ptt motor (Двигатель гидроподъёма)

Engine holder (Основание двигателя)

Engine holder (Основание двигателя)

Drive shaft housing (Корпус вала передачи)

Drive shaft housing (Корпус вала передачи)

Gear case (Картер коробки передач)

Gear case (Картер коробки передач)

Side cover (Боковая крышка)

Side cover (Боковая крышка)

Engine cover (Крышка двигателя (капот))

Engine cover (Крышка двигателя (капот))
Df70a e01

Engine cover (Крышка двигателя (капот))

Engine cover (Крышка двигателя (капот))
Df70a e40

Engine cover (Крышка двигателя (капот))

Engine cover (Крышка двигателя (капот))
Df70ath e01

Engine cover (Крышка двигателя (капот))

Engine cover (Крышка двигателя (капот))
Df70ath e40

Engine cover (Крышка двигателя (капот))

Engine cover (Крышка двигателя (капот))
Df80a e01

Engine cover (Крышка двигателя (капот))

Engine cover (Крышка двигателя (капот))
Df80a e40

Engine cover (Крышка двигателя (капот))

Engine cover (Крышка двигателя (капот))
Df90a e01

Engine cover (Крышка двигателя (капот))

Engine cover (Крышка двигателя (капот))
Df90a e40

Engine cover (Крышка двигателя (капот))

Engine cover (Крышка двигателя (капот))
Df90ath e01

Engine cover (Крышка двигателя (капот))

Engine cover (Крышка двигателя (капот))
Df90ath e40

Tiller handle (Румпель)

Tiller handle (Румпель)
Df70ath e01

Tiller handle (Румпель)

Tiller handle (Румпель)
Df70ath e40

Tiller handle (Румпель)

Tiller handle (Румпель)
Df90ath e01

Tiller handle (Румпель)

Tiller handle (Румпель)
Df90ath e40

Fuel tank (Топливный бак)

Fuel tank (Топливный бак)
Plastic

Drag link (Переключающая тяга)

Drag link (Переключающая тяга)
Df70a e01

Drag link (Переключающая тяга)

Drag link (Переключающая тяга)
Df70a e40

Drag link (Переключающая тяга)

Drag link (Переключающая тяга)
Df70ath e01

Drag link (Переключающая тяга)

Drag link (Переключающая тяга)
Df70ath e40

Drag link (Переключающая тяга)

Drag link (Переключающая тяга)
Df80a e01

Drag link (Переключающая тяга)

Drag link (Переключающая тяга)
Df80a e40

Drag link (Переключающая тяга)

Drag link (Переключающая тяга)
Df90a e01

Drag link (Переключающая тяга)

Drag link (Переключающая тяга)
Df90a e40

Drag link (Переключающая тяга)

Drag link (Переключающая тяга)
Df90ath e01

Drag link (Переключающая тяга)

Drag link (Переключающая тяга)
Df90ath e40

Meter (Прибор)

Meter (Прибор)
Df70a e01

Meter (Прибор)

Meter (Прибор)
Df70a e40

Meter (Прибор)

Meter (Прибор)
Df80a e01

Meter (Прибор)

Meter (Прибор)
Df80a e40

Meter (Прибор)

Meter (Прибор)
Df90a e01

Meter (Прибор)

Meter (Прибор)
Df90a e40

Meter (Прибор)

Meter (Прибор)
Optional;

Meter (Прибор)

Meter (Прибор)
Optional; 2) (df70a e01

Meter (Прибор)

Meter (Прибор)
Optional; 2) (df70a e40

Meter (Прибор)

Meter (Прибор)
Optional; 2) (df70ath e01

Meter (Прибор)

Meter (Прибор)
Optional; 2) (df70ath e40

Meter (Прибор)

Meter (Прибор)
Optional; 2) (df80a e01

Meter (Прибор)

Meter (Прибор)
Optional; 2) (df80a e40

Meter (Прибор)

Meter (Прибор)
Optional; 2) (df90a e01

Meter (Прибор)

Meter (Прибор)
Optional; 2) (df90a e40

Meter (Прибор)

Meter (Прибор)
Optional; 2) (df90ath e01

Meter (Прибор)

Meter (Прибор)
Optional; 2) (df90ath e40

Water pressure gauge sub kit (Комплект прибора изменения давления воды)

Water pressure gauge sub kit (Комплект прибора изменения давления воды)
Optional; df70a e01

Water pressure gauge sub kit (Комплект прибора изменения давления воды)

Water pressure gauge sub kit (Комплект прибора изменения давления воды)
Optional; df70a e40

Water pressure gauge sub kit (Комплект прибора изменения давления воды)

Water pressure gauge sub kit (Комплект прибора изменения давления воды)
Optional; df70ath e01

Water pressure gauge sub kit (Комплект прибора изменения давления воды)

Water pressure gauge sub kit (Комплект прибора изменения давления воды)
Optional; df70ath e40

Water pressure gauge sub kit (Комплект прибора изменения давления воды)

Water pressure gauge sub kit (Комплект прибора изменения давления воды)
Optional; df80a e01

Water pressure gauge sub kit (Комплект прибора изменения давления воды)

Water pressure gauge sub kit (Комплект прибора изменения давления воды)
Optional; df80a e40

Water pressure gauge sub kit (Комплект прибора изменения давления воды)

Water pressure gauge sub kit (Комплект прибора изменения давления воды)
Optional; df90a e01

Water pressure gauge sub kit (Комплект прибора изменения давления воды)

Water pressure gauge sub kit (Комплект прибора изменения давления воды)
Optional; df90a e40

Water pressure gauge sub kit (Комплект прибора изменения давления воды)

Water pressure gauge sub kit (Комплект прибора изменения давления воды)
Optional; df90ath e01

Water pressure gauge sub kit (Комплект прибора изменения давления воды)

Water pressure gauge sub kit (Комплект прибора изменения давления воды)
Optional; df90ath e40

Remote control (Дистанционное управление)

Remote control (Дистанционное управление)
Optional;

Harness (Жгут проводов)

Harness (Жгут проводов)
Optional; df70a e01

Harness (Жгут проводов)

Harness (Жгут проводов)
Optional; df70a e40

Harness (Жгут проводов)

Harness (Жгут проводов)
Optional; df70ath e01

Harness (Жгут проводов)

Harness (Жгут проводов)
Optional; df70ath e40

Harness (Жгут проводов)

Harness (Жгут проводов)
Optional; df80a e01

Harness (Жгут проводов)

Harness (Жгут проводов)
Optional; df80a e40

Harness (Жгут проводов)

Harness (Жгут проводов)
Optional; df90a e01

Harness (Жгут проводов)

Harness (Жгут проводов)
Optional; df90a e40

Harness (Жгут проводов)

Harness (Жгут проводов)
Optional; df90ath e01

Harness (Жгут проводов)

Harness (Жгут проводов)
Optional; df90ath e40

Switch (Переключатель)

Switch (Переключатель)
Optional; df70a e01

Switch (Переключатель)

Switch (Переключатель)
Optional; df70a e40

Switch (Переключатель)

Switch (Переключатель)
Optional; df80a e01

Switch (Переключатель)

Switch (Переключатель)
Optional; df80a e40

Switch (Переключатель)

Switch (Переключатель)
Optional; df90a e01

Switch (Переключатель)

Switch (Переключатель)
Optional; df90a e40

Tiller handle (Румпель)

Tiller handle (Румпель)
Optional; df70a e01

Tiller handle (Румпель)

Tiller handle (Румпель)
Optional; df70a e40

Tiller handle (Румпель)

Tiller handle (Румпель)
Optional; df80a e01

Tiller handle (Румпель)

Tiller handle (Румпель)
Optional; df80a e40

Tiller handle (Румпель)

Tiller handle (Румпель)
Optional; df90a e01

Tiller handle (Румпель)

Tiller handle (Румпель)
Optional; df90a e40

Gasket set (Комплект прокладок)

Gasket set (Комплект прокладок)
Optional; df70a e01

Gasket set (Комплект прокладок)

Gasket set (Комплект прокладок)
Optional; df70a e40

Gasket set (Комплект прокладок)

Gasket set (Комплект прокладок)
Optional; df70ath e01

Gasket set (Комплект прокладок)

Gasket set (Комплект прокладок)
Optional; df70ath e40

Gasket set (Комплект прокладок)

Gasket set (Комплект прокладок)
Optional; df80a e01

Gasket set (Комплект прокладок)

Gasket set (Комплект прокладок)
Optional; df80a e40

Gasket set (Комплект прокладок)

Gasket set (Комплект прокладок)
Optional; df90a e01

Gasket set (Комплект прокладок)

Gasket set (Комплект прокладок)
Optional; df90a e40

Gasket set (Комплект прокладок)

Gasket set (Комплект прокладок)
Optional; df90ath e01

Gasket set (Комплект прокладок)

Gasket set (Комплект прокладок)
Optional; df90ath e40

Remote control spacer (Дистанционное управление Проставка)

Remote control spacer (Дистанционное управление Проставка)
Optional;




 
 

данный сайт носит информационный характер и не является публичной офертой

склад запчастей для водомоторной техники