вконтакте

Контактный телефон: +7 (981) 121-46-93, +7 (800) 200-90-76 , Email: parts-katalog@yandex.ru, где купить

 
 

  Логин:

Пароль:

Регистрация

www.partskatalog.ru Все каталоги Запчасти Mercury Запчасти Suzuki Запчасти Tohatsu Запчасти Honda Контакты



УВАЖАЕМЫЕ КЛИЕНТЫ!
C 19 ДЕКАБРЯ 2025 ПО 02 МАРТА 2026 ГОДА ОТДЕЛ ЗАПЧАСТЕЙ И СЕРВИС РАБОТАТЬ НЕ БУДУТ
ПРОДАЖА ЛОДОЧНЫХ МОТОРОВ В ШТАТНОМ РЕЖИМЕ
ОБ ИЗМЕНЕНИЯХ В ГРАФИКЕ РАБОТЫ ЧИТАЙТЕ НА САЙТА




запчастиsuzuki

Узнать наличие и цену запчасти:

Вернуться к началу выбора

Поиск модели по серийному номеру


РЕЖИМЫ ПРОСМОТРА

Все узлы и детали

Двигатель

Трансмиссия

Электрика

Внешние части

Тип двигателя: 4x - тактный

Модель двигателя: Suzuki DF90

Модификация Вашего двигателя:   Suzuki DF-90AT/DF-90ATH (E01,E40)
Двигатели с серийным номером после 09003F-210001
Код модели двигателя: DF90AT(H)L/X
Год выпуска двигателя: 2012
Регион: General Export No.1/Costa Rica ,Код региона: P01/P40
Цвет: Shadow Black Metallic


Поиск запчастей по коду или названию


   Выберите раздел

найти расходники на лодочные моторы Suzuki

Начните вводить запрос

Cylinder head (Головка блока цилиндра)

Cylinder head (Головка блока цилиндра)

Cylinder block (Блок цилиндра)

Cylinder block (Блок цилиндра)

Ring gear cover (Крышка механизма маховика)

Ring gear cover (Крышка механизма маховика)
(DF70A E01)

Ring gear cover (Крышка механизма маховика)

Ring gear cover (Крышка механизма маховика)
(DF70A E40)

Ring gear cover (Крышка механизма маховика)

Ring gear cover (Крышка механизма маховика)
(DF70ATH E01)

Ring gear cover (Крышка механизма маховика)

Ring gear cover (Крышка механизма маховика)
(DF70ATH E40)

Ring gear cover (Крышка механизма маховика)

Ring gear cover (Крышка механизма маховика)
(DF80A E01)

Ring gear cover (Крышка механизма маховика)

Ring gear cover (Крышка механизма маховика)
(DF80A E40)

Ring gear cover (Крышка механизма маховика)

Ring gear cover (Крышка механизма маховика)
(DF90A E01)

Ring gear cover (Крышка механизма маховика)

Ring gear cover (Крышка механизма маховика)
(DF90A E40)

Ring gear cover (Крышка механизма маховика)

Ring gear cover (Крышка механизма маховика)
(DF90ATH E01)

Ring gear cover (Крышка механизма маховика)

Ring gear cover (Крышка механизма маховика)
(DF90ATH E40)

Crankshaft (Коленвал)

Crankshaft (Коленвал)

Timing chain (Распределяющая цепь)

Timing chain (Распределяющая цепь)

Camshaft (Распределительный вал)

Camshaft (Распределительный вал)
(DF70A E01)

Camshaft (Распределительный вал)

Camshaft (Распределительный вал)
(DF70A E40)

Camshaft (Распределительный вал)

Camshaft (Распределительный вал)
(DF70ATH E01)

Camshaft (Распределительный вал)

Camshaft (Распределительный вал)
(DF70ATH E40)

Camshaft (Распределительный вал)

Camshaft (Распределительный вал)
(DF80A E01)

Camshaft (Распределительный вал)

Camshaft (Распределительный вал)
(DF80A E40)

Camshaft (Распределительный вал)

Camshaft (Распределительный вал)
(DF90A E01)

Camshaft (Распределительный вал)

Camshaft (Распределительный вал)
(DF90A E40)

Camshaft (Распределительный вал)

Camshaft (Распределительный вал)
(DF90ATH E01)

Camshaft (Распределительный вал)

Camshaft (Распределительный вал)
(DF90ATH E40)

Intake manifold (Впускной коллектор)

Intake manifold (Впускной коллектор)

Silencer (Глушитель)

Silencer (Глушитель)

Exhaust cover (Кожух выхлопной трубы)

Exhaust cover (Кожух выхлопной трубы)

Fuel vapor separator (Отделитель паров топлива)

Fuel vapor separator (Отделитель паров топлива)
(DF70A E01)

Fuel vapor separator (Отделитель паров топлива)

Fuel vapor separator (Отделитель паров топлива)
(DF70A E40)

Fuel vapor separator (Отделитель паров топлива)

Fuel vapor separator (Отделитель паров топлива)
(DF70ATH E01)

Fuel vapor separator (Отделитель паров топлива)

Fuel vapor separator (Отделитель паров топлива)
(DF70ATH E40)

Fuel vapor separator (Отделитель паров топлива)

Fuel vapor separator (Отделитель паров топлива)
(DF80A E01)

Fuel vapor separator (Отделитель паров топлива)

Fuel vapor separator (Отделитель паров топлива)
(DF80A E40)

Fuel vapor separator (Отделитель паров топлива)

Fuel vapor separator (Отделитель паров топлива)
(DF90A E01)

Fuel vapor separator (Отделитель паров топлива)

Fuel vapor separator (Отделитель паров топлива)
(DF90A E40)

Fuel vapor separator (Отделитель паров топлива)

Fuel vapor separator (Отделитель паров топлива)
(DF90ATH E01)

Fuel vapor separator (Отделитель паров топлива)

Fuel vapor separator (Отделитель паров топлива)
(DF90ATH E40)

Fuel injector (Топливный инжектор)

Fuel injector (Топливный инжектор)
(DF70A E01)

Fuel injector (Топливный инжектор)

Fuel injector (Топливный инжектор)
(DF70A E40)

Fuel injector (Топливный инжектор)

Fuel injector (Топливный инжектор)
(DF70ATH E01)

Fuel injector (Топливный инжектор)

Fuel injector (Топливный инжектор)
(DF70ATH E40)

Fuel injector (Топливный инжектор)

Fuel injector (Топливный инжектор)
(DF80A E01)

Fuel injector (Топливный инжектор)

Fuel injector (Топливный инжектор)
(DF80A E40)

Fuel injector (Топливный инжектор)

Fuel injector (Топливный инжектор)
(DF90A E01)

Fuel injector (Топливный инжектор)

Fuel injector (Топливный инжектор)
(DF90A E40)

Fuel injector (Топливный инжектор)

Fuel injector (Топливный инжектор)
(DF90ATH E01)

Fuel injector (Топливный инжектор)

Fuel injector (Топливный инжектор)
(DF90ATH E40)

Fuel pump (Топливный насос)

Fuel pump (Топливный насос)

Water pump (Водяной насос)

Water pump (Водяной насос)
(DF70A E01)

Water pump (Водяной насос)

Water pump (Водяной насос)
(DF70A E40)

Water pump (Водяной насос)

Water pump (Водяной насос)
(DF70ATH E01)

Water pump (Водяной насос)

Water pump (Водяной насос)
(DF70ATH E40)

Water pump (Водяной насос)

Water pump (Водяной насос)
(DF80A E01)

Water pump (Водяной насос)

Water pump (Водяной насос)
(DF80A E40)

Water pump (Водяной насос)

Water pump (Водяной насос)
(DF90A E01)

Water pump (Водяной насос)

Water pump (Водяной насос)
(DF90A E40)

Water pump (Водяной насос)

Water pump (Водяной насос)
(DF90ATH E01)

Water pump (Водяной насос)

Water pump (Водяной насос)
(DF90ATH E40)

Thermostat (Термостат)

Thermostat (Термостат)

Throttle body (Дроссель газа)

Throttle body (Дроссель газа)
(DF70A E01)

Throttle body (Дроссель газа)

Throttle body (Дроссель газа)
(DF70A E40)

Throttle body (Дроссель газа)

Throttle body (Дроссель газа)
(DF70ATH E01)

Throttle body (Дроссель газа)

Throttle body (Дроссель газа)
(DF70ATH E40)

Throttle body (Дроссель газа)

Throttle body (Дроссель газа)
(DF80A E01)

Throttle body (Дроссель газа)

Throttle body (Дроссель газа)
(DF80A E40)

Throttle body (Дроссель газа)

Throttle body (Дроссель газа)
(DF90A E01)

Throttle body (Дроссель газа)

Throttle body (Дроссель газа)
(DF90A E40)

Throttle body (Дроссель газа)

Throttle body (Дроссель газа)
(DF90ATH E01)

Throttle body (Дроссель газа)

Throttle body (Дроссель газа)
(DF90ATH E40)

Oil pump (Масляный насос)

Oil pump (Масляный насос)

Oil pan (Масляный поддон)

Oil pan (Масляный поддон)

Clutch shaft (Сцепление Вал)

Clutch shaft (Сцепление Вал)

Clutch rod (Тяга сцепления)

Clutch rod (Тяга сцепления)

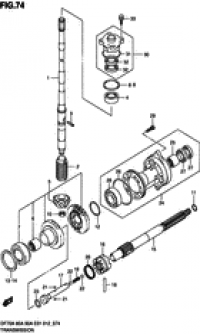
Transmission (Трансмиссия)

Transmission (Трансмиссия)

Starting motor (Двигатель электростартера)

Starting motor (Двигатель электростартера)

Magneto (Магнето)

Magneto (Магнето)

Rectifier / ignition coil (Выпрямитель / Катушка зажигания)

Rectifier / ignition coil (Выпрямитель / Катушка зажигания)

Sensor (Датчик)

Sensor (Датчик)

Harness (Жгут проводов)

Harness (Жгут проводов)
(DF70A E01)

Harness (Жгут проводов)

Harness (Жгут проводов)
(DF70A E40)

Harness (Жгут проводов)

Harness (Жгут проводов)
(DF70ATH E01)

Harness (Жгут проводов)

Harness (Жгут проводов)
(DF70ATH E40)

Harness (Жгут проводов)

Harness (Жгут проводов)
(DF80A E01)

Harness (Жгут проводов)

Harness (Жгут проводов)
(DF80A E40)

Harness (Жгут проводов)

Harness (Жгут проводов)
(DF90A E01)

Harness (Жгут проводов)

Harness (Жгут проводов)
(DF90A E40)

Harness (Жгут проводов)

Harness (Жгут проводов)
(DF90ATH E01)

Harness (Жгут проводов)

Harness (Жгут проводов)
(DF90ATH E40)

Ptt switch / engine control unit (Переключатель гидроподъёма / Блок управления двигателем)

Ptt switch / engine control unit (Переключатель гидроподъёма / Блок управления двигателем)
(DF70A E01)

Ptt switch / engine control unit (Переключатель гидроподъёма / Блок управления двигателем)

Ptt switch / engine control unit (Переключатель гидроподъёма / Блок управления двигателем)
(DF70A E40)

Ptt switch / engine control unit (Переключатель гидроподъёма / Блок управления двигателем)

Ptt switch / engine control unit (Переключатель гидроподъёма / Блок управления двигателем)
(DF70ATH E01)

Ptt switch / engine control unit (Переключатель гидроподъёма / Блок управления двигателем)

Ptt switch / engine control unit (Переключатель гидроподъёма / Блок управления двигателем)
(DF70ATH E40)

Ptt switch / engine control unit (Переключатель гидроподъёма / Блок управления двигателем)

Ptt switch / engine control unit (Переключатель гидроподъёма / Блок управления двигателем)
(DF80A E01)

Ptt switch / engine control unit (Переключатель гидроподъёма / Блок управления двигателем)

Ptt switch / engine control unit (Переключатель гидроподъёма / Блок управления двигателем)
(DF80A E40)

Ptt switch / engine control unit (Переключатель гидроподъёма / Блок управления двигателем)

Ptt switch / engine control unit (Переключатель гидроподъёма / Блок управления двигателем)
(DF90A E01)

Ptt switch / engine control unit (Переключатель гидроподъёма / Блок управления двигателем)

Ptt switch / engine control unit (Переключатель гидроподъёма / Блок управления двигателем)
(DF90A E40)

Ptt switch / engine control unit (Переключатель гидроподъёма / Блок управления двигателем)

Ptt switch / engine control unit (Переключатель гидроподъёма / Блок управления двигателем)
(DF90ATH E01)

Ptt switch / engine control unit (Переключатель гидроподъёма / Блок управления двигателем)

Ptt switch / engine control unit (Переключатель гидроподъёма / Блок управления двигателем)
(DF90ATH E40)

Clamp bracket (Кронштейн транца)

Clamp bracket (Кронштейн транца)

Swivel bracket (Поворотный кронштейн)

Swivel bracket (Поворотный кронштейн)
(DF70A E01)

Swivel bracket (Поворотный кронштейн)

Swivel bracket (Поворотный кронштейн)
(DF70A E40)

Swivel bracket (Поворотный кронштейн)

Swivel bracket (Поворотный кронштейн)
(DF70ATH E01)

Swivel bracket (Поворотный кронштейн)

Swivel bracket (Поворотный кронштейн)
(DF70ATH E40)

Swivel bracket (Поворотный кронштейн)

Swivel bracket (Поворотный кронштейн)
(DF80A E01)

Swivel bracket (Поворотный кронштейн)

Swivel bracket (Поворотный кронштейн)
(DF80A E40)

Swivel bracket (Поворотный кронштейн)

Swivel bracket (Поворотный кронштейн)
(DF90A E01)

Swivel bracket (Поворотный кронштейн)

Swivel bracket (Поворотный кронштейн)
(DF90A E40)

Swivel bracket (Поворотный кронштейн)

Swivel bracket (Поворотный кронштейн)
(DF90ATH E01)

Swivel bracket (Поворотный кронштейн)

Swivel bracket (Поворотный кронштейн)
(DF90ATH E40)

Trim cylinder (Цилиндр трима)

Trim cylinder (Цилиндр трима)

Ptt motor (Двигатель гидроподъёма)

Ptt motor (Двигатель гидроподъёма)

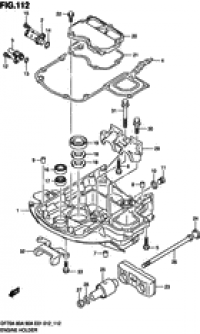
Engine holder (Основание двигателя)

Engine holder (Основание двигателя)

Drive shaft housing (Корпус вала передачи)

Drive shaft housing (Корпус вала передачи)

Gear case (Картер коробки передач)

Gear case (Картер коробки передач)

Side cover (Боковая крышка)

Side cover (Боковая крышка)

Engine cover (Крышка двигателя (капот))

Engine cover (Крышка двигателя (капот))
(DF70A E01)

Engine cover (Крышка двигателя (капот))

Engine cover (Крышка двигателя (капот))
(DF70A E40)

Engine cover (Крышка двигателя (капот))

Engine cover (Крышка двигателя (капот))
(DF70ATH E01)

Engine cover (Крышка двигателя (капот))

Engine cover (Крышка двигателя (капот))
(DF70ATH E40)

Engine cover (Крышка двигателя (капот))

Engine cover (Крышка двигателя (капот))
(DF80A E01)

Engine cover (Крышка двигателя (капот))

Engine cover (Крышка двигателя (капот))
(DF80A E40)

Engine cover (Крышка двигателя (капот))

Engine cover (Крышка двигателя (капот))
(DF90A E01)

Engine cover (Крышка двигателя (капот))

Engine cover (Крышка двигателя (капот))
(DF90A E40)

Engine cover (Крышка двигателя (капот))

Engine cover (Крышка двигателя (капот))
(DF90ATH E01)

Engine cover (Крышка двигателя (капот))

Engine cover (Крышка двигателя (капот))
(DF90ATH E40)

Tiller handle (Румпель)

Tiller handle (Румпель)
(DF70ATH E01)

Tiller handle (Румпель)

Tiller handle (Румпель)
(DF70ATH E40)

Tiller handle (Румпель)

Tiller handle (Румпель)
(DF90ATH E01)

Tiller handle (Румпель)

Tiller handle (Румпель)
(DF90ATH E40)

Fuel tank (Топливный бак)

Fuel tank (Топливный бак)
(PLASTIC)

Drag link (Переключающая тяга)

Drag link (Переключающая тяга)
(DF70A E01)

Drag link (Переключающая тяга)

Drag link (Переключающая тяга)
(DF70A E40)

Drag link (Переключающая тяга)

Drag link (Переключающая тяга)
(DF70ATH E01)

Drag link (Переключающая тяга)

Drag link (Переключающая тяга)
(DF70ATH E40)

Drag link (Переключающая тяга)

Drag link (Переключающая тяга)
(DF80A E01)

Drag link (Переключающая тяга)

Drag link (Переключающая тяга)
(DF80A E40)

Drag link (Переключающая тяга)

Drag link (Переключающая тяга)
(DF90A E01)

Drag link (Переключающая тяга)

Drag link (Переключающая тяга)
(DF90A E40)

Drag link (Переключающая тяга)

Drag link (Переключающая тяга)
(DF90ATH E01)

Drag link (Переключающая тяга)

Drag link (Переключающая тяга)
(DF90ATH E40)

Meter (Прибор)

Meter (Прибор)
(DF70A E01)

Meter (Прибор)

Meter (Прибор)
(DF70A E40)

Meter (Прибор)

Meter (Прибор)
(DF80A E01)

Meter (Прибор)

Meter (Прибор)
(DF80A E40)

Meter (Прибор)

Meter (Прибор)
(DF90A E01)

Meter (Прибор)

Meter (Прибор)
(DF90A E40)

Opt:meter (Опции: приборы)

Opt:meter (Опции: приборы)
(1)

Opt:meter (Опции: приборы)

Opt:meter (Опции: приборы)
(2) (DF70A E01)

Opt:meter (Опции: приборы)

Opt:meter (Опции: приборы)
(2) (DF70A E40)

Opt:meter (Опции: приборы)

Opt:meter (Опции: приборы)
(2) (DF70ATH E01)

Opt:meter (Опции: приборы)

Opt:meter (Опции: приборы)
(2) (DF70ATH E40)

Opt:meter (Опции: приборы)

Opt:meter (Опции: приборы)
(2) (DF80A E01)

Opt:meter (Опции: приборы)

Opt:meter (Опции: приборы)
(2) (DF80A E40)

Opt:meter (Опции: приборы)

Opt:meter (Опции: приборы)
(2) (DF90A E01)

Opt:meter (Опции: приборы)

Opt:meter (Опции: приборы)
(2) (DF90A E40)

Opt:meter (Опции: приборы)

Opt:meter (Опции: приборы)
(2) (DF90ATH E01)

Opt:meter (Опции: приборы)

Opt:meter (Опции: приборы)
(2) (DF90ATH E40)

Opt:water pressure gauge sub kit (Опции: Комплект прибора изменения давления воды)

Opt:water pressure gauge sub kit (Опции: Комплект прибора изменения давления воды)
(DF70A E01)

Opt:water pressure gauge sub kit (Опции: Комплект прибора изменения давления воды)

Opt:water pressure gauge sub kit (Опции: Комплект прибора изменения давления воды)
(DF70A E40)

Opt:water pressure gauge sub kit (Опции: Комплект прибора изменения давления воды)

Opt:water pressure gauge sub kit (Опции: Комплект прибора изменения давления воды)
(DF70ATH E01)

Opt:water pressure gauge sub kit (Опции: Комплект прибора изменения давления воды)

Opt:water pressure gauge sub kit (Опции: Комплект прибора изменения давления воды)
(DF70ATH E40)

Opt:water pressure gauge sub kit (Опции: Комплект прибора изменения давления воды)

Opt:water pressure gauge sub kit (Опции: Комплект прибора изменения давления воды)
(DF80A E01)

Opt:water pressure gauge sub kit (Опции: Комплект прибора изменения давления воды)

Opt:water pressure gauge sub kit (Опции: Комплект прибора изменения давления воды)
(DF80A E40)

Opt:water pressure gauge sub kit (Опции: Комплект прибора изменения давления воды)

Opt:water pressure gauge sub kit (Опции: Комплект прибора изменения давления воды)
(DF90A E01)

Opt:water pressure gauge sub kit (Опции: Комплект прибора изменения давления воды)

Opt:water pressure gauge sub kit (Опции: Комплект прибора изменения давления воды)
(DF90A E40)

Opt:water pressure gauge sub kit (Опции: Комплект прибора изменения давления воды)

Opt:water pressure gauge sub kit (Опции: Комплект прибора изменения давления воды)
(DF90ATH E01)

Opt:water pressure gauge sub kit (Опции: Комплект прибора изменения давления воды)

Opt:water pressure gauge sub kit (Опции: Комплект прибора изменения давления воды)
(DF90ATH E40)

Opt:remote control (Опции: дистанционное управление)

Opt:remote control (Опции: дистанционное управление)

Opt:harness (Опции: жгут проводов)

Opt:harness (Опции: жгут проводов)
(DF70A E01)

Opt:harness (Опции: жгут проводов)

Opt:harness (Опции: жгут проводов)
(DF70A E40)

Opt:harness (Опции: жгут проводов)

Opt:harness (Опции: жгут проводов)
(DF70ATH E01)

Opt:harness (Опции: жгут проводов)

Opt:harness (Опции: жгут проводов)
(DF70ATH E40)

Opt:harness (Опции: жгут проводов)

Opt:harness (Опции: жгут проводов)
(DF80A E01)

Opt:harness (Опции: жгут проводов)

Opt:harness (Опции: жгут проводов)
(DF80A E40)

Opt:harness (Опции: жгут проводов)

Opt:harness (Опции: жгут проводов)
(DF90A E01)

Opt:harness (Опции: жгут проводов)

Opt:harness (Опции: жгут проводов)
(DF90A E40)

Opt:harness (Опции: жгут проводов)

Opt:harness (Опции: жгут проводов)
(DF90ATH E01)

Opt:harness (Опции: жгут проводов)

Opt:harness (Опции: жгут проводов)
(DF90ATH E40)

Opt:switch (Опции: переключатели)

Opt:switch (Опции: переключатели)
(DF70A E01)

Opt:switch (Опции: переключатели)

Opt:switch (Опции: переключатели)
(DF70A E40)

Opt:switch (Опции: переключатели)

Opt:switch (Опции: переключатели)
(DF80A E01)

Opt:switch (Опции: переключатели)

Opt:switch (Опции: переключатели)
(DF80A E40)

Opt:switch (Опции: переключатели)

Opt:switch (Опции: переключатели)
(DF90A E01)

Opt:switch (Опции: переключатели)

Opt:switch (Опции: переключатели)
(DF90A E40)

Opt:tiller handle (Опции: Румпель)

Opt:tiller handle (Опции: Румпель)
(DF70A E01)

Opt:tiller handle (Опции: Румпель)

Opt:tiller handle (Опции: Румпель)
(DF70A E40)

Opt:tiller handle (Опции: Румпель)

Opt:tiller handle (Опции: Румпель)
(DF80A E01)

Opt:tiller handle (Опции: Румпель)

Opt:tiller handle (Опции: Румпель)
(DF80A E40)

Opt:tiller handle (Опции: Румпель)

Opt:tiller handle (Опции: Румпель)
(DF90A E01)

Opt:tiller handle (Опции: Румпель)

Opt:tiller handle (Опции: Румпель)
(DF90A E40)

Opt:gasket set (Опции: комплект прокладок)

Opt:gasket set (Опции: комплект прокладок)
(DF70A E01)

Opt:gasket set (Опции: комплект прокладок)

Opt:gasket set (Опции: комплект прокладок)
(DF70A E40)

Opt:gasket set (Опции: комплект прокладок)

Opt:gasket set (Опции: комплект прокладок)
(DF70ATH E01)

Opt:gasket set (Опции: комплект прокладок)

Opt:gasket set (Опции: комплект прокладок)
(DF70ATH E40)

Opt:gasket set (Опции: комплект прокладок)

Opt:gasket set (Опции: комплект прокладок)
(DF80A E01)

Opt:gasket set (Опции: комплект прокладок)

Opt:gasket set (Опции: комплект прокладок)
(DF80A E40)

Opt:gasket set (Опции: комплект прокладок)

Opt:gasket set (Опции: комплект прокладок)
(DF90A E01)

Opt:gasket set (Опции: комплект прокладок)

Opt:gasket set (Опции: комплект прокладок)
(DF90A E40)

Opt:gasket set (Опции: комплект прокладок)

Opt:gasket set (Опции: комплект прокладок)
(DF90ATH E01)

Opt:gasket set (Опции: комплект прокладок)

Opt:gasket set (Опции: комплект прокладок)
(DF90ATH E40)

Opt:remote control spacer (Опции: дистанционное управление Проставка)

Opt:remote control spacer (Опции: дистанционное управление Проставка)




 
 

данный сайт носит информационный характер и не является публичной офертой

склад запчастей для водомоторной техники