вконтакте

Контактный телефон: +7 (981) 121-46-93, +7 (800) 200-90-76 , Email: parts-katalog@yandex.ru, где купить

 
 

  Логин:

Пароль:

Регистрация

www.partskatalog.ru Все каталоги Запчасти Mercury Запчасти Suzuki Запчасти Tohatsu Запчасти Honda Контакты



УВАЖАЕМЫЕ КЛИЕНТЫ!
C 19 ДЕКАБРЯ 2025 ПО 02 МАРТА 2026 ГОДА ОТДЕЛ ЗАПЧАСТЕЙ И СЕРВИС РАБОТАТЬ НЕ БУДУТ
ПРОДАЖА ЛОДОЧНЫХ МОТОРОВ В ШТАТНОМ РЕЖИМЕ
ОБ ИЗМЕНЕНИЯХ В ГРАФИКЕ РАБОТЫ ЧИТАЙТЕ НА САЙТА




запчастиsuzuki

Узнать наличие и цену запчасти:

Вернуться к началу выбора

Поиск модели по серийному номеру


РЕЖИМЫ ПРОСМОТРА

Все узлы и детали

Двигатель

Трансмиссия

Электрика

Внешние части

Тип двигателя: 4x - тактный

Модель двигателя: Suzuki DF115

Модификация Вашего двигателя:   Suzuki DF-115AT
Двигатели с серийным номером после 11503F-410001
Код модели двигателя: DF115A(Z)TL/X;
Год выпуска двигателя: 2014
Цвет: Shadow Black Metallic


Поиск запчастей по коду или названию


   Выберите раздел

найти расходники на лодочные моторы Suzuki

Начните вводить запрос

Cylinder head (Головка блока цилиндра)

Cylinder head (Головка блока цилиндра)

Cylinder block (Блок цилиндра)

Cylinder block (Блок цилиндра)

Ring gear cover (Крышка механизма маховика)

Ring gear cover (Крышка механизма маховика)
(DF100AT E01)

Ring gear cover (Крышка механизма маховика)

Ring gear cover (Крышка механизма маховика)
(DF100AT E40)

Ring gear cover (Крышка механизма маховика)

Ring gear cover (Крышка механизма маховика)
(DF115AT E01)

Ring gear cover (Крышка механизма маховика)

Ring gear cover (Крышка механизма маховика)
(DF115AT E40)

Ring gear cover (Крышка механизма маховика)

Ring gear cover (Крышка механизма маховика)
(DF115AZ E01)

Ring gear cover (Крышка механизма маховика)

Ring gear cover (Крышка механизма маховика)
(DF115AZ E40)

Ring gear cover (Крышка механизма маховика)

Ring gear cover (Крышка механизма маховика)
(DF140AT E01)

Ring gear cover (Крышка механизма маховика)

Ring gear cover (Крышка механизма маховика)
(DF140AT E40)

Ring gear cover (Крышка механизма маховика)

Ring gear cover (Крышка механизма маховика)
(DF140AZ E01)

Ring gear cover (Крышка механизма маховика)

Ring gear cover (Крышка механизма маховика)
(DF140AZ E40)

Crankshaft (Коленвал)

Crankshaft (Коленвал)

Timing chain (Распределяющая цепь)

Timing chain (Распределяющая цепь)

Camshaft (Распределительный вал)

Camshaft (Распределительный вал)
(DF100AT E01)

Camshaft (Распределительный вал)

Camshaft (Распределительный вал)
(DF100AT E40)

Camshaft (Распределительный вал)

Camshaft (Распределительный вал)
(DF115AT E01)

Camshaft (Распределительный вал)

Camshaft (Распределительный вал)
(DF115AT E40)

Camshaft (Распределительный вал)

Camshaft (Распределительный вал)
(DF115AZ E01)

Camshaft (Распределительный вал)

Camshaft (Распределительный вал)
(DF115AZ E40)

Camshaft (Распределительный вал)

Camshaft (Распределительный вал)
(DF140AT E01)

Camshaft (Распределительный вал)

Camshaft (Распределительный вал)
(DF140AT E40)

Camshaft (Распределительный вал)

Camshaft (Распределительный вал)
(DF140AZ E01)

Camshaft (Распределительный вал)

Camshaft (Распределительный вал)
(DF140AZ E40)

Intake manifold (Впускной коллектор)

Intake manifold (Впускной коллектор)

Silencer (Глушитель)

Silencer (Глушитель)
(DF100AT E01)

Silencer (Глушитель)

Silencer (Глушитель)
(DF100AT E40)

Silencer (Глушитель)

Silencer (Глушитель)
(DF115AT E01)

Silencer (Глушитель)

Silencer (Глушитель)
(DF115AT E40)

Silencer (Глушитель)

Silencer (Глушитель)
(DF115AZ E01)

Silencer (Глушитель)

Silencer (Глушитель)
(DF115AZ E40)

Silencer (Глушитель)

Silencer (Глушитель)
(DF140AT E01)

Silencer (Глушитель)

Silencer (Глушитель)
(DF140AT E40)

Silencer (Глушитель)

Silencer (Глушитель)
(DF140AZ E01)

Silencer (Глушитель)

Silencer (Глушитель)
(DF140AZ E40)

Fuel vapor separator (Отделитель паров топлива)

Fuel vapor separator (Отделитель паров топлива)
(DF100AT E01)

Fuel vapor separator (Отделитель паров топлива)

Fuel vapor separator (Отделитель паров топлива)
(DF100AT E40)

Fuel vapor separator (Отделитель паров топлива)

Fuel vapor separator (Отделитель паров топлива)
(DF115AT E01)

Fuel vapor separator (Отделитель паров топлива)

Fuel vapor separator (Отделитель паров топлива)
(DF115AT E40)

Fuel vapor separator (Отделитель паров топлива)

Fuel vapor separator (Отделитель паров топлива)
(DF115AZ E01)

Fuel vapor separator (Отделитель паров топлива)

Fuel vapor separator (Отделитель паров топлива)
(DF115AZ E40)

Fuel vapor separator (Отделитель паров топлива)

Fuel vapor separator (Отделитель паров топлива)
(DF140AT E01)

Fuel vapor separator (Отделитель паров топлива)

Fuel vapor separator (Отделитель паров топлива)
(DF140AT E40)

Fuel vapor separator (Отделитель паров топлива)

Fuel vapor separator (Отделитель паров топлива)
(DF140AZ E01)

Fuel vapor separator (Отделитель паров топлива)

Fuel vapor separator (Отделитель паров топлива)
(DF140AZ E40)

Fuel injector (Топливный инжектор)

Fuel injector (Топливный инжектор)
(DF100AT E01)

Fuel injector (Топливный инжектор)

Fuel injector (Топливный инжектор)
(DF100AT E40)

Fuel injector (Топливный инжектор)

Fuel injector (Топливный инжектор)
(DF115AT E01)

Fuel injector (Топливный инжектор)

Fuel injector (Топливный инжектор)
(DF115AT E40)

Fuel injector (Топливный инжектор)

Fuel injector (Топливный инжектор)
(DF115AZ E01)

Fuel injector (Топливный инжектор)

Fuel injector (Топливный инжектор)
(DF115AZ E40)

Fuel injector (Топливный инжектор)

Fuel injector (Топливный инжектор)
(DF140AT E01)

Fuel injector (Топливный инжектор)

Fuel injector (Топливный инжектор)
(DF140AT E40)

Fuel injector (Топливный инжектор)

Fuel injector (Топливный инжектор)
(DF140AZ E01)

Fuel injector (Топливный инжектор)

Fuel injector (Топливный инжектор)
(DF140AZ E40)

Fuel pump (Топливный насос)

Fuel pump (Топливный насос)

Water pump (Водяной насос)

Water pump (Водяной насос)
(DF100AT E01)

Water pump (Водяной насос)

Water pump (Водяной насос)
(DF100AT E40)

Water pump (Водяной насос)

Water pump (Водяной насос)
(DF115AT E01)

Water pump (Водяной насос)

Water pump (Водяной насос)
(DF115AT E40)

Water pump (Водяной насос)

Water pump (Водяной насос)
(DF115AZ E01)

Water pump (Водяной насос)

Water pump (Водяной насос)
(DF115AZ E40)

Water pump (Водяной насос)

Water pump (Водяной насос)
(DF140AT E01)

Water pump (Водяной насос)

Water pump (Водяной насос)
(DF140AT E40)

Water pump (Водяной насос)

Water pump (Водяной насос)
(DF140AZ E01)

Water pump (Водяной насос)

Water pump (Водяной насос)
(DF140AZ E40)

Thermostat (Термостат)

Thermostat (Термостат)

Throttle body (Дроссель газа)

Throttle body (Дроссель газа)

Oil pump (Масляный насос)

Oil pump (Масляный насос)

Oil pan (Масляный поддон)

Oil pan (Масляный поддон)

Clutch shaft (Сцепление Вал)

Clutch shaft (Сцепление Вал)

Shift rod (Переключающая тяга)

Shift rod (Переключающая тяга)
(DF100AT E01)

Shift rod (Переключающая тяга)

Shift rod (Переключающая тяга)
(DF100AT E40)

Shift rod (Переключающая тяга)

Shift rod (Переключающая тяга)
(DF115AT E01)

Shift rod (Переключающая тяга)

Shift rod (Переключающая тяга)
(DF115AT E40)

Shift rod (Переключающая тяга)

Shift rod (Переключающая тяга)
(DF115AZ E01)

Shift rod (Переключающая тяга)

Shift rod (Переключающая тяга)
(DF115AZ E40)

Shift rod (Переключающая тяга)

Shift rod (Переключающая тяга)
(DF140AT E01)

Shift rod (Переключающая тяга)

Shift rod (Переключающая тяга)
(DF140AT E40)

Shift rod (Переключающая тяга)

Shift rod (Переключающая тяга)
(DF140AZ E01)

Shift rod (Переключающая тяга)

Shift rod (Переключающая тяга)
(DF140AZ E40)

Transmission (Трансмиссия)

Transmission (Трансмиссия)
(DF100AT E01)

Transmission (Трансмиссия)

Transmission (Трансмиссия)
(DF100AT E40)

Transmission (Трансмиссия)

Transmission (Трансмиссия)
(DF115AT E01)

Transmission (Трансмиссия)

Transmission (Трансмиссия)
(DF115AT E40)

Transmission (Трансмиссия)

Transmission (Трансмиссия)
(DF115AZ E01)

Transmission (Трансмиссия)

Transmission (Трансмиссия)
(DF115AZ E40)

Transmission (Трансмиссия)

Transmission (Трансмиссия)
(DF140AT E01)

Transmission (Трансмиссия)

Transmission (Трансмиссия)
(DF140AT E40)

Transmission (Трансмиссия)

Transmission (Трансмиссия)
(DF140AZ E01)

Transmission (Трансмиссия)

Transmission (Трансмиссия)
(DF140AZ E40)

Starting motor (Двигатель электростартера)

Starting motor (Двигатель электростартера)

Magneto (Магнето)

Magneto (Магнето)

Rectifier (Выпрямитель)

Rectifier (Выпрямитель)

Ignition coil (Катушка зажигания)

Ignition coil (Катушка зажигания)

Sensor (Датчик)

Sensor (Датчик)
(DF100AT E01)

Sensor (Датчик)

Sensor (Датчик)
(DF100AT E40)

Sensor (Датчик)

Sensor (Датчик)
(DF115AT E01)

Sensor (Датчик)

Sensor (Датчик)
(DF115AT E40)

Sensor (Датчик)

Sensor (Датчик)
(DF115AZ E01)

Sensor (Датчик)

Sensor (Датчик)
(DF115AZ E40)

Sensor (Датчик)

Sensor (Датчик)
(DF140AT E01)

Sensor (Датчик)

Sensor (Датчик)
(DF140AT E40)

Sensor (Датчик)

Sensor (Датчик)
(DF140AZ E01)

Sensor (Датчик)

Sensor (Датчик)
(DF140AZ E40)

Harness (Жгут проводов)

Harness (Жгут проводов)
(DF100AT E01)

Harness (Жгут проводов)

Harness (Жгут проводов)
(DF100AT E40)

Harness (Жгут проводов)

Harness (Жгут проводов)
(DF115AT E01)

Harness (Жгут проводов)

Harness (Жгут проводов)
(DF115AT E40)

Harness (Жгут проводов)

Harness (Жгут проводов)
(DF115AZ E01)

Harness (Жгут проводов)

Harness (Жгут проводов)
(DF115AZ E40)

Harness (Жгут проводов)

Harness (Жгут проводов)
(DF140AT E01)

Harness (Жгут проводов)

Harness (Жгут проводов)
(DF140AT E40)

Harness (Жгут проводов)

Harness (Жгут проводов)
(DF140AZ E01)

Harness (Жгут проводов)

Harness (Жгут проводов)
(DF140AZ E40)

Ptt switch/engine control unit (Переключатель гидроподъёма / Блок управления двигателем)

Ptt switch/engine control unit (Переключатель гидроподъёма / Блок управления двигателем)
(DF100AT E01)

Ptt switch/engine control unit (Переключатель гидроподъёма / Блок управления двигателем)

Ptt switch/engine control unit (Переключатель гидроподъёма / Блок управления двигателем)
(DF100AT E40)

Ptt switch/engine control unit (Переключатель гидроподъёма / Блок управления двигателем)

Ptt switch/engine control unit (Переключатель гидроподъёма / Блок управления двигателем)
(DF115AT E01)

Ptt switch/engine control unit (Переключатель гидроподъёма / Блок управления двигателем)

Ptt switch/engine control unit (Переключатель гидроподъёма / Блок управления двигателем)
(DF115AT E40)

Ptt switch/engine control unit (Переключатель гидроподъёма / Блок управления двигателем)

Ptt switch/engine control unit (Переключатель гидроподъёма / Блок управления двигателем)
(DF115AZ E01)

Ptt switch/engine control unit (Переключатель гидроподъёма / Блок управления двигателем)

Ptt switch/engine control unit (Переключатель гидроподъёма / Блок управления двигателем)
(DF115AZ E40)

Ptt switch/engine control unit (Переключатель гидроподъёма / Блок управления двигателем)

Ptt switch/engine control unit (Переключатель гидроподъёма / Блок управления двигателем)
(DF140AT E01)

Ptt switch/engine control unit (Переключатель гидроподъёма / Блок управления двигателем)

Ptt switch/engine control unit (Переключатель гидроподъёма / Блок управления двигателем)
(DF140AT E40)

Ptt switch/engine control unit (Переключатель гидроподъёма / Блок управления двигателем)

Ptt switch/engine control unit (Переключатель гидроподъёма / Блок управления двигателем)
(DF140AZ E01)

Ptt switch/engine control unit (Переключатель гидроподъёма / Блок управления двигателем)

Ptt switch/engine control unit (Переключатель гидроподъёма / Блок управления двигателем)
(DF140AZ E40)

Clamp bracket (Кронштейн транца)

Clamp bracket (Кронштейн транца)
(DF100AT E01)

Clamp bracket (Кронштейн транца)

Clamp bracket (Кронштейн транца)
(DF100AT E40)

Clamp bracket (Кронштейн транца)

Clamp bracket (Кронштейн транца)
(DF115AT E01)

Clamp bracket (Кронштейн транца)

Clamp bracket (Кронштейн транца)
(DF115AT E40)

Clamp bracket (Кронштейн транца)

Clamp bracket (Кронштейн транца)
(DF115AZ E01)

Clamp bracket (Кронштейн транца)

Clamp bracket (Кронштейн транца)
(DF115AZ E40)

Clamp bracket (Кронштейн транца)

Clamp bracket (Кронштейн транца)
(DF140AT E01)

Clamp bracket (Кронштейн транца)

Clamp bracket (Кронштейн транца)
(DF140AT E40)

Clamp bracket (Кронштейн транца)

Clamp bracket (Кронштейн транца)
(DF140AZ E01)

Clamp bracket (Кронштейн транца)

Clamp bracket (Кронштейн транца)
(DF140AZ E40)

Swivel bracket (Поворотный кронштейн)

Swivel bracket (Поворотный кронштейн)
(DF100AT E01)

Swivel bracket (Поворотный кронштейн)

Swivel bracket (Поворотный кронштейн)
(DF100AT E40)

Swivel bracket (Поворотный кронштейн)

Swivel bracket (Поворотный кронштейн)
(DF115AT E01)

Swivel bracket (Поворотный кронштейн)

Swivel bracket (Поворотный кронштейн)
(DF115AT E40)

Swivel bracket (Поворотный кронштейн)

Swivel bracket (Поворотный кронштейн)
(DF115AZ E01)

Swivel bracket (Поворотный кронштейн)

Swivel bracket (Поворотный кронштейн)
(DF115AZ E40)

Swivel bracket (Поворотный кронштейн)

Swivel bracket (Поворотный кронштейн)
(DF140AT E01)

Swivel bracket (Поворотный кронштейн)

Swivel bracket (Поворотный кронштейн)
(DF140AT E40)

Swivel bracket (Поворотный кронштейн)

Swivel bracket (Поворотный кронштейн)
(DF140AZ E01)

Swivel bracket (Поворотный кронштейн)

Swivel bracket (Поворотный кронштейн)
(DF140AZ E40)

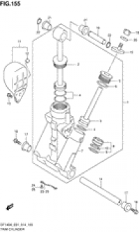
Trim cylinder (Цилиндр трима)

Trim cylinder (Цилиндр трима)
(DF100AT E01)

Trim cylinder (Цилиндр трима)

Trim cylinder (Цилиндр трима)
(DF100AT E40)

Trim cylinder (Цилиндр трима)

Trim cylinder (Цилиндр трима)
(DF115AT E01)

Trim cylinder (Цилиндр трима)

Trim cylinder (Цилиндр трима)
(DF115AT E40)

Trim cylinder (Цилиндр трима)

Trim cylinder (Цилиндр трима)
(DF115AZ E01)

Trim cylinder (Цилиндр трима)

Trim cylinder (Цилиндр трима)
(DF115AZ E40)

Trim cylinder (Цилиндр трима)

Trim cylinder (Цилиндр трима)
(DF140AT E01)

Trim cylinder (Цилиндр трима)

Trim cylinder (Цилиндр трима)
(DF140AT E40)

Trim cylinder (Цилиндр трима)

Trim cylinder (Цилиндр трима)
(DF140AZ E01)

Trim cylinder (Цилиндр трима)

Trim cylinder (Цилиндр трима)
(DF140AZ E40)

Ptt motor (Двигатель гидроподъёма)

Ptt motor (Двигатель гидроподъёма)
(DF100AT E01)

Ptt motor (Двигатель гидроподъёма)

Ptt motor (Двигатель гидроподъёма)
(DF100AT E40)

Ptt motor (Двигатель гидроподъёма)

Ptt motor (Двигатель гидроподъёма)
(DF115AT E01)

Ptt motor (Двигатель гидроподъёма)

Ptt motor (Двигатель гидроподъёма)
(DF115AT E40)

Ptt motor (Двигатель гидроподъёма)

Ptt motor (Двигатель гидроподъёма)
(DF115AZ E01)

Ptt motor (Двигатель гидроподъёма)

Ptt motor (Двигатель гидроподъёма)
(DF115AZ E40)

Ptt motor (Двигатель гидроподъёма)

Ptt motor (Двигатель гидроподъёма)
(DF140AT E01)

Ptt motor (Двигатель гидроподъёма)

Ptt motor (Двигатель гидроподъёма)
(DF140AT E40)

Ptt motor (Двигатель гидроподъёма)

Ptt motor (Двигатель гидроподъёма)
(DF140AZ E01)

Ptt motor (Двигатель гидроподъёма)

Ptt motor (Двигатель гидроподъёма)
(DF140AZ E40)

Engine holder (Основание двигателя)

Engine holder (Основание двигателя)

Drive shaft housing (Корпус вала передачи)

Drive shaft housing (Корпус вала передачи)

Gear case (Картер коробки передач)

Gear case (Картер коробки передач)
(DF100AT E01)

Gear case (Картер коробки передач)

Gear case (Картер коробки передач)
(DF100AT E40)

Gear case (Картер коробки передач)

Gear case (Картер коробки передач)
(DF115AT E01)

Gear case (Картер коробки передач)

Gear case (Картер коробки передач)
(DF115AT E40)

Gear case (Картер коробки передач)

Gear case (Картер коробки передач)
(DF115AZ E01)

Gear case (Картер коробки передач)

Gear case (Картер коробки передач)
(DF115AZ E40)

Gear case (Картер коробки передач)

Gear case (Картер коробки передач)
(DF140AT E01)

Gear case (Картер коробки передач)

Gear case (Картер коробки передач)
(DF140AT E40)

Gear case (Картер коробки передач)

Gear case (Картер коробки передач)
(DF140AZ E01)

Gear case (Картер коробки передач)

Gear case (Картер коробки передач)
(DF140AZ E40)

Side cover (Боковая крышка)

Side cover (Боковая крышка)

Engine cover (Крышка двигателя (капот))

Engine cover (Крышка двигателя (капот))
(DF100AT E01)

Engine cover (Крышка двигателя (капот))

Engine cover (Крышка двигателя (капот))
(DF100AT E40)

Engine cover (Крышка двигателя (капот))

Engine cover (Крышка двигателя (капот))
(DF115AT E01)

Engine cover (Крышка двигателя (капот))

Engine cover (Крышка двигателя (капот))
(DF115AT E40)

Engine cover (Крышка двигателя (капот))

Engine cover (Крышка двигателя (капот))
(DF115AZ E01)

Engine cover (Крышка двигателя (капот))

Engine cover (Крышка двигателя (капот))
(DF115AZ E40)

Engine cover (Крышка двигателя (капот))

Engine cover (Крышка двигателя (капот))
(DF140AT E01)

Engine cover (Крышка двигателя (капот))

Engine cover (Крышка двигателя (капот))
(DF140AT E40)

Engine cover (Крышка двигателя (капот))

Engine cover (Крышка двигателя (капот))
(DF140AZ E01)

Engine cover (Крышка двигателя (капот))

Engine cover (Крышка двигателя (капот))
(DF140AZ E40)

Fuel tank (Топливный бак)

Fuel tank (Топливный бак)

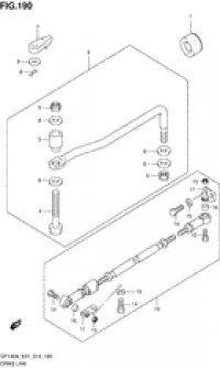
Drag link (Переключающая тяга)

Drag link (Переключающая тяга)

Meter (Прибор)

Meter (Прибор)
(DF100AT E01)

Meter (Прибор)

Meter (Прибор)
(DF100AT E40)

Meter (Прибор)

Meter (Прибор)
(DF115AT E01)

Meter (Прибор)

Meter (Прибор)
(DF115AT E40)

Meter (Прибор)

Meter (Прибор)
(DF115AZ E01)

Meter (Прибор)

Meter (Прибор)
(DF115AZ E40)

Meter (Прибор)

Meter (Прибор)
(DF140AT E01)

Meter (Прибор)

Meter (Прибор)
(DF140AT E40)

Meter (Прибор)

Meter (Прибор)
(DF140AZ E01)

Meter (Прибор)

Meter (Прибор)
(DF140AZ E40)

Opt:meter (Опции: приборы)

Opt:meter (Опции: приборы)
(1)

Opt:meter (Опции: приборы)

Opt:meter (Опции: приборы)
(2)

Opt:meter kit (Опции: приборы kit)

Opt:meter kit (Опции: приборы kit)

Opt:trim sender (Опции: Датчик трима)

Opt:trim sender (Опции: Датчик трима)

Opt:harness (Опции: жгут проводов)

Opt:harness (Опции: жгут проводов)

Opt:switch (Опции: переключатели)

Opt:switch (Опции: переключатели)

Opt:remote control (Опции: дистанционное управление)

Opt:remote control (Опции: дистанционное управление)

Opt:remote control spacer (Опции: дистанционное управление Проставка)

Opt:remote control spacer (Опции: дистанционное управление Проставка)

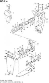
Opt:remote control assy single (Дистанционное управление в сборе, одинарное)

Opt:remote control assy single (Дистанционное управление в сборе, одинарное)
(1) (DF140AT E01)

Opt:remote control assy single (Дистанционное управление в сборе, одинарное)

Opt:remote control assy single (Дистанционное управление в сборе, одинарное)
(1) (DF140AT E40)

Opt:remote control assy single (Дистанционное управление в сборе, одинарное)

Opt:remote control assy single (Дистанционное управление в сборе, одинарное)
(1) (DF140AZ E01)

Opt:remote control assy single (Дистанционное управление в сборе, одинарное)

Opt:remote control assy single (Дистанционное управление в сборе, одинарное)
(1) (DF140AZ E40)

Opt:remote control assy single (Дистанционное управление в сборе, одинарное)

Opt:remote control assy single (Дистанционное управление в сборе, одинарное)
(2) (DF140AT E01)

Opt:remote control assy single (Дистанционное управление в сборе, одинарное)

Opt:remote control assy single (Дистанционное управление в сборе, одинарное)
(2) (DF140AT E40)

Opt:remote control assy single (Дистанционное управление в сборе, одинарное)

Opt:remote control assy single (Дистанционное управление в сборе, одинарное)
(2) (DF140AZ E01)

Opt:remote control assy single (Дистанционное управление в сборе, одинарное)

Opt:remote control assy single (Дистанционное управление в сборе, одинарное)
(2) (DF140AZ E40)

Opt:remote control assy dual (Опции: дистанционное управление в сборе dual)

Opt:remote control assy dual (Опции: дистанционное управление в сборе dual)
(1)

Opt:remote control assy dual (Опции: дистанционное управление в сборе dual)

Opt:remote control assy dual (Опции: дистанционное управление в сборе dual)
(2)

Opt:tiller handle (Опции: Румпель)

Opt:tiller handle (Опции: Румпель)

Opt:gasket set (Опции: комплект прокладок)

Opt:gasket set (Опции: комплект прокладок)

Opt:lowrance gauge (Опции: приборы Lowrance)

Opt:lowrance gauge (Опции: приборы Lowrance)




 
 

данный сайт носит информационный характер и не является публичной офертой

склад запчастей для водомоторной техники