вконтакте

Контактный телефон: +7 (981) 121-46-93, +7 (800) 200-90-76 , Email: parts-katalog@yandex.ru, где купить

 
 

  Логин:

Пароль:

Регистрация

www.partskatalog.ru Все каталоги Запчасти Mercury Запчасти Suzuki Запчасти Tohatsu Запчасти Honda Контакты



УВАЖАЕМЫЕ КЛИЕНТЫ!
C 19 ДЕКАБРЯ 2025 ПО 02 МАРТА 2026 ГОДА ОТДЕЛ ЗАПЧАСТЕЙ И СЕРВИС РАБОТАТЬ НЕ БУДУТ
ПРОДАЖА ЛОДОЧНЫХ МОТОРОВ В ШТАТНОМ РЕЖИМЕ
ОБ ИЗМЕНЕНИЯХ В ГРАФИКЕ РАБОТЫ ЧИТАЙТЕ НА САЙТА




запчастиsuzuki

Узнать наличие и цену запчасти:

Вернуться к началу выбора

Поиск модели по серийному номеру


РЕЖИМЫ ПРОСМОТРА

Все узлы и детали

Тип двигателя: 4x - тактный

Модель двигателя: Suzuki DF115

Модификация Вашего двигателя:   Suzuki DF-115WTK7 (E1) K7
Код модели двигателя: DF115TL/X; DF115WTL/X
Год выпуска двигателя: 2007
Регион: General Export No.1 ,Код региона: P01
Цвет: Shadow Black Metallic


Поиск запчастей по коду или названию


   Выберите раздел

найти расходники на лодочные моторы Suzuki

Начните вводить запрос

Catalog preface (Каталог)

Catalog preface (Каталог)

Catalog preface (Каталог)

Catalog preface (Каталог)

Catalog preface (Каталог)

Catalog preface (Каталог)

Catalog preface (Каталог)

Catalog preface (Каталог)

Color chart (Таблица цветов)

Color chart (Таблица цветов)

Cylinder head (Головка блока цилиндра)

Cylinder head (Головка блока цилиндра)

Cylinder block (Блок цилиндра)

Cylinder block (Блок цилиндра)

Ring gear cover (Крышка механизма маховика)

Ring gear cover (Крышка механизма маховика)

Crankshaft (Коленвал)

Crankshaft (Коленвал)

Timing chain (Распределяющая цепь)

Timing chain (Распределяющая цепь)

Camshaft (Распределительный вал)

Camshaft (Распределительный вал)

Intake manifold (Впускной коллектор)

Intake manifold (Впускной коллектор)

Silencer (Глушитель)

Silencer (Глушитель)

Fuel vapor separator (Отделитель паров топлива)

Fuel vapor separator (Отделитель паров топлива)
Df90t

Fuel vapor separator (Отделитель паров топлива)

Fuel vapor separator (Отделитель паров топлива)
Df115wt/wz

Fuel injector (Топливный инжектор)

Fuel injector (Топливный инжектор)

Fuel injector (Топливный инжектор)

Fuel injector (Топливный инжектор)
Df90t: 151862~

Fuel injector (Топливный инжектор)

Fuel injector (Топливный инжектор)
Df115wt/wz

Fuel pump (Топливный насос)

Fuel pump (Топливный насос)
Df90t

Fuel pump (Топливный насос)

Fuel pump (Топливный насос)
Df90t: 680686~

Fuel pump (Топливный насос)

Fuel pump (Топливный насос)
Df115wt

Fuel pump (Топливный насос)

Fuel pump (Топливный насос)
Df115wt: 681518~

Water pump (Водяной насос)

Water pump (Водяной насос)
Df90t

Water pump (Водяной насос)

Water pump (Водяной насос)
Df115wt

Water pump (Водяной насос)

Water pump (Водяной насос)

Thermostat (Термостат)

Thermostat (Термостат)

Throttle body (Дроссель газа)

Throttle body (Дроссель газа)

Oil pump (Масляный насос)

Oil pump (Масляный насос)

Oil pan (Масляный поддон)

Oil pan (Масляный поддон)

Clutch shaft (Сцепление Вал)

Clutch shaft (Сцепление Вал)

Clutch shaft (Сцепление Вал)

Clutch shaft (Сцепление Вал)
Df90t: 372278~

Clutch shaft (Сцепление Вал)

Clutch shaft (Сцепление Вал)

Shift rod (Переключающая тяга)

Shift rod (Переключающая тяга)
Df90t

Shift rod (Переключающая тяга)

Shift rod (Переключающая тяга)
Df90t: 680686~

Shift rod (Переключающая тяга)

Shift rod (Переключающая тяга)
Df115z

Transmission (Трансмиссия)

Transmission (Трансмиссия)
Df90t

Transmission (Трансмиссия)

Transmission (Трансмиссия)
Df115z

Starting motor (Двигатель электростартера)

Starting motor (Двигатель электростартера)

Magneto (Магнето)

Magneto (Магнето)

Rectifier (Выпрямитель)

Rectifier (Выпрямитель)

Ignition coil (Катушка зажигания)

Ignition coil (Катушка зажигания)

Sensor (Датчик)

Sensor (Датчик)

Harness (Жгут проводов)

Harness (Жгут проводов)

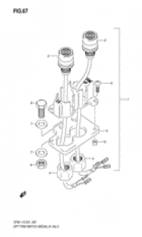
Ptt switch & engine control unit (Переключатель гидроподъёма & Блок управления двигателем)

Ptt switch & engine control unit (Переключатель гидроподъёма & Блок управления двигателем)
Model: 01~03

Ptt switch & engine control unit (Переключатель гидроподъёма & Блок управления двигателем)

Ptt switch & engine control unit (Переключатель гидроподъёма & Блок управления двигателем)
Model: 04~

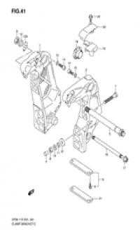
Clamp bracket (Кронштейн транца)

Clamp bracket (Кронштейн транца)

Swivel bracket (Поворотный кронштейн)

Swivel bracket (Поворотный кронштейн)

Trim cylinder (Цилиндр трима)

Trim cylinder (Цилиндр трима)

Ptt motor (Двигатель гидроподъёма)

Ptt motor (Двигатель гидроподъёма)

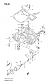
Engine holder (Основание двигателя)

Engine holder (Основание двигателя)

Engine holder (Основание двигателя)

Engine holder (Основание двигателя)
Df90: 680686~

Drive shaft housing (Корпус вала передачи)

Drive shaft housing (Корпус вала передачи)

Gear case (Картер коробки передач)

Gear case (Картер коробки передач)
Df90t

Gear case (Картер коробки передач)

Gear case (Картер коробки передач)
Df115z

Side cover (Боковая крышка)

Side cover (Боковая крышка)

Engine cover (Крышка двигателя (капот))

Engine cover (Крышка двигателя (капот))
Model: 01

Engine cover (Крышка двигателя (капот))

Engine cover (Крышка двигателя (капот))
Model: 03~09

Engine cover (Крышка двигателя (капот))

Engine cover (Крышка двигателя (капот))
Model: 10~

Fuel tank (Топливный бак)

Fuel tank (Топливный бак)
Metal

Fuel tank (Топливный бак)

Fuel tank (Топливный бак)
Plastic

Remote control (Дистанционное управление)

Remote control (Дистанционное управление)
Model: 01~03

Remote control (Дистанционное управление)

Remote control (Дистанционное управление)
Model: 04

Remote control (Дистанционное управление)

Remote control (Дистанционное управление)
Model: 05~

Drag link (Переключающая тяга)

Drag link (Переключающая тяга)

Meter (Прибор)

Meter (Прибор)
Optional; model: 01~04

Meter (Прибор)

Meter (Прибор)
Optional; model: 05~

Meter (Прибор)

Meter (Прибор)
Optional; model: 08~

Trim sender (Датчик трима)

Trim sender (Датчик трима)
Optional;

Harness (Жгут проводов)

Harness (Жгут проводов)
Optional;

Harness (Жгут проводов)

Harness (Жгут проводов)
Optional; model: 08~

Switch (Переключатель)

Switch (Переключатель)
Optional; model: 01~04

Switch (Переключатель)

Switch (Переключатель)
Optional; model: 05~

Trim switch (Переключатель трима)

Trim switch (Переключатель трима)
Optional; model: 01~04

Top mount dual (сдвоенное ДУ, монтаж сверху)

Top mount dual (сдвоенное ДУ, монтаж сверху)
Optional;

Top mount dual (сдвоенное ДУ, монтаж сверху)

Top mount dual (сдвоенное ДУ, монтаж сверху)
Optional;

Tiller handle (Румпель)

Tiller handle (Румпель)
Optional; model: 01~03

Tiller handle (Румпель)

Tiller handle (Румпель)
Optional; model: 04~

Gasket set (Комплект прокладок)

Gasket set (Комплект прокладок)
Optional;




 
 

данный сайт носит информационный характер и не является публичной офертой

склад запчастей для водомоторной техники