вконтакте

Контактный телефон: +7 (981) 121-46-93, +7 (800) 200-90-76 , Email: parts-katalog@yandex.ru, где купить

 
 

  Логин:

Пароль:

Регистрация

www.partskatalog.ru Все каталоги Запчасти Mercury Запчасти Suzuki Запчасти Tohatsu Запчасти Honda Контакты



УВАЖАЕМЫЕ КЛИЕНТЫ!
C 19 ДЕКАБРЯ 2025 ПО 02 МАРТА 2026 ГОДА ОТДЕЛ ЗАПЧАСТЕЙ И СЕРВИС РАБОТАТЬ НЕ БУДУТ
ПРОДАЖА ЛОДОЧНЫХ МОТОРОВ В ШТАТНОМ РЕЖИМЕ
ОБ ИЗМЕНЕНИЯХ В ГРАФИКЕ РАБОТЫ ЧИТАЙТЕ НА САЙТА




запчастиsuzuki

Узнать наличие и цену запчасти:

Вернуться к началу выбора

Поиск модели по серийному номеру


РЕЖИМЫ ПРОСМОТРА

Все узлы и детали

Двигатель

Трансмиссия

Электрика

Внешние части

Тип двигателя: 4x - тактный

Модель двигателя: Suzuki DF140

Модификация Вашего двигателя:   Suzuki DF-140Z
Двигатели с серийным номером после 14002Z-210001
Код модели двигателя: DF140(Z)TL/X; DF140W(Z)TL/X
Год выпуска двигателя: 2012
Регион: General Export No.1 ,Код региона: P01
Цвет: Shadow Black Metallic


Поиск запчастей по коду или названию


   Выберите раздел

найти расходники на лодочные моторы Suzuki

Начните вводить запрос

Cylinder head (Головка блока цилиндра)

Cylinder head (Головка блока цилиндра)

Cylinder block (Блок цилиндра)

Cylinder block (Блок цилиндра)

Ring gear cover (Крышка механизма маховика)

Ring gear cover (Крышка механизма маховика)
(DF140T E01)

Ring gear cover (Крышка механизма маховика)

Ring gear cover (Крышка механизма маховика)
(DF140T E40)

Ring gear cover (Крышка механизма маховика)

Ring gear cover (Крышка механизма маховика)
(DF140Z E01)

Ring gear cover (Крышка механизма маховика)

Ring gear cover (Крышка механизма маховика)
(DF140Z E40)

Crankshaft (Коленвал)

Crankshaft (Коленвал)

Timing chain (Распределяющая цепь)

Timing chain (Распределяющая цепь)

Camshaft (Распределительный вал)

Camshaft (Распределительный вал)
(DF140T E01)

Camshaft (Распределительный вал)

Camshaft (Распределительный вал)
(DF140T E40)

Camshaft (Распределительный вал)

Camshaft (Распределительный вал)
(DF140Z E01)

Camshaft (Распределительный вал)

Camshaft (Распределительный вал)
(DF140Z E40)

Intake manifold (Впускной коллектор)

Intake manifold (Впускной коллектор)

Silencer (Глушитель)

Silencer (Глушитель)

Fuel vapor separator (Отделитель паров топлива)

Fuel vapor separator (Отделитель паров топлива)
(DF140T E01)

Fuel vapor separator (Отделитель паров топлива)

Fuel vapor separator (Отделитель паров топлива)
(DF140T E40)

Fuel vapor separator (Отделитель паров топлива)

Fuel vapor separator (Отделитель паров топлива)
(DF140Z E01)

Fuel vapor separator (Отделитель паров топлива)

Fuel vapor separator (Отделитель паров топлива)
(DF140Z E40)

Fuel injector (Топливный инжектор)

Fuel injector (Топливный инжектор)
(DF140T E01)

Fuel injector (Топливный инжектор)

Fuel injector (Топливный инжектор)
(DF140T E40)

Fuel injector (Топливный инжектор)

Fuel injector (Топливный инжектор)
(DF140Z E01)

Fuel injector (Топливный инжектор)

Fuel injector (Топливный инжектор)
(DF140Z E40)

Fuel pump (Топливный насос)

Fuel pump (Топливный насос)
(DF140T E01)

Fuel pump (Топливный насос)

Fuel pump (Топливный насос)
(DF140T E40)

Fuel pump (Топливный насос)

Fuel pump (Топливный насос)
(DF140Z E01)

Fuel pump (Топливный насос)

Fuel pump (Топливный насос)
(DF140Z E40)

Water pump (Водяной насос)

Water pump (Водяной насос)
(DF140T E01)

Water pump (Водяной насос)

Water pump (Водяной насос)
(DF140T E40)

Water pump (Водяной насос)

Water pump (Водяной насос)
(DF140Z E01)

Water pump (Водяной насос)

Water pump (Водяной насос)
(DF140Z E40)

Thermostat (Термостат)

Thermostat (Термостат)
(DF140T E01)

Thermostat (Термостат)

Thermostat (Термостат)
(DF140T E40)

Thermostat (Термостат)

Thermostat (Термостат)
(DF140Z E01)

Thermostat (Термостат)

Thermostat (Термостат)
(DF140Z E40)

Throttle body (Дроссель газа)

Throttle body (Дроссель газа)

Oil pump (Масляный насос)

Oil pump (Масляный насос)

Oil filter (Масляный фильтр)

Oil filter (Масляный фильтр)

Oil pan (Масляный поддон)

Oil pan (Масляный поддон)

Clutch shaft (Сцепление Вал)

Clutch shaft (Сцепление Вал)

Clutch rod (Тяга сцепления)

Clutch rod (Тяга сцепления)
(DF140T E01)

Clutch rod (Тяга сцепления)

Clutch rod (Тяга сцепления)
(DF140T E40)

Clutch rod (Тяга сцепления)

Clutch rod (Тяга сцепления)
(DF140Z E01)

Clutch rod (Тяга сцепления)

Clutch rod (Тяга сцепления)
(DF140Z E40)

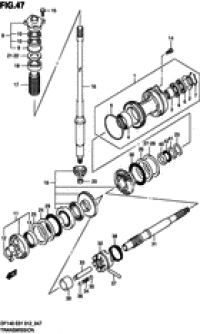
Transmission (Трансмиссия)

Transmission (Трансмиссия)
(DF140T E01)

Transmission (Трансмиссия)

Transmission (Трансмиссия)
(DF140T E40)

Transmission (Трансмиссия)

Transmission (Трансмиссия)
(DF140Z E01)

Transmission (Трансмиссия)

Transmission (Трансмиссия)
(DF140Z E40)

Starting motor (Двигатель электростартера)

Starting motor (Двигатель электростартера)

Magneto (Магнето)

Magneto (Магнето)

Rectifier (Выпрямитель)

Rectifier (Выпрямитель)

Ignition coil (Катушка зажигания)

Ignition coil (Катушка зажигания)

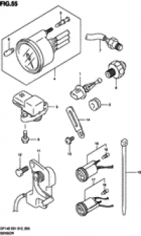
Sensor (Датчик)

Sensor (Датчик)
(DF140T E01)

Sensor (Датчик)

Sensor (Датчик)
(DF140T E40)

Sensor (Датчик)

Sensor (Датчик)
(DF140Z E01)

Sensor (Датчик)

Sensor (Датчик)
(DF140Z E40)

Harness (Жгут проводов)

Harness (Жгут проводов)

Ptt switch & engine control unit (Переключатель гидроподъёма & Блок управления двигателем)

Ptt switch & engine control unit (Переключатель гидроподъёма & Блок управления двигателем)
(DF140T E01)

Ptt switch & engine control unit (Переключатель гидроподъёма & Блок управления двигателем)

Ptt switch & engine control unit (Переключатель гидроподъёма & Блок управления двигателем)
(DF140T E40)

Ptt switch & engine control unit (Переключатель гидроподъёма & Блок управления двигателем)

Ptt switch & engine control unit (Переключатель гидроподъёма & Блок управления двигателем)
(DF140Z E01)

Ptt switch & engine control unit (Переключатель гидроподъёма & Блок управления двигателем)

Ptt switch & engine control unit (Переключатель гидроподъёма & Блок управления двигателем)
(DF140Z E40)

Clamp bracket (Кронштейн транца)

Clamp bracket (Кронштейн транца)

Swivel bracket (Поворотный кронштейн)

Swivel bracket (Поворотный кронштейн)

Trim cylinder (Цилиндр трима)

Trim cylinder (Цилиндр трима)

Ptt motor (Двигатель гидроподъёма)

Ptt motor (Двигатель гидроподъёма)

Engine holder (Основание двигателя)

Engine holder (Основание двигателя)

Drive shaft housing (Корпус вала передачи)

Drive shaft housing (Корпус вала передачи)

Gear case (Картер коробки передач)

Gear case (Картер коробки передач)
(DF140T E01)

Gear case (Картер коробки передач)

Gear case (Картер коробки передач)
(DF140T E40)

Gear case (Картер коробки передач)

Gear case (Картер коробки передач)
(DF140Z E01)

Gear case (Картер коробки передач)

Gear case (Картер коробки передач)
(DF140Z E40)

Side cover (Боковая крышка)

Side cover (Боковая крышка)

Engine cover (Крышка двигателя (капот))

Engine cover (Крышка двигателя (капот))
(DF140T E01)

Engine cover (Крышка двигателя (капот))

Engine cover (Крышка двигателя (капот))
(DF140T E40)

Engine cover (Крышка двигателя (капот))

Engine cover (Крышка двигателя (капот))
(DF140Z E01)

Engine cover (Крышка двигателя (капот))

Engine cover (Крышка двигателя (капот))
(DF140Z E40)

Fuel tank (Топливный бак)

Fuel tank (Топливный бак)

Drag link (Переключающая тяга)

Drag link (Переключающая тяга)

Opt:meter (Опции: приборы)

Opt:meter (Опции: приборы)

Opt:meter (Опции: приборы)

Opt:meter (Опции: приборы)

Opt:harness (Опции: жгут проводов)

Opt:harness (Опции: жгут проводов)
(DF140T E01)

Opt:harness (Опции: жгут проводов)

Opt:harness (Опции: жгут проводов)
(DF140T E40)

Opt:harness (Опции: жгут проводов)

Opt:harness (Опции: жгут проводов)
(DF140Z E01)

Opt:harness (Опции: жгут проводов)

Opt:harness (Опции: жгут проводов)
(DF140Z E40)

Opt:harness (Опции: жгут проводов)

Opt:harness (Опции: жгут проводов)

Opt:switch (Опции: переключатели)

Opt:switch (Опции: переключатели)
(DF140T E01)

Opt:switch (Опции: переключатели)

Opt:switch (Опции: переключатели)
(DF140T E40)

Opt:switch (Опции: переключатели)

Opt:switch (Опции: переключатели)
(DF140Z E01)

Opt:switch (Опции: переключатели)

Opt:switch (Опции: переключатели)
(DF140Z E40)

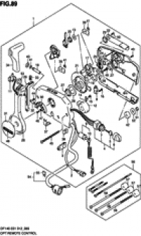
Opt:remote control (Опции: дистанционное управление)

Opt:remote control (Опции: дистанционное управление)

Opt:top mount dual (Опция: сдвоенное ДУ, монтаж сверху)

Opt:top mount dual (Опция: сдвоенное ДУ, монтаж сверху)
(1)

Opt:top mount dual (Опция: сдвоенное ДУ, монтаж сверху)

Opt:top mount dual (Опция: сдвоенное ДУ, монтаж сверху)
(2)

Opt:top mount single (Опции: одинарное, монтаж сверху)

Opt:top mount single (Опции: одинарное, монтаж сверху)
(1)

Opt:top mount single (Опции: одинарное, монтаж сверху)

Opt:top mount single (Опции: одинарное, монтаж сверху)
(2)

Opt:gasket set (Опции: комплект прокладок)

Opt:gasket set (Опции: комплект прокладок)
(DF140T E01)

Opt:gasket set (Опции: комплект прокладок)

Opt:gasket set (Опции: комплект прокладок)
(DF140T E40)

Opt:gasket set (Опции: комплект прокладок)

Opt:gasket set (Опции: комплект прокладок)
(DF140Z E01)

Opt:gasket set (Опции: комплект прокладок)

Opt:gasket set (Опции: комплект прокладок)
(DF140Z E40)




 
 

данный сайт носит информационный характер и не является публичной офертой

склад запчастей для водомоторной техники