вконтакте

Контактный телефон: +7 (981) 121-46-93, +7 (800) 200-90-76 , Email: parts-katalog@yandex.ru, где купить

 
 

  Логин:

Пароль:

Регистрация

www.partskatalog.ru Все каталоги Запчасти Mercury Запчасти Suzuki Запчасти Tohatsu Запчасти Honda Контакты



УВАЖАЕМЫЕ КЛИЕНТЫ!
C 19 ДЕКАБРЯ 2025 ПО 02 МАРТА 2026 ГОДА ОТДЕЛ ЗАПЧАСТЕЙ И СЕРВИС РАБОТАТЬ НЕ БУДУТ
ПРОДАЖА ЛОДОЧНЫХ МОТОРОВ В ШТАТНОМ РЕЖИМЕ
ОБ ИЗМЕНЕНИЯХ В ГРАФИКЕ РАБОТЫ ЧИТАЙТЕ НА САЙТА




запчастиsuzuki

Узнать наличие и цену запчасти:

Вернуться к началу выбора

Поиск модели по серийному номеру


РЕЖИМЫ ПРОСМОТРА

Все узлы и детали

Двигатель

Трансмиссия

Электрика

Внешние части

Тип двигателя: 4x - тактный

Модель двигателя: Suzuki DF140

Модификация Вашего двигателя:   Suzuki DF-140AZ
Двигатели с серийным номером после 14003Z-310001
Код модели двигателя: DF140A(Z)TL/X
Год выпуска двигателя: 2013
Регион: General Export No.1 ,Код региона: P01
Цвет: Shadow Black Metallic


Поиск запчастей по коду или названию


   Выберите раздел

найти расходники на лодочные моторы Suzuki

Начните вводить запрос

Cylinder head (Головка блока цилиндра)

Cylinder head (Головка блока цилиндра)

Cylinder block (Блок цилиндра)

Cylinder block (Блок цилиндра)

Ring gear cover (Крышка механизма маховика)

Ring gear cover (Крышка механизма маховика)
(DF140AT E01)

Ring gear cover (Крышка механизма маховика)

Ring gear cover (Крышка механизма маховика)
(DF140AT E40)

Ring gear cover (Крышка механизма маховика)

Ring gear cover (Крышка механизма маховика)
(DF140AZ E01)

Ring gear cover (Крышка механизма маховика)

Ring gear cover (Крышка механизма маховика)
(DF140AZ E40)

Crankshaft (Коленвал)

Crankshaft (Коленвал)

Timing chain (Распределяющая цепь)

Timing chain (Распределяющая цепь)

Camshaft (Распределительный вал)

Camshaft (Распределительный вал)
(DF140AT E01)

Camshaft (Распределительный вал)

Camshaft (Распределительный вал)
(DF140AT E40)

Camshaft (Распределительный вал)

Camshaft (Распределительный вал)
(DF140AZ E01)

Camshaft (Распределительный вал)

Camshaft (Распределительный вал)
(DF140AZ E40)

Intake manifold (Впускной коллектор)

Intake manifold (Впускной коллектор)

Silencer (Глушитель)

Silencer (Глушитель)

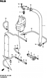
Fuel vapor separator (Отделитель паров топлива)

Fuel vapor separator (Отделитель паров топлива)
(DF140AT E01)

Fuel vapor separator (Отделитель паров топлива)

Fuel vapor separator (Отделитель паров топлива)
(DF140AT E40)

Fuel vapor separator (Отделитель паров топлива)

Fuel vapor separator (Отделитель паров топлива)
(DF140AZ E01)

Fuel vapor separator (Отделитель паров топлива)

Fuel vapor separator (Отделитель паров топлива)
(DF140AZ E40)

Fuel injector (Топливный инжектор)

Fuel injector (Топливный инжектор)
(DF140AT E01)

Fuel injector (Топливный инжектор)

Fuel injector (Топливный инжектор)
(DF140AT E40)

Fuel injector (Топливный инжектор)

Fuel injector (Топливный инжектор)
(DF140AZ E01)

Fuel injector (Топливный инжектор)

Fuel injector (Топливный инжектор)
(DF140AZ E40)

Fuel pump (Топливный насос)

Fuel pump (Топливный насос)

Water pump (Водяной насос)

Water pump (Водяной насос)
(DF140AT E01)

Water pump (Водяной насос)

Water pump (Водяной насос)
(DF140AT E40)

Water pump (Водяной насос)

Water pump (Водяной насос)
(DF140AZ E01)

Water pump (Водяной насос)

Water pump (Водяной насос)
(DF140AZ E40)

Thermostat (Термостат)

Thermostat (Термостат)

Throttle body (Дроссель газа)

Throttle body (Дроссель газа)

Oil pump (Масляный насос)

Oil pump (Масляный насос)

Oil filter (Масляный фильтр)

Oil filter (Масляный фильтр)

Oil pan (Масляный поддон)

Oil pan (Масляный поддон)

Clutch shaft (Сцепление Вал)

Clutch shaft (Сцепление Вал)

Clutch rod (Тяга сцепления)

Clutch rod (Тяга сцепления)
(DF140AT E01)

Clutch rod (Тяга сцепления)

Clutch rod (Тяга сцепления)
(DF140AT E40)

Clutch rod (Тяга сцепления)

Clutch rod (Тяга сцепления)
(DF140AZ E01)

Clutch rod (Тяга сцепления)

Clutch rod (Тяга сцепления)
(DF140AZ E40)

Transmission (Трансмиссия)

Transmission (Трансмиссия)
(DF140AT E01)

Transmission (Трансмиссия)

Transmission (Трансмиссия)
(DF140AT E40)

Transmission (Трансмиссия)

Transmission (Трансмиссия)
(DF140AZ E01)

Transmission (Трансмиссия)

Transmission (Трансмиссия)
(DF140AZ E40)

Starting motor (Двигатель электростартера)

Starting motor (Двигатель электростартера)

Magneto (Магнето)

Magneto (Магнето)

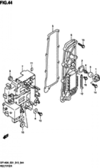
Rectifier (Выпрямитель)

Rectifier (Выпрямитель)

Ignition coil (Катушка зажигания)

Ignition coil (Катушка зажигания)

Sensor (Датчик)

Sensor (Датчик)

Harness (Жгут проводов)

Harness (Жгут проводов)

Ptt switch/engine control unit (Переключатель гидроподъёма / Блок управления двигателем)

Ptt switch/engine control unit (Переключатель гидроподъёма / Блок управления двигателем)

Clamp bracket (Кронштейн транца)

Clamp bracket (Кронштейн транца)
(DF140AT E01)

Clamp bracket (Кронштейн транца)

Clamp bracket (Кронштейн транца)
(DF140AT E40)

Clamp bracket (Кронштейн транца)

Clamp bracket (Кронштейн транца)
(DF140AZ E01)

Clamp bracket (Кронштейн транца)

Clamp bracket (Кронштейн транца)
(DF140AZ E40)

Swivel bracket (Поворотный кронштейн)

Swivel bracket (Поворотный кронштейн)

Trim cylinder (Цилиндр трима)

Trim cylinder (Цилиндр трима)

Ptt motor (Двигатель гидроподъёма)

Ptt motor (Двигатель гидроподъёма)

Engine holder (Основание двигателя)

Engine holder (Основание двигателя)

Drive shaft housing (Корпус вала передачи)

Drive shaft housing (Корпус вала передачи)

Gear case (Картер коробки передач)

Gear case (Картер коробки передач)
(DF140AT E01)

Gear case (Картер коробки передач)

Gear case (Картер коробки передач)
(DF140AT E40)

Gear case (Картер коробки передач)

Gear case (Картер коробки передач)
(DF140AZ E01)

Gear case (Картер коробки передач)

Gear case (Картер коробки передач)
(DF140AZ E40)

Side cover (Боковая крышка)

Side cover (Боковая крышка)
(DF140AT E01)

Side cover (Боковая крышка)

Side cover (Боковая крышка)
(DF140AT E40)

Side cover (Боковая крышка)

Side cover (Боковая крышка)
(DF140AZ E01)

Side cover (Боковая крышка)

Side cover (Боковая крышка)
(DF140AZ E40)

Engine cover (Крышка двигателя (капот))

Engine cover (Крышка двигателя (капот))

Fuel tank (Топливный бак)

Fuel tank (Топливный бак)

Drag link (Переключающая тяга)

Drag link (Переключающая тяга)

Meter (Прибор)

Meter (Прибор)
(DF140AT E01)

Meter (Прибор)

Meter (Прибор)
(DF140AT E40)

Meter (Прибор)

Meter (Прибор)
(DF140AZ E01)

Meter (Прибор)

Meter (Прибор)
(DF140AZ E40)

Opt:meter (Опции: приборы)

Opt:meter (Опции: приборы)

Opt:harness (Опции: жгут проводов)

Opt:harness (Опции: жгут проводов)
(DF140AT E01)

Opt:harness (Опции: жгут проводов)

Opt:harness (Опции: жгут проводов)
(DF140AT E40)

Opt:harness (Опции: жгут проводов)

Opt:harness (Опции: жгут проводов)
(DF140AZ E01)

Opt:harness (Опции: жгут проводов)

Opt:harness (Опции: жгут проводов)
(DF140AZ E40)

Opt:switch (Опции: переключатели)

Opt:switch (Опции: переключатели)

Opt:remote control (Опции: дистанционное управление)

Opt:remote control (Опции: дистанционное управление)
(DF140AT E01)

Opt:remote control (Опции: дистанционное управление)

Opt:remote control (Опции: дистанционное управление)
(DF140AT E40)

Opt:remote control assy dual (Опции: дистанционное управление в сборе dual)

Opt:remote control assy dual (Опции: дистанционное управление в сборе dual)
(1)

Opt:remote control assy dual (Опции: дистанционное управление в сборе dual)

Opt:remote control assy dual (Опции: дистанционное управление в сборе dual)
(2)

Opt:remote control assy single (Дистанционное управление в сборе, одинарное)

Opt:remote control assy single (Дистанционное управление в сборе, одинарное)
(1)

Opt:remote control assy single (Дистанционное управление в сборе, одинарное)

Opt:remote control assy single (Дистанционное управление в сборе, одинарное)
(2)

Opt:gasket set (Опции: комплект прокладок)

Opt:gasket set (Опции: комплект прокладок)
(DF140AT E01)

Opt:gasket set (Опции: комплект прокладок)

Opt:gasket set (Опции: комплект прокладок)
(DF140AT E40)

Opt:gasket set (Опции: комплект прокладок)

Opt:gasket set (Опции: комплект прокладок)
(DF140AZ E01)

Opt:gasket set (Опции: комплект прокладок)

Opt:gasket set (Опции: комплект прокладок)
(DF140AZ E40)

Opt:lowrance gauge (Опции: приборы Lowrance)

Opt:lowrance gauge (Опции: приборы Lowrance)




 
 

данный сайт носит информационный характер и не является публичной офертой

склад запчастей для водомоторной техники