вконтакте

Контактный телефон: +7 (981) 121-46-93, +7 (800) 200-90-76 , Email: parts-katalog@yandex.ru, где купить

 
 

  Логин:

Пароль:

Регистрация

www.partskatalog.ru Все каталоги Запчасти Mercury Запчасти Suzuki Запчасти Tohatsu Запчасти Honda Контакты



УВАЖАЕМЫЕ КЛИЕНТЫ!
C 31 ОКТЯБРЯ 2025 ПО 10 НОЯБРЯ 2025 ГОДА РАБОТАТЬ НЕ БУДЕМ




запчастиsuzuki

Узнать наличие и цену запчасти:

Вернуться к началу выбора

Поиск модели по серийному номеру


РЕЖИМЫ ПРОСМОТРА

Все узлы и детали

Тип двигателя: 4x - тактный

Модель двигателя: Suzuki DF140

Модификация Вашего двигателя:   Suzuki DF-140ZX(E1) prd
Год выпуска двигателя: 2010


Поиск запчастей по коду или названию


   Выберите раздел

найти расходники на лодочные моторы Suzuki

Начните вводить запрос

Catalog preface (Каталог)

Catalog preface (Каталог)

Catalog preface (Каталог)

Catalog preface (Каталог)

Catalog preface (Каталог)

Catalog preface (Каталог)

Color chart (Таблица цветов)

Color chart (Таблица цветов)

Cylinder head (Головка блока цилиндра)

Cylinder head (Головка блока цилиндра)

Cylinder block (Блок цилиндра)

Cylinder block (Блок цилиндра)

Ring gear cover (Крышка механизма маховика)

Ring gear cover (Крышка механизма маховика)

Crankshaft (Коленвал)

Crankshaft (Коленвал)

Timing chain (Распределяющая цепь)

Timing chain (Распределяющая цепь)

Camshaft (Распределительный вал)

Camshaft (Распределительный вал)

Intake manifold (Впускной коллектор)

Intake manifold (Впускной коллектор)

Silencer (Глушитель)

Silencer (Глушитель)

Fuel vapor separator (Отделитель паров топлива)

Fuel vapor separator (Отделитель паров топлива)
Df140t/z

Fuel vapor separator (Отделитель паров топлива)

Fuel vapor separator (Отделитель паров топлива)
Df140wt/wz

Fuel injector (Топливный инжектор)

Fuel injector (Топливный инжектор)
Df140t/z

Fuel injector (Топливный инжектор)

Fuel injector (Топливный инжектор)
Df140wt/wz

Fuel pump (Топливный насос)

Fuel pump (Топливный насос)
Df140t/z

Fuel pump (Топливный насос)

Fuel pump (Топливный насос)
Df140t: 682149~

Fuel pump (Топливный насос)

Fuel pump (Топливный насос)
Df140wt/wz

Fuel pump (Топливный насос)

Fuel pump (Топливный насос)
Df140wt: 682149~

Water pump (Водяной насос)

Water pump (Водяной насос)
Df140t/z

Water pump (Водяной насос)

Water pump (Водяной насос)
Df140wt/wz

Water pump (Водяной насос)

Water pump (Водяной насос)
Df140t/wt: 682149~

Thermostat (Термостат)

Thermostat (Термостат)

Throttle body (Дроссель газа)

Throttle body (Дроссель газа)

Oil pump (Масляный насос)

Oil pump (Масляный насос)

Oil filter (Масляный фильтр)

Oil filter (Масляный фильтр)

Oil pan (Масляный поддон)

Oil pan (Масляный поддон)

Clutch shaft (Сцепление Вал)

Clutch shaft (Сцепление Вал)

Clutch shaft (Сцепление Вал)

Clutch shaft (Сцепление Вал)

Clutch shaft (Сцепление Вал)

Clutch shaft (Сцепление Вал)

Clutch rod (Тяга сцепления)

Clutch rod (Тяга сцепления)
Df140t/wt

Clutch rod (Тяга сцепления)

Clutch rod (Тяга сцепления)
Df140t/wt: 682149~

Clutch rod (Тяга сцепления)

Clutch rod (Тяга сцепления)
Df140z/wz

Clutch rod (Тяга сцепления)

Clutch rod (Тяга сцепления)
Df140z/wz: 680234~

Transmission (Трансмиссия)

Transmission (Трансмиссия)
Df140t/wt

Transmission (Трансмиссия)

Transmission (Трансмиссия)
Df140z/wz counter rotation

Starting motor (Двигатель электростартера)

Starting motor (Двигатель электростартера)

Magneto (Магнето)

Magneto (Магнето)

Rectifier (Выпрямитель)

Rectifier (Выпрямитель)

Ignition coil (Катушка зажигания)

Ignition coil (Катушка зажигания)

Sensor (Датчик)

Sensor (Датчик)

Harness (Жгут проводов)

Harness (Жгут проводов)

Ptt switch & engine control unit (Переключатель гидроподъёма & Блок управления двигателем)

Ptt switch & engine control unit (Переключатель гидроподъёма & Блок управления двигателем)
Model: 02

Ptt switch & engine control unit (Переключатель гидроподъёма & Блок управления двигателем)

Ptt switch & engine control unit (Переключатель гидроподъёма & Блок управления двигателем)
Model: 04~

Clamp bracket (Кронштейн транца)

Clamp bracket (Кронштейн транца)

Swivel bracket (Поворотный кронштейн)

Swivel bracket (Поворотный кронштейн)

Trim cylinder (Цилиндр трима)

Trim cylinder (Цилиндр трима)

Ptt motor (Двигатель гидроподъёма)

Ptt motor (Двигатель гидроподъёма)

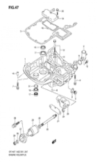
Engine holder (Основание двигателя)

Engine holder (Основание двигателя)

Engine holder (Основание двигателя)

Engine holder (Основание двигателя)
Df140t/wt: 682149~

Drive shaft housing (Корпус вала передачи)

Drive shaft housing (Корпус вала передачи)

Gear case (Картер коробки передач)

Gear case (Картер коробки передач)
Df140t/wt

Gear case (Картер коробки передач)

Gear case (Картер коробки передач)
Df140z/wz counter rotation

Side cover (Боковая крышка)

Side cover (Боковая крышка)

Engine cover (Крышка двигателя (капот))

Engine cover (Крышка двигателя (капот))
Model: 02

Engine cover (Крышка двигателя (капот))

Engine cover (Крышка двигателя (капот))
Model: 03~09

Engine cover (Крышка двигателя (капот))

Engine cover (Крышка двигателя (капот))
Model: 10~

Fuel tank (Топливный бак)

Fuel tank (Топливный бак)
Plastic

Remote control (Дистанционное управление)

Remote control (Дистанционное управление)
Model: 02

Remote control (Дистанционное управление)

Remote control (Дистанционное управление)
Model: 04

Remote control (Дистанционное управление)

Remote control (Дистанционное управление)
Model: 05~

Drag link (Переключающая тяга)

Drag link (Переключающая тяга)

Meter (Прибор)

Meter (Прибор)
Optional;

Meter (Прибор)

Meter (Прибор)
Optional; model: 05~

Meter (Прибор)

Meter (Прибор)
Optional; model: 08~

Harness (Жгут проводов)

Harness (Жгут проводов)
Optional;

Harness (Жгут проводов)

Harness (Жгут проводов)
Optional; model: 08~

Switch (Переключатель)

Switch (Переключатель)
Optional; df140t model: 02~04

Switch (Переключатель)

Switch (Переключатель)
Optional; df140z counter rotation model: 02~04

Switch (Переключатель)

Switch (Переключатель)
Optional; model: 05~

Trim switch (Переключатель трима)

Trim switch (Переключатель трима)
Optional; model: 02~04

Top mount dual (сдвоенное ДУ, монтаж сверху)

Top mount dual (сдвоенное ДУ, монтаж сверху)
Optional;

Top mount dual (сдвоенное ДУ, монтаж сверху)

Top mount dual (сдвоенное ДУ, монтаж сверху)
Optional;

Top mount single (одинарное, монтаж сверху)

Top mount single (одинарное, монтаж сверху)
Optional; 1)(model: 05~

Top mount single (одинарное, монтаж сверху)

Top mount single (одинарное, монтаж сверху)
Optional; 2)(model: 05~

Gasket set (Комплект прокладок)

Gasket set (Комплект прокладок)
Optional;




 
 

данный сайт носит информационный характер и не является публичной офертой

склад запчастей для водомоторной техники