вконтакте

Контактный телефон: +7 (981) 121-46-93, +7 (800) 200-90-76 , Email: parts-katalog@yandex.ru, где купить

 
 

  Логин:

Пароль:

Регистрация

www.partskatalog.ru Все каталоги Запчасти Mercury Запчасти Suzuki Запчасти Tohatsu Запчасти Honda Контакты



УВАЖАЕМЫЕ КЛИЕНТЫ!
C 19 ДЕКАБРЯ 2025 ПО 02 МАРТА 2026 ГОДА ОТДЕЛ ЗАПЧАСТЕЙ И СЕРВИС РАБОТАТЬ НЕ БУДУТ
ПРОДАЖА ЛОДОЧНЫХ МОТОРОВ В ШТАТНОМ РЕЖИМЕ
ОБ ИЗМЕНЕНИЯХ В ГРАФИКЕ РАБОТЫ ЧИТАЙТЕ НА САЙТА




запчастиsuzuki

Узнать наличие и цену запчасти:

Вернуться к началу выбора

Поиск модели по серийному номеру


РЕЖИМЫ ПРОСМОТРА

Все узлы и детали

Тип двигателя: 4x - тактный

Модель двигателя: Suzuki DF140

Модификация Вашего двигателя:   Suzuki DF-140T(E01) prd
Код модели двигателя: DF140(Z)TL/X; DF140W(Z)TL/X
Год выпуска двигателя: 2011
Регион: General Export No.1 ,Код региона: P01
Цвет: Shadow Black Metallic


Поиск запчастей по коду или названию


   Выберите раздел

найти расходники на лодочные моторы Suzuki

Начните вводить запрос

Catalog preface (Каталог)

Catalog preface (Каталог)

Catalog preface (Каталог)

Catalog preface (Каталог)

Color chart (Таблица цветов)

Color chart (Таблица цветов)

Cylinder head (Головка блока цилиндра)

Cylinder head (Головка блока цилиндра)

Cylinder block (Блок цилиндра)

Cylinder block (Блок цилиндра)

Ring gear cover (Крышка механизма маховика)

Ring gear cover (Крышка механизма маховика)
Df140t e1

Ring gear cover (Крышка механизма маховика)

Ring gear cover (Крышка механизма маховика)
Df140t e40

Ring gear cover (Крышка механизма маховика)

Ring gear cover (Крышка механизма маховика)
Df140z e1

Ring gear cover (Крышка механизма маховика)

Ring gear cover (Крышка механизма маховика)
Df140z e40

Crankshaft (Коленвал)

Crankshaft (Коленвал)

Timing chain (Распределяющая цепь)

Timing chain (Распределяющая цепь)

Camshaft (Распределительный вал)

Camshaft (Распределительный вал)
Df140t e1

Camshaft (Распределительный вал)

Camshaft (Распределительный вал)
Df140t e40

Camshaft (Распределительный вал)

Camshaft (Распределительный вал)
Df140z e1

Camshaft (Распределительный вал)

Camshaft (Распределительный вал)
Df140z e40

Intake manifold (Впускной коллектор)

Intake manifold (Впускной коллектор)

Silencer (Глушитель)

Silencer (Глушитель)

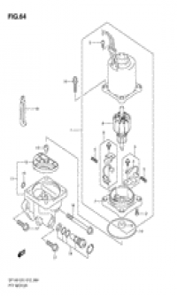
Fuel vapor separator (Отделитель паров топлива)

Fuel vapor separator (Отделитель паров топлива)
Df140t e1

Fuel vapor separator (Отделитель паров топлива)

Fuel vapor separator (Отделитель паров топлива)
Df140t e40

Fuel vapor separator (Отделитель паров топлива)

Fuel vapor separator (Отделитель паров топлива)
Df140z e1

Fuel vapor separator (Отделитель паров топлива)

Fuel vapor separator (Отделитель паров топлива)
Df140z e40

Fuel injector (Топливный инжектор)

Fuel injector (Топливный инжектор)
Df140t e1

Fuel injector (Топливный инжектор)

Fuel injector (Топливный инжектор)
Df140t e40

Fuel injector (Топливный инжектор)

Fuel injector (Топливный инжектор)
Df140z e1

Fuel injector (Топливный инжектор)

Fuel injector (Топливный инжектор)
Df140z e40

Fuel pump (Топливный насос)

Fuel pump (Топливный насос)
Df140t e1

Fuel pump (Топливный насос)

Fuel pump (Топливный насос)
Df140t e40

Fuel pump (Топливный насос)

Fuel pump (Топливный насос)
Df140z e1

Fuel pump (Топливный насос)

Fuel pump (Топливный насос)
Df140z e40

Water pump (Водяной насос)

Water pump (Водяной насос)
Df140t e1

Water pump (Водяной насос)

Water pump (Водяной насос)
Df140t e40

Water pump (Водяной насос)

Water pump (Водяной насос)
Df140z e1

Water pump (Водяной насос)

Water pump (Водяной насос)
Df140z e40

Thermostat (Термостат)

Thermostat (Термостат)
Df140t e1

Thermostat (Термостат)

Thermostat (Термостат)
Df140t e40

Thermostat (Термостат)

Thermostat (Термостат)
Df140z e1

Thermostat (Термостат)

Thermostat (Термостат)
Df140z e40

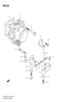
Throttle body (Дроссель газа)

Throttle body (Дроссель газа)

Oil pump (Масляный насос)

Oil pump (Масляный насос)

Oil filter (Масляный фильтр)

Oil filter (Масляный фильтр)

Oil pan (Масляный поддон)

Oil pan (Масляный поддон)

Clutch shaft (Сцепление Вал)

Clutch shaft (Сцепление Вал)

Clutch rod (Тяга сцепления)

Clutch rod (Тяга сцепления)
Df140t e1

Clutch rod (Тяга сцепления)

Clutch rod (Тяга сцепления)
Df140t e40

Clutch rod (Тяга сцепления)

Clutch rod (Тяга сцепления)
Df140z e1

Clutch rod (Тяга сцепления)

Clutch rod (Тяга сцепления)
Df140z e40

Transmission (Трансмиссия)

Transmission (Трансмиссия)
Df140t e1

Transmission (Трансмиссия)

Transmission (Трансмиссия)
Df140t e40

Transmission (Трансмиссия)

Transmission (Трансмиссия)
Df140z e1

Transmission (Трансмиссия)

Transmission (Трансмиссия)
Df140z e40

Starting motor (Двигатель электростартера)

Starting motor (Двигатель электростартера)

Magneto (Магнето)

Magneto (Магнето)

Rectifier (Выпрямитель)

Rectifier (Выпрямитель)

Ignition coil (Катушка зажигания)

Ignition coil (Катушка зажигания)

Sensor (Датчик)

Sensor (Датчик)
Df140t e1

Sensor (Датчик)

Sensor (Датчик)
Df140t e40

Sensor (Датчик)

Sensor (Датчик)
Df140z e1

Sensor (Датчик)

Sensor (Датчик)
Df140z e40

Harness (Жгут проводов)

Harness (Жгут проводов)

Ptt switch & engine control unit (Переключатель гидроподъёма & Блок управления двигателем)

Ptt switch & engine control unit (Переключатель гидроподъёма & Блок управления двигателем)
Df140t e1

Ptt switch & engine control unit (Переключатель гидроподъёма & Блок управления двигателем)

Ptt switch & engine control unit (Переключатель гидроподъёма & Блок управления двигателем)
Df140t e40

Ptt switch & engine control unit (Переключатель гидроподъёма & Блок управления двигателем)

Ptt switch & engine control unit (Переключатель гидроподъёма & Блок управления двигателем)
Df140z e1

Ptt switch & engine control unit (Переключатель гидроподъёма & Блок управления двигателем)

Ptt switch & engine control unit (Переключатель гидроподъёма & Блок управления двигателем)
Df140z e40

Clamp bracket (Кронштейн транца)

Clamp bracket (Кронштейн транца)

Swivel bracket (Поворотный кронштейн)

Swivel bracket (Поворотный кронштейн)

Trim cylinder (Цилиндр трима)

Trim cylinder (Цилиндр трима)

Ptt motor (Двигатель гидроподъёма)

Ptt motor (Двигатель гидроподъёма)

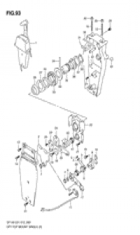
Engine holder (Основание двигателя)

Engine holder (Основание двигателя)

Drive shaft housing (Корпус вала передачи)

Drive shaft housing (Корпус вала передачи)

Gear case (Картер коробки передач)

Gear case (Картер коробки передач)
Df140t e1

Gear case (Картер коробки передач)

Gear case (Картер коробки передач)
Df140t e40

Gear case (Картер коробки передач)

Gear case (Картер коробки передач)
Df140z e1

Gear case (Картер коробки передач)

Gear case (Картер коробки передач)
Df140z e40

Side cover (Боковая крышка)

Side cover (Боковая крышка)

Engine cover (Крышка двигателя (капот))

Engine cover (Крышка двигателя (капот))
Df140t e1

Engine cover (Крышка двигателя (капот))

Engine cover (Крышка двигателя (капот))
Df140t e40

Engine cover (Крышка двигателя (капот))

Engine cover (Крышка двигателя (капот))
Df140z e1

Engine cover (Крышка двигателя (капот))

Engine cover (Крышка двигателя (капот))
Df140z e40

Fuel tank (Топливный бак)

Fuel tank (Топливный бак)

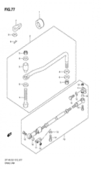
Drag link (Переключающая тяга)

Drag link (Переключающая тяга)

Meter (Прибор)

Meter (Прибор)
Optional;

Meter (Прибор)

Meter (Прибор)
Optional;

Harness (Жгут проводов)

Harness (Жгут проводов)
Optional; df140t e1

Harness (Жгут проводов)

Harness (Жгут проводов)
Optional; df140t e40

Harness (Жгут проводов)

Harness (Жгут проводов)
Optional; df140z e1

Harness (Жгут проводов)

Harness (Жгут проводов)
Optional; df140z e40

Harness (Жгут проводов)

Harness (Жгут проводов)
Optional;

Switch (Переключатель)

Switch (Переключатель)
Optional; df140t e1

Switch (Переключатель)

Switch (Переключатель)
Optional; df140t e40

Switch (Переключатель)

Switch (Переключатель)
Optional; df140z e1

Switch (Переключатель)

Switch (Переключатель)
Optional; df140z e40

Remote control (Дистанционное управление)

Remote control (Дистанционное управление)
Optional;

Top mount dual (сдвоенное ДУ, монтаж сверху)

Top mount dual (сдвоенное ДУ, монтаж сверху)
Optional;

Top mount dual (сдвоенное ДУ, монтаж сверху)

Top mount dual (сдвоенное ДУ, монтаж сверху)
Optional;

Top mount single (одинарное, монтаж сверху)

Top mount single (одинарное, монтаж сверху)
Optional;

Top mount single (одинарное, монтаж сверху)

Top mount single (одинарное, монтаж сверху)
Optional;

Gasket set (Комплект прокладок)

Gasket set (Комплект прокладок)
Optional; df140t e1

Gasket set (Комплект прокладок)

Gasket set (Комплект прокладок)
Optional; df140t e40

Gasket set (Комплект прокладок)

Gasket set (Комплект прокладок)
Optional; df140z e1

Gasket set (Комплект прокладок)

Gasket set (Комплект прокладок)
Optional; df140z e40




 
 

данный сайт носит информационный характер и не является публичной офертой

склад запчастей для водомоторной техники