вконтакте

Контактный телефон: +7 (981) 121-46-93, +7 (800) 200-90-76 , Email: parts-katalog@yandex.ru, где купить

 
 

  Логин:

Пароль:

Регистрация

www.partskatalog.ru Все каталоги Запчасти Mercury Запчасти Suzuki Запчасти Tohatsu Запчасти Honda Контакты



УВАЖАЕМЫЕ КЛИЕНТЫ!
C 31 ОКТЯБРЯ 2025 ПО 10 НОЯБРЯ 2025 ГОДА РАБОТАТЬ НЕ БУДЕМ




запчастиsuzuki

Узнать наличие и цену запчасти:

Вернуться к началу выбора

Поиск модели по серийному номеру


РЕЖИМЫ ПРОСМОТРА

Все узлы и детали

Тип двигателя: 4x - тактный

Модель двигателя: Suzuki DF150

Модификация Вашего двигателя:   Suzuki DF-150T(175) prd
Код модели двигателя: DF150(Z)TL/X
Год выпуска двигателя: 2011
Цвет: Shadow Black Metallic


Поиск запчастей по коду или названию


   Выберите раздел

найти расходники на лодочные моторы Suzuki

Начните вводить запрос

Catalog preface (Каталог)

Catalog preface (Каталог)

Catalog preface (Каталог)

Catalog preface (Каталог)

Color chart (Таблица цветов)

Color chart (Таблица цветов)

Cylinder head (Головка блока цилиндра)

Cylinder head (Головка блока цилиндра)
Df150t e1

Cylinder head (Головка блока цилиндра)

Cylinder head (Головка блока цилиндра)
Df150t e40

Cylinder head (Головка блока цилиндра)

Cylinder head (Головка блока цилиндра)
Df150z e1

Cylinder head (Головка блока цилиндра)

Cylinder head (Головка блока цилиндра)
Df150z e40

Cylinder head (Головка блока цилиндра)

Cylinder head (Головка блока цилиндра)
Df175t e1

Cylinder head (Головка блока цилиндра)

Cylinder head (Головка блока цилиндра)
Df175t e40

Cylinder head (Головка блока цилиндра)

Cylinder head (Головка блока цилиндра)
Df175z e1

Cylinder head (Головка блока цилиндра)

Cylinder head (Головка блока цилиндра)
Df175z e40

Cylinder block (Блок цилиндра)

Cylinder block (Блок цилиндра)

Crankshaft (Коленвал)

Crankshaft (Коленвал)

Balancer

Balancer

Timing chain (Распределяющая цепь)

Timing chain (Распределяющая цепь)

Camshaft (Распределительный вал)

Camshaft (Распределительный вал)
Df150t e1

Camshaft (Распределительный вал)

Camshaft (Распределительный вал)
Df150t e40

Camshaft (Распределительный вал)

Camshaft (Распределительный вал)
Df150z e1

Camshaft (Распределительный вал)

Camshaft (Распределительный вал)
Df150z e40

Camshaft (Распределительный вал)

Camshaft (Распределительный вал)
Df175t e1

Camshaft (Распределительный вал)

Camshaft (Распределительный вал)
Df175t e40

Camshaft (Распределительный вал)

Camshaft (Распределительный вал)
Df175z e1

Camshaft (Распределительный вал)

Camshaft (Распределительный вал)
Df175z e40

Intake manifold / throttle body (Впускной коллектор / Дроссель газа)

Intake manifold / throttle body (Впускной коллектор / Дроссель газа)

Silencer / ring gear cover (Глушитель / Крышка механизма маховика)

Silencer / ring gear cover (Глушитель / Крышка механизма маховика)
Df150t e1

Silencer / ring gear cover (Глушитель / Крышка механизма маховика)

Silencer / ring gear cover (Глушитель / Крышка механизма маховика)
Df150t e40

Silencer / ring gear cover (Глушитель / Крышка механизма маховика)

Silencer / ring gear cover (Глушитель / Крышка механизма маховика)
Df150z e1

Silencer / ring gear cover (Глушитель / Крышка механизма маховика)

Silencer / ring gear cover (Глушитель / Крышка механизма маховика)
Df150z e40

Silencer / ring gear cover (Глушитель / Крышка механизма маховика)

Silencer / ring gear cover (Глушитель / Крышка механизма маховика)
Df175t e1

Silencer / ring gear cover (Глушитель / Крышка механизма маховика)

Silencer / ring gear cover (Глушитель / Крышка механизма маховика)
Df175t e40

Silencer / ring gear cover (Глушитель / Крышка механизма маховика)

Silencer / ring gear cover (Глушитель / Крышка механизма маховика)
Df175z e1

Silencer / ring gear cover (Глушитель / Крышка механизма маховика)

Silencer / ring gear cover (Глушитель / Крышка механизма маховика)
Df175z e40

Exhaust cover (Кожух выхлопной трубы)

Exhaust cover (Кожух выхлопной трубы)

Fuel vapor separator (Отделитель паров топлива)

Fuel vapor separator (Отделитель паров топлива)
Df150t e1

Fuel vapor separator (Отделитель паров топлива)

Fuel vapor separator (Отделитель паров топлива)
Df150t e40

Fuel vapor separator (Отделитель паров топлива)

Fuel vapor separator (Отделитель паров топлива)
Df150z e1

Fuel vapor separator (Отделитель паров топлива)

Fuel vapor separator (Отделитель паров топлива)
Df150z e40

Fuel vapor separator (Отделитель паров топлива)

Fuel vapor separator (Отделитель паров топлива)
Df175t e1

Fuel vapor separator (Отделитель паров топлива)

Fuel vapor separator (Отделитель паров топлива)
Df175t e40

Fuel vapor separator (Отделитель паров топлива)

Fuel vapor separator (Отделитель паров топлива)
Df175z e1

Fuel vapor separator (Отделитель паров топлива)

Fuel vapor separator (Отделитель паров топлива)
Df175z e40

Fuel injector (Топливный инжектор)

Fuel injector (Топливный инжектор)
Df150t e1

Fuel injector (Топливный инжектор)

Fuel injector (Топливный инжектор)
Df150t e40

Fuel injector (Топливный инжектор)

Fuel injector (Топливный инжектор)
Df150z e1

Fuel injector (Топливный инжектор)

Fuel injector (Топливный инжектор)
Df150z e40

Fuel injector (Топливный инжектор)

Fuel injector (Топливный инжектор)
Df175t e1

Fuel injector (Топливный инжектор)

Fuel injector (Топливный инжектор)
Df175t e40

Fuel injector (Топливный инжектор)

Fuel injector (Топливный инжектор)
Df175z e1

Fuel injector (Топливный инжектор)

Fuel injector (Топливный инжектор)
Df175z e40

Fuel pump (Топливный насос)

Fuel pump (Топливный насос)
Df150t e1

Fuel pump (Топливный насос)

Fuel pump (Топливный насос)
Df150t e40

Fuel pump (Топливный насос)

Fuel pump (Топливный насос)
Df150z e1

Fuel pump (Топливный насос)

Fuel pump (Топливный насос)
Df150z e40

Fuel pump (Топливный насос)

Fuel pump (Топливный насос)
Df175t e1

Fuel pump (Топливный насос)

Fuel pump (Топливный насос)
Df175t e40

Fuel pump (Топливный насос)

Fuel pump (Топливный насос)
Df175z e1

Fuel pump (Топливный насос)

Fuel pump (Топливный насос)
Df175z e40

Water pump (Водяной насос)

Water pump (Водяной насос)
Df150t e1

Water pump (Водяной насос)

Water pump (Водяной насос)
Df150t e40

Water pump (Водяной насос)

Water pump (Водяной насос)
Df150z e1

Water pump (Водяной насос)

Water pump (Водяной насос)
Df150z e40

Water pump (Водяной насос)

Water pump (Водяной насос)
Df175t e1

Water pump (Водяной насос)

Water pump (Водяной насос)
Df175t e40

Water pump (Водяной насос)

Water pump (Водяной насос)
Df175z e1

Water pump (Водяной насос)

Water pump (Водяной насос)
Df175z e40

Thermostat (Термостат)

Thermostat (Термостат)

Throttle rod (Тяга дросселя)

Throttle rod (Тяга дросселя)

Oil pump (Масляный насос)

Oil pump (Масляный насос)

Oil filter (Масляный фильтр)

Oil filter (Масляный фильтр)

Oil pan (Масляный поддон)

Oil pan (Масляный поддон)

Clutch shaft (Сцепление Вал)

Clutch shaft (Сцепление Вал)
Df150t e1

Clutch shaft (Сцепление Вал)

Clutch shaft (Сцепление Вал)
Df150t e40

Clutch shaft (Сцепление Вал)

Clutch shaft (Сцепление Вал)
Df150z e1

Clutch shaft (Сцепление Вал)

Clutch shaft (Сцепление Вал)
Df150z e40

Clutch shaft (Сцепление Вал)

Clutch shaft (Сцепление Вал)
Df175t e1

Clutch shaft (Сцепление Вал)

Clutch shaft (Сцепление Вал)
Df175t e40

Clutch shaft (Сцепление Вал)

Clutch shaft (Сцепление Вал)
Df175z e1

Clutch shaft (Сцепление Вал)

Clutch shaft (Сцепление Вал)
Df175z e40

Clutch rod (Тяга сцепления)

Clutch rod (Тяга сцепления)
Df150t e1

Clutch rod (Тяга сцепления)

Clutch rod (Тяга сцепления)
Df150t e40

Clutch rod (Тяга сцепления)

Clutch rod (Тяга сцепления)
Df150z e1

Clutch rod (Тяга сцепления)

Clutch rod (Тяга сцепления)
Df150z e40

Clutch rod (Тяга сцепления)

Clutch rod (Тяга сцепления)
Df175t e1

Clutch rod (Тяга сцепления)

Clutch rod (Тяга сцепления)
Df175t e40

Clutch rod (Тяга сцепления)

Clutch rod (Тяга сцепления)
Df175z e1

Clutch rod (Тяга сцепления)

Clutch rod (Тяга сцепления)
Df175z e40

Transmission (Трансмиссия)

Transmission (Трансмиссия)
Df150t e1

Transmission (Трансмиссия)

Transmission (Трансмиссия)
Df150t e40

Transmission (Трансмиссия)

Transmission (Трансмиссия)
Df150z e1

Transmission (Трансмиссия)

Transmission (Трансмиссия)
Df150z e40

Transmission (Трансмиссия)

Transmission (Трансмиссия)
Df175t e1

Transmission (Трансмиссия)

Transmission (Трансмиссия)
Df175t e40

Transmission (Трансмиссия)

Transmission (Трансмиссия)
Df175z e1

Transmission (Трансмиссия)

Transmission (Трансмиссия)
Df175z e40

Starting motor (Двигатель электростартера)

Starting motor (Двигатель электростартера)

Magneto (Магнето)

Magneto (Магнето)
Df150t e1

Magneto (Магнето)

Magneto (Магнето)
Df150t e40

Magneto (Магнето)

Magneto (Магнето)
Df150z e1

Magneto (Магнето)

Magneto (Магнето)
Df150z e40

Magneto (Магнето)

Magneto (Магнето)
Df175t e1

Magneto (Магнето)

Magneto (Магнето)
Df175t e40

Magneto (Магнето)

Magneto (Магнето)
Df175z e1

Magneto (Магнето)

Magneto (Магнето)
Df175z e40

Rectifier / ignition coil (Выпрямитель / Катушка зажигания)

Rectifier / ignition coil (Выпрямитель / Катушка зажигания)

Sensor (Датчик)

Sensor (Датчик)

Harness (Жгут проводов)

Harness (Жгут проводов)
Df150t e1

Harness (Жгут проводов)

Harness (Жгут проводов)
Df150t e40

Harness (Жгут проводов)

Harness (Жгут проводов)
Df150z e1

Harness (Жгут проводов)

Harness (Жгут проводов)
Df150z e40

Harness (Жгут проводов)

Harness (Жгут проводов)
Df175t e1

Harness (Жгут проводов)

Harness (Жгут проводов)
Df175t e40

Harness (Жгут проводов)

Harness (Жгут проводов)
Df175z e1

Harness (Жгут проводов)

Harness (Жгут проводов)
Df175z e40

Ptt switch / engine control unit (Переключатель гидроподъёма / Блок управления двигателем)

Ptt switch / engine control unit (Переключатель гидроподъёма / Блок управления двигателем)
Df150t e1

Ptt switch / engine control unit (Переключатель гидроподъёма / Блок управления двигателем)

Ptt switch / engine control unit (Переключатель гидроподъёма / Блок управления двигателем)
Df150t e40

Ptt switch / engine control unit (Переключатель гидроподъёма / Блок управления двигателем)

Ptt switch / engine control unit (Переключатель гидроподъёма / Блок управления двигателем)
Df150z e1

Ptt switch / engine control unit (Переключатель гидроподъёма / Блок управления двигателем)

Ptt switch / engine control unit (Переключатель гидроподъёма / Блок управления двигателем)
Df150z e40

Ptt switch / engine control unit (Переключатель гидроподъёма / Блок управления двигателем)

Ptt switch / engine control unit (Переключатель гидроподъёма / Блок управления двигателем)
Df175t e1

Ptt switch / engine control unit (Переключатель гидроподъёма / Блок управления двигателем)

Ptt switch / engine control unit (Переключатель гидроподъёма / Блок управления двигателем)
Df175t e40

Ptt switch / engine control unit (Переключатель гидроподъёма / Блок управления двигателем)

Ptt switch / engine control unit (Переключатель гидроподъёма / Блок управления двигателем)
Df175z e1

Ptt switch / engine control unit (Переключатель гидроподъёма / Блок управления двигателем)

Ptt switch / engine control unit (Переключатель гидроподъёма / Блок управления двигателем)
Df175z e40

Clamp bracket (Кронштейн транца)

Clamp bracket (Кронштейн транца)

Swivel bracket (Поворотный кронштейн)

Swivel bracket (Поворотный кронштейн)
Df150t e1

Swivel bracket (Поворотный кронштейн)

Swivel bracket (Поворотный кронштейн)
Df150t e40

Swivel bracket (Поворотный кронштейн)

Swivel bracket (Поворотный кронштейн)
Df150z e1

Swivel bracket (Поворотный кронштейн)

Swivel bracket (Поворотный кронштейн)
Df150z e40

Swivel bracket (Поворотный кронштейн)

Swivel bracket (Поворотный кронштейн)
Df175t e1

Swivel bracket (Поворотный кронштейн)

Swivel bracket (Поворотный кронштейн)
Df175t e40

Swivel bracket (Поворотный кронштейн)

Swivel bracket (Поворотный кронштейн)
Df175z e1

Swivel bracket (Поворотный кронштейн)

Swivel bracket (Поворотный кронштейн)
Df175z e40

Trim cylinder (Цилиндр трима)

Trim cylinder (Цилиндр трима)

Ptt motor (Двигатель гидроподъёма)

Ptt motor (Двигатель гидроподъёма)

Engine holder (Основание двигателя)

Engine holder (Основание двигателя)

Drive shaft housing (Корпус вала передачи)

Drive shaft housing (Корпус вала передачи)
Df150t e1

Drive shaft housing (Корпус вала передачи)

Drive shaft housing (Корпус вала передачи)
Df150t e40

Drive shaft housing (Корпус вала передачи)

Drive shaft housing (Корпус вала передачи)
Df150z e1

Drive shaft housing (Корпус вала передачи)

Drive shaft housing (Корпус вала передачи)
Df150z e40

Drive shaft housing (Корпус вала передачи)

Drive shaft housing (Корпус вала передачи)
Df175t e1

Drive shaft housing (Корпус вала передачи)

Drive shaft housing (Корпус вала передачи)
Df175t e40

Drive shaft housing (Корпус вала передачи)

Drive shaft housing (Корпус вала передачи)
Df175z e1

Drive shaft housing (Корпус вала передачи)

Drive shaft housing (Корпус вала передачи)
Df175z e40

Gear case (Картер коробки передач)

Gear case (Картер коробки передач)
Df150t e1

Gear case (Картер коробки передач)

Gear case (Картер коробки передач)
Df150t e40

Gear case (Картер коробки передач)

Gear case (Картер коробки передач)
Df150z e1

Gear case (Картер коробки передач)

Gear case (Картер коробки передач)
Df150z e40

Gear case (Картер коробки передач)

Gear case (Картер коробки передач)
Df175t e1

Gear case (Картер коробки передач)

Gear case (Картер коробки передач)
Df175t e40

Gear case (Картер коробки передач)

Gear case (Картер коробки передач)
Df175z e1

Gear case (Картер коробки передач)

Gear case (Картер коробки передач)
Df175z e40

Side cover (Боковая крышка)

Side cover (Боковая крышка)
Df150t e1

Side cover (Боковая крышка)

Side cover (Боковая крышка)
Df150t e40

Side cover (Боковая крышка)

Side cover (Боковая крышка)
Df150z e1

Side cover (Боковая крышка)

Side cover (Боковая крышка)
Df150z e40

Side cover (Боковая крышка)

Side cover (Боковая крышка)
Df175t e1

Side cover (Боковая крышка)

Side cover (Боковая крышка)
Df175t e40

Side cover (Боковая крышка)

Side cover (Боковая крышка)
Df175z e1

Side cover (Боковая крышка)

Side cover (Боковая крышка)
Df175z e40

Engine cover (Крышка двигателя (капот))

Engine cover (Крышка двигателя (капот))
Df150t e1

Engine cover (Крышка двигателя (капот))

Engine cover (Крышка двигателя (капот))
Df150t e40

Engine cover (Крышка двигателя (капот))

Engine cover (Крышка двигателя (капот))
Df150z e1

Engine cover (Крышка двигателя (капот))

Engine cover (Крышка двигателя (капот))
Df150z e40

Engine cover (Крышка двигателя (капот))

Engine cover (Крышка двигателя (капот))
Df175t e1

Engine cover (Крышка двигателя (капот))

Engine cover (Крышка двигателя (капот))
Df175t e40

Engine cover (Крышка двигателя (капот))

Engine cover (Крышка двигателя (капот))
Df175z e1

Engine cover (Крышка двигателя (капот))

Engine cover (Крышка двигателя (капот))
Df175z e40

Fuel hose (Топливный шланг)

Fuel hose (Топливный шланг)
Df150t e40

Fuel hose (Топливный шланг)

Fuel hose (Топливный шланг)
Df150z e1

Fuel hose (Топливный шланг)

Fuel hose (Топливный шланг)
Df150z e40

Fuel hose (Топливный шланг)

Fuel hose (Топливный шланг)
Df175t e1

Fuel hose (Топливный шланг)

Fuel hose (Топливный шланг)
Df175t e40

Fuel hose (Топливный шланг)

Fuel hose (Топливный шланг)
Df175z e1

Fuel hose (Топливный шланг)

Fuel hose (Топливный шланг)
Df175z e1

Fuel hose (Топливный шланг)

Fuel hose (Топливный шланг)
Df175z e40

Drag link (Переключающая тяга)

Drag link (Переключающая тяга)

Remote control (Дистанционное управление)

Remote control (Дистанционное управление)
Optional;

Meter (Прибор)

Meter (Прибор)
Df150t e1

Meter (Прибор)

Meter (Прибор)
Df150t e40

Meter (Прибор)

Meter (Прибор)
Df150z e1

Meter (Прибор)

Meter (Прибор)
Df150z e40

Meter (Прибор)

Meter (Прибор)
Df175t e1

Meter (Прибор)

Meter (Прибор)
Df175t e40

Meter (Прибор)

Meter (Прибор)
Df175z e1

Meter (Прибор)

Meter (Прибор)
Df175z e40

Meter (Прибор)

Meter (Прибор)
Optional;

Meter (Прибор)

Meter (Прибор)
Optional;

Harness (Жгут проводов)

Harness (Жгут проводов)
Optional; 1) (df150t e1

Harness (Жгут проводов)

Harness (Жгут проводов)
Optional; 1) (df150t e40

Harness (Жгут проводов)

Harness (Жгут проводов)
Optional; 1) (df150z e1

Harness (Жгут проводов)

Harness (Жгут проводов)
Optional; 1) (df150z e40

Harness (Жгут проводов)

Harness (Жгут проводов)
Optional; 1) (df175t e1

Harness (Жгут проводов)

Harness (Жгут проводов)
Optional; 1) (df175t e40

Harness (Жгут проводов)

Harness (Жгут проводов)
Optional; 1) (df175z e1

Harness (Жгут проводов)

Harness (Жгут проводов)
Optional; 1) (df175z e40

Harness (Жгут проводов)

Harness (Жгут проводов)
Optional;

Switch (Переключатель)

Switch (Переключатель)
Optional;

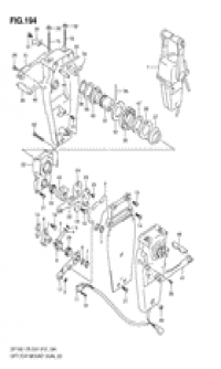
Top mount dual (сдвоенное ДУ, монтаж сверху)

Top mount dual (сдвоенное ДУ, монтаж сверху)
Optional;

Top mount dual (сдвоенное ДУ, монтаж сверху)

Top mount dual (сдвоенное ДУ, монтаж сверху)
Optional;

Top mount single (одинарное, монтаж сверху)

Top mount single (одинарное, монтаж сверху)
Optional;

Top mount single (одинарное, монтаж сверху)

Top mount single (одинарное, монтаж сверху)
Optional;

Concealed remocon

Concealed remocon
Optional;

Concealed remocon

Concealed remocon
Optional;

Tie rod (Tie Тяга)

Tie rod (Tie Тяга)
Optional;

Gasket set (Комплект прокладок)

Gasket set (Комплект прокладок)
Optional; df150t e1

Gasket set (Комплект прокладок)

Gasket set (Комплект прокладок)
Optional; df150t e40

Gasket set (Комплект прокладок)

Gasket set (Комплект прокладок)
Optional; df150z e1

Gasket set (Комплект прокладок)

Gasket set (Комплект прокладок)
Optional; df150z e40

Gasket set (Комплект прокладок)

Gasket set (Комплект прокладок)
Optional; df175t e1

Gasket set (Комплект прокладок)

Gasket set (Комплект прокладок)
Optional; df175t e40

Gasket set (Комплект прокладок)

Gasket set (Комплект прокладок)
Optional; df175z e1

Gasket set (Комплект прокладок)

Gasket set (Комплект прокладок)
Optional; df175z e40




 
 

данный сайт носит информационный характер и не является публичной офертой

склад запчастей для водомоторной техники