вконтакте

Контактный телефон: +7 (981) 121-46-93, +7 (800) 200-90-76 , Email: parts-katalog@yandex.ru, где купить

 
 

  Логин:

Пароль:

Регистрация

www.partskatalog.ru Все каталоги Запчасти Mercury Запчасти Suzuki Запчасти Tohatsu Запчасти Honda Контакты



УВАЖАЕМЫЕ КЛИЕНТЫ!
C 19 ДЕКАБРЯ 2025 ПО 02 МАРТА 2026 ГОДА ОТДЕЛ ЗАПЧАСТЕЙ И СЕРВИС РАБОТАТЬ НЕ БУДУТ
ПРОДАЖА ЛОДОЧНЫХ МОТОРОВ В ШТАТНОМ РЕЖИМЕ
ОБ ИЗМЕНЕНИЯХ В ГРАФИКЕ РАБОТЫ ЧИТАЙТЕ НА САЙТА




запчастиsuzuki

Узнать наличие и цену запчасти:

Вернуться к началу выбора

Поиск модели по серийному номеру


РЕЖИМЫ ПРОСМОТРА

Все узлы и детали

Двигатель

Трансмиссия

Электрика

Внешние части

Тип двигателя: 4x - тактный

Модель двигателя: Suzuki DF175

Модификация Вашего двигателя:   Suzuki DF-175ZX
Двигатели с серийным номером после 17502Z-310001
Код модели двигателя: DF175(Z)TL/X
Год выпуска двигателя: 2013
Цвет: Shadow Black Metallic


Поиск запчастей по коду или названию


   Выберите раздел

найти расходники на лодочные моторы Suzuki

Начните вводить запрос

Cylinder head (Головка блока цилиндра)

Cylinder head (Головка блока цилиндра)
(DF150T E03)

Cylinder head (Головка блока цилиндра)

Cylinder head (Головка блока цилиндра)
(DF150Z E03)

Cylinder head (Головка блока цилиндра)

Cylinder head (Головка блока цилиндра)
(DF175T E03)

Cylinder head (Головка блока цилиндра)

Cylinder head (Головка блока цилиндра)
(DF175Z E03)

Cylinder block (Блок цилиндра)

Cylinder block (Блок цилиндра)

Crankshaft (Коленвал)

Crankshaft (Коленвал)

Balancer

Balancer

Timing chain (Распределяющая цепь)

Timing chain (Распределяющая цепь)

Camshaft (Распределительный вал)

Camshaft (Распределительный вал)
(DF150T E03)

Camshaft (Распределительный вал)

Camshaft (Распределительный вал)
(DF150Z E03)

Camshaft (Распределительный вал)

Camshaft (Распределительный вал)
(DF175T E03)

Camshaft (Распределительный вал)

Camshaft (Распределительный вал)
(DF175Z E03)

Intake manifold / throttle body (Впускной коллектор / Дроссель газа)

Intake manifold / throttle body (Впускной коллектор / Дроссель газа)

Silencer / ring gear cover (Глушитель / Крышка механизма маховика)

Silencer / ring gear cover (Глушитель / Крышка механизма маховика)

Exhaust cover (Кожух выхлопной трубы)

Exhaust cover (Кожух выхлопной трубы)

Fuel vapor separator (Отделитель паров топлива)

Fuel vapor separator (Отделитель паров топлива)

Fuel injector (Топливный инжектор)

Fuel injector (Топливный инжектор)

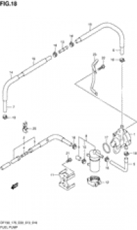
Fuel pump (Топливный насос)

Fuel pump (Топливный насос)

Water pump (Водяной насос)

Water pump (Водяной насос)
(DF150T E03)

Water pump (Водяной насос)

Water pump (Водяной насос)
(DF150Z E03)

Water pump (Водяной насос)

Water pump (Водяной насос)
(DF175T E03)

Water pump (Водяной насос)

Water pump (Водяной насос)
(DF175Z E03)

Thermostat (Термостат)

Thermostat (Термостат)

Throttle rod (Тяга дросселя)

Throttle rod (Тяга дросселя)

Oil pump (Масляный насос)

Oil pump (Масляный насос)

Oil filter (Масляный фильтр)

Oil filter (Масляный фильтр)

Oil pan (Масляный поддон)

Oil pan (Масляный поддон)

Clutch shaft (Сцепление Вал)

Clutch shaft (Сцепление Вал)
(DF150T E03)

Clutch shaft (Сцепление Вал)

Clutch shaft (Сцепление Вал)
(DF150Z E03)

Clutch shaft (Сцепление Вал)

Clutch shaft (Сцепление Вал)
(DF175T E03)

Clutch shaft (Сцепление Вал)

Clutch shaft (Сцепление Вал)
(DF175Z E03)

Clutch rod (Тяга сцепления)

Clutch rod (Тяга сцепления)
(DF150T E03)

Clutch rod (Тяга сцепления)

Clutch rod (Тяга сцепления)
(DF150Z E03)

Clutch rod (Тяга сцепления)

Clutch rod (Тяга сцепления)
(DF175T E03)

Clutch rod (Тяга сцепления)

Clutch rod (Тяга сцепления)
(DF175Z E03)

Transmission (Трансмиссия)

Transmission (Трансмиссия)
(DF150T E03)

Transmission (Трансмиссия)

Transmission (Трансмиссия)
(DF150Z E03)

Transmission (Трансмиссия)

Transmission (Трансмиссия)
(DF175T E03)

Transmission (Трансмиссия)

Transmission (Трансмиссия)
(DF175Z E03)

Starting motor (Двигатель электростартера)

Starting motor (Двигатель электростартера)

Magneto (Магнето)

Magneto (Магнето)
(DF150T E03)

Magneto (Магнето)

Magneto (Магнето)
(DF150Z E03)

Magneto (Магнето)

Magneto (Магнето)
(DF175T E03)

Magneto (Магнето)

Magneto (Магнето)
(DF175Z E03)

Rectifier / ignition coil (Выпрямитель / Катушка зажигания)

Rectifier / ignition coil (Выпрямитель / Катушка зажигания)

Sensor (Датчик)

Sensor (Датчик)

Harness (Жгут проводов)

Harness (Жгут проводов)
(DF150T E03)

Harness (Жгут проводов)

Harness (Жгут проводов)
(DF150Z E03)

Harness (Жгут проводов)

Harness (Жгут проводов)
(DF175T E03)

Harness (Жгут проводов)

Harness (Жгут проводов)
(DF175Z E03)

Ptt switch / engine control unit (Переключатель гидроподъёма / Блок управления двигателем)

Ptt switch / engine control unit (Переключатель гидроподъёма / Блок управления двигателем)

Clamp bracket (Кронштейн транца)

Clamp bracket (Кронштейн транца)

Swivel bracket (Поворотный кронштейн)

Swivel bracket (Поворотный кронштейн)
(DF150T E03)

Swivel bracket (Поворотный кронштейн)

Swivel bracket (Поворотный кронштейн)
(DF150Z E03)

Swivel bracket (Поворотный кронштейн)

Swivel bracket (Поворотный кронштейн)
(DF175T E03)

Swivel bracket (Поворотный кронштейн)

Swivel bracket (Поворотный кронштейн)
(DF175Z E03)

Trim cylinder (Цилиндр трима)

Trim cylinder (Цилиндр трима)

Ptt motor (Двигатель гидроподъёма)

Ptt motor (Двигатель гидроподъёма)

Engine holder (Основание двигателя)

Engine holder (Основание двигателя)

Drive shaft housing (Корпус вала передачи)

Drive shaft housing (Корпус вала передачи)
(DF150T E03)

Drive shaft housing (Корпус вала передачи)

Drive shaft housing (Корпус вала передачи)
(DF150Z E03)

Drive shaft housing (Корпус вала передачи)

Drive shaft housing (Корпус вала передачи)
(DF175T E03)

Drive shaft housing (Корпус вала передачи)

Drive shaft housing (Корпус вала передачи)
(DF175Z E03)

Gear case (Картер коробки передач)

Gear case (Картер коробки передач)
(DF150T E03)

Gear case (Картер коробки передач)

Gear case (Картер коробки передач)
(DF150Z E03)

Gear case (Картер коробки передач)

Gear case (Картер коробки передач)
(DF175T E03)

Gear case (Картер коробки передач)

Gear case (Картер коробки передач)
(DF175Z E03)

Side cover (Боковая крышка)

Side cover (Боковая крышка)
(DF150T E03)

Side cover (Боковая крышка)

Side cover (Боковая крышка)
(DF150Z E03)

Side cover (Боковая крышка)

Side cover (Боковая крышка)
(DF175T E03)

Side cover (Боковая крышка)

Side cover (Боковая крышка)
(DF175Z E03)

Engine cover (Крышка двигателя (капот))

Engine cover (Крышка двигателя (капот))
(DF150T E03:0EP)

Engine cover (Крышка двигателя (капот))

Engine cover (Крышка двигателя (капот))
(DF150T E03:Y5S)

Engine cover (Крышка двигателя (капот))

Engine cover (Крышка двигателя (капот))
(DF150Z E03:0EP)

Engine cover (Крышка двигателя (капот))

Engine cover (Крышка двигателя (капот))
(DF150Z E03:Y5S)

Engine cover (Крышка двигателя (капот))

Engine cover (Крышка двигателя (капот))
(DF175T E03:0EP)

Engine cover (Крышка двигателя (капот))

Engine cover (Крышка двигателя (капот))
(DF175T E03:Y5S)

Engine cover (Крышка двигателя (капот))

Engine cover (Крышка двигателя (капот))
(DF175Z E03:Y5S)

Engine cover (Крышка двигателя (капот))

Engine cover (Крышка двигателя (капот))
(DF175Z E03:0EP)

Fuel hose (Топливный шланг)

Fuel hose (Топливный шланг)

Drag link (Переключающая тяга)

Drag link (Переключающая тяга)

Opt:meter (Опции: приборы)

Opt:meter (Опции: приборы)
(1)

Opt:meter (Опции: приборы)

Opt:meter (Опции: приборы)
(2)

Opt:harness (Опции: жгут проводов)

Opt:harness (Опции: жгут проводов)
(1)

Opt:harness (Опции: жгут проводов)

Opt:harness (Опции: жгут проводов)
(2)

Opt:switch (Опции: переключатели)

Opt:switch (Опции: переключатели)

Opt:remote control (Опции: дистанционное управление)

Opt:remote control (Опции: дистанционное управление)

Opt:top mount dual (Опция: сдвоенное ДУ, монтаж сверху)

Opt:top mount dual (Опция: сдвоенное ДУ, монтаж сверху)
(1)

Opt:top mount dual (Опция: сдвоенное ДУ, монтаж сверху)

Opt:top mount dual (Опция: сдвоенное ДУ, монтаж сверху)
(2)

Opt:top mount single (Опции: одинарное, монтаж сверху)

Opt:top mount single (Опции: одинарное, монтаж сверху)
(1)

Opt:top mount single (Опции: одинарное, монтаж сверху)

Opt:top mount single (Опции: одинарное, монтаж сверху)
(2)

Opt:concealed remocon (Опции: дистанционное управление, скрытая установка)

Opt:concealed remocon (Опции: дистанционное управление, скрытая установка)
(1)

Opt:concealed remocon (Опции: дистанционное управление, скрытая установка)

Opt:concealed remocon (Опции: дистанционное управление, скрытая установка)
(2)

Opt:tie rod (Опции: tie Тяга)

Opt:tie rod (Опции: tie Тяга)

Opt:gasket set (Опции: комплект прокладок)

Opt:gasket set (Опции: комплект прокладок)

Opt:lowrance gauge (Опции: приборы Lowrance)

Opt:lowrance gauge (Опции: приборы Lowrance)




 
 

данный сайт носит информационный характер и не является публичной офертой

склад запчастей для водомоторной техники