вконтакте

Контактный телефон: +7 (981) 121-46-93, +7 (800) 200-90-76 , Email: parts-katalog@yandex.ru, где купить

 
 

  Логин:

Пароль:

Регистрация

www.partskatalog.ru Все каталоги Запчасти Mercury Запчасти Suzuki Запчасти Tohatsu Запчасти Honda Контакты



УВАЖАЕМЫЕ КЛИЕНТЫ!
C 31 ОКТЯБРЯ 2025 ПО 10 НОЯБРЯ 2025 ГОДА РАБОТАТЬ НЕ БУДЕМ




запчастиsuzuki

Узнать наличие и цену запчасти:

Вернуться к началу выбора

Поиск модели по серийному номеру


РЕЖИМЫ ПРОСМОТРА

Все узлы и детали

Двигатель

Трансмиссия

Электрика

Внешние части

Тип двигателя: 4x - тактный

Модель двигателя: Suzuki DF175

Модификация Вашего двигателя:   Suzuki DF-175T
Двигатели с серийным номером после 17502F-210001
Код модели двигателя: DF175(Z)TL/X
Год выпуска двигателя: 2012
Цвет: Shadow Black Metallic


Поиск запчастей по коду или названию


   Выберите раздел

найти расходники на лодочные моторы Suzuki

Начните вводить запрос

Cylinder head (Головка блока цилиндра)

Cylinder head (Головка блока цилиндра)
(DF150T E01)

Cylinder head (Головка блока цилиндра)

Cylinder head (Головка блока цилиндра)
(DF150T E40)

Cylinder head (Головка блока цилиндра)

Cylinder head (Головка блока цилиндра)
(DF150Z E01)

Cylinder head (Головка блока цилиндра)

Cylinder head (Головка блока цилиндра)
(DF150Z E40)

Cylinder head (Головка блока цилиндра)

Cylinder head (Головка блока цилиндра)
(DF175T E01)

Cylinder head (Головка блока цилиндра)

Cylinder head (Головка блока цилиндра)
(DF175T E40)

Cylinder head (Головка блока цилиндра)

Cylinder head (Головка блока цилиндра)
(DF175Z E01)

Cylinder head (Головка блока цилиндра)

Cylinder head (Головка блока цилиндра)
(DF175Z E40)

Cylinder block (Блок цилиндра)

Cylinder block (Блок цилиндра)

Crankshaft (Коленвал)

Crankshaft (Коленвал)

Balancer

Balancer

Timing chain (Распределяющая цепь)

Timing chain (Распределяющая цепь)

Camshaft (Распределительный вал)

Camshaft (Распределительный вал)
(DF150T E01)

Camshaft (Распределительный вал)

Camshaft (Распределительный вал)
(DF150T E40)

Camshaft (Распределительный вал)

Camshaft (Распределительный вал)
(DF150Z E01)

Camshaft (Распределительный вал)

Camshaft (Распределительный вал)
(DF150Z E40)

Camshaft (Распределительный вал)

Camshaft (Распределительный вал)
(DF175T E01)

Camshaft (Распределительный вал)

Camshaft (Распределительный вал)
(DF175T E40)

Camshaft (Распределительный вал)

Camshaft (Распределительный вал)
(DF175Z E01)

Camshaft (Распределительный вал)

Camshaft (Распределительный вал)
(DF175Z E40)

Intake manifold / throttle body (Впускной коллектор / Дроссель газа)

Intake manifold / throttle body (Впускной коллектор / Дроссель газа)

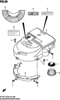
Silencer / ring gear cover (Глушитель / Крышка механизма маховика)

Silencer / ring gear cover (Глушитель / Крышка механизма маховика)
(DF150T E01)

Silencer / ring gear cover (Глушитель / Крышка механизма маховика)

Silencer / ring gear cover (Глушитель / Крышка механизма маховика)
(DF150T E40)

Silencer / ring gear cover (Глушитель / Крышка механизма маховика)

Silencer / ring gear cover (Глушитель / Крышка механизма маховика)
(DF150Z E01)

Silencer / ring gear cover (Глушитель / Крышка механизма маховика)

Silencer / ring gear cover (Глушитель / Крышка механизма маховика)
(DF150Z E40)

Silencer / ring gear cover (Глушитель / Крышка механизма маховика)

Silencer / ring gear cover (Глушитель / Крышка механизма маховика)
(DF175T E01)

Silencer / ring gear cover (Глушитель / Крышка механизма маховика)

Silencer / ring gear cover (Глушитель / Крышка механизма маховика)
(DF175T E40)

Silencer / ring gear cover (Глушитель / Крышка механизма маховика)

Silencer / ring gear cover (Глушитель / Крышка механизма маховика)
(DF175Z E01)

Silencer / ring gear cover (Глушитель / Крышка механизма маховика)

Silencer / ring gear cover (Глушитель / Крышка механизма маховика)
(DF175Z E40)

Exhaust cover (Кожух выхлопной трубы)

Exhaust cover (Кожух выхлопной трубы)

Fuel vapor separator (Отделитель паров топлива)

Fuel vapor separator (Отделитель паров топлива)
(DF150T E01)

Fuel vapor separator (Отделитель паров топлива)

Fuel vapor separator (Отделитель паров топлива)
(DF150T E40)

Fuel vapor separator (Отделитель паров топлива)

Fuel vapor separator (Отделитель паров топлива)
(DF150Z E01)

Fuel vapor separator (Отделитель паров топлива)

Fuel vapor separator (Отделитель паров топлива)
(DF150Z E40)

Fuel vapor separator (Отделитель паров топлива)

Fuel vapor separator (Отделитель паров топлива)
(DF175T E01)

Fuel vapor separator (Отделитель паров топлива)

Fuel vapor separator (Отделитель паров топлива)
(DF175T E40)

Fuel vapor separator (Отделитель паров топлива)

Fuel vapor separator (Отделитель паров топлива)
(DF175Z E01)

Fuel vapor separator (Отделитель паров топлива)

Fuel vapor separator (Отделитель паров топлива)
(DF175Z E40)

Fuel injector (Топливный инжектор)

Fuel injector (Топливный инжектор)
(DF150T E01)

Fuel injector (Топливный инжектор)

Fuel injector (Топливный инжектор)
(DF150T E40)

Fuel injector (Топливный инжектор)

Fuel injector (Топливный инжектор)
(DF150Z E01)

Fuel injector (Топливный инжектор)

Fuel injector (Топливный инжектор)
(DF150Z E40)

Fuel injector (Топливный инжектор)

Fuel injector (Топливный инжектор)
(DF175T E01)

Fuel injector (Топливный инжектор)

Fuel injector (Топливный инжектор)
(DF175T E40)

Fuel injector (Топливный инжектор)

Fuel injector (Топливный инжектор)
(DF175Z E01)

Fuel injector (Топливный инжектор)

Fuel injector (Топливный инжектор)
(DF175Z E40)

Fuel pump (Топливный насос)

Fuel pump (Топливный насос)
(DF150T E01)

Fuel pump (Топливный насос)

Fuel pump (Топливный насос)
(DF150T E40)

Fuel pump (Топливный насос)

Fuel pump (Топливный насос)
(DF150Z E01)

Fuel pump (Топливный насос)

Fuel pump (Топливный насос)
(DF150Z E40)

Fuel pump (Топливный насос)

Fuel pump (Топливный насос)
(DF175T E01)

Fuel pump (Топливный насос)

Fuel pump (Топливный насос)
(DF175T E40)

Fuel pump (Топливный насос)

Fuel pump (Топливный насос)
(DF175Z E01)

Fuel pump (Топливный насос)

Fuel pump (Топливный насос)
(DF175Z E40)

Water pump (Водяной насос)

Water pump (Водяной насос)
(DF150T E01)

Water pump (Водяной насос)

Water pump (Водяной насос)
(DF150T E40)

Water pump (Водяной насос)

Water pump (Водяной насос)
(DF150Z E01)

Water pump (Водяной насос)

Water pump (Водяной насос)
(DF150Z E40)

Water pump (Водяной насос)

Water pump (Водяной насос)
(DF175T E01)

Water pump (Водяной насос)

Water pump (Водяной насос)
(DF175T E40)

Water pump (Водяной насос)

Water pump (Водяной насос)
(DF175Z E01)

Water pump (Водяной насос)

Water pump (Водяной насос)
(DF175Z E40)

Thermostat (Термостат)

Thermostat (Термостат)

Throttle rod (Тяга дросселя)

Throttle rod (Тяга дросселя)

Oil pump (Масляный насос)

Oil pump (Масляный насос)

Oil filter (Масляный фильтр)

Oil filter (Масляный фильтр)

Oil pan (Масляный поддон)

Oil pan (Масляный поддон)

Clutch shaft (Сцепление Вал)

Clutch shaft (Сцепление Вал)
(DF150T E01)

Clutch shaft (Сцепление Вал)

Clutch shaft (Сцепление Вал)
(DF150T E40)

Clutch shaft (Сцепление Вал)

Clutch shaft (Сцепление Вал)
(DF150Z E01)

Clutch shaft (Сцепление Вал)

Clutch shaft (Сцепление Вал)
(DF150Z E40)

Clutch shaft (Сцепление Вал)

Clutch shaft (Сцепление Вал)
(DF175T E01)

Clutch shaft (Сцепление Вал)

Clutch shaft (Сцепление Вал)
(DF175T E40)

Clutch shaft (Сцепление Вал)

Clutch shaft (Сцепление Вал)
(DF175Z E01)

Clutch shaft (Сцепление Вал)

Clutch shaft (Сцепление Вал)
(DF175Z E40)

Clutch rod (Тяга сцепления)

Clutch rod (Тяга сцепления)
(DF150T E01)

Clutch rod (Тяга сцепления)

Clutch rod (Тяга сцепления)
(DF150T E40)

Clutch rod (Тяга сцепления)

Clutch rod (Тяга сцепления)
(DF150Z E01)

Clutch rod (Тяга сцепления)

Clutch rod (Тяга сцепления)
(DF150Z E40)

Clutch rod (Тяга сцепления)

Clutch rod (Тяга сцепления)
(DF175T E01)

Clutch rod (Тяга сцепления)

Clutch rod (Тяга сцепления)
(DF175T E40)

Clutch rod (Тяга сцепления)

Clutch rod (Тяга сцепления)
(DF175Z E01)

Clutch rod (Тяга сцепления)

Clutch rod (Тяга сцепления)
(DF175Z E40)

Transmission (Трансмиссия)

Transmission (Трансмиссия)
(DF150T E01)

Transmission (Трансмиссия)

Transmission (Трансмиссия)
(DF150T E40)

Transmission (Трансмиссия)

Transmission (Трансмиссия)
(DF150Z E01)

Transmission (Трансмиссия)

Transmission (Трансмиссия)
(DF150Z E40)

Transmission (Трансмиссия)

Transmission (Трансмиссия)
(DF175T E01)

Transmission (Трансмиссия)

Transmission (Трансмиссия)
(DF175T E40)

Transmission (Трансмиссия)

Transmission (Трансмиссия)
(DF175Z E01)

Transmission (Трансмиссия)

Transmission (Трансмиссия)
(DF175Z E40)

Starting motor (Двигатель электростартера)

Starting motor (Двигатель электростартера)

Magneto (Магнето)

Magneto (Магнето)
(DF150T E01)

Magneto (Магнето)

Magneto (Магнето)
(DF150T E40)

Magneto (Магнето)

Magneto (Магнето)
(DF150Z E01)

Magneto (Магнето)

Magneto (Магнето)
(DF150Z E40)

Magneto (Магнето)

Magneto (Магнето)
(DF175T E01)

Magneto (Магнето)

Magneto (Магнето)
(DF175T E40)

Magneto (Магнето)

Magneto (Магнето)
(DF175Z E01)

Magneto (Магнето)

Magneto (Магнето)
(DF175Z E40)

Rectifier / ignition coil (Выпрямитель / Катушка зажигания)

Rectifier / ignition coil (Выпрямитель / Катушка зажигания)

Sensor (Датчик)

Sensor (Датчик)

Harness (Жгут проводов)

Harness (Жгут проводов)
(DF150T E01)

Harness (Жгут проводов)

Harness (Жгут проводов)
(DF150T E40)

Harness (Жгут проводов)

Harness (Жгут проводов)
(DF150Z E01)

Harness (Жгут проводов)

Harness (Жгут проводов)
(DF150Z E40)

Harness (Жгут проводов)

Harness (Жгут проводов)
(DF175T E01)

Harness (Жгут проводов)

Harness (Жгут проводов)
(DF175T E40)

Harness (Жгут проводов)

Harness (Жгут проводов)
(DF175Z E01)

Harness (Жгут проводов)

Harness (Жгут проводов)
(DF175Z E40)

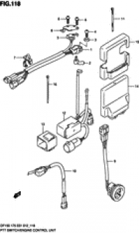
Ptt switch / engine control unit (Переключатель гидроподъёма / Блок управления двигателем)

Ptt switch / engine control unit (Переключатель гидроподъёма / Блок управления двигателем)
(DF150T E01)

Ptt switch / engine control unit (Переключатель гидроподъёма / Блок управления двигателем)

Ptt switch / engine control unit (Переключатель гидроподъёма / Блок управления двигателем)
(DF150T E40)

Ptt switch / engine control unit (Переключатель гидроподъёма / Блок управления двигателем)

Ptt switch / engine control unit (Переключатель гидроподъёма / Блок управления двигателем)
(DF150Z E01)

Ptt switch / engine control unit (Переключатель гидроподъёма / Блок управления двигателем)

Ptt switch / engine control unit (Переключатель гидроподъёма / Блок управления двигателем)
(DF150Z E40)

Ptt switch / engine control unit (Переключатель гидроподъёма / Блок управления двигателем)

Ptt switch / engine control unit (Переключатель гидроподъёма / Блок управления двигателем)
(DF175T E01)

Ptt switch / engine control unit (Переключатель гидроподъёма / Блок управления двигателем)

Ptt switch / engine control unit (Переключатель гидроподъёма / Блок управления двигателем)
(DF175T E40)

Ptt switch / engine control unit (Переключатель гидроподъёма / Блок управления двигателем)

Ptt switch / engine control unit (Переключатель гидроподъёма / Блок управления двигателем)
(DF175Z E01)

Ptt switch / engine control unit (Переключатель гидроподъёма / Блок управления двигателем)

Ptt switch / engine control unit (Переключатель гидроподъёма / Блок управления двигателем)
(DF175Z E40)

Clamp bracket (Кронштейн транца)

Clamp bracket (Кронштейн транца)

Swivel bracket (Поворотный кронштейн)

Swivel bracket (Поворотный кронштейн)
(DF150T E01)

Swivel bracket (Поворотный кронштейн)

Swivel bracket (Поворотный кронштейн)
(DF150T E40)

Swivel bracket (Поворотный кронштейн)

Swivel bracket (Поворотный кронштейн)
(DF150Z E01)

Swivel bracket (Поворотный кронштейн)

Swivel bracket (Поворотный кронштейн)
(DF150Z E40)

Swivel bracket (Поворотный кронштейн)

Swivel bracket (Поворотный кронштейн)
(DF175T E01)

Swivel bracket (Поворотный кронштейн)

Swivel bracket (Поворотный кронштейн)
(DF175T E40)

Swivel bracket (Поворотный кронштейн)

Swivel bracket (Поворотный кронштейн)
(DF175Z E01)

Swivel bracket (Поворотный кронштейн)

Swivel bracket (Поворотный кронштейн)
(DF175Z E40)

Trim cylinder (Цилиндр трима)

Trim cylinder (Цилиндр трима)

Ptt motor (Двигатель гидроподъёма)

Ptt motor (Двигатель гидроподъёма)

Engine holder (Основание двигателя)

Engine holder (Основание двигателя)

Drive shaft housing (Корпус вала передачи)

Drive shaft housing (Корпус вала передачи)
(DF150T E01)

Drive shaft housing (Корпус вала передачи)

Drive shaft housing (Корпус вала передачи)
(DF150T E40)

Drive shaft housing (Корпус вала передачи)

Drive shaft housing (Корпус вала передачи)
(DF150Z E01)

Drive shaft housing (Корпус вала передачи)

Drive shaft housing (Корпус вала передачи)
(DF150Z E40)

Drive shaft housing (Корпус вала передачи)

Drive shaft housing (Корпус вала передачи)
(DF175T E01)

Drive shaft housing (Корпус вала передачи)

Drive shaft housing (Корпус вала передачи)
(DF175T E40)

Drive shaft housing (Корпус вала передачи)

Drive shaft housing (Корпус вала передачи)
(DF175Z E01)

Drive shaft housing (Корпус вала передачи)

Drive shaft housing (Корпус вала передачи)
(DF175Z E40)

Gear case (Картер коробки передач)

Gear case (Картер коробки передач)
(DF150T E01)

Gear case (Картер коробки передач)

Gear case (Картер коробки передач)
(DF150T E40)

Gear case (Картер коробки передач)

Gear case (Картер коробки передач)
(DF150Z E01)

Gear case (Картер коробки передач)

Gear case (Картер коробки передач)
(DF150Z E40)

Gear case (Картер коробки передач)

Gear case (Картер коробки передач)
(DF175T E01)

Gear case (Картер коробки передач)

Gear case (Картер коробки передач)
(DF175T E40)

Gear case (Картер коробки передач)

Gear case (Картер коробки передач)
(DF175Z E01)

Gear case (Картер коробки передач)

Gear case (Картер коробки передач)
(DF175Z E40)

Side cover (Боковая крышка)

Side cover (Боковая крышка)
(DF150T E01)

Side cover (Боковая крышка)

Side cover (Боковая крышка)
(DF150T E40)

Side cover (Боковая крышка)

Side cover (Боковая крышка)
(DF150Z E01)

Side cover (Боковая крышка)

Side cover (Боковая крышка)
(DF150Z E40)

Side cover (Боковая крышка)

Side cover (Боковая крышка)
(DF175T E01)

Side cover (Боковая крышка)

Side cover (Боковая крышка)
(DF175T E40)

Side cover (Боковая крышка)

Side cover (Боковая крышка)
(DF175Z E01)

Side cover (Боковая крышка)

Side cover (Боковая крышка)
(DF175Z E40)

Engine cover (Крышка двигателя (капот))

Engine cover (Крышка двигателя (капот))
(DF150T E01)

Engine cover (Крышка двигателя (капот))

Engine cover (Крышка двигателя (капот))
(DF150T E40)

Engine cover (Крышка двигателя (капот))

Engine cover (Крышка двигателя (капот))
(DF150Z E01)

Engine cover (Крышка двигателя (капот))

Engine cover (Крышка двигателя (капот))
(DF150Z E40)

Engine cover (Крышка двигателя (капот))

Engine cover (Крышка двигателя (капот))
(DF175T E01)

Engine cover (Крышка двигателя (капот))

Engine cover (Крышка двигателя (капот))
(DF175T E40)

Engine cover (Крышка двигателя (капот))

Engine cover (Крышка двигателя (капот))
(DF175Z E01)

Engine cover (Крышка двигателя (капот))

Engine cover (Крышка двигателя (капот))
(DF175Z E40)

Fuel hose (Топливный шланг)

Fuel hose (Топливный шланг)
(DF150T E40)

Fuel hose (Топливный шланг)

Fuel hose (Топливный шланг)
(DF150Z E01)

Fuel hose (Топливный шланг)

Fuel hose (Топливный шланг)
(DF150Z E40)

Fuel hose (Топливный шланг)

Fuel hose (Топливный шланг)
(DF175T E01)

Fuel hose (Топливный шланг)

Fuel hose (Топливный шланг)
(DF175T E40)

Fuel hose (Топливный шланг)

Fuel hose (Топливный шланг)
(DF175Z E01)

Fuel hose (Топливный шланг)

Fuel hose (Топливный шланг)
(DF175Z E01)

Fuel hose (Топливный шланг)

Fuel hose (Топливный шланг)
(DF175Z E40)

Drag link (Переключающая тяга)

Drag link (Переключающая тяга)

Opt:remote control (Опции: дистанционное управление)

Opt:remote control (Опции: дистанционное управление)

Meter (Прибор)

Meter (Прибор)
(DF150T E01)

Meter (Прибор)

Meter (Прибор)
(DF150T E40)

Meter (Прибор)

Meter (Прибор)
(DF150Z E01)

Meter (Прибор)

Meter (Прибор)
(DF150Z E40)

Meter (Прибор)

Meter (Прибор)
(DF175T E01)

Meter (Прибор)

Meter (Прибор)
(DF175T E40)

Meter (Прибор)

Meter (Прибор)
(DF175Z E01)

Meter (Прибор)

Meter (Прибор)
(DF175Z E40)

Opt:meter (Опции: приборы)

Opt:meter (Опции: приборы)
(1)

Opt:meter (Опции: приборы)

Opt:meter (Опции: приборы)
(2)

Opt:harness (Опции: жгут проводов)

Opt:harness (Опции: жгут проводов)
(1) (DF150T E01)

Opt:harness (Опции: жгут проводов)

Opt:harness (Опции: жгут проводов)
(1) (DF150T E40)

Opt:harness (Опции: жгут проводов)

Opt:harness (Опции: жгут проводов)
(1) (DF150Z E01)

Opt:harness (Опции: жгут проводов)

Opt:harness (Опции: жгут проводов)
(1) (DF150Z E40)

Opt:harness (Опции: жгут проводов)

Opt:harness (Опции: жгут проводов)
(1) (DF175T E01)

Opt:harness (Опции: жгут проводов)

Opt:harness (Опции: жгут проводов)
(1) (DF175T E40)

Opt:harness (Опции: жгут проводов)

Opt:harness (Опции: жгут проводов)
(1) (DF175Z E01)

Opt:harness (Опции: жгут проводов)

Opt:harness (Опции: жгут проводов)
(1) (DF175Z E40)

Opt:harness (Опции: жгут проводов)

Opt:harness (Опции: жгут проводов)
(2)

Opt:switch (Опции: переключатели)

Opt:switch (Опции: переключатели)

Opt:top mount dual (Опция: сдвоенное ДУ, монтаж сверху)

Opt:top mount dual (Опция: сдвоенное ДУ, монтаж сверху)
(1)

Opt:top mount dual (Опция: сдвоенное ДУ, монтаж сверху)

Opt:top mount dual (Опция: сдвоенное ДУ, монтаж сверху)
(2)

Opt:top mount single (Опции: одинарное, монтаж сверху)

Opt:top mount single (Опции: одинарное, монтаж сверху)
(1)

Opt:top mount single (Опции: одинарное, монтаж сверху)

Opt:top mount single (Опции: одинарное, монтаж сверху)
(2)

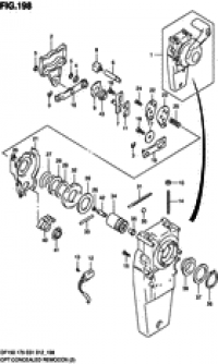
Opt:concealed remocon (Опции: дистанционное управление, скрытая установка)

Opt:concealed remocon (Опции: дистанционное управление, скрытая установка)
(1)

Opt:concealed remocon (Опции: дистанционное управление, скрытая установка)

Opt:concealed remocon (Опции: дистанционное управление, скрытая установка)
(2)

Opt:tie rod (Опции: tie Тяга)

Opt:tie rod (Опции: tie Тяга)

Opt:gasket set (Опции: комплект прокладок)

Opt:gasket set (Опции: комплект прокладок)
(DF150T E01)

Opt:gasket set (Опции: комплект прокладок)

Opt:gasket set (Опции: комплект прокладок)
(DF150T E40)

Opt:gasket set (Опции: комплект прокладок)

Opt:gasket set (Опции: комплект прокладок)
(DF150Z E01)

Opt:gasket set (Опции: комплект прокладок)

Opt:gasket set (Опции: комплект прокладок)
(DF150Z E40)

Opt:gasket set (Опции: комплект прокладок)

Opt:gasket set (Опции: комплект прокладок)
(DF175T E01)

Opt:gasket set (Опции: комплект прокладок)

Opt:gasket set (Опции: комплект прокладок)
(DF175T E40)

Opt:gasket set (Опции: комплект прокладок)

Opt:gasket set (Опции: комплект прокладок)
(DF175Z E01)

Opt:gasket set (Опции: комплект прокладок)

Opt:gasket set (Опции: комплект прокладок)
(DF175Z E40)




 
 

данный сайт носит информационный характер и не является публичной офертой

склад запчастей для водомоторной техники