вконтакте

Контактный телефон: +7 (981) 121-46-93, +7 (800) 200-90-76 , Email: parts-katalog@yandex.ru, где купить

 
 

  Логин:

Пароль:

Регистрация

www.partskatalog.ru Все каталоги Запчасти Mercury Запчасти Suzuki Запчасти Tohatsu Запчасти Honda Контакты



УВАЖАЕМЫЕ КЛИЕНТЫ!
C 19 ДЕКАБРЯ 2025 ПО 02 МАРТА 2026 ГОДА ОТДЕЛ ЗАПЧАСТЕЙ И СЕРВИС РАБОТАТЬ НЕ БУДУТ
ПРОДАЖА ЛОДОЧНЫХ МОТОРОВ В ШТАТНОМ РЕЖИМЕ
ОБ ИЗМЕНЕНИЯХ В ГРАФИКЕ РАБОТЫ ЧИТАЙТЕ НА САЙТА




запчастиsuzuki

Узнать наличие и цену запчасти:

Вернуться к началу выбора

Поиск модели по серийному номеру


РЕЖИМЫ ПРОСМОТРА

Все узлы и детали

Двигатель

Трансмиссия

Электрика

Внешние части

Тип двигателя: 4x - тактный

Модель двигателя: Suzuki DF200

Модификация Вашего двигателя:   Suzuki DF-200Z (E01,E40)
Двигатели с серийным номером после 20002Z-210001
Год выпуска двигателя: 2012


Поиск запчастей по коду или названию


   Выберите раздел

найти расходники на лодочные моторы Suzuki

Начните вводить запрос

Cylinder head (Головка блока цилиндра)

Cylinder head (Головка блока цилиндра)

Cylinder block (Блок цилиндра)

Cylinder block (Блок цилиндра)

Ring gear cover (Крышка механизма маховика)

Ring gear cover (Крышка механизма маховика)
(DF200T E01)

Ring gear cover (Крышка механизма маховика)

Ring gear cover (Крышка механизма маховика)
(DF200T E40)

Ring gear cover (Крышка механизма маховика)

Ring gear cover (Крышка механизма маховика)
(DF200Z E01)

Ring gear cover (Крышка механизма маховика)

Ring gear cover (Крышка механизма маховика)
(DF200Z E40)

Ring gear cover (Крышка механизма маховика)

Ring gear cover (Крышка механизма маховика)
(DF225T E01)

Ring gear cover (Крышка механизма маховика)

Ring gear cover (Крышка механизма маховика)
(DF225T E40)

Ring gear cover (Крышка механизма маховика)

Ring gear cover (Крышка механизма маховика)
(DF225Z E01)

Ring gear cover (Крышка механизма маховика)

Ring gear cover (Крышка механизма маховика)
(DF225Z E40)

Ring gear cover (Крышка механизма маховика)

Ring gear cover (Крышка механизма маховика)
(DF250T E01)

Ring gear cover (Крышка механизма маховика)

Ring gear cover (Крышка механизма маховика)
(DF250T E40)

Ring gear cover (Крышка механизма маховика)

Ring gear cover (Крышка механизма маховика)
(DF250Z E01)

Ring gear cover (Крышка механизма маховика)

Ring gear cover (Крышка механизма маховика)
(DF250Z E40)

Crankshaft (Коленвал)

Crankshaft (Коленвал)

Timing chain (Распределяющая цепь)

Timing chain (Распределяющая цепь)

Camshaft (Распределительный вал)

Camshaft (Распределительный вал)
(DF200T E01)

Camshaft (Распределительный вал)

Camshaft (Распределительный вал)
(DF200T E40)

Camshaft (Распределительный вал)

Camshaft (Распределительный вал)
(DF200Z E01)

Camshaft (Распределительный вал)

Camshaft (Распределительный вал)
(DF200Z E40)

Camshaft (Распределительный вал)

Camshaft (Распределительный вал)
(DF225T E01)

Camshaft (Распределительный вал)

Camshaft (Распределительный вал)
(DF225T E40)

Camshaft (Распределительный вал)

Camshaft (Распределительный вал)
(DF225Z E01)

Camshaft (Распределительный вал)

Camshaft (Распределительный вал)
(DF225Z E40)

Camshaft (Распределительный вал)

Camshaft (Распределительный вал)
(DF250T E01)

Camshaft (Распределительный вал)

Camshaft (Распределительный вал)
(DF250T E40)

Camshaft (Распределительный вал)

Camshaft (Распределительный вал)
(DF250Z E01)

Camshaft (Распределительный вал)

Camshaft (Распределительный вал)
(DF250Z E40)

Intake manifold (Впускной коллектор)

Intake manifold (Впускной коллектор)

Silencer (Глушитель)

Silencer (Глушитель)

Exhaust cover (Кожух выхлопной трубы)

Exhaust cover (Кожух выхлопной трубы)

Fuel pump / fuel vapor separator (Топливный насос / Отделитель паров топлива)

Fuel pump / fuel vapor separator (Топливный насос / Отделитель паров топлива)
(DF200T E01)

Fuel pump / fuel vapor separator (Топливный насос / Отделитель паров топлива)

Fuel pump / fuel vapor separator (Топливный насос / Отделитель паров топлива)
(DF200T E40)

Fuel pump / fuel vapor separator (Топливный насос / Отделитель паров топлива)

Fuel pump / fuel vapor separator (Топливный насос / Отделитель паров топлива)
(DF200Z E01)

Fuel pump / fuel vapor separator (Топливный насос / Отделитель паров топлива)

Fuel pump / fuel vapor separator (Топливный насос / Отделитель паров топлива)
(DF200Z E40)

Fuel pump / fuel vapor separator (Топливный насос / Отделитель паров топлива)

Fuel pump / fuel vapor separator (Топливный насос / Отделитель паров топлива)
(DF225T E01)

Fuel pump / fuel vapor separator (Топливный насос / Отделитель паров топлива)

Fuel pump / fuel vapor separator (Топливный насос / Отделитель паров топлива)
(DF225T E40)

Fuel pump / fuel vapor separator (Топливный насос / Отделитель паров топлива)

Fuel pump / fuel vapor separator (Топливный насос / Отделитель паров топлива)
(DF225Z E01)

Fuel pump / fuel vapor separator (Топливный насос / Отделитель паров топлива)

Fuel pump / fuel vapor separator (Топливный насос / Отделитель паров топлива)
(DF225Z E40)

Fuel pump / fuel vapor separator (Топливный насос / Отделитель паров топлива)

Fuel pump / fuel vapor separator (Топливный насос / Отделитель паров топлива)
(DF250T E01)

Fuel pump / fuel vapor separator (Топливный насос / Отделитель паров топлива)

Fuel pump / fuel vapor separator (Топливный насос / Отделитель паров топлива)
(DF250T E40)

Fuel pump / fuel vapor separator (Топливный насос / Отделитель паров топлива)

Fuel pump / fuel vapor separator (Топливный насос / Отделитель паров топлива)
(DF250Z E01)

Fuel pump / fuel vapor separator (Топливный насос / Отделитель паров топлива)

Fuel pump / fuel vapor separator (Топливный насос / Отделитель паров топлива)
(DF250Z E40)

Fuel injector (Топливный инжектор)

Fuel injector (Топливный инжектор)
(DF200T E01)

Fuel injector (Топливный инжектор)

Fuel injector (Топливный инжектор)
(DF200T E40)

Fuel injector (Топливный инжектор)

Fuel injector (Топливный инжектор)
(DF200Z E01)

Fuel injector (Топливный инжектор)

Fuel injector (Топливный инжектор)
(DF200Z E40)

Fuel injector (Топливный инжектор)

Fuel injector (Топливный инжектор)
(DF225T E01)

Fuel injector (Топливный инжектор)

Fuel injector (Топливный инжектор)
(DF225T E40)

Fuel injector (Топливный инжектор)

Fuel injector (Топливный инжектор)
(DF225Z E01)

Fuel injector (Топливный инжектор)

Fuel injector (Топливный инжектор)
(DF225Z E40)

Fuel injector (Топливный инжектор)

Fuel injector (Топливный инжектор)
(DF250T E01)

Fuel injector (Топливный инжектор)

Fuel injector (Топливный инжектор)
(DF250T E40)

Fuel injector (Топливный инжектор)

Fuel injector (Топливный инжектор)
(DF250Z E01)

Fuel injector (Топливный инжектор)

Fuel injector (Топливный инжектор)
(DF250Z E40)

Water pump (Водяной насос)

Water pump (Водяной насос)
(DF200T E01)

Water pump (Водяной насос)

Water pump (Водяной насос)
(DF200T E40)

Water pump (Водяной насос)

Water pump (Водяной насос)
(DF200Z E01)

Water pump (Водяной насос)

Water pump (Водяной насос)
(DF200Z E40)

Water pump (Водяной насос)

Water pump (Водяной насос)
(DF225T E01)

Water pump (Водяной насос)

Water pump (Водяной насос)
(DF225T E40)

Water pump (Водяной насос)

Water pump (Водяной насос)
(DF225Z E01)

Water pump (Водяной насос)

Water pump (Водяной насос)
(DF225Z E40)

Water pump (Водяной насос)

Water pump (Водяной насос)
(DF250T E01)

Water pump (Водяной насос)

Water pump (Водяной насос)
(DF250T E40)

Water pump (Водяной насос)

Water pump (Водяной насос)
(DF250Z E01)

Water pump (Водяной насос)

Water pump (Водяной насос)
(DF250Z E40)

Thermostat (Термостат)

Thermostat (Термостат)

Throttle body (Дроссель газа)

Throttle body (Дроссель газа)
(DF200T E01)

Throttle body (Дроссель газа)

Throttle body (Дроссель газа)
(DF200T E40)

Throttle body (Дроссель газа)

Throttle body (Дроссель газа)
(DF200Z E01)

Throttle body (Дроссель газа)

Throttle body (Дроссель газа)
(DF200Z E40)

Throttle body (Дроссель газа)

Throttle body (Дроссель газа)
(DF225T E01)

Throttle body (Дроссель газа)

Throttle body (Дроссель газа)
(DF225T E40)

Throttle body (Дроссель газа)

Throttle body (Дроссель газа)
(DF225Z E01)

Throttle body (Дроссель газа)

Throttle body (Дроссель газа)
(DF225Z E40)

Throttle body (Дроссель газа)

Throttle body (Дроссель газа)
(DF250T E01)

Throttle body (Дроссель газа)

Throttle body (Дроссель газа)
(DF250T E40)

Throttle body (Дроссель газа)

Throttle body (Дроссель газа)
(DF250Z E01)

Throttle body (Дроссель газа)

Throttle body (Дроссель газа)
(DF250Z E40)

Throttle rod (Тяга дросселя)

Throttle rod (Тяга дросселя)

Oil pump (Масляный насос)

Oil pump (Масляный насос)

Oil pan (Масляный поддон)

Oil pan (Масляный поддон)

Clutch shaft (Сцепление Вал)

Clutch shaft (Сцепление Вал)
(DF200T E01)

Clutch shaft (Сцепление Вал)

Clutch shaft (Сцепление Вал)
(DF200T E40)

Clutch shaft (Сцепление Вал)

Clutch shaft (Сцепление Вал)
(DF200Z E01)

Clutch shaft (Сцепление Вал)

Clutch shaft (Сцепление Вал)
(DF200Z E40)

Clutch shaft (Сцепление Вал)

Clutch shaft (Сцепление Вал)
(DF225T E01)

Clutch shaft (Сцепление Вал)

Clutch shaft (Сцепление Вал)
(DF225T E40)

Clutch shaft (Сцепление Вал)

Clutch shaft (Сцепление Вал)
(DF225Z E01)

Clutch shaft (Сцепление Вал)

Clutch shaft (Сцепление Вал)
(DF225Z E40)

Clutch shaft (Сцепление Вал)

Clutch shaft (Сцепление Вал)
(DF250T E01)

Clutch shaft (Сцепление Вал)

Clutch shaft (Сцепление Вал)
(DF250T E40)

Clutch shaft (Сцепление Вал)

Clutch shaft (Сцепление Вал)
(DF250Z E01)

Clutch shaft (Сцепление Вал)

Clutch shaft (Сцепление Вал)
(DF250Z E40)

Clutch rod (Тяга сцепления)

Clutch rod (Тяга сцепления)
(DF200T E01)

Clutch rod (Тяга сцепления)

Clutch rod (Тяга сцепления)
(DF200T E40)

Clutch rod (Тяга сцепления)

Clutch rod (Тяга сцепления)
(DF200Z E01)

Clutch rod (Тяга сцепления)

Clutch rod (Тяга сцепления)
(DF200Z E40)

Clutch rod (Тяга сцепления)

Clutch rod (Тяга сцепления)
(DF225T E01)

Clutch rod (Тяга сцепления)

Clutch rod (Тяга сцепления)
(DF225T E40)

Clutch rod (Тяга сцепления)

Clutch rod (Тяга сцепления)
(DF225Z E01)

Clutch rod (Тяга сцепления)

Clutch rod (Тяга сцепления)
(DF225Z E40)

Clutch rod (Тяга сцепления)

Clutch rod (Тяга сцепления)
(DF250T E01)

Clutch rod (Тяга сцепления)

Clutch rod (Тяга сцепления)
(DF250T E40)

Clutch rod (Тяга сцепления)

Clutch rod (Тяга сцепления)
(DF250Z E01)

Clutch rod (Тяга сцепления)

Clutch rod (Тяга сцепления)
(DF250Z E40)

Transmission (Трансмиссия)

Transmission (Трансмиссия)
(DF200T E01)

Transmission (Трансмиссия)

Transmission (Трансмиссия)
(DF200T E40)

Transmission (Трансмиссия)

Transmission (Трансмиссия)
(DF200Z E01)

Transmission (Трансмиссия)

Transmission (Трансмиссия)
(DF200Z E40)

Transmission (Трансмиссия)

Transmission (Трансмиссия)
(DF225T E01)

Transmission (Трансмиссия)

Transmission (Трансмиссия)
(DF225T E40)

Transmission (Трансмиссия)

Transmission (Трансмиссия)
(DF225Z E01)

Transmission (Трансмиссия)

Transmission (Трансмиссия)
(DF225Z E40)

Transmission (Трансмиссия)

Transmission (Трансмиссия)
(DF250T E01)

Transmission (Трансмиссия)

Transmission (Трансмиссия)
(DF250T E40)

Transmission (Трансмиссия)

Transmission (Трансмиссия)
(DF250Z E01)

Transmission (Трансмиссия)

Transmission (Трансмиссия)
(DF250Z E40)

Starting motor (Двигатель электростартера)

Starting motor (Двигатель электростартера)

Magneto (Магнето)

Magneto (Магнето)

Rectifier / ignition coil (Выпрямитель / Катушка зажигания)

Rectifier / ignition coil (Выпрямитель / Катушка зажигания)

Sensor (Датчик)

Sensor (Датчик)
(DF200T E01)

Sensor (Датчик)

Sensor (Датчик)
(DF200T E40)

Sensor (Датчик)

Sensor (Датчик)
(DF200Z E01)

Sensor (Датчик)

Sensor (Датчик)
(DF200Z E40)

Sensor (Датчик)

Sensor (Датчик)
(DF225T E01)

Sensor (Датчик)

Sensor (Датчик)
(DF225T E40)

Sensor (Датчик)

Sensor (Датчик)
(DF225Z E01)

Sensor (Датчик)

Sensor (Датчик)
(DF225Z E40)

Sensor (Датчик)

Sensor (Датчик)
(DF250T E01)

Sensor (Датчик)

Sensor (Датчик)
(DF250T E40)

Sensor (Датчик)

Sensor (Датчик)
(DF250Z E01)

Sensor (Датчик)

Sensor (Датчик)
(DF250Z E40)

Harness (Жгут проводов)

Harness (Жгут проводов)
(DF200T E01)

Harness (Жгут проводов)

Harness (Жгут проводов)
(DF200T E40)

Harness (Жгут проводов)

Harness (Жгут проводов)
(DF200Z E01)

Harness (Жгут проводов)

Harness (Жгут проводов)
(DF200Z E40)

Harness (Жгут проводов)

Harness (Жгут проводов)
(DF225T E01)

Harness (Жгут проводов)

Harness (Жгут проводов)
(DF225T E40)

Harness (Жгут проводов)

Harness (Жгут проводов)
(DF225Z E01)

Harness (Жгут проводов)

Harness (Жгут проводов)
(DF225Z E40)

Harness (Жгут проводов)

Harness (Жгут проводов)
(DF250T E01)

Harness (Жгут проводов)

Harness (Жгут проводов)
(DF250T E40)

Harness (Жгут проводов)

Harness (Жгут проводов)
(DF250Z E01)

Harness (Жгут проводов)

Harness (Жгут проводов)
(DF250Z E40)

Ptt switch / engine control unit (Переключатель гидроподъёма / Блок управления двигателем)

Ptt switch / engine control unit (Переключатель гидроподъёма / Блок управления двигателем)
(DF200T E01)

Ptt switch / engine control unit (Переключатель гидроподъёма / Блок управления двигателем)

Ptt switch / engine control unit (Переключатель гидроподъёма / Блок управления двигателем)
(DF200T E40)

Ptt switch / engine control unit (Переключатель гидроподъёма / Блок управления двигателем)

Ptt switch / engine control unit (Переключатель гидроподъёма / Блок управления двигателем)
(DF200Z E01)

Ptt switch / engine control unit (Переключатель гидроподъёма / Блок управления двигателем)

Ptt switch / engine control unit (Переключатель гидроподъёма / Блок управления двигателем)
(DF200Z E40)

Ptt switch / engine control unit (Переключатель гидроподъёма / Блок управления двигателем)

Ptt switch / engine control unit (Переключатель гидроподъёма / Блок управления двигателем)
(DF225T E01)

Ptt switch / engine control unit (Переключатель гидроподъёма / Блок управления двигателем)

Ptt switch / engine control unit (Переключатель гидроподъёма / Блок управления двигателем)
(DF225T E40)

Ptt switch / engine control unit (Переключатель гидроподъёма / Блок управления двигателем)

Ptt switch / engine control unit (Переключатель гидроподъёма / Блок управления двигателем)
(DF225Z E01)

Ptt switch / engine control unit (Переключатель гидроподъёма / Блок управления двигателем)

Ptt switch / engine control unit (Переключатель гидроподъёма / Блок управления двигателем)
(DF225Z E40)

Ptt switch / engine control unit (Переключатель гидроподъёма / Блок управления двигателем)

Ptt switch / engine control unit (Переключатель гидроподъёма / Блок управления двигателем)
(DF250T E01)

Ptt switch / engine control unit (Переключатель гидроподъёма / Блок управления двигателем)

Ptt switch / engine control unit (Переключатель гидроподъёма / Блок управления двигателем)
(DF250T E40)

Ptt switch / engine control unit (Переключатель гидроподъёма / Блок управления двигателем)

Ptt switch / engine control unit (Переключатель гидроподъёма / Блок управления двигателем)
(DF250Z E01)

Ptt switch / engine control unit (Переключатель гидроподъёма / Блок управления двигателем)

Ptt switch / engine control unit (Переключатель гидроподъёма / Блок управления двигателем)
(DF250Z E40)

Clamp bracket transom (Кронштейн транца transom)

Clamp bracket transom (Кронштейн транца transom)
(X

Clamp bracket transom (Кронштейн транца transom)

Clamp bracket transom (Кронштейн транца transom)
(X) (DF200T E40)

Clamp bracket transom (Кронштейн транца transom)

Clamp bracket transom (Кронштейн транца transom)
(X

Clamp bracket transom (Кронштейн транца transom)

Clamp bracket transom (Кронштейн транца transom)
(X) (DF200Z E40)

Clamp bracket transom (Кронштейн транца transom)

Clamp bracket transom (Кронштейн транца transom)
(X

Clamp bracket transom (Кронштейн транца transom)

Clamp bracket transom (Кронштейн транца transom)
(X

Clamp bracket transom (Кронштейн транца transom)

Clamp bracket transom (Кронштейн транца transom)
(X

Clamp bracket transom (Кронштейн транца transom)

Clamp bracket transom (Кронштейн транца transom)
(X

Clamp bracket transom (Кронштейн транца transom)

Clamp bracket transom (Кронштейн транца transom)
(X

Clamp bracket transom (Кронштейн транца transom)

Clamp bracket transom (Кронштейн транца transom)
(X

Clamp bracket transom (Кронштейн транца transom)

Clamp bracket transom (Кронштейн транца transom)
(X

Clamp bracket transom (Кронштейн транца transom)

Clamp bracket transom (Кронштейн транца transom)
(X

Clamp bracket transom (Кронштейн транца transom)

Clamp bracket transom (Кронштейн транца transom)
(L) (DF200T E01)

Clamp bracket transom (Кронштейн транца transom)

Clamp bracket transom (Кронштейн транца transom)
(L) (DF200T E40)

Swivel bracket transom (Поворотный кронштейн transom)

Swivel bracket transom (Поворотный кронштейн transom)
(X

Swivel bracket transom (Поворотный кронштейн transom)

Swivel bracket transom (Поворотный кронштейн transom)
(X) (DF200T E40)

Swivel bracket transom (Поворотный кронштейн transom)

Swivel bracket transom (Поворотный кронштейн transom)
(X

Swivel bracket transom (Поворотный кронштейн transom)

Swivel bracket transom (Поворотный кронштейн transom)
(X) (DF200Z E40)

Swivel bracket transom (Поворотный кронштейн transom)

Swivel bracket transom (Поворотный кронштейн transom)
(X

Swivel bracket transom (Поворотный кронштейн transom)

Swivel bracket transom (Поворотный кронштейн transom)
(X

Swivel bracket transom (Поворотный кронштейн transom)

Swivel bracket transom (Поворотный кронштейн transom)
(X

Swivel bracket transom (Поворотный кронштейн transom)

Swivel bracket transom (Поворотный кронштейн transom)
(X

Swivel bracket transom (Поворотный кронштейн transom)

Swivel bracket transom (Поворотный кронштейн transom)
(X

Swivel bracket transom (Поворотный кронштейн transom)

Swivel bracket transom (Поворотный кронштейн transom)
(X

Swivel bracket transom (Поворотный кронштейн transom)

Swivel bracket transom (Поворотный кронштейн transom)
(X

Swivel bracket transom (Поворотный кронштейн transom)

Swivel bracket transom (Поворотный кронштейн transom)
(X

Swivel bracket transom (Поворотный кронштейн transom)

Swivel bracket transom (Поворотный кронштейн transom)
(L) (DF200T E01)

Swivel bracket transom (Поворотный кронштейн transom)

Swivel bracket transom (Поворотный кронштейн transom)
(L) (DF200T E40)

Trim cylinder transom (Цилиндр трима transom)

Trim cylinder transom (Цилиндр трима transom)
(X

Trim cylinder transom (Цилиндр трима transom)

Trim cylinder transom (Цилиндр трима transom)
(X) (DF200T E40)

Trim cylinder transom (Цилиндр трима transom)

Trim cylinder transom (Цилиндр трима transom)
(X

Trim cylinder transom (Цилиндр трима transom)

Trim cylinder transom (Цилиндр трима transom)
(X) (DF200Z E40)

Trim cylinder transom (Цилиндр трима transom)

Trim cylinder transom (Цилиндр трима transom)
(X

Trim cylinder transom (Цилиндр трима transom)

Trim cylinder transom (Цилиндр трима transom)
(X

Trim cylinder transom (Цилиндр трима transom)

Trim cylinder transom (Цилиндр трима transom)
(X

Trim cylinder transom (Цилиндр трима transom)

Trim cylinder transom (Цилиндр трима transom)
(X

Trim cylinder transom (Цилиндр трима transom)

Trim cylinder transom (Цилиндр трима transom)
(X

Trim cylinder transom (Цилиндр трима transom)

Trim cylinder transom (Цилиндр трима transom)
(X

Trim cylinder transom (Цилиндр трима transom)

Trim cylinder transom (Цилиндр трима transom)
(X

Trim cylinder transom (Цилиндр трима transom)

Trim cylinder transom (Цилиндр трима transom)
(X

Trim cylinder transom (Цилиндр трима transom)

Trim cylinder transom (Цилиндр трима transom)
(L) (DF200T E01)

Trim cylinder transom (Цилиндр трима transom)

Trim cylinder transom (Цилиндр трима transom)
(L) (DF200T E40)

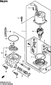
Ptt motor transom (Двигатель гидроподъёма transom)

Ptt motor transom (Двигатель гидроподъёма transom)
(X

Ptt motor transom (Двигатель гидроподъёма transom)

Ptt motor transom (Двигатель гидроподъёма transom)
(X) (DF200T E40)

Ptt motor transom (Двигатель гидроподъёма transom)

Ptt motor transom (Двигатель гидроподъёма transom)
(X

Ptt motor transom (Двигатель гидроподъёма transom)

Ptt motor transom (Двигатель гидроподъёма transom)
(X) (DF200Z E40)

Ptt motor transom (Двигатель гидроподъёма transom)

Ptt motor transom (Двигатель гидроподъёма transom)
(X

Ptt motor transom (Двигатель гидроподъёма transom)

Ptt motor transom (Двигатель гидроподъёма transom)
(X

Ptt motor transom (Двигатель гидроподъёма transom)

Ptt motor transom (Двигатель гидроподъёма transom)
(X

Ptt motor transom (Двигатель гидроподъёма transom)

Ptt motor transom (Двигатель гидроподъёма transom)
(X

Ptt motor transom (Двигатель гидроподъёма transom)

Ptt motor transom (Двигатель гидроподъёма transom)
(X

Ptt motor transom (Двигатель гидроподъёма transom)

Ptt motor transom (Двигатель гидроподъёма transom)
(X

Ptt motor transom (Двигатель гидроподъёма transom)

Ptt motor transom (Двигатель гидроподъёма transom)
(X

Ptt motor transom (Двигатель гидроподъёма transom)

Ptt motor transom (Двигатель гидроподъёма transom)
(X

Ptt motor transom (Двигатель гидроподъёма transom)

Ptt motor transom (Двигатель гидроподъёма transom)
(L) (DF200T E01)

Ptt motor transom (Двигатель гидроподъёма transom)

Ptt motor transom (Двигатель гидроподъёма transom)
(L) (DF200T E40)

Engine holder (Основание двигателя)

Engine holder (Основание двигателя)
(DF200T E01)

Engine holder (Основание двигателя)

Engine holder (Основание двигателя)
(DF200T E40)

Engine holder (Основание двигателя)

Engine holder (Основание двигателя)
(DF200Z E01)

Engine holder (Основание двигателя)

Engine holder (Основание двигателя)
(DF200Z E40)

Engine holder (Основание двигателя)

Engine holder (Основание двигателя)
(DF225T E01)

Engine holder (Основание двигателя)

Engine holder (Основание двигателя)
(DF225T E40)

Engine holder (Основание двигателя)

Engine holder (Основание двигателя)
(DF225Z E01)

Engine holder (Основание двигателя)

Engine holder (Основание двигателя)
(DF225Z E40)

Engine holder (Основание двигателя)

Engine holder (Основание двигателя)
(DF250T E01)

Engine holder (Основание двигателя)

Engine holder (Основание двигателя)
(DF250T E40)

Engine holder (Основание двигателя)

Engine holder (Основание двигателя)
(DF250Z E01)

Engine holder (Основание двигателя)

Engine holder (Основание двигателя)
(DF250Z E40)

Drive shaft housing transom (Корпус вала передачи transom)

Drive shaft housing transom (Корпус вала передачи transom)
(X

Drive shaft housing transom (Корпус вала передачи transom)

Drive shaft housing transom (Корпус вала передачи transom)
(X) (DF200T E40)

Drive shaft housing transom (Корпус вала передачи transom)

Drive shaft housing transom (Корпус вала передачи transom)
(X

Drive shaft housing transom (Корпус вала передачи transom)

Drive shaft housing transom (Корпус вала передачи transom)
(X) (DF200Z E40)

Drive shaft housing transom (Корпус вала передачи transom)

Drive shaft housing transom (Корпус вала передачи transom)
(X

Drive shaft housing transom (Корпус вала передачи transom)

Drive shaft housing transom (Корпус вала передачи transom)
(X

Drive shaft housing transom (Корпус вала передачи transom)

Drive shaft housing transom (Корпус вала передачи transom)
(X

Drive shaft housing transom (Корпус вала передачи transom)

Drive shaft housing transom (Корпус вала передачи transom)
(X

Drive shaft housing transom (Корпус вала передачи transom)

Drive shaft housing transom (Корпус вала передачи transom)
(X

Drive shaft housing transom (Корпус вала передачи transom)

Drive shaft housing transom (Корпус вала передачи transom)
(X

Drive shaft housing transom (Корпус вала передачи transom)

Drive shaft housing transom (Корпус вала передачи transom)
(X

Drive shaft housing transom (Корпус вала передачи transom)

Drive shaft housing transom (Корпус вала передачи transom)
(X

Drive shaft housing transom (Корпус вала передачи transom)

Drive shaft housing transom (Корпус вала передачи transom)
(L) (DF200T E01)

Drive shaft housing transom (Корпус вала передачи transom)

Drive shaft housing transom (Корпус вала передачи transom)
(L) (DF200T E40)

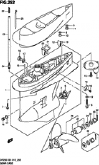
Gear case (Картер коробки передач)

Gear case (Картер коробки передач)
(DF200T E01)

Gear case (Картер коробки передач)

Gear case (Картер коробки передач)
(DF200T E40)

Gear case (Картер коробки передач)

Gear case (Картер коробки передач)
(DF200Z E01)

Gear case (Картер коробки передач)

Gear case (Картер коробки передач)
(DF200Z E40)

Gear case (Картер коробки передач)

Gear case (Картер коробки передач)
(DF225T E01)

Gear case (Картер коробки передач)

Gear case (Картер коробки передач)
(DF225T E40)

Gear case (Картер коробки передач)

Gear case (Картер коробки передач)
(DF225Z E01)

Gear case (Картер коробки передач)

Gear case (Картер коробки передач)
(DF225Z E40)

Gear case (Картер коробки передач)

Gear case (Картер коробки передач)
(DF250T E01)

Gear case (Картер коробки передач)

Gear case (Картер коробки передач)
(DF250T E40)

Gear case (Картер коробки передач)

Gear case (Картер коробки передач)
(DF250Z E01)

Gear case (Картер коробки передач)

Gear case (Картер коробки передач)
(DF250Z E40)

Side cover transom (Боковая крышка transom)

Side cover transom (Боковая крышка transom)
(X

Side cover transom (Боковая крышка transom)

Side cover transom (Боковая крышка transom)
(X) (DF200T E40)

Side cover transom (Боковая крышка transom)

Side cover transom (Боковая крышка transom)
(X

Side cover transom (Боковая крышка transom)

Side cover transom (Боковая крышка transom)
(X) (DF200Z E40)

Side cover transom (Боковая крышка transom)

Side cover transom (Боковая крышка transom)
(X

Side cover transom (Боковая крышка transom)

Side cover transom (Боковая крышка transom)
(X

Side cover transom (Боковая крышка transom)

Side cover transom (Боковая крышка transom)
(X

Side cover transom (Боковая крышка transom)

Side cover transom (Боковая крышка transom)
(X

Side cover transom (Боковая крышка transom)

Side cover transom (Боковая крышка transom)
(X

Side cover transom (Боковая крышка transom)

Side cover transom (Боковая крышка transom)
(X

Side cover transom (Боковая крышка transom)

Side cover transom (Боковая крышка transom)
(X

Side cover transom (Боковая крышка transom)

Side cover transom (Боковая крышка transom)
(X

Side cover transom (Боковая крышка transom)

Side cover transom (Боковая крышка transom)
(L) (DF200T E01)

Side cover transom (Боковая крышка transom)

Side cover transom (Боковая крышка transom)
(L) (DF200T E40)

Engine cover (Крышка двигателя (капот))

Engine cover (Крышка двигателя (капот))
(DF200T E01)

Engine cover (Крышка двигателя (капот))

Engine cover (Крышка двигателя (капот))
(DF200T E40)

Engine cover (Крышка двигателя (капот))

Engine cover (Крышка двигателя (капот))
(DF200Z E01)

Engine cover (Крышка двигателя (капот))

Engine cover (Крышка двигателя (капот))
(DF200Z E40)

Engine cover (Крышка двигателя (капот))

Engine cover (Крышка двигателя (капот))
(DF225T E01)

Engine cover (Крышка двигателя (капот))

Engine cover (Крышка двигателя (капот))
(DF225T E40)

Engine cover (Крышка двигателя (капот))

Engine cover (Крышка двигателя (капот))
(DF225Z E01)

Engine cover (Крышка двигателя (капот))

Engine cover (Крышка двигателя (капот))
(DF225Z E40)

Engine cover (Крышка двигателя (капот))

Engine cover (Крышка двигателя (капот))
(DF250T E01)

Engine cover (Крышка двигателя (капот))

Engine cover (Крышка двигателя (капот))
(DF250T E40)

Engine cover (Крышка двигателя (капот))

Engine cover (Крышка двигателя (капот))
(DF250Z E01)

Engine cover (Крышка двигателя (капот))

Engine cover (Крышка двигателя (капот))
(DF250Z E40)

Fuel hose (Топливный шланг)

Fuel hose (Топливный шланг)

Drag link (Переключающая тяга)

Drag link (Переключающая тяга)

Meter (Прибор)

Meter (Прибор)
(DF200T E01)

Opt:meter (Опции: приборы)

Opt:meter (Опции: приборы)

Opt:harness (Опции: жгут проводов)

Opt:harness (Опции: жгут проводов)

Opt:switch (Опции: переключатели)

Opt:switch (Опции: переключатели)

Opt:remote control (Опции: дистанционное управление)

Opt:remote control (Опции: дистанционное управление)

Opt:top mount dual (Опция: сдвоенное ДУ, монтаж сверху)

Opt:top mount dual (Опция: сдвоенное ДУ, монтаж сверху)
(1)

Opt:top mount dual (Опция: сдвоенное ДУ, монтаж сверху)

Opt:top mount dual (Опция: сдвоенное ДУ, монтаж сверху)
(2)

Opt:top mount single (Опции: одинарное, монтаж сверху)

Opt:top mount single (Опции: одинарное, монтаж сверху)
(1)

Opt:top mount single (Опции: одинарное, монтаж сверху)

Opt:top mount single (Опции: одинарное, монтаж сверху)
(2)

Opt:concealed remocon (Опции: дистанционное управление, скрытая установка)

Opt:concealed remocon (Опции: дистанционное управление, скрытая установка)
(1)

Opt:concealed remocon (Опции: дистанционное управление, скрытая установка)

Opt:concealed remocon (Опции: дистанционное управление, скрытая установка)
(2)

Opt:tie rod (Опции: tie Тяга)

Opt:tie rod (Опции: tie Тяга)

Opt:gasket set (Опции: комплект прокладок)

Opt:gasket set (Опции: комплект прокладок)
(DF200T E01)

Opt:gasket set (Опции: комплект прокладок)

Opt:gasket set (Опции: комплект прокладок)
(DF200T E40)

Opt:gasket set (Опции: комплект прокладок)

Opt:gasket set (Опции: комплект прокладок)
(DF200Z E01)

Opt:gasket set (Опции: комплект прокладок)

Opt:gasket set (Опции: комплект прокладок)
(DF200Z E40)

Opt:gasket set (Опции: комплект прокладок)

Opt:gasket set (Опции: комплект прокладок)
(DF225T E01)

Opt:gasket set (Опции: комплект прокладок)

Opt:gasket set (Опции: комплект прокладок)
(DF225T E40)

Opt:gasket set (Опции: комплект прокладок)

Opt:gasket set (Опции: комплект прокладок)
(DF225Z E01)

Opt:gasket set (Опции: комплект прокладок)

Opt:gasket set (Опции: комплект прокладок)
(DF225Z E40)

Opt:gasket set (Опции: комплект прокладок)

Opt:gasket set (Опции: комплект прокладок)
(DF250T E01)

Opt:gasket set (Опции: комплект прокладок)

Opt:gasket set (Опции: комплект прокладок)
(DF250T E40)

Opt:gasket set (Опции: комплект прокладок)

Opt:gasket set (Опции: комплект прокладок)
(DF250Z E01)

Opt:gasket set (Опции: комплект прокладок)

Opt:gasket set (Опции: комплект прокладок)
(DF250Z E40)

Opt:lowrance gauge (Опции: приборы Lowrance)

Opt:lowrance gauge (Опции: приборы Lowrance)




 
 

данный сайт носит информационный характер и не является публичной офертой

склад запчастей для водомоторной техники