Контактный телефон: +7 (981) 121-46-93, +7 (800) 200-90-76 , Email: parts-katalog@yandex.ru, где купить
Логин:
Пароль:
Регистрация
Вернуться к началу выбора
Поиск модели по серийному номеру
РЕЖИМЫ ПРОСМОТРА
Все узлы и детали
Тип двигателя: 4x - тактный
Модель двигателя: Suzuki DF225
Модификация Вашего двигателя: Suzuki DF-225ZK4 (E1) K4 Код модели двигателя: DF225(Z)TX/XX Год выпуска двигателя: 2004 Регион: General Export No.1 ,Код региона: P01 Цвет: Shadow Black Metallic
Поиск запчастей по коду или названию
Выберите раздел
Начните вводить запрос
Catalog preface (Каталог)
Color chart (Таблица цветов)
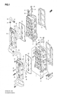
Cylinder head (Головка блока цилиндра)
Cylinder block (Блок цилиндра)
Ring gear cover (Крышка механизма маховика)
Crankshaft (Коленвал)
Timing chain (Распределяющая цепь)
Camshaft (Распределительный вал) Df200
Camshaft (Распределительный вал) Df250
Intake manifold (Впускной коллектор)
Silencer (Глушитель)
Exhaust cover (Кожух выхлопной трубы)
Fuel pump / fuel vapor separator (Топливный насос / Отделитель паров топлива)
Fuel injector (Топливный инжектор)
Water pump (Водяной насос)
Thermostat (Термостат)
Throttle body (Дроссель газа) Df200
Throttle body (Дроссель газа) Df225
Throttle rod (Тяга дросселя)
Oil pump (Масляный насос)
Oil pan (Масляный поддон)
Clutch shaft (Сцепление Вал)
Clutch rod (Тяга сцепления) Df200t
Clutch rod (Тяга сцепления) Df200z
Transmission (Трансмиссия) Df200t
Transmission (Трансмиссия) Df200z
Starting motor (Двигатель электростартера)
Magneto (Магнето)
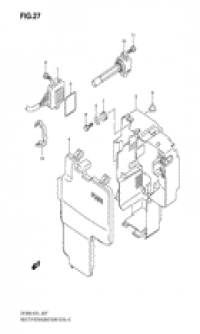
Rectifier / ignition coil (Выпрямитель / Катушка зажигания)
Sensor (Датчик)
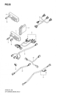
Harness (Жгут проводов)
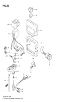
Ptt switch / engine control unit (Переключатель гидроподъёма / Блок управления двигателем)
Clamp bracket (Кронштейн транца)
Clamp bracket (Кронштейн транца) Df200tl
Swivel bracket (Поворотный кронштейн)
Swivel bracket (Поворотный кронштейн) Df200tl
Trim cylinder (Цилиндр трима)
Trim cylinder (Цилиндр трима) Df200tl
Ptt motor (Двигатель гидроподъёма)
Ptt motor (Двигатель гидроподъёма) Df200tl
Engine holder (Основание двигателя)
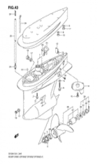
Drive shaft housing (Корпус вала передачи)
Drive shaft housing (Корпус вала передачи) Df200tl
Gear case (Картер коробки передач) Df200t
Gear case (Картер коробки передач) Df200z
Side cover (Боковая крышка)
Side cover (Боковая крышка) Df200tl
Engine cover (Крышка двигателя (капот)) Df200)(model: 04~09
Engine cover (Крышка двигателя (капот)) Df200)(model: 10~
Engine cover (Крышка двигателя (капот)) Df225)(model: 04~09
Engine cover (Крышка двигателя (капот)) Df225)(model: 10~
Engine cover (Крышка двигателя (капот)) Df250)(model: 04~09
Engine cover (Крышка двигателя (капот)) Df250)(model: 10~
Fuel hose (Топливный шланг)
Drag link (Переключающая тяга)
Remote control (Дистанционное управление)
Meter (Прибор) Optional;
Meter (Прибор) Optional; model: 08~
Harness (Жгут проводов) Optional;
Harness (Жгут проводов) Optional; model: 08~
Switch (Переключатель) Optional;
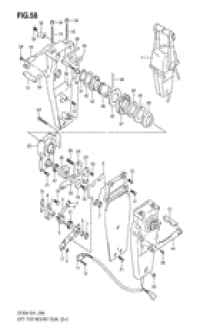
Top mount dual (сдвоенное ДУ, монтаж сверху) Optional;
Top mount single (одинарное, монтаж сверху) Optional;
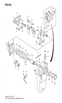
Concealed remocon Optional;
Tie rod (Tie Тяга) Optional;
Gasket set (Комплект прокладок) Optional;
данный сайт носит информационный характер и не является публичной офертой
склад запчастей для водомоторной техники