вконтакте

Контактный телефон: +7 (981) 121-46-93, +7 (800) 200-90-76 , Email: parts-katalog@yandex.ru, где купить

 
 

  Логин:

Пароль:

Регистрация

www.partskatalog.ru Все каталоги Запчасти Mercury Запчасти Suzuki Запчасти Tohatsu Запчасти Honda Контакты



УВАЖАЕМЫЕ КЛИЕНТЫ!
C 19 ДЕКАБРЯ 2025 ПО 02 МАРТА 2026 ГОДА ОТДЕЛ ЗАПЧАСТЕЙ И СЕРВИС РАБОТАТЬ НЕ БУДУТ
ПРОДАЖА ЛОДОЧНЫХ МОТОРОВ В ШТАТНОМ РЕЖИМЕ
ОБ ИЗМЕНЕНИЯХ В ГРАФИКЕ РАБОТЫ ЧИТАЙТЕ НА САЙТА




запчастиsuzuki

Узнать наличие и цену запчасти:

Вернуться к началу выбора

Поиск модели по серийному номеру


РЕЖИМЫ ПРОСМОТРА

Все узлы и детали

Двигатель

Трансмиссия

Электрика

Внешние части

Тип двигателя: 4x - тактный

Модель двигателя: Suzuki DF250

Модификация Вашего двигателя:   Suzuki DF-250Z K5
Код модели двигателя: DF250(Z)TX/XX; DF250W(Z)TX/XX
Год выпуска двигателя: 2005
Цвет: Shadow Black Metallic


Поиск запчастей по коду или названию


   Выберите раздел

найти расходники на лодочные моторы Suzuki

Начните вводить запрос

Cylinder head (Головка блока цилиндра)

Cylinder head (Головка блока цилиндра)

Cylinder block (Блок цилиндра)

Cylinder block (Блок цилиндра)

Ring gear cover (Крышка механизма маховика)

Ring gear cover (Крышка механизма маховика)

Crankshaft (Коленвал)

Crankshaft (Коленвал)

Timing chain (Распределяющая цепь)

Timing chain (Распределяющая цепь)

Camshaft (Распределительный вал)

Camshaft (Распределительный вал)
(DF200

Camshaft (Распределительный вал)

Camshaft (Распределительный вал)
(DF250)

Intake manifold (Впускной коллектор)

Intake manifold (Впускной коллектор)

Silencer (Глушитель)

Silencer (Глушитель)

Exhaust cover (Кожух выхлопной трубы)

Exhaust cover (Кожух выхлопной трубы)

Fuel pump / fuel vapor separator (Топливный насос / Отделитель паров топлива)

Fuel pump / fuel vapor separator (Топливный насос / Отделитель паров топлива)
NOTE : REFER TO FIG.11A(C- 5) FOR DF200T:110001~

Fuel pump / fuel vapor separator (Топливный насос / Отделитель паров топлива)

Fuel pump / fuel vapor separator (Топливный насос / Отделитель паров топлива)
(*); NOTE : (*) : DF200T:110001~

Fuel injector (Топливный инжектор)

Fuel injector (Топливный инжектор)

Water pump (Водяной насос)

Water pump (Водяной насос)

Thermostat (Термостат)

Thermostat (Термостат)

Throttle body (Дроссель газа)

Throttle body (Дроссель газа)
(DF200); NOTE : REFER TO FIG.16(D- 4) FOR DF225

Throttle body (Дроссель газа)

Throttle body (Дроссель газа)
(DF225

Throttle rod (Тяга дросселя)

Throttle rod (Тяга дросселя)

Oil pump (Масляный насос)

Oil pump (Масляный насос)

Oil pan (Масляный поддон)

Oil pan (Масляный поддон)

Clutch shaft (Сцепление Вал)

Clutch shaft (Сцепление Вал)

Clutch rod (Тяга сцепления)

Clutch rod (Тяга сцепления)
(DF200T

Clutch rod (Тяга сцепления)

Clutch rod (Тяга сцепления)
(DF200Z

Transmission (Трансмиссия)

Transmission (Трансмиссия)
(DF200T

Transmission (Трансмиссия)

Transmission (Трансмиссия)
(DF200Z

Starting motor (Двигатель электростартера)

Starting motor (Двигатель электростартера)

Magneto (Магнето)

Magneto (Магнето)

Rectifier / ignition coil (Выпрямитель / Катушка зажигания)

Rectifier / ignition coil (Выпрямитель / Катушка зажигания)

Sensor (Датчик)

Sensor (Датчик)

Harness (Жгут проводов)

Harness (Жгут проводов)

Ptt switch / engine control unit (Переключатель гидроподъёма / Блок управления двигателем)

Ptt switch / engine control unit (Переключатель гидроподъёма / Блок управления двигателем)

Clamp bracket (Кронштейн транца)

Clamp bracket (Кронштейн транца)
NOTE : REFER TO FIG.32(G- 5) FOR DF200TL

Clamp bracket (Кронштейн транца)

Clamp bracket (Кронштейн транца)
(DF200TL)

Swivel bracket (Поворотный кронштейн)

Swivel bracket (Поворотный кронштейн)
NOTE : REFER TO FIG.34(G- 8) FOR DF200TL

Swivel bracket (Поворотный кронштейн)

Swivel bracket (Поворотный кронштейн)
(DF200TL)

Trim cylinder (Цилиндр трима)

Trim cylinder (Цилиндр трима)
NOTE : REFER TO FIG.36(G-12) FOR DF200TL

Trim cylinder (Цилиндр трима)

Trim cylinder (Цилиндр трима)
(DF200TL)

Ptt motor (Двигатель гидроподъёма)

Ptt motor (Двигатель гидроподъёма)
NOTE : REFER TO FIG.38(G-14) FOR DF200TL

Ptt motor (Двигатель гидроподъёма)

Ptt motor (Двигатель гидроподъёма)
(DF200TL)

Engine holder (Основание двигателя)

Engine holder (Основание двигателя)

Drive shaft housing (Корпус вала передачи)

Drive shaft housing (Корпус вала передачи)
NOTE : REFER TO FIG.41(H- 6) FOR DF200TL

Drive shaft housing (Корпус вала передачи)

Drive shaft housing (Корпус вала передачи)
(DF200TL)

Gear case (Картер коробки передач)

Gear case (Картер коробки передач)
(DF200T

Gear case (Картер коробки передач)

Gear case (Картер коробки передач)
(DF200Z

Side cover (Боковая крышка)

Side cover (Боковая крышка)
NOTE : REFER TO FIG.45(H-14) FOR DF200TL

Side cover (Боковая крышка)

Side cover (Боковая крышка)
(DF200TL)

Engine cover (Крышка двигателя (капот))

Engine cover (Крышка двигателя (капот))
(DF200)(MODEL:10~); NOTE : REFER TO FIG.47 (I- 6) FOR DF225 MODEL:04~09 REFER TO FIG.47A(I- 8) FOR DF225 MODEL:10~ REFER TO FIG.48 (I-10) FOR DF250 MODEL:04~09 REFER TO FIG.48A(I-12) FOR DF250 MODEL:10~

Engine cover (Крышка двигателя (капот))

Engine cover (Крышка двигателя (капот))
(DF200)(MODEL:04~09); NOTE : REFER TO FIG.46A(I- 4) FOR DF200 MODEL:10~ REFER TO FIG.47 (I- 6) FOR DF225 MODEL:04~09 REFER TO FIG.47A(I- 8) FOR DF225 MODEL:10~ REFER TO FIG.48 (I-10) FOR DF250 MODEL:04~09 REFER TO FIG.48A(I-12) FOR DF250 MODEL:10~

Engine cover (Крышка двигателя (капот))

Engine cover (Крышка двигателя (капот))
(DF225)(MODEL:10~); NOTE : REFER TO FIG.48 (I-10) FOR DF250 MODEL:04~09 REFER TO FIG.48A(I-12) FOR DF250 MODEL:10~

Engine cover (Крышка двигателя (капот))

Engine cover (Крышка двигателя (капот))
(DF225)(MODEL:04~09); NOTE : REFER TO FIG.47A(I- 8) FOR DF225 MODEL:10~ REFER TO FIG.48 (I-10) FOR DF250 MODEL:04~09 REFER TO FIG.48A(I-12) FOR DF250 MODEL:10~

Engine cover (Крышка двигателя (капот))

Engine cover (Крышка двигателя (капот))
(DF250)(MODEL:04~09); NOTE : REFER TO FIG.48A(I-12) FOR DF250 MODEL:10~

Engine cover (Крышка двигателя (капот))

Engine cover (Крышка двигателя (капот))
(DF250)(MODEL:10~)

Fuel hose (Топливный шланг)

Fuel hose (Топливный шланг)

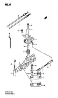
Drag link (Переключающая тяга)

Drag link (Переключающая тяга)

Remote control (Дистанционное управление)

Remote control (Дистанционное управление)

Opt:meter (Опции: приборы)

Opt:meter (Опции: приборы)

Opt:harness (Опции: жгут проводов)

Opt:harness (Опции: жгут проводов)

Opt:switch (Опции: переключатели)

Opt:switch (Опции: переключатели)

Opt:top mount dual (Опция: сдвоенное ДУ, монтаж сверху)

Opt:top mount dual (Опция: сдвоенное ДУ, монтаж сверху)
(1)

Opt:top mount dual (Опция: сдвоенное ДУ, монтаж сверху)

Opt:top mount dual (Опция: сдвоенное ДУ, монтаж сверху)
(2)

Opt:top mount single (Опции: одинарное, монтаж сверху)

Opt:top mount single (Опции: одинарное, монтаж сверху)
(1)

Opt:top mount single (Опции: одинарное, монтаж сверху)

Opt:top mount single (Опции: одинарное, монтаж сверху)
(2)

Opt:concealed remocon (Опции: дистанционное управление, скрытая установка)

Opt:concealed remocon (Опции: дистанционное управление, скрытая установка)
(1)

Opt:concealed remocon (Опции: дистанционное управление, скрытая установка)

Opt:concealed remocon (Опции: дистанционное управление, скрытая установка)
(2)

Opt:tie rod (Опции: tie Тяга)

Opt:tie rod (Опции: tie Тяга)

Opt:gasket set (Опции: комплект прокладок)

Opt:gasket set (Опции: комплект прокладок)




 
 

данный сайт носит информационный характер и не является публичной офертой

склад запчастей для водомоторной техники