вконтакте

Контактный телефон: +7 (981) 121-46-93, +7 (800) 200-90-76 , Email: parts-katalog@yandex.ru, где купить

 
 

  Логин:

Пароль:

Регистрация

www.partskatalog.ru Все каталоги Запчасти Mercury Запчасти Suzuki Запчасти Tohatsu Запчасти Honda Контакты



УВАЖАЕМЫЕ КЛИЕНТЫ!
C 19 ДЕКАБРЯ 2025 ПО 02 МАРТА 2026 ГОДА ОТДЕЛ ЗАПЧАСТЕЙ И СЕРВИС РАБОТАТЬ НЕ БУДУТ
ПРОДАЖА ЛОДОЧНЫХ МОТОРОВ В ШТАТНОМ РЕЖИМЕ
ОБ ИЗМЕНЕНИЯХ В ГРАФИКЕ РАБОТЫ ЧИТАЙТЕ НА САЙТА




запчастиsuzuki

Узнать наличие и цену запчасти:

Вернуться к началу выбора

Поиск модели по серийному номеру


РЕЖИМЫ ПРОСМОТРА

Все узлы и детали

Тип двигателя: 4x - тактный

Модель двигателя: Suzuki DF250

Модификация Вашего двигателя:   Suzuki DF-250TK9 (E1) K9
Код модели двигателя: DF250(Z)TX/XX; DF250W(Z)TX/XX
Год выпуска двигателя: 2009
Регион: General Export No.1 ,Код региона: P01
Цвет: Shadow Black Metallic


Поиск запчастей по коду или названию


   Выберите раздел

найти расходники на лодочные моторы Suzuki

Начните вводить запрос

Catalog preface (Каталог)

Catalog preface (Каталог)

Catalog preface (Каталог)

Catalog preface (Каталог)

Catalog preface (Каталог)

Catalog preface (Каталог)

Catalog preface (Каталог)

Catalog preface (Каталог)

Color chart (Таблица цветов)

Color chart (Таблица цветов)

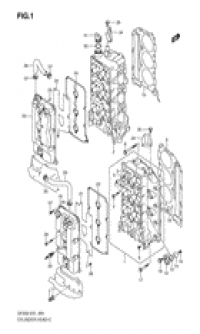
Cylinder head (Головка блока цилиндра)

Cylinder head (Головка блока цилиндра)

Cylinder block (Блок цилиндра)

Cylinder block (Блок цилиндра)

Ring gear cover (Крышка механизма маховика)

Ring gear cover (Крышка механизма маховика)

Crankshaft (Коленвал)

Crankshaft (Коленвал)

Timing chain (Распределяющая цепь)

Timing chain (Распределяющая цепь)

Camshaft (Распределительный вал)

Camshaft (Распределительный вал)
Df200

Camshaft (Распределительный вал)

Camshaft (Распределительный вал)
Df250

Intake manifold (Впускной коллектор)

Intake manifold (Впускной коллектор)

Silencer (Глушитель)

Silencer (Глушитель)

Exhaust cover (Кожух выхлопной трубы)

Exhaust cover (Кожух выхлопной трубы)

Fuel pump / fuel vapor separator (Топливный насос / Отделитель паров топлива)

Fuel pump / fuel vapor separator (Топливный насос / Отделитель паров топлива)

Fuel pump / fuel vapor separator (Топливный насос / Отделитель паров топлива)

Fuel pump / fuel vapor separator (Топливный насос / Отделитель паров топлива)

Fuel injector (Топливный инжектор)

Fuel injector (Топливный инжектор)

Water pump (Водяной насос)

Water pump (Водяной насос)

Thermostat (Термостат)

Thermostat (Термостат)

Throttle body (Дроссель газа)

Throttle body (Дроссель газа)
Df200

Throttle body (Дроссель газа)

Throttle body (Дроссель газа)
Df225

Throttle rod (Тяга дросселя)

Throttle rod (Тяга дросселя)

Oil pump (Масляный насос)

Oil pump (Масляный насос)

Oil pan (Масляный поддон)

Oil pan (Масляный поддон)

Clutch shaft (Сцепление Вал)

Clutch shaft (Сцепление Вал)

Clutch rod (Тяга сцепления)

Clutch rod (Тяга сцепления)
Df200t

Clutch rod (Тяга сцепления)

Clutch rod (Тяга сцепления)
Df200z

Transmission (Трансмиссия)

Transmission (Трансмиссия)
Df200t

Transmission (Трансмиссия)

Transmission (Трансмиссия)
Df200z

Starting motor (Двигатель электростартера)

Starting motor (Двигатель электростартера)

Magneto (Магнето)

Magneto (Магнето)

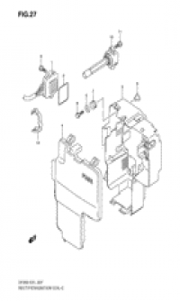
Rectifier / ignition coil (Выпрямитель / Катушка зажигания)

Rectifier / ignition coil (Выпрямитель / Катушка зажигания)

Sensor (Датчик)

Sensor (Датчик)

Harness (Жгут проводов)

Harness (Жгут проводов)

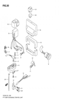
Ptt switch / engine control unit (Переключатель гидроподъёма / Блок управления двигателем)

Ptt switch / engine control unit (Переключатель гидроподъёма / Блок управления двигателем)

Clamp bracket (Кронштейн транца)

Clamp bracket (Кронштейн транца)

Clamp bracket (Кронштейн транца)

Clamp bracket (Кронштейн транца)
Df200tl

Swivel bracket (Поворотный кронштейн)

Swivel bracket (Поворотный кронштейн)

Swivel bracket (Поворотный кронштейн)

Swivel bracket (Поворотный кронштейн)
Df200tl

Trim cylinder (Цилиндр трима)

Trim cylinder (Цилиндр трима)

Trim cylinder (Цилиндр трима)

Trim cylinder (Цилиндр трима)
Df200tl

Ptt motor (Двигатель гидроподъёма)

Ptt motor (Двигатель гидроподъёма)

Ptt motor (Двигатель гидроподъёма)

Ptt motor (Двигатель гидроподъёма)
Df200tl

Engine holder (Основание двигателя)

Engine holder (Основание двигателя)

Drive shaft housing (Корпус вала передачи)

Drive shaft housing (Корпус вала передачи)

Drive shaft housing (Корпус вала передачи)

Drive shaft housing (Корпус вала передачи)
Df200tl

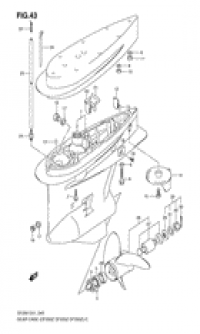
Gear case (Картер коробки передач)

Gear case (Картер коробки передач)
Df200t

Gear case (Картер коробки передач)

Gear case (Картер коробки передач)
Df200z

Side cover (Боковая крышка)

Side cover (Боковая крышка)

Side cover (Боковая крышка)

Side cover (Боковая крышка)
Df200tl

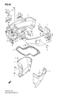
Engine cover (Крышка двигателя (капот))

Engine cover (Крышка двигателя (капот))
Df200)(model: 04~09

Engine cover (Крышка двигателя (капот))

Engine cover (Крышка двигателя (капот))
Df200)(model: 10~

Engine cover (Крышка двигателя (капот))

Engine cover (Крышка двигателя (капот))
Df225)(model: 04~09

Engine cover (Крышка двигателя (капот))

Engine cover (Крышка двигателя (капот))
Df225)(model: 10~

Engine cover (Крышка двигателя (капот))

Engine cover (Крышка двигателя (капот))
Df250)(model: 04~09

Engine cover (Крышка двигателя (капот))

Engine cover (Крышка двигателя (капот))
Df250)(model: 10~

Fuel hose (Топливный шланг)

Fuel hose (Топливный шланг)

Drag link (Переключающая тяга)

Drag link (Переключающая тяга)

Remote control (Дистанционное управление)

Remote control (Дистанционное управление)

Meter (Прибор)

Meter (Прибор)
Optional;

Meter (Прибор)

Meter (Прибор)
Optional; model: 08~

Harness (Жгут проводов)

Harness (Жгут проводов)
Optional;

Harness (Жгут проводов)

Harness (Жгут проводов)
Optional; model: 08~

Switch (Переключатель)

Switch (Переключатель)
Optional;

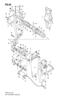
Top mount dual (сдвоенное ДУ, монтаж сверху)

Top mount dual (сдвоенное ДУ, монтаж сверху)
Optional;

Top mount dual (сдвоенное ДУ, монтаж сверху)

Top mount dual (сдвоенное ДУ, монтаж сверху)
Optional;

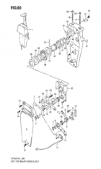
Top mount single (одинарное, монтаж сверху)

Top mount single (одинарное, монтаж сверху)
Optional;

Top mount single (одинарное, монтаж сверху)

Top mount single (одинарное, монтаж сверху)
Optional;

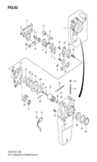
Concealed remocon

Concealed remocon
Optional;

Concealed remocon

Concealed remocon
Optional;

Tie rod (Tie Тяга)

Tie rod (Tie Тяга)
Optional;

Gasket set (Комплект прокладок)

Gasket set (Комплект прокладок)
Optional;




 
 

данный сайт носит информационный характер и не является публичной офертой

склад запчастей для водомоторной техники