вконтакте

Контактный телефон: +7 (981) 121-46-93, +7 (800) 200-90-76 , Email: parts-katalog@yandex.ru, где купить

 
 

  Логин:

Пароль:

Регистрация

www.partskatalog.ru Все каталоги Запчасти Mercury Запчасти Suzuki Запчасти Tohatsu Запчасти Honda Контакты



УВАЖАЕМЫЕ КЛИЕНТЫ!
C 19 ДЕКАБРЯ 2025 ПО 02 МАРТА 2026 ГОДА ОТДЕЛ ЗАПЧАСТЕЙ И СЕРВИС РАБОТАТЬ НЕ БУДУТ
ПРОДАЖА ЛОДОЧНЫХ МОТОРОВ В ШТАТНОМ РЕЖИМЕ
ОБ ИЗМЕНЕНИЯХ В ГРАФИКЕ РАБОТЫ ЧИТАЙТЕ НА САЙТА




запчастиsuzuki

Узнать наличие и цену запчасти:

Вернуться к началу выбора

Поиск модели по серийному номеру


РЕЖИМЫ ПРОСМОТРА

Все узлы и детали

Двигатель

Трансмиссия

Электрика

Внешние части

Тип двигателя: 2x - тактный

Модель двигателя: Suzuki DT2

Модификация Вашего двигателя:   Suzuki DT2 QD
Год выпуска двигателя: 1983
Цвет: Andres Blue MetallicFrancois White №2


Поиск запчастей по коду или названию


   Выберите раздел

найти расходники на лодочные моторы Suzuki

Начните вводить запрос

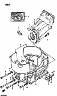
Cylinder (Цилиндр)

Cylinder (Цилиндр)

Crankshaft (Коленвал)

Crankshaft (Коленвал)

Carburetor (Карбюратор)

Carburetor (Карбюратор)

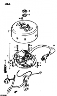
Starter (Стартер)

Starter (Стартер)

Electrical (Электрика)

Electrical (Электрика)

Clamp bracket (Кронштейн транца)

Clamp bracket (Кронштейн транца)

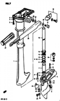
Gear case (Картер коробки передач)

Gear case (Картер коробки передач)

Water pump (Водяной насос)

Water pump (Водяной насос)

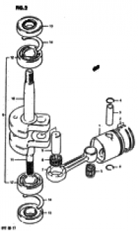
Transmission (Трансмиссия)

Transmission (Трансмиссия)

Engine cover (Крышка двигателя (капот))

Engine cover (Крышка двигателя (капот))

Fuel tank (Топливный бак)

Fuel tank (Топливный бак)

Optional (Опции)

Optional (Опции)




 
 

данный сайт носит информационный характер и не является публичной офертой

склад запчастей для водомоторной техники