вконтакте

Контактный телефон: +7 (981) 121-46-93, +7 (800) 200-90-76 , Email: parts-katalog@yandex.ru, где купить

 
 

  Логин:

Пароль:

Регистрация

www.partskatalog.ru Все каталоги Запчасти Mercury Запчасти Suzuki Запчасти Tohatsu Запчасти Honda Контакты



УВАЖАЕМЫЕ КЛИЕНТЫ!
C 19 ДЕКАБРЯ 2025 ПО 02 МАРТА 2026 ГОДА ОТДЕЛ ЗАПЧАСТЕЙ И СЕРВИС РАБОТАТЬ НЕ БУДУТ
ПРОДАЖА ЛОДОЧНЫХ МОТОРОВ В ШТАТНОМ РЕЖИМЕ
ОБ ИЗМЕНЕНИЯХ В ГРАФИКЕ РАБОТЫ ЧИТАЙТЕ НА САЙТА




запчастиsuzuki

Узнать наличие и цену запчасти:

Вернуться к началу выбора

Поиск модели по серийному номеру


РЕЖИМЫ ПРОСМОТРА

Все узлы и детали

Тип двигателя: 2x - тактный

Модель двигателя: Suzuki DT2

Модификация Вашего двигателя:   Suzuki DT2S (E1) S
Год выпуска двигателя: 1995
Регион: General Export No.1
Цвет: Серый (California Gray Metallic)


Поиск запчастей по коду или названию


   Выберите раздел

найти расходники на лодочные моторы Suzuki

Начните вводить запрос

Catalog preface (Каталог)

Catalog preface (Каталог)

Catalog preface (Каталог)

Catalog preface (Каталог)

Catalog preface (Каталог)

Catalog preface (Каталог)

Catalog preface (Каталог)

Catalog preface (Каталог)

Catalog preface (Каталог)

Catalog preface (Каталог)

Catalog preface (Каталог)

Catalog preface (Каталог)

Catalog preface (Каталог)

Catalog preface (Каталог)

Color chart (Таблица цветов)

Color chart (Таблица цветов)

Cylinder (Цилиндр)

Cylinder (Цилиндр)
Dt2

Cylinder (Цилиндр)

Cylinder (Цилиндр)
Dt2/dt2.2

Crankshaft (Коленвал)

Crankshaft (Коленвал)

Carburetor (Карбюратор)

Carburetor (Карбюратор)
Dt2

Carburetor (Карбюратор)

Carburetor (Карбюратор)
Dt2/dt2.2

Water pump (Водяной насос)

Water pump (Водяной насос)

Recoil starter (Барабанный стартер)

Recoil starter (Барабанный стартер)
Model: 86~89

Recoil starter (Барабанный стартер)

Recoil starter (Барабанный стартер)
Model: 90~00

Transmission (Трансмиссия)

Transmission (Трансмиссия)

Magneto (Магнето)

Magneto (Магнето)
Dt2

Magneto (Магнето)

Magneto (Магнето)
Dt2/dt2.2

Clamp bracket (Кронштейн транца)

Clamp bracket (Кронштейн транца)

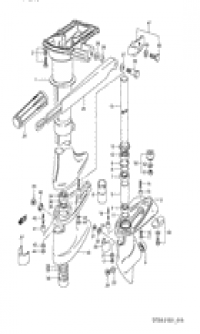
Drive shaft housing (Корпус вала передачи)

Drive shaft housing (Корпус вала передачи)
Dt2/dt2.2

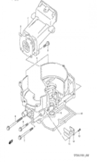
Engine cover (Крышка двигателя (капот))

Engine cover (Крышка двигателя (капот))
Dt2

Engine cover (Крышка двигателя (капот))

Engine cover (Крышка двигателя (капот))
Dt2

Engine cover (Крышка двигателя (капот))

Engine cover (Крышка двигателя (капот))
Dt2

Engine cover (Крышка двигателя (капот))

Engine cover (Крышка двигателя (капот))
Dt2

Engine cover (Крышка двигателя (капот))

Engine cover (Крышка двигателя (капот))
Dt2.2

Engine cover (Крышка двигателя (капот))

Engine cover (Крышка двигателя (капот))
Dt2/2.2 model: 94~97

Engine cover (Крышка двигателя (капот))

Engine cover (Крышка двигателя (капот))
Dt2.2

Fuel tank (Топливный бак)

Fuel tank (Топливный бак)

Optional (Опции)

Optional (Опции)




 
 

данный сайт носит информационный характер и не является публичной офертой

склад запчастей для водомоторной техники