вконтакте

Контактный телефон: +7 (981) 121-46-93, +7 (800) 200-90-76 , Email: parts-katalog@yandex.ru, где купить

 
 

  Логин:

Пароль:

Регистрация

www.partskatalog.ru Все каталоги Запчасти Mercury Запчасти Suzuki Запчасти Tohatsu Запчасти Honda Контакты



УВАЖАЕМЫЕ КЛИЕНТЫ!
C 19 ДЕКАБРЯ 2025 ПО 02 МАРТА 2026 ГОДА ОТДЕЛ ЗАПЧАСТЕЙ И СЕРВИС РАБОТАТЬ НЕ БУДУТ
ПРОДАЖА ЛОДОЧНЫХ МОТОРОВ В ШТАТНОМ РЕЖИМЕ
ОБ ИЗМЕНЕНИЯХ В ГРАФИКЕ РАБОТЫ ЧИТАЙТЕ НА САЙТА




запчастиsuzuki

Узнать наличие и цену запчасти:

Вернуться к началу выбора

Поиск модели по серийному номеру


РЕЖИМЫ ПРОСМОТРА

Все узлы и детали

Двигатель

Трансмиссия

Электрика

Внешние части

Тип двигателя: 2x - тактный

Модель двигателя: Suzuki DT2.2

Модификация Вашего двигателя:   Suzuki DT2.2 N
Год выпуска двигателя: 1992
Цвет: California Gray Metallic


Поиск запчастей по коду или названию


   Выберите раздел

найти расходники на лодочные моторы Suzuki

Начните вводить запрос

Cylinder (Цилиндр)

Cylinder (Цилиндр)
(DT2/DT2.2

Crankshaft (Коленвал)

Crankshaft (Коленвал)

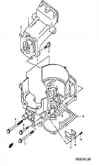
Carburetor (Карбюратор)

Carburetor (Карбюратор)
(DT2/DT2.2

Water pump (Водяной насос)

Water pump (Водяной насос)
NOTE : COLOR : 0ED (GRAY)

Recoil starter (Барабанный стартер)

Recoil starter (Барабанный стартер)
(MODEL:86~89); NOTE : REFER TO FIG.8 (C- 3) FOR MODEL:90~00

Recoil starter (Барабанный стартер)

Recoil starter (Барабанный стартер)
(MODEL:90~00)

Transmission (Трансмиссия)

Transmission (Трансмиссия)

Magneto (Магнето)

Magneto (Магнето)
(DT2/DT2.2

Clamp bracket (Кронштейн транца)

Clamp bracket (Кронштейн транца)
NOTE : COLOR : 0ED (GRAY)

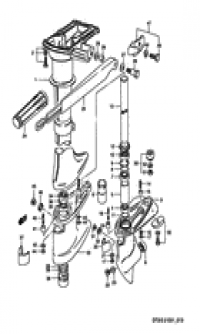
Drive shaft housing (Корпус вала передачи)

Drive shaft housing (Корпус вала передачи)
(DT2/DT2.2); NOTE : COLOR : 02M (SILVER) 01T (WHITE) 0ED (GRAY)

Engine cover (Крышка двигателя (капот))

Engine cover (Крышка двигателя (капот))
(DT2

Engine cover (Крышка двигателя (капот))

Engine cover (Крышка двигателя (капот))
(DT2.2

Engine cover (Крышка двигателя (капот))

Engine cover (Крышка двигателя (капот))
(DT2.2

Fuel tank (Топливный бак)

Fuel tank (Топливный бак)

Optional (Опции)

Optional (Опции)




 
 

данный сайт носит информационный характер и не является публичной офертой

склад запчастей для водомоторной техники