вконтакте

Контактный телефон: +7 (981) 121-46-93, +7 (800) 200-90-76 , Email: parts-katalog@yandex.ru, где купить

 
 

  Логин:

Пароль:

Регистрация

www.partskatalog.ru Все каталоги Запчасти Mercury Запчасти Suzuki Запчасти Tohatsu Запчасти Honda Контакты



УВАЖАЕМЫЕ КЛИЕНТЫ!
C 19 ДЕКАБРЯ 2025 ПО 02 МАРТА 2026 ГОДА ОТДЕЛ ЗАПЧАСТЕЙ И СЕРВИС РАБОТАТЬ НЕ БУДУТ
ПРОДАЖА ЛОДОЧНЫХ МОТОРОВ В ШТАТНОМ РЕЖИМЕ
ОБ ИЗМЕНЕНИЯХ В ГРАФИКЕ РАБОТЫ ЧИТАЙТЕ НА САЙТА




запчастиsuzuki

Узнать наличие и цену запчасти:

Вернуться к началу выбора

Поиск модели по серийному номеру


РЕЖИМЫ ПРОСМОТРА

Все узлы и детали

Двигатель

Трансмиссия

Электрика

Внешние части

Тип двигателя: 2x - тактный

Модель двигателя: Suzuki DT4

Модификация Вашего двигателя:   Suzuki DT4 N
Год выпуска двигателя: 1992
Цвет: Francois Whte №2,Arctic Silver,Black,Pure White,California Gray Metallic,California Gray,Pearl Still White,Marrone Beige №2,Gold (Tape)


Поиск запчастей по коду или названию


   Выберите раздел

найти расходники на лодочные моторы Suzuki

Начните вводить запрос

Cylinder (Цилиндр)

Cylinder (Цилиндр)
(DT4); NOTE : REFER TO FIG.2(B-3) FOR DT5Y REFER TO FIG.3(B-4) FOR J4

Cylinder (Цилиндр)

Cylinder (Цилиндр)
(DT5Y)

Cylinder (Цилиндр)

Cylinder (Цилиндр)
(J4); NOTE : COLOR : 0ED (GRAY)

Crankshaft (Коленвал)

Crankshaft (Коленвал)
(DT4/J4); NOTE : REFER TO FIG.5 (B-6) FOR DT5Y

Crankshaft (Коленвал)

Crankshaft (Коленвал)
(DT5Y)

Carburetor (Карбюратор)

Carburetor (Карбюратор)
(DT4/J4); NOTE : REFER TO FIG.7(B-9) FOR DT5Y

Carburetor (Карбюратор)

Carburetor (Карбюратор)
(DT5Y)

Fuel pump (Топливный насос)

Fuel pump (Топливный насос)
(DT4); NOTE : REFER TO FIG.9 (B-11) FOR DT5Y REFER TO FIG.10(B-12) FOR J4

Fuel pump (Топливный насос)

Fuel pump (Топливный насос)
(DT5Y)

Fuel pump (Топливный насос)

Fuel pump (Топливный насос)
(J4)

Water pump (Водяной насос)

Water pump (Водяной насос)
(DT4/DT5Y)

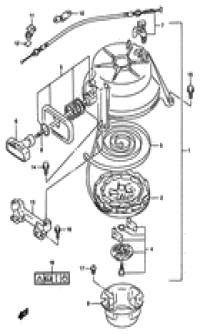
Recoil starter (Барабанный стартер)

Recoil starter (Барабанный стартер)
(DT4/J4); NOTE : COLOR : 0ED (GRAY) REFER TO FIG.13(C-4) FOR DT5Y

Recoil starter (Барабанный стартер)

Recoil starter (Барабанный стартер)
(DT5Y)

Clutch (Сцепление)

Clutch (Сцепление)
(DT4/DT5Y)

Exhaust cover (Кожух выхлопной трубы)

Exhaust cover (Кожух выхлопной трубы)
(J4)

Jet pump (Jet Помпа)

Jet pump (Jet Помпа)
(J4); NOTE : COLOR : 0ED (GRAY)

Transmission (Трансмиссия)

Transmission (Трансмиссия)
(DT4/DT5Y)

Magneto (Магнето)

Magneto (Магнето)
(DT4/~MODEL:92); NOTE : REFER TO FIG.19(D-3) FOR DT4 MODEL:93~96 REFER TO FIG.20(D-4) FOR DT4/DT5Y MODEL:97~00 REFER TO FIG.21(D-5) FOR J4

Magneto (Магнето)

Magneto (Магнето)
(J4)

Clamp bracket (Кронштейн транца)

Clamp bracket (Кронштейн транца)
(DT4/DT5Y); NOTE : COLOR : 0ED (GRAY)

Swivel bracket (Поворотный кронштейн)

Swivel bracket (Поворотный кронштейн)
(DT4/DT5Y); NOTE : COLOR : 0ED (GRAY)

Drive shaft housing (Корпус вала передачи)

Drive shaft housing (Корпус вала передачи)
(DT4/DT5Y); NOTE : COLOR : 0ED (GRAY)

Gear case (Картер коробки передач)

Gear case (Картер коробки передач)
(DT4); NOTE : COLOR : 0ED (GRAY) 019 (BLACK)

Lower cover (Нижняя часть корпуса)

Lower cover (Нижняя часть корпуса)
(DT4); NOTE : COLOR : 02M (SILVER) 064 (WHITE) 0ED (GRAY) REFER TO FIG.27 (F-3) FOR DT4/MODEL:97~00 REFER TO FIG.28 (F-4) FOR DT5Y REFER TO FIG.29 (F-5) FOR J4

Lower cover (Нижняя часть корпуса)

Lower cover (Нижняя часть корпуса)
(DT5Y)

Lower cover (Нижняя часть корпуса)

Lower cover (Нижняя часть корпуса)
(J4)

Engine cover (Крышка двигателя (капот))

Engine cover (Крышка двигателя (капот))
(DT4/MODEL 88~93); NOTE : REFER TO FIG.31(F- 7) FOR DT4 MODEL:94~96 REFER TO FIG.32(F- 8) FOR DT4 MODEL:97~00 REFER TO FIG.33(F- 9) FOR DT5Y REFER TO FIG.34(F-10) FOR J4 COLOR : 0EM (GRAY) 70G (764/019) 764 (GOLD) 019 (BLACK)

Engine cover (Крышка двигателя (капот))

Engine cover (Крышка двигателя (капот))
(DT5Y)

Engine cover (Крышка двигателя (капот))

Engine cover (Крышка двигателя (капот))
(J4); NOTE : COLOR : 0EM (GRAY)

Fuel tank (Топливный бак)

Fuel tank (Топливный бак)
(DT4

Fuel tank (Топливный бак)

Fuel tank (Топливный бак)
(DT5Y)

Fuel tank (Топливный бак)

Fuel tank (Топливный бак)
(DT4

Fuel tank (Топливный бак)

Fuel tank (Топливный бак)
(DT4

Fuel tank (Топливный бак)

Fuel tank (Топливный бак)
(J4)

Tiller handle (Румпель)

Tiller handle (Румпель)
(DT4); NOTE : REFER TO FIG.35(G-10) FOR MODEL:93~00

Optional : electrical (Опции : Электрика)

Optional : electrical (Опции : Электрика)

Optional : electrical (Опции : Электрика)

Optional : electrical (Опции : Электрика)
(DT4/~MODEL:92); NOTE : REFER TO FIG.38 (H-4) DT4/DT5Y MODEL:93~00

Optional : fuel tank (Опции : Топливный бак)

Optional : fuel tank (Опции : Топливный бак)
(E28)

Optional : remote control (Опции : Дистанционное управление)

Optional : remote control (Опции : Дистанционное управление)
(1)(DT4); NOTE : REFER TO FIG.49(H-8) FOR DT4/DT5Y MODEL:93~00 COLOR : 0ED (GRAY)

Optional : remote control (Опции : Дистанционное управление)

Optional : remote control (Опции : Дистанционное управление)
(2)(DT4/DT5Y MODEL:93~00); NOTE : COLOR : 0ED (GRAY)

Optional : remote control (Опции : Дистанционное управление)

Optional : remote control (Опции : Дистанционное управление)
(3)(DT4/DT5Y)

Optional : remote control parts (Опции : Запчасти для дистанционного управления)

Optional : remote control parts (Опции : Запчасти для дистанционного управления)
(DT4/DT5Y)

Optional : gasket set (Опции : Комплект прокладок)

Optional : gasket set (Опции : Комплект прокладок)
(DT4); NOTE : REFER TO FIG.53(H-13) FOR DT5Y

Optional : gasket set (Опции : Комплект прокладок)

Optional : gasket set (Опции : Комплект прокладок)
(DT5Y)

Optional (Опции)

Optional (Опции)




 
 

данный сайт носит информационный характер и не является публичной офертой

склад запчастей для водомоторной техники