вконтакте

Контактный телефон: +7 (981) 121-46-93, +7 (800) 200-90-76 , Email: parts-katalog@yandex.ru, где купить

 
 

  Логин:

Пароль:

Регистрация

www.partskatalog.ru Все каталоги Запчасти Mercury Запчасти Suzuki Запчасти Tohatsu Запчасти Honda Контакты



УВАЖАЕМЫЕ КЛИЕНТЫ!
C 19 ДЕКАБРЯ 2025 ПО 02 МАРТА 2026 ГОДА ОТДЕЛ ЗАПЧАСТЕЙ И СЕРВИС РАБОТАТЬ НЕ БУДУТ
ПРОДАЖА ЛОДОЧНЫХ МОТОРОВ В ШТАТНОМ РЕЖИМЕ
ОБ ИЗМЕНЕНИЯХ В ГРАФИКЕ РАБОТЫ ЧИТАЙТЕ НА САЙТА




запчастиsuzuki

Узнать наличие и цену запчасти:

Вернуться к началу выбора

Поиск модели по серийному номеру


РЕЖИМЫ ПРОСМОТРА

Все узлы и детали

Тип двигателя: 2x - тактный

Модель двигателя: Suzuki DT4

Модификация Вашего двигателя:   Suzuki DT4Y(E1) Y
Год выпуска двигателя: 2000
Регион: General Export No.1 ,Код региона: P01
Цвет: Francois Whte №2,Arctic Silver,Black,Pure White,California Gray Metallic,California Gray,Pearl Still White,Marrone Beige №2,Gold (Tape)


Поиск запчастей по коду или названию


   Выберите раздел

найти расходники на лодочные моторы Suzuki

Начните вводить запрос

Catalog preface (Каталог)

Catalog preface (Каталог)

Catalog preface (Каталог)

Catalog preface (Каталог)

Catalog preface (Каталог)

Catalog preface (Каталог)

Catalog preface (Каталог)

Catalog preface (Каталог)

Catalog preface (Каталог)

Catalog preface (Каталог)

Catalog preface (Каталог)

Catalog preface (Каталог)

Catalog preface (Каталог)

Catalog preface (Каталог)

Catalog preface (Каталог)

Catalog preface (Каталог)

Color chart (Таблица цветов)

Color chart (Таблица цветов)

Cylinder (Цилиндр)

Cylinder (Цилиндр)
Dt4

Cylinder (Цилиндр)

Cylinder (Цилиндр)
Dt5y

Cylinder (Цилиндр)

Cylinder (Цилиндр)
J4

Crankshaft (Коленвал)

Crankshaft (Коленвал)
Dt4/j4

Crankshaft (Коленвал)

Crankshaft (Коленвал)
Dt5y

Carburetor (Карбюратор)

Carburetor (Карбюратор)
Dt4/j4

Carburetor (Карбюратор)

Carburetor (Карбюратор)
Dt5y

Fuel pump (Топливный насос)

Fuel pump (Топливный насос)
Dt4

Fuel pump (Топливный насос)

Fuel pump (Топливный насос)
Dt5y

Fuel pump (Топливный насос)

Fuel pump (Топливный насос)
J4

Water pump (Водяной насос)

Water pump (Водяной насос)
Dt4/dt5y

Recoil starter (Барабанный стартер)

Recoil starter (Барабанный стартер)
Dt4/j4

Recoil starter (Барабанный стартер)

Recoil starter (Барабанный стартер)
Dt5y

Clutch (Сцепление)

Clutch (Сцепление)
Dt4/dt5y

Exhaust cover (Кожух выхлопной трубы)

Exhaust cover (Кожух выхлопной трубы)
J4

Jet pump (Jet Помпа)

Jet pump (Jet Помпа)
J4

Transmission (Трансмиссия)

Transmission (Трансмиссия)
Dt4/dt5y

Magneto (Магнето)

Magneto (Магнето)
Dt4/~model: 92

Magneto (Магнето)

Magneto (Магнето)
Dt4/model: 93~96

Magneto (Магнето)

Magneto (Магнето)
Dt4/dt5y model: 97~00

Magneto (Магнето)

Magneto (Магнето)
J4

Clamp bracket (Кронштейн транца)

Clamp bracket (Кронштейн транца)
Dt4/dt5y

Swivel bracket (Поворотный кронштейн)

Swivel bracket (Поворотный кронштейн)
Dt4/dt5y

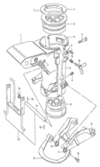
Drive shaft housing (Корпус вала передачи)

Drive shaft housing (Корпус вала передачи)
Dt4/dt5y

Gear case (Картер коробки передач)

Gear case (Картер коробки передач)
Dt4

Lower cover (Нижняя часть корпуса)

Lower cover (Нижняя часть корпуса)
Dt4

Lower cover (Нижняя часть корпуса)

Lower cover (Нижняя часть корпуса)
Dt4/model: 97~00

Lower cover (Нижняя часть корпуса)

Lower cover (Нижняя часть корпуса)
Dt5y

Lower cover (Нижняя часть корпуса)

Lower cover (Нижняя часть корпуса)
J4

Engine cover (Крышка двигателя (капот))

Engine cover (Крышка двигателя (капот))
Dt4/model 88~93

Engine cover (Крышка двигателя (капот))

Engine cover (Крышка двигателя (капот))
Dt4/model: 94~96

Engine cover (Крышка двигателя (капот))

Engine cover (Крышка двигателя (капот))
Dt4/model: 97~00

Engine cover (Крышка двигателя (капот))

Engine cover (Крышка двигателя (капот))
Dt5y

Engine cover (Крышка двигателя (капот))

Engine cover (Крышка двигателя (капот))
J4

Fuel tank (Топливный бак)

Fuel tank (Топливный бак)
Dt4

Fuel tank (Топливный бак)

Fuel tank (Топливный бак)
Dt4

Fuel tank (Топливный бак)

Fuel tank (Топливный бак)
Dt5y

Fuel tank (Топливный бак)

Fuel tank (Топливный бак)
Dt4

Fuel tank (Топливный бак)

Fuel tank (Топливный бак)
Dt4

Fuel tank (Топливный бак)

Fuel tank (Топливный бак)
Dt4/dt5y

Fuel tank (Топливный бак)

Fuel tank (Топливный бак)
J4

Tiller handle (Румпель)

Tiller handle (Румпель)
Dt4

Tiller handle (Румпель)

Tiller handle (Румпель)
Dt4/dt5y model: 93~00

Electrical (Электрика)

Electrical (Электрика)
Optional;

Electrical (Электрика)

Electrical (Электрика)
Optional; dt4/~model: 92

Electrical (Электрика)

Electrical (Электрика)
Optional; dt4/dt5y model: 93~00

Fuel tank (Топливный бак)

Fuel tank (Топливный бак)
Optional; e28

Remote control (Дистанционное управление)

Remote control (Дистанционное управление)
Optional; 1)(dt4

Remote control (Дистанционное управление)

Remote control (Дистанционное управление)
Optional; 2)(dt4/dt5y model: 93~00

Remote control (Дистанционное управление)

Remote control (Дистанционное управление)
Optional; 3)(dt4/dt5y

Remote control parts (Запчасти для дистанционного управления)

Remote control parts (Запчасти для дистанционного управления)
Optional; dt4/dt5y

Gasket set (Комплект прокладок)

Gasket set (Комплект прокладок)
Optional; dt4

Gasket set (Комплект прокладок)

Gasket set (Комплект прокладок)
Optional; dt5y

Optional (Опции)

Optional (Опции)




 
 

данный сайт носит информационный характер и не является публичной офертой

склад запчастей для водомоторной техники