вконтакте

Контактный телефон: +7 (981) 121-46-93, +7 (800) 200-90-76 , Email: parts-katalog@yandex.ru, где купить

 
 

  Логин:

Пароль:

Регистрация

www.partskatalog.ru Все каталоги Запчасти Mercury Запчасти Suzuki Запчасти Tohatsu Запчасти Honda Контакты



УВАЖАЕМЫЕ КЛИЕНТЫ!
C 19 ДЕКАБРЯ 2025 ПО 02 МАРТА 2026 ГОДА ОТДЕЛ ЗАПЧАСТЕЙ И СЕРВИС РАБОТАТЬ НЕ БУДУТ
ПРОДАЖА ЛОДОЧНЫХ МОТОРОВ В ШТАТНОМ РЕЖИМЕ
ОБ ИЗМЕНЕНИЯХ В ГРАФИКЕ РАБОТЫ ЧИТАЙТЕ НА САЙТА




запчастиsuzuki

Узнать наличие и цену запчасти:

Вернуться к началу выбора

Поиск модели по серийному номеру


РЕЖИМЫ ПРОСМОТРА

Все узлы и детали

Двигатель

Трансмиссия

Электрика

Внешние части

Тип двигателя: 2x - тактный

Модель двигателя: Suzuki DT5

Модификация Вашего двигателя:   Suzuki DT5S V
Год выпуска двигателя: 1997
Регион: General Export No.1 ,Код региона: P01
Цвет: California Gray Metallic


Поиск запчастей по коду или названию


   Выберите раздел

найти расходники на лодочные моторы Suzuki

Начните вводить запрос

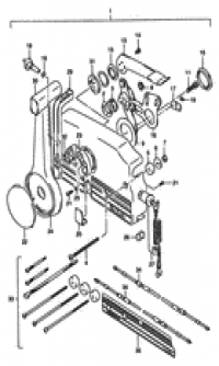
Cylinder (Цилиндр)

Cylinder (Цилиндр)
(DT5 ~MODEL:94); NOTE : COLOR : 0ED (GRAY) REFER TO FIG.2 (B-3) FOR DT6/8 ~MODEL:94 REFER TO FIG.3 (B-5) FOR DT5/6/8 MODEL:95~00

Cylinder (Цилиндр)

Cylinder (Цилиндр)
(DT6/DT8 ~MODEL:94); NOTE : COLOR : 0ED (GRAY) REFER TO FIG.3 (B-5) FOR DT5/6/8 MODEL:95~00

Crankshaft (Коленвал)

Crankshaft (Коленвал)
(DT5); NOTE : REFER TO FIG.5 (B-9) FOR DT6/DT8

Crankshaft (Коленвал)

Crankshaft (Коленвал)
(DT6/DT8)

Reed valve (Язычковый клапан)

Reed valve (Язычковый клапан)
(DT5 ~MODEL:94); NOTE : REFER TO FIG.7 (B-11) FOR DT5 MODEL:95~98 REFER TO FIG.8 (B-12) FOR DT6 REFER TO FIG.9 (B-13) FOR DT8

Reed valve (Язычковый клапан)

Reed valve (Язычковый клапан)
(DT6); NOTE : COLOR : 0ED (GRAY)

Reed valve (Язычковый клапан)

Reed valve (Язычковый клапан)
(DT8); NOTE : COLOR : 0ED (GRAY)

Carburetor (Карбюратор)

Carburetor (Карбюратор)
(DT5/DT6); NOTE : REFER TO FIG.11(C-4) FOR DT8

Carburetor (Карбюратор)

Carburetor (Карбюратор)
(DT8)

Fuel pump (Топливный насос)

Fuel pump (Топливный насос)
(DT5 ~MODEL:94); NOTE : REFER TO FIG.13 (C-6) FOR DT6 REFER TO FIG.14 (C-7) FOR DT8 REFER TO FIG.14A(C-8) FOR DT5/6/8 MODEL:95~00

Fuel pump (Топливный насос)

Fuel pump (Топливный насос)
(DT6 ~MODEL:94)

Fuel pump (Топливный насос)

Fuel pump (Топливный насос)
(DT8 ~MODEL:94)

Water pump (Водяной насос)

Water pump (Водяной насос)

Starter (Стартер)

Starter (Стартер)
(~MODEL:94); NOTE : REFER TO FIG.17 (C-11) FOR E7

Starter (Стартер)

Starter (Стартер)
(MODEL:95~00); NOTE : COLOR : 0ED (GRAY)

Starter (Стартер)

Starter (Стартер)
(E07

Throttle control (Управление дросселем)

Throttle control (Управление дросселем)

Clutch lever (Рычаг сцепления)

Clutch lever (Рычаг сцепления)
NOTE : COLOR : 0ED (GRAY)

Transmission (Трансмиссия)

Transmission (Трансмиссия)

Magneto (Магнето)

Magneto (Магнето)
(DT5 ~MODEL:94); NOTE : REFER TO FIG.22 (D-7) FOR DT6/DT8 ~MODEL:94 REFER TO FIG.22A(D-8) FOR DT5/DT6/DT8 MODEL:95~00

Magneto (Магнето)

Magneto (Магнето)
(DT5/DT6/DT8 MODEL:95~00)(*); NOTE : (*) : DT5 : MODEL:95~98 DT6 : MODEL:95~00 DT8 : MODEL:95~00

Magneto (Магнето)

Magneto (Магнето)
(DT6/DT8 ~MODEL:94); NOTE : REFER TO FIG.22A(D-8) FOR DT5/DT6/DT8 MODEL:95~00

Electrical (Электрика)

Electrical (Электрика)
(~MODEL:94); NOTE : REFER TO FIG.23A(D-10) FOR MODEL:95~00

Electrical (Электрика)

Electrical (Электрика)
(MODEL:95~00)

Clamp bracket (Кронштейн транца)

Clamp bracket (Кронштейн транца)
NOTE : COLOR : 02M (SILVER) 0ED (GRAY)

Swivel bracket (Поворотный кронштейн)

Swivel bracket (Поворотный кронштейн)
NOTE : COLOR : 0ED (GRAY)

Driveshaft housing (Корпус вала передачи)

Driveshaft housing (Корпус вала передачи)
NOTE : COLOR : 02M (SILVER) 0ED (GRAY)

Gear case (Картер коробки передач)

Gear case (Картер коробки передач)
NOTE : COLOR : 0ED (GRAY)

Propeller (Гребной винт)

Propeller (Гребной винт)
NOTE : COLOR : 019 (BLACK)

Lower cover (Нижняя часть корпуса)

Lower cover (Нижняя часть корпуса)
NOTE : COLOR : 0ED (GRAY) 5PK (BLACK)

Engine cover (Крышка двигателя (капот))

Engine cover (Крышка двигателя (капот))
(DT5W); NOTE : REFER TO FIG.31(E- 6) FOR DT5/MODEL:86 REFER TO FIG.32(E- 7) FOR DT5/MODEL:87~93 REFER TO FIG.33(E- 8) FOR DT6/MODEL:86(E1

Engine cover (Крышка двигателя (капот))

Engine cover (Крышка двигателя (капот))
(DT5/MODEL:87~93); NOTE : COLOR : 0ED(GRAY) 26G(BLACK) 70G(764/019) 764(GOLD) 019(BLACK)

Engine cover (Крышка двигателя (капот))

Engine cover (Крышка двигателя (капот))
(DT6/MODEL:86/E01

Engine cover (Крышка двигателя (капот))

Engine cover (Крышка двигателя (капот))
(DT6/MODEL:87~93); NOTE : COLOR : 0ED (GRAY) 70G (764/019) 764 (GOLD)

Engine cover (Крышка двигателя (капот))

Engine cover (Крышка двигателя (капот))
(DT6/MODEL:87~93/E13

Engine cover (Крышка двигателя (капот))

Engine cover (Крышка двигателя (капот))
(DT8/MODEL:87~93); NOTE : COLOR : 0ED (GRAY) 70G (764/019) 764 (GOLD)

Engine cover (Крышка двигателя (капот))

Engine cover (Крышка двигателя (капот))
(DT8/MODEL:87~93/E13

Engine cover (Крышка двигателя (капот))

Engine cover (Крышка двигателя (капот))
(DT5/6/8 MODEL:94~96)(*); NOTE : COVER : 0ED (GRAY) 1RR (GOLD) (*) : DT5 MODEL:94 DT6

Engine cover (Крышка двигателя (капот))

Engine cover (Крышка двигателя (капот))
(DT5/6/8 MODEL:97)(*); NOTE : COLOR : 0ED (GRAY) 1RR (GOLD) (*) : DT6

Tiller handle (Румпель)

Tiller handle (Румпель)
NOTE : REFER TO FIG.43(F- 6) FOR MODEL:93~00

Tiller handle (Румпель)

Tiller handle (Румпель)
(MODEL:93~00)

Fuel tank (Топливный бак)

Fuel tank (Топливный бак)
(DT5/MODEL:86/E07

Fuel tank (Топливный бак)

Fuel tank (Топливный бак)
(DT8/MODEL:86

Fuel tank (Топливный бак)

Fuel tank (Топливный бак)
(DT5

Fuel tank (Топливный бак)

Fuel tank (Топливный бак)
(DT5:231549~

Fuel tank (Топливный бак)

Fuel tank (Топливный бак)
(DT8/MODEL:88~00)

Fuel tank (Топливный бак)

Fuel tank (Топливный бак)
(PLASTIC:12L)

Fuel tank (Топливный бак)

Fuel tank (Топливный бак)
(PLASTIC:25L)

Fuel tank (Топливный бак)

Fuel tank (Топливный бак)
(MODEL:88~92/E28)

Optional : electrical (Опции : Электрика)

Optional : electrical (Опции : Электрика)
(1)

Optional : electrical (Опции : Электрика)

Optional : electrical (Опции : Электрика)
(2)

Optional : remote control box (Опции : Дистанционное управление в сборе)

Optional : remote control box (Опции : Дистанционное управление в сборе)
NOTE : COLOR : 0ED (GRAY)

Optional : remote control (Опции : Дистанционное управление)

Optional : remote control (Опции : Дистанционное управление)
NOTE : REFER TO FIG.57 (H- 8) FOR MODEL:93~00

Optional : remote control (Опции : Дистанционное управление)

Optional : remote control (Опции : Дистанционное управление)
(MODEL:93~00); NOTE : COLOR : 0ED (GRAY)

Optiona : gasket set (Опцииiona : Комплект прокладок)

Optiona : gasket set (Опцииiona : Комплект прокладок)
(DT5 ~MODEL:94); NOTE : REFER TO FIG.59(H-11) FOR (DT6/DT8) (DT5 MODEL:95~99)

Optional : gasket set (Опции : Комплект прокладок)

Optional : gasket set (Опции : Комплект прокладок)
(DT6/DT8) (DT5 MODEL:95~99)

Optional (Опции)

Optional (Опции)




 
 

данный сайт носит информационный характер и не является публичной офертой

склад запчастей для водомоторной техники