вконтакте

Контактный телефон: +7 (981) 121-46-93, +7 (800) 200-90-76 , Email: parts-katalog@yandex.ru, где купить

 
 

  Логин:

Пароль:

Регистрация

www.partskatalog.ru Все каталоги Запчасти Mercury Запчасти Suzuki Запчасти Tohatsu Запчасти Honda Контакты



УВАЖАЕМЫЕ КЛИЕНТЫ!
C 19 ДЕКАБРЯ 2025 ПО 02 МАРТА 2026 ГОДА ОТДЕЛ ЗАПЧАСТЕЙ И СЕРВИС РАБОТАТЬ НЕ БУДУТ
ПРОДАЖА ЛОДОЧНЫХ МОТОРОВ В ШТАТНОМ РЕЖИМЕ
ОБ ИЗМЕНЕНИЯХ В ГРАФИКЕ РАБОТЫ ЧИТАЙТЕ НА САЙТА




запчастиsuzuki

Узнать наличие и цену запчасти:

Вернуться к началу выбора

Поиск модели по серийному номеру


РЕЖИМЫ ПРОСМОТРА

Все узлы и детали

Тип двигателя: 2x - тактный

Модель двигателя: Suzuki DT7.5

Модификация Вашего двигателя:   Suzuki DT7.5F F
Год выпуска двигателя: 1985
Регион: Japan


Поиск запчастей по коду или названию


   Выберите раздел

найти расходники на лодочные моторы Suzuki

Начните вводить запрос

Catalog preface (Каталог)

Catalog preface (Каталог)

Color chart (Таблица цветов)

Color chart (Таблица цветов)

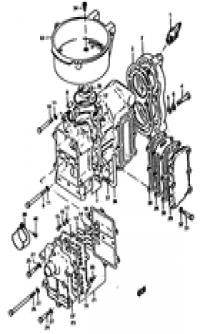
Cylinder (Цилиндр)

Cylinder (Цилиндр)

Piston - crankshaft (Поршень - Коленвал)

Piston - crankshaft (Поршень - Коленвал)

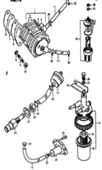
Carburetor (Карбюратор)

Carburetor (Карбюратор)
Up to e.no.dt2c-13855

Carburetor (Карбюратор)

Carburetor (Карбюратор)
From e.no.dt2c-13856

Starter (Стартер)

Starter (Стартер)

Electrical (Электрика)

Electrical (Электрика)

Clamp bracket - swivel bracket (Кронштейн транца - Поворотный кронштейн)

Clamp bracket - swivel bracket (Кронштейн транца - Поворотный кронштейн)

Drive shaft housing - gear case - handle (Корпус вала передачи - Картер коробки передач - handle)

Drive shaft housing - gear case - handle (Корпус вала передачи - Картер коробки передач - handle)

Water pump (Водяной насос)

Water pump (Водяной насос)

Transmission - propeller (Трансмиссия - Гребной винт)

Transmission - propeller (Трансмиссия - Гребной винт)

Engine cover (Крышка двигателя (капот))

Engine cover (Крышка двигателя (капот))

Fuel tank (Топливный бак)

Fuel tank (Топливный бак)

Cylinder (Цилиндр)

Cylinder (Цилиндр)

Crankshaft (Коленвал)

Crankshaft (Коленвал)

Reed valve (Язычковый клапан)

Reed valve (Язычковый клапан)

Fuel pump (Топливный насос)

Fuel pump (Топливный насос)

Water pump (Водяной насос)

Water pump (Водяной насос)

Recoil starter (Барабанный стартер)

Recoil starter (Барабанный стартер)

Magneto (Магнето)

Magneto (Магнето)

Electrical (Электрика)

Electrical (Электрика)

Clutch (Сцепление)

Clutch (Сцепление)

Clamp bracket (Кронштейн транца)

Clamp bracket (Кронштейн транца)

Swivel bracket (Поворотный кронштейн)

Swivel bracket (Поворотный кронштейн)

Drive shaft housing (Корпус вала передачи)

Drive shaft housing (Корпус вала передачи)

Gear case (Картер коробки передач)

Gear case (Картер коробки передач)

Transmission (Трансмиссия)

Transmission (Трансмиссия)

Handle

Handle

Engine cover (Крышка двигателя (капот))

Engine cover (Крышка двигателя (капот))

Fuel tank (Топливный бак)

Fuel tank (Топливный бак)

Cylinder (Цилиндр)

Cylinder (Цилиндр)

Reed valve (Язычковый клапан)

Reed valve (Язычковый клапан)

Crankshaft (Коленвал)

Crankshaft (Коленвал)

Carburetor (Карбюратор)

Carburetor (Карбюратор)

Water pump (Водяной насос)

Water pump (Водяной насос)

Engine holder (Основание двигателя)

Engine holder (Основание двигателя)

Starter (Стартер)

Starter (Стартер)

Magneto (Магнето)

Magneto (Магнето)

Electrical (Электрика)

Electrical (Электрика)

Clutch (Сцепление)

Clutch (Сцепление)

Handle - grip (Handle - Рукоятка)

Handle - grip (Handle - Рукоятка)

Clamp bracket (Кронштейн транца)

Clamp bracket (Кронштейн транца)

Swivel bracket (Поворотный кронштейн)

Swivel bracket (Поворотный кронштейн)

Drive shaft housing (Корпус вала передачи)

Drive shaft housing (Корпус вала передачи)

Gear case - propeller (Картер коробки передач - Гребной винт)

Gear case - propeller (Картер коробки передач - Гребной винт)

Transmission (Трансмиссия)

Transmission (Трансмиссия)

Engine cover (Крышка двигателя (капот))

Engine cover (Крышка двигателя (капот))

Fuel tank (Топливный бак)

Fuel tank (Топливный бак)

Fuel cock (Топливный кран)

Fuel cock (Топливный кран)

Cylinder (Цилиндр)

Cylinder (Цилиндр)

Reed valve (Язычковый клапан)

Reed valve (Язычковый клапан)

Crankshaft (Коленвал)

Crankshaft (Коленвал)

Carburetor (Карбюратор)

Carburetor (Карбюратор)

Carburetor (Карбюратор)

Carburetor (Карбюратор)
E3

Fuel pump (Топливный насос)

Fuel pump (Топливный насос)

Water pump (Водяной насос)

Water pump (Водяной насос)

Magneto (Магнето)

Magneto (Магнето)

Starter (Стартер)

Starter (Стартер)

Electrical (Электрика)

Electrical (Электрика)

Clutch lever (Рычаг сцепления)

Clutch lever (Рычаг сцепления)

Handle - grip (Handle - Рукоятка)

Handle - grip (Handle - Рукоятка)

Clamp bracket (Кронштейн транца)

Clamp bracket (Кронштейн транца)

Swivel bracket (Поворотный кронштейн)

Swivel bracket (Поворотный кронштейн)

Driveshaft housing (Корпус вала передачи)

Driveshaft housing (Корпус вала передачи)

Gear case (Картер коробки передач)

Gear case (Картер коробки передач)

Propeller (Гребной винт)

Propeller (Гребной винт)

Transmission (Трансмиссия)

Transmission (Трансмиссия)

Engine cover (Крышка двигателя (капот))

Engine cover (Крышка двигателя (капот))

Cylinder (Цилиндр)

Cylinder (Цилиндр)

Crankshaft (Коленвал)

Crankshaft (Коленвал)

Carburetor (Карбюратор)

Carburetor (Карбюратор)
Dt7.5

Carburetor (Карбюратор)

Carburetor (Карбюратор)
Dt9

Fuel pump (Топливный насос)

Fuel pump (Топливный насос)

Water pump (Водяной насос)

Water pump (Водяной насос)

Engine holder (Основание двигателя)

Engine holder (Основание двигателя)

Starter (Стартер)

Starter (Стартер)

Magneto (Магнето)

Magneto (Магнето)

Electrical (Электрика)

Electrical (Электрика)

Clutch lever (Рычаг сцепления)

Clutch lever (Рычаг сцепления)

Handle - grip (Handle - Рукоятка)

Handle - grip (Handle - Рукоятка)

Clamp bracket (Кронштейн транца)

Clamp bracket (Кронштейн транца)

Swivel bracket (Поворотный кронштейн)

Swivel bracket (Поворотный кронштейн)

Drivershaft housing (ОтвёрткаВал Корпус)

Drivershaft housing (ОтвёрткаВал Корпус)

Gear case - propeller (Картер коробки передач - Гребной винт)

Gear case - propeller (Картер коробки передач - Гребной винт)

Driveshaft (DriveВал)

Driveshaft (DriveВал)
S

Driveshaft (DriveВал)

Driveshaft (DriveВал)
Ul type

Transmission (Трансмиссия)

Transmission (Трансмиссия)

Engine cover (Крышка двигателя (капот))

Engine cover (Крышка двигателя (капот))

Fuel hose (Топливный шланг)

Fuel hose (Топливный шланг)

Fuel tank (Топливный бак)

Fuel tank (Топливный бак)
Old type / dt5d

Fuel tank (Топливный бак)

Fuel tank (Топливный бак)
Old type / dt5de13

Fuel tank (Топливный бак)

Fuel tank (Топливный бак)
Old type / dt7.5

Fuel tank (Топливный бак)

Fuel tank (Топливный бак)
Old type

Fuel tank (Топливный бак)

Fuel tank (Топливный бак)
Old type / dt9de13

Fuel tank (Топливный бак)

Fuel tank (Топливный бак)
New type

Fuel tank (Топливный бак)

Fuel tank (Топливный бак)
New type / dt9fe13

Gasket / tool set (Прокладка / Комплект инструмента)

Gasket / tool set (Прокладка / Комплект инструмента)
Optional;

Lighting coil

Lighting coil
Optional;

Rectifire

Rectifire
Optional;

Remote control (Дистанционное управление)

Remote control (Дистанционное управление)
Optional; dt5 d/f

Remote control (Дистанционное управление)

Remote control (Дистанционное управление)
Optional; dt9

Optional (Опции)

Optional (Опции)




 
 

данный сайт носит информационный характер и не является публичной офертой

склад запчастей для водомоторной техники