вконтакте

Контактный телефон: +7 (981) 121-46-93, +7 (800) 200-90-76 , Email: parts-katalog@yandex.ru, где купить

 
 

  Логин:

Пароль:

Регистрация

www.partskatalog.ru Все каталоги Запчасти Mercury Запчасти Suzuki Запчасти Tohatsu Запчасти Honda Контакты



УВАЖАЕМЫЕ КЛИЕНТЫ!
C 31 ОКТЯБРЯ 2025 ПО 10 НОЯБРЯ 2025 ГОДА РАБОТАТЬ НЕ БУДЕМ




запчастиsuzuki

Узнать наличие и цену запчасти:

Вернуться к началу выбора

Поиск модели по серийному номеру


РЕЖИМЫ ПРОСМОТРА

Все узлы и детали

Тип двигателя: 2x - тактный

Модель двигателя: Suzuki DT8

Модификация Вашего двигателя:   Suzuki DT8VZ(G/J/VZ) Z
Год выпуска двигателя: 1982
Регион: General Export No.1 ,Код региона: P01
Цвет: Francois Whte №2


Поиск запчастей по коду или названию


   Выберите раздел

найти расходники на лодочные моторы Suzuki

Начните вводить запрос

Catalog preface (Каталог)

Catalog preface (Каталог)

Color chart (Таблица цветов)

Color chart (Таблица цветов)

Cylinder dt5 (Цилиндр dt5)

Cylinder dt5 (Цилиндр dt5)
G/j

Cylinder dt5 vz (Цилиндр dt5 vz)

Cylinder dt5 vz (Цилиндр dt5 vz)

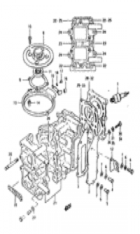
Cylinder dt8 (Цилиндр dt8)

Cylinder dt8 (Цилиндр dt8)
G/j

Cylinder dt8 vz (Цилиндр dt8 vz)

Cylinder dt8 vz (Цилиндр dt8 vz)

Dt5 reed valve (Dt5 Язычковый клапан)

Dt5 reed valve (Dt5 Язычковый клапан)

Dt8 reed valve (Dt8 Язычковый клапан)

Dt8 reed valve (Dt8 Язычковый клапан)

Throttle control (Управление дросселем)

Throttle control (Управление дросселем)

Dt5 crankshaft (Dt5 Коленвал)

Dt5 crankshaft (Dt5 Коленвал)

Dt8 crankshaft (Dt8 Коленвал)

Dt8 crankshaft (Dt8 Коленвал)

Dt5 carburetor (Dt5 Карбюратор)

Dt5 carburetor (Dt5 Карбюратор)

Dt8 carburetor (Dt8 Карбюратор)

Dt8 carburetor (Dt8 Карбюратор)

Fuel pump (Топливный насос)

Fuel pump (Топливный насос)

Water pump (Водяной насос)

Water pump (Водяной насос)

Starter dt5 (Стартер dt5)

Starter dt5 (Стартер dt5)
G/j/vz)

Starter (Стартер)

Starter (Стартер)
Dt8g (e3

Starter (Стартер)

Starter (Стартер)
E13

Clutch lever (Рычаг сцепления)

Clutch lever (Рычаг сцепления)

Dt5g magneto (Dt5g Магнето)

Dt5g magneto (Dt5g Магнето)

Dt5 magneto (Dt5 Магнето)

Dt5 magneto (Dt5 Магнето)
J/vz

Dt8g magneto (Dt8g Магнето)

Dt8g magneto (Dt8g Магнето)

Dt8j magneto (Dt8j Магнето)

Dt8j magneto (Dt8j Магнето)

Dt8vz magneto (Dt8vz Магнето)

Dt8vz magneto (Dt8vz Магнето)

Electrical (Электрика)

Electrical (Электрика)

Clamp bracket (Кронштейн транца)

Clamp bracket (Кронштейн транца)
Model g/j

Clamp bracket (Кронштейн транца)

Clamp bracket (Кронштейн транца)
Model vz

Swivel bracket (Поворотный кронштейн)

Swivel bracket (Поворотный кронштейн)

Driveshaft housing (Корпус вала передачи)

Driveshaft housing (Корпус вала передачи)

Gear case (Картер коробки передач)

Gear case (Картер коробки передач)

Propeller (Гребной винт)

Propeller (Гребной винт)

Transmission (Трансмиссия)

Transmission (Трансмиссия)

Lower cover (Нижняя часть корпуса)

Lower cover (Нижняя часть корпуса)

Engine cover 1 (Крышка двигателя (капот) 1)

Engine cover 1 (Крышка двигателя (капот) 1)

Engine cover 2 model vz (Крышка двигателя (капот) 2 model vz)

Engine cover 2 model vz (Крышка двигателя (капот) 2 model vz)
E13

Engine cover 3 dt5w (Крышка двигателя (капот) 3 dt5w)

Engine cover 3 dt5w (Крышка двигателя (капот) 3 dt5w)
J/vz

Handle

Handle

Fuel tank 1 (Топливный бак 1)

Fuel tank 1 (Топливный бак 1)

Fuel tank 2:dt8 (Топливный бак 2: dt8)

Fuel tank 2:dt8 (Топливный бак 2: dt8)
E9

Fuel tank outlet (Топливный бак выход)

Fuel tank outlet (Топливный бак выход)

Fuel gauge:dt5g (Fuel gauge: dt5g)

Fuel gauge:dt5g (Fuel gauge: dt5g)
E9

Fuel gauge:dt8g (Fuel gauge: dt8g)

Fuel gauge:dt8g (Fuel gauge: dt8g)
E9

Fuel hose (Топливный шланг)

Fuel hose (Топливный шланг)

Electrical (Электрика)

Electrical (Электрика)
Optional;

Remote control (Дистанционное управление)

Remote control (Дистанционное управление)
Optional;

Optional (Опции)

Optional (Опции)




 
 

данный сайт носит информационный характер и не является публичной офертой

склад запчастей для водомоторной техники