вконтакте

Контактный телефон: +7 (981) 121-46-93, +7 (800) 200-90-76 , Email: parts-katalog@yandex.ru, где купить

 
 

  Логин:

Пароль:

Регистрация

www.partskatalog.ru Все каталоги Запчасти Mercury Запчасти Suzuki Запчасти Tohatsu Запчасти Honda Контакты



УВАЖАЕМЫЕ КЛИЕНТЫ!
C 19 ДЕКАБРЯ 2025 ПО 02 МАРТА 2026 ГОДА ОТДЕЛ ЗАПЧАСТЕЙ И СЕРВИС РАБОТАТЬ НЕ БУДУТ
ПРОДАЖА ЛОДОЧНЫХ МОТОРОВ В ШТАТНОМ РЕЖИМЕ
ОБ ИЗМЕНЕНИЯХ В ГРАФИКЕ РАБОТЫ ЧИТАЙТЕ НА САЙТА




запчастиsuzuki

Узнать наличие и цену запчасти:

Вернуться к началу выбора

Поиск модели по серийному номеру


РЕЖИМЫ ПРОСМОТРА

Все узлы и детали

Тип двигателя: 2x - тактный

Модель двигателя: Suzuki DT8

Модификация Вашего двигателя:   Suzuki DT8SR(G-Y) R
Год выпуска двигателя: 1994


Поиск запчастей по коду или названию


   Выберите раздел

найти расходники на лодочные моторы Suzuki

Начните вводить запрос

Catalog preface (Каталог)

Catalog preface (Каталог)

Catalog preface (Каталог)

Catalog preface (Каталог)

Catalog preface (Каталог)

Catalog preface (Каталог)

Catalog preface (Каталог)

Catalog preface (Каталог)

Cylinder (Цилиндр)

Cylinder (Цилиндр)
Dt5 model: 94

Cylinder (Цилиндр)

Cylinder (Цилиндр)
Dt6/dt8 model: 94

Cylinder (Цилиндр)

Cylinder (Цилиндр)
Dt5/6/8 model: 95-00

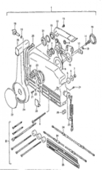
Crankshaft (Коленвал)

Crankshaft (Коленвал)
Dt5

Crankshaft (Коленвал)

Crankshaft (Коленвал)
Dt6/dt8

Reed valve (Язычковый клапан)

Reed valve (Язычковый клапан)
Dt5 -model: 94

Reed valve (Язычковый клапан)

Reed valve (Язычковый клапан)
Dt5 model: 95-98

Reed valve (Язычковый клапан)

Reed valve (Язычковый клапан)
Dt6

Reed valve (Язычковый клапан)

Reed valve (Язычковый клапан)
Dt8

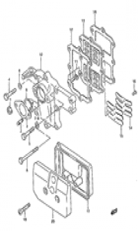
Carburetor (Карбюратор)

Carburetor (Карбюратор)
Dt5/dt6

Carburetor (Карбюратор)

Carburetor (Карбюратор)
Dt8

Fuel pump (Топливный насос)

Fuel pump (Топливный насос)
Dt5 -model: 94

Fuel pump (Топливный насос)

Fuel pump (Топливный насос)
Dt6 -model: 94

Fuel pump (Топливный насос)

Fuel pump (Топливный насос)
Dt8 -model: 94

Fuel pump (Топливный насос)

Fuel pump (Топливный насос)
Dt5/6/8 model: 95-00

Water pump (Водяной насос)

Water pump (Водяной насос)

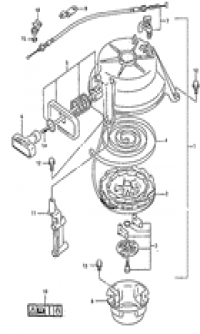
Starter (Стартер)

Starter (Стартер)
-model: 94

Starter (Стартер)

Starter (Стартер)
E7

Starter (Стартер)

Starter (Стартер)
Model: 95-00

Throttle control (Управление дросселем)

Throttle control (Управление дросселем)

Clutch lever (Рычаг сцепления)

Clutch lever (Рычаг сцепления)

Transmission (Трансмиссия)

Transmission (Трансмиссия)

Magneto (Магнето)

Magneto (Магнето)
Dt5 -model: 94

Magneto (Магнето)

Magneto (Магнето)
Dt6/dt8 -model: 94

Magneto (Магнето)

Magneto (Магнето)
Dt5/dt6/dt8 model: 95-00)(*

Electrical (Электрика)

Electrical (Электрика)
-model: 94

Electrical (Электрика)

Electrical (Электрика)
Model: 95-00

Clamp bracket (Кронштейн транца)

Clamp bracket (Кронштейн транца)

Swivel bracket (Поворотный кронштейн)

Swivel bracket (Поворотный кронштейн)

Driveshaft housing (Корпус вала передачи)

Driveshaft housing (Корпус вала передачи)

Gear case (Картер коробки передач)

Gear case (Картер коробки передач)

Propeller (Гребной винт)

Propeller (Гребной винт)

Lower cover (Нижняя часть корпуса)

Lower cover (Нижняя часть корпуса)

Engine cover (Крышка двигателя (капот))

Engine cover (Крышка двигателя (капот))
Dt5w

Engine cover (Крышка двигателя (капот))

Engine cover (Крышка двигателя (капот))
Dt5/model: 86

Engine cover (Крышка двигателя (капот))

Engine cover (Крышка двигателя (капот))
Dt5/model: 87-93

Engine cover (Крышка двигателя (капот))

Engine cover (Крышка двигателя (капот))
Dt6/model: 86/e1

Engine cover (Крышка двигателя (капот))

Engine cover (Крышка двигателя (капот))
Dt6/model: 87-93

Engine cover (Крышка двигателя (капот))

Engine cover (Крышка двигателя (капот))
Dt6/model: 87-93/e13

Engine cover (Крышка двигателя (капот))

Engine cover (Крышка двигателя (капот))
Dt8/model: 86

Engine cover (Крышка двигателя (капот))

Engine cover (Крышка двигателя (капот))
Dt8/model: 87-93

Engine cover (Крышка двигателя (капот))

Engine cover (Крышка двигателя (капот))
Dt8/model: 87-93/e13

Engine cover (Крышка двигателя (капот))

Engine cover (Крышка двигателя (капот))
Dt5/6/8 model: 94-96)(*

Engine cover (Крышка двигателя (капот))

Engine cover (Крышка двигателя (капот))
Dt5/6/8 model: 97)(*

Engine cover (Крышка двигателя (капот))

Engine cover (Крышка двигателя (капот))
Dt5/6/8 model: 98-00

Tiller handle (Румпель)

Tiller handle (Румпель)

Tiller handle (Румпель)

Tiller handle (Румпель)
Model: 93-00

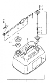
Fuel tank (Топливный бак)

Fuel tank (Топливный бак)
Dt5/model: 86/e7

Fuel tank (Топливный бак)

Fuel tank (Топливный бак)
Dt5

Fuel tank (Топливный бак)

Fuel tank (Топливный бак)
Dt8/model: 86

Fuel tank (Топливный бак)

Fuel tank (Топливный бак)
Dt5

Fuel tank (Топливный бак)

Fuel tank (Топливный бак)
Dt5: 231549-

Fuel tank (Топливный бак)

Fuel tank (Топливный бак)
Dt8/model: 88-00

Fuel tank (Топливный бак)

Fuel tank (Топливный бак)
Plastic: 12l

Fuel tank (Топливный бак)

Fuel tank (Топливный бак)
Plastic: 25l

Fuel tank (Топливный бак)

Fuel tank (Топливный бак)
Model: 88-92/e28

Electrical (Электрика)

Electrical (Электрика)
Optional;

Electrical (Электрика)

Electrical (Электрика)
Optional;

Remote control box (Дистанционное управление в сборе)

Remote control box (Дистанционное управление в сборе)
Optional;

Remote control (Дистанционное управление)

Remote control (Дистанционное управление)
Optional;

Remote control (Дистанционное управление)

Remote control (Дистанционное управление)
Optional; model: 93-00

Optiona : gasket set (Опцииiona : Комплект прокладок)

Optiona : gasket set (Опцииiona : Комплект прокладок)
Dt5 -model: 94

Gasket set (Комплект прокладок)

Gasket set (Комплект прокладок)
Optional; dt6/dt8) (dt5 model: 95-99

Optional (Опции)

Optional (Опции)




 
 

данный сайт носит информационный характер и не является публичной офертой

склад запчастей для водомоторной техники