вконтакте

Контактный телефон: +7 (981) 121-46-93, +7 (800) 200-90-76 , Email: parts-katalog@yandex.ru, где купить

 
 

  Логин:

Пароль:

Регистрация

www.partskatalog.ru Все каталоги Запчасти Mercury Запчасти Suzuki Запчасти Tohatsu Запчасти Honda Контакты



УВАЖАЕМЫЕ КЛИЕНТЫ!
C 19 ДЕКАБРЯ 2025 ПО 02 МАРТА 2026 ГОДА ОТДЕЛ ЗАПЧАСТЕЙ И СЕРВИС РАБОТАТЬ НЕ БУДУТ
ПРОДАЖА ЛОДОЧНЫХ МОТОРОВ В ШТАТНОМ РЕЖИМЕ
ОБ ИЗМЕНЕНИЯХ В ГРАФИКЕ РАБОТЫ ЧИТАЙТЕ НА САЙТА




запчастиsuzuki

Узнать наличие и цену запчасти:

Вернуться к началу выбора

Поиск модели по серийному номеру


РЕЖИМЫ ПРОСМОТРА

Все узлы и детали

Двигатель

Трансмиссия

Электрика

Внешние части

Тип двигателя: 2x - тактный

Модель двигателя: Suzuki DT9.9

Модификация Вашего двигателя:   Suzuki DT9.9 D


Поиск запчастей по коду или названию


   Выберите раздел

найти расходники на лодочные моторы Suzuki

Начните вводить запрос

Inlet case - reed valve (вход case - Язычковый клапан)

Inlet case - reed valve (вход case - Язычковый клапан)

Starter (Стартер)

Starter (Стартер)

Starter (Стартер)

Starter (Стартер)
(DT9.9Y)

Clutch lever (Рычаг сцепления)

Clutch lever (Рычаг сцепления)

Clutch lever (Рычаг сцепления)

Clutch lever (Рычаг сцепления)

Magneto (Магнето)

Magneto (Магнето)
(MODEL C); NOTE : FIG.14 (D-6):MODEL D

Magneto (Магнето)

Magneto (Магнето)
(MODEL D

Magneto (Магнето)

Magneto (Магнето)
(MODEL D E13

Magneto (Магнето)

Magneto (Магнето)
1; NOTE : FIG.39 (H-6):DT20 (D

Magneto (Магнето)

Magneto (Магнето)
2 (DT20 (D

Electrical (Электрика)

Electrical (Электрика)
(MODEL C)

Electrical (Электрика)

Electrical (Электрика)
(MODEL D

Electrical (Электрика)

Electrical (Электрика)
1

Electrical (Электрика)

Electrical (Электрика)
2

Clamp bracket (Кронштейн транца)

Clamp bracket (Кронштейн транца)

Clamp bracket (Кронштейн транца)

Clamp bracket (Кронштейн транца)

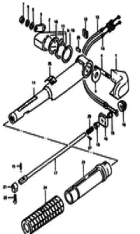
Swivel bracket (Поворотный кронштейн)

Swivel bracket (Поворотный кронштейн)

Swivel bracket (Поворотный кронштейн)

Swivel bracket (Поворотный кронштейн)

Drive shaft housing (Корпус вала передачи)

Drive shaft housing (Корпус вала передачи)

Gear case - propeller (Картер коробки передач - Гребной винт)

Gear case - propeller (Картер коробки передач - Гребной винт)

Transmission (Трансмиссия)

Transmission (Трансмиссия)

Transmission (Трансмиссия)

Transmission (Трансмиссия)
(DT25FE3

Lower cover (Нижняя часть корпуса)

Lower cover (Нижняя часть корпуса)

Engine cover (Крышка двигателя (капот))

Engine cover (Крышка двигателя (капот))

Engine cover (Крышка двигателя (капот))

Engine cover (Крышка двигателя (капот))
(DT28F); NOTE : THE MODEL NAME F OF THIS PAGE MEANS DT28F ONLY. FIG.51 (I-9

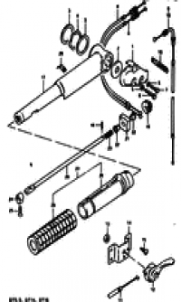
Handle - grip (Handle - Рукоятка)

Handle - grip (Handle - Рукоятка)
(MODEL C

Handle - grip (Handle - Рукоятка)

Handle - grip (Handle - Рукоятка)
(MODEL F)

Cylinder (Цилиндр)

Cylinder (Цилиндр)

Cylinder (Цилиндр)

Cylinder (Цилиндр)

Exhaust cover (Кожух выхлопной трубы)

Exhaust cover (Кожух выхлопной трубы)

Exhaust cover (Кожух выхлопной трубы)

Exhaust cover (Кожух выхлопной трубы)

Crankshaft (Коленвал)

Crankshaft (Коленвал)

Crankshaft (Коленвал)

Crankshaft (Коленвал)

Reed valve (Язычковый клапан)

Reed valve (Язычковый клапан)

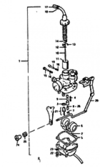
Carburetor (Карбюратор)

Carburetor (Карбюратор)
(DT9.9); NOTE : FIG.5 (C-7

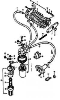
Fuel pump (Топливный насос)

Fuel pump (Топливный насос)

Fuel pump (Топливный насос)

Fuel pump (Топливный насос)

Water pump (Водяной насос)

Water pump (Водяной насос)

Water pump (Водяной насос)

Water pump (Водяной насос)

Recoil starter (Барабанный стартер)

Recoil starter (Барабанный стартер)

Starting motor (Двигатель электростартера)

Starting motor (Двигатель электростартера)

Ignition

Ignition

Steering bracket (Кронштейн рулевого управления)

Steering bracket (Кронштейн рулевого управления)

Driveshaft housing (Корпус вала передачи)

Driveshaft housing (Корпус вала передачи)
NOTE:WHEN YOU USE THE DRIVESHAFT HOUSING (52100-93823-01J) TO L TYPE AND S TYPE

Gear case (Картер коробки передач)

Gear case (Картер коробки передач)
(DT25FE3

Handle

Handle
(MODEL C

Handle

Handle
(MODEL F); NOTE : FIG.53 (I-13):MODEL C

Fuel tank (Топливный бак)

Fuel tank (Топливный бак)
4; NOTE : FIG.55 (K-2):MODEL C

Fuel tank outlet (Топливный бак выход)

Fuel tank outlet (Топливный бак выход)
NOTE : FIG.59 (K-6):GAUGE ASSY

Fuel hose (Топливный шланг)

Fuel hose (Топливный шланг)

Tool assy & gasket set (Набор инструмента & Комплект прокладок)

Tool assy & gasket set (Набор инструмента & Комплект прокладок)
(OPT)

Opt : electrical (Опции : Электрика)

Opt : electrical (Опции : Электрика)
(DT9.9

Opt : remote control (Опции : Дистанционное управление)

Opt : remote control (Опции : Дистанционное управление)
(DT9.9

Opt : remote control (Опции : Дистанционное управление)

Opt : remote control (Опции : Дистанционное управление)
(DT20F

Optional (Опции)

Optional (Опции)




 
 

данный сайт носит информационный характер и не является публичной офертой

склад запчастей для водомоторной техники