вконтакте

Контактный телефон: +7 (981) 121-46-93, +7 (800) 200-90-76 , Email: parts-katalog@yandex.ru, где купить

 
 

  Логин:

Пароль:

Регистрация

www.partskatalog.ru Все каталоги Запчасти Mercury Запчасти Suzuki Запчасти Tohatsu Запчасти Honda Контакты



УВАЖАЕМЫЕ КЛИЕНТЫ!
C 19 ДЕКАБРЯ 2025 ПО 02 МАРТА 2026 ГОДА ОТДЕЛ ЗАПЧАСТЕЙ И СЕРВИС РАБОТАТЬ НЕ БУДУТ
ПРОДАЖА ЛОДОЧНЫХ МОТОРОВ В ШТАТНОМ РЕЖИМЕ
ОБ ИЗМЕНЕНИЯХ В ГРАФИКЕ РАБОТЫ ЧИТАЙТЕ НА САЙТА




запчастиsuzuki

Узнать наличие и цену запчасти:

Вернуться к началу выбора

Поиск модели по серийному номеру


РЕЖИМЫ ПРОСМОТРА

Все узлы и детали

Тип двигателя: 2x - тактный

Модель двигателя: Suzuki DT9.9

Модификация Вашего двигателя:   Suzuki DT9.9YD D
Год выпуска двигателя: 1983


Поиск запчастей по коду или названию


   Выберите раздел

найти расходники на лодочные моторы Suzuki

Начните вводить запрос

Catalog preface (Каталог)

Catalog preface (Каталог)

Color chart (Таблица цветов)

Color chart (Таблица цветов)

Cylinder (Цилиндр)

Cylinder (Цилиндр)

Inlet case - reed valve (вход case - Язычковый клапан)

Inlet case - reed valve (вход case - Язычковый клапан)

Crankshaft (Коленвал)

Crankshaft (Коленвал)

Carburetor (Карбюратор)

Carburetor (Карбюратор)
Dt9.9

Carburetor (Карбюратор)

Carburetor (Карбюратор)
Dt14

Carburetor (Карбюратор)

Carburetor (Карбюратор)
Dt16

Exhaust cover (Кожух выхлопной трубы)

Exhaust cover (Кожух выхлопной трубы)

Fuel pump (Топливный насос)

Fuel pump (Топливный насос)

Water pump (Водяной насос)

Water pump (Водяной насос)

Starter (Стартер)

Starter (Стартер)

Starter (Стартер)

Starter (Стартер)
Dt9.9y

Clutch lever (Рычаг сцепления)

Clutch lever (Рычаг сцепления)

Magneto (Магнето)

Magneto (Магнето)
Model c

Magneto (Магнето)

Magneto (Магнето)
Model d

Magneto (Магнето)

Magneto (Магнето)
Model d e13

Electrical (Электрика)

Electrical (Электрика)
Model c

Electrical (Электрика)

Electrical (Электрика)
Model d

Clamp bracket (Кронштейн транца)

Clamp bracket (Кронштейн транца)

Swivel bracket (Поворотный кронштейн)

Swivel bracket (Поворотный кронштейн)

Drive shaft housing (Корпус вала передачи)

Drive shaft housing (Корпус вала передачи)

Gear case - propeller (Картер коробки передач - Гребной винт)

Gear case - propeller (Картер коробки передач - Гребной винт)

Transmission (Трансмиссия)

Transmission (Трансмиссия)

Lower cover (Нижняя часть корпуса)

Lower cover (Нижняя часть корпуса)

Engine cover (Крышка двигателя (капот))

Engine cover (Крышка двигателя (капот))

Handle - grip (Handle - Рукоятка)

Handle - grip (Handle - Рукоятка)
Model c

Handle - grip (Handle - Рукоятка)

Handle - grip (Handle - Рукоятка)
Model f

Cylinder (Цилиндр)

Cylinder (Цилиндр)

Exhaust cover (Кожух выхлопной трубы)

Exhaust cover (Кожух выхлопной трубы)

Crankshaft (Коленвал)

Crankshaft (Коленвал)

Reed valve (Язычковый клапан)

Reed valve (Язычковый клапан)

Carburetor (Карбюратор)

Carburetor (Карбюратор)
Dt20

Carburetor (Карбюратор)

Carburetor (Карбюратор)
Dt25

Fuel pump (Топливный насос)

Fuel pump (Топливный насос)

Water pump (Водяной насос)

Water pump (Водяной насос)

Recoil starter (Барабанный стартер)

Recoil starter (Барабанный стартер)

Clutch lever (Рычаг сцепления)

Clutch lever (Рычаг сцепления)

Starting motor (Двигатель электростартера)

Starting motor (Двигатель электростартера)

Magneto 1 (Магнето 1)

Magneto 1 (Магнето 1)

Magneto 2 (Магнето 2)

Magneto 2 (Магнето 2)
Dt20 (d

Ignition

Ignition

Electrical 1 (Электрика 1)

Electrical 1 (Электрика 1)

Electrical 2 (Электрика 2)

Electrical 2 (Электрика 2)

Clamp bracket (Кронштейн транца)

Clamp bracket (Кронштейн транца)

Swivel bracket (Поворотный кронштейн)

Swivel bracket (Поворотный кронштейн)

Steering bracket (Кронштейн рулевого управления)

Steering bracket (Кронштейн рулевого управления)

Gear case (Картер коробки передач)

Gear case (Картер коробки передач)
Dt20

Gear case (Картер коробки передач)

Gear case (Картер коробки передач)
Dt25fe3

Transmission (Трансмиссия)

Transmission (Трансмиссия)
Dt20

Transmission (Трансмиссия)

Transmission (Трансмиссия)
Dt25fe3

Engine cover (Крышка двигателя (капот))

Engine cover (Крышка двигателя (капот))
Dt20

Engine cover (Крышка двигателя (капот))

Engine cover (Крышка двигателя (капот))
Dt28f

Handle

Handle
Model c

Handle

Handle
Model f

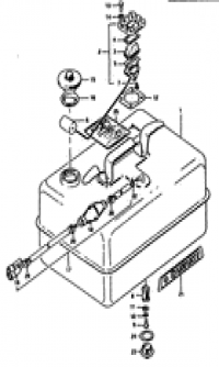
Fuel tank 1 (Топливный бак 1)

Fuel tank 1 (Топливный бак 1)

Fuel tank 2 (Топливный бак 2)

Fuel tank 2 (Топливный бак 2)

Fuel tank 3 (Топливный бак 3)

Fuel tank 3 (Топливный бак 3)

Fuel tank 4 (Топливный бак 4)

Fuel tank 4 (Топливный бак 4)

Fuel gauge

Fuel gauge

Fuel tank outlet (Топливный бак выход)

Fuel tank outlet (Топливный бак выход)

Fuel hose (Топливный шланг)

Fuel hose (Топливный шланг)

Tool assy & gasket set (Набор инструмента & Комплект прокладок)

Tool assy & gasket set (Набор инструмента & Комплект прокладок)
Opt

Rectifier set (Выпрямитель, установочный комплект)

Rectifier set (Выпрямитель, установочный комплект)
Optional; dt20

Electrical (Электрика)

Electrical (Электрика)
Optional; dt9.9

Electrical (Электрика)

Electrical (Электрика)
Optional; dt20

Electrical (Электрика)

Electrical (Электрика)
Optional; dt20

Electric starting kit

Electric starting kit
Optional; dt20c

Remote starting kit

Remote starting kit
Optional; dt20

Remote control (Дистанционное управление)

Remote control (Дистанционное управление)
Optional; dt9.9

Remote control (Дистанционное управление)

Remote control (Дистанционное управление)
Optional; dt20

Remote control (Дистанционное управление)

Remote control (Дистанционное управление)
Optional; dt20f

Optional (Опции)

Optional (Опции)




 
 

данный сайт носит информационный характер и не является публичной офертой

склад запчастей для водомоторной техники