вконтакте

Контактный телефон: +7 (981) 121-46-93, +7 (800) 200-90-76 , Email: parts-katalog@yandex.ru, где купить

 
 

  Логин:

Пароль:

Регистрация

www.partskatalog.ru Все каталоги Запчасти Mercury Запчасти Suzuki Запчасти Tohatsu Запчасти Honda Контакты



УВАЖАЕМЫЕ КЛИЕНТЫ!
C 19 ДЕКАБРЯ 2025 ПО 02 МАРТА 2026 ГОДА ОТДЕЛ ЗАПЧАСТЕЙ И СЕРВИС РАБОТАТЬ НЕ БУДУТ
ПРОДАЖА ЛОДОЧНЫХ МОТОРОВ В ШТАТНОМ РЕЖИМЕ
ОБ ИЗМЕНЕНИЯХ В ГРАФИКЕ РАБОТЫ ЧИТАЙТЕ НА САЙТА




запчастиsuzuki

Узнать наличие и цену запчасти:

Вернуться к началу выбора

Поиск модели по серийному номеру


РЕЖИМЫ ПРОСМОТРА

Все узлы и детали

Тип двигателя: 2x - тактный

Модель двигателя: Suzuki DT9.9

Модификация Вашего двигателя:   Suzuki DT9.9CNVR(88-97) R
Год выпуска двигателя: 1994


Поиск запчастей по коду или названию


   Выберите раздел

найти расходники на лодочные моторы Suzuki

Начните вводить запрос

Catalog preface (Каталог)

Catalog preface (Каталог)

Catalog preface (Каталог)

Catalog preface (Каталог)

Cylinder (Цилиндр)

Cylinder (Цилиндр)

Crankshaft (Коленвал)

Crankshaft (Коленвал)

Inlet case (вход case)

Inlet case (вход case)

Carburetor (Карбюратор)

Carburetor (Карбюратор)
Dt8c

Carburetor (Карбюратор)

Carburetor (Карбюратор)
Dt9.9c

Fuel pump (Топливный насос)

Fuel pump (Топливный насос)
Type: sail

Oil pump (Масляный насос)

Oil pump (Масляный насос)

Water pump (Водяной насос)

Water pump (Водяной насос)

Throttle shaft (Вал дросселя)

Throttle shaft (Вал дросселя)

Starter (Стартер)

Starter (Стартер)

Clutch (Сцепление)

Clutch (Сцепление)

Starting motor (Двигатель электростартера)

Starting motor (Двигатель электростартера)

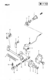
Magneto (Магнето)

Magneto (Магнето)

Ignition

Ignition

Electrical (Электрика)

Electrical (Электрика)
Electric starter

Electrical (Электрика)

Electrical (Электрика)

Clamp bracket (Кронштейн транца)

Clamp bracket (Кронштейн транца)

Swivel bracket (Поворотный кронштейн)

Swivel bracket (Поворотный кронштейн)

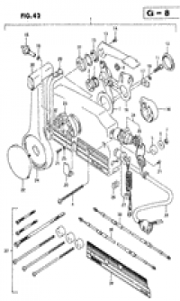
Driveshaft housing (Корпус вала передачи)

Driveshaft housing (Корпус вала передачи)

Gear case (Картер коробки передач)

Gear case (Картер коробки передач)

Transmission (Трансмиссия)

Transmission (Трансмиссия)

Lower cover (Нижняя часть корпуса)

Lower cover (Нижняя часть корпуса)

Engine cover (Крышка двигателя (капот))

Engine cover (Крышка двигателя (капот))
Dt8c/model: 88

Engine cover (Крышка двигателя (капот))

Engine cover (Крышка двигателя (капот))
Dt8c/model: 89~93

Engine cover (Крышка двигателя (капот))

Engine cover (Крышка двигателя (капот))
Dt8c/model: 94~97

Engine cover (Крышка двигателя (капот))

Engine cover (Крышка двигателя (капот))
Dt9.9c/model: 88

Engine cover (Крышка двигателя (капот))

Engine cover (Крышка двигателя (капот))
Dt9.9c/model: 89~93

Engine cover (Крышка двигателя (капот))

Engine cover (Крышка двигателя (капот))
Dt9.9c/model: 94~97

Fuel tank (Топливный бак)

Fuel tank (Топливный бак)
Dt8c

Fuel tank (Топливный бак)

Fuel tank (Топливный бак)
E28 dt8c/model: 88~92

Fuel tank (Топливный бак)

Fuel tank (Топливный бак)
Dt8c plastic

Fuel tank (Топливный бак)

Fuel tank (Топливный бак)
Dt9.9c/steel

Fuel tank (Топливный бак)

Fuel tank (Топливный бак)
E28 dt9.9c/model: 88~92

Fuel tank (Топливный бак)

Fuel tank (Топливный бак)
Dt9.9c plastic

Oil tank (Масляный бак)

Oil tank (Масляный бак)

Electrical (Электрика)

Electrical (Электрика)
Optional;

Electrical (Электрика)

Electrical (Электрика)
Optional;

Remote control parts (Запчасти для дистанционного управления)

Remote control parts (Запчасти для дистанционного управления)
Optional;

Remote control (Дистанционное управление)

Remote control (Дистанционное управление)
Optional;

Remote control (Дистанционное управление)

Remote control (Дистанционное управление)
Optional;

Remote control (Дистанционное управление)

Remote control (Дистанционное управление)
Optional; 3)(model: 93~97

Opt gasket set (Опции Комплект прокладок)

Opt gasket set (Опции Комплект прокладок)

Reverse lock set (Блокировка задней передачи set)

Reverse lock set (Блокировка задней передачи set)
Optional;

Optional (Опции)

Optional (Опции)




 
 

данный сайт носит информационный характер и не является публичной офертой

склад запчастей для водомоторной техники