вконтакте

Контактный телефон: +7 (981) 121-46-93, +7 (800) 200-90-76 , Email: parts-katalog@yandex.ru, где купить

 
 

  Логин:

Пароль:

Регистрация

www.partskatalog.ru Все каталоги Запчасти Mercury Запчасти Suzuki Запчасти Tohatsu Запчасти Honda Контакты



УВАЖАЕМЫЕ КЛИЕНТЫ!
C 19 ДЕКАБРЯ 2025 ПО 02 МАРТА 2026 ГОДА ОТДЕЛ ЗАПЧАСТЕЙ И СЕРВИС РАБОТАТЬ НЕ БУДУТ
ПРОДАЖА ЛОДОЧНЫХ МОТОРОВ В ШТАТНОМ РЕЖИМЕ
ОБ ИЗМЕНЕНИЯХ В ГРАФИКЕ РАБОТЫ ЧИТАЙТЕ НА САЙТА




запчастиsuzuki

Узнать наличие и цену запчасти:

Вернуться к началу выбора

Поиск модели по серийному номеру


РЕЖИМЫ ПРОСМОТРА

Все узлы и детали

Двигатель

Трансмиссия

Электрика

Внешние части

Тип двигателя: 2x - тактный

Модель двигателя: Suzuki DT9.9

Модификация Вашего двигателя:   Suzuki DT9.9C VV/DT9.9CE VV
Год выпуска двигателя: 1997
Цвет: California Gray Metallic


Поиск запчастей по коду или названию


   Выберите раздел

найти расходники на лодочные моторы Suzuki

Начните вводить запрос

Cylinder (Цилиндр)

Cylinder (Цилиндр)
NOTE : COLOR : 0ED (GRAY)

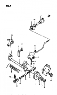
Crankshaft (Коленвал)

Crankshaft (Коленвал)

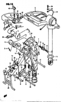
Inlet case (вход case)

Inlet case (вход case)
NOTE : COLOR : 0ED (GRAY)

Carburetor (Карбюратор)

Carburetor (Карбюратор)
(DT8C); NOTE : REFER TO FIG5 (B-8) FOR DT9.9C

Carburetor (Карбюратор)

Carburetor (Карбюратор)
(DT9.9C)

Fuel pump (Топливный насос)

Fuel pump (Топливный насос)
(TYPE:SAIL)

Oil pump (Масляный насос)

Oil pump (Масляный насос)

Water pump (Водяной насос)

Water pump (Водяной насос)

Exhaust tube (Выхлоп Трубка)

Exhaust tube (Выхлоп Трубка)

Throttle shaft (Вал дросселя)

Throttle shaft (Вал дросселя)

Starter (Стартер)

Starter (Стартер)

Clutch (Сцепление)

Clutch (Сцепление)

Starting motor (Двигатель электростартера)

Starting motor (Двигатель электростартера)
NOTE : COLOR : 0ED (GRAY)

Magneto (Магнето)

Magneto (Магнето)

Ignition

Ignition

Electrical (Электрика)

Electrical (Электрика)
(ELECTRIC STARTER)

Electrical (Электрика)

Electrical (Электрика)

Clamp bracket (Кронштейн транца)

Clamp bracket (Кронштейн транца)
NOTE : COLOR : 0ED (GRAY)

Swivel bracket (Поворотный кронштейн)

Swivel bracket (Поворотный кронштейн)
NOTE : COLOR : 0ED (GRAY)

Driveshaft housing (Корпус вала передачи)

Driveshaft housing (Корпус вала передачи)
NOTE : COLOR : 0ED (GRAY)

Gear case (Картер коробки передач)

Gear case (Картер коробки передач)
NOTE : COLOR : 0ED (GRAY) 019 (BLACK)

Transmission (Трансмиссия)

Transmission (Трансмиссия)

Lower cover (Нижняя часть корпуса)

Lower cover (Нижняя часть корпуса)
NOTE : COLOR : 0ED (GRAY) 019 (BLACK) 064 (WHITE) 5PK (BLACK)

Engine cover (Крышка двигателя (капот))

Engine cover (Крышка двигателя (капот))
(DT8C/MODEL:88); NOTE : REFER TO FIG24 (E-4) FOR DT8C MODEL:89~93 REFER TO FIG25 (E-5) FOR DT8C MODEL:94~97 REFER TO FIG26 (E-6) FOR DT9.9C MODEL:88 REFER TO FIG27 (E-7) FOR DT9.9C MODEL:89~93 REFER TO FIG28 (E-9) FOR DT9.9C MODEL:94~97 COLOR : 02M

Engine cover (Крышка двигателя (капот))

Engine cover (Крышка двигателя (капот))
(DT8C/MODEL:89~93); NOTE : COLOR : 0ED (GRAY) 8EH (26M/764) 70G (764/019) 26M (BURGUNDY) 764 (GOLD) 019 (BLACK)

Engine cover (Крышка двигателя (капот))

Engine cover (Крышка двигателя (капот))
(DT8C/MODEL:94~97); NOTE : COLOR : 0ED (GRAY) 1RR (GOLD)

Engine cover (Крышка двигателя (капот))

Engine cover (Крышка двигателя (капот))
(DT9.9C/MODEL:88); NOTE : COLOR : 02M (SILVER) 01T (WHITE) 70G (764/019) 8EH (26M/764) 26G (BLACK) 26M (BURGUNDY) 019 (BLACK) 26H (BURGUNDY) 764 (GOLD)

Engine cover (Крышка двигателя (капот))

Engine cover (Крышка двигателя (капот))
(DT9.9C/MODEL:89~93); NOTE : COLOR : 0ED (GRAY) 01T (WHITE) 70G (764/019) 8EH (26M/764) 764 (GOLD) 26M (BURGUNDY) 019 (BLACK)

Engine cover (Крышка двигателя (капот))

Engine cover (Крышка двигателя (капот))
(DT9.9C/MODEL:94~97); NOTE : COLOR : 0ED (GRAY) 1RR (GOLD)

Handle

Handle
NOTE : COLOR : 0ED (GRAY)

Fuel tank (Топливный бак)

Fuel tank (Топливный бак)
(DT8C); NOTE : REFER TO FIG31(F-3) FOR E28 DT8C/MODEL:88~92 REFER TO FIG32(F-4) FOR DT8C PLASTIC/12L REFER TO FIG33(F-5) FOR DT9.9C REFER TO FIG34(F-6) FOR E28 DT9.9C/MODEL:88~92 REFER TO FIG35(F-7) FOR DT9.9C PLASTIC/25L

Fuel tank (Топливный бак)

Fuel tank (Топливный бак)
(E28 DT8C/MODEL:88~92)

Fuel tank (Топливный бак)

Fuel tank (Топливный бак)
(DT8C PLASTIC)

Fuel tank (Топливный бак)

Fuel tank (Топливный бак)
(DT9.9C/STEEL)

Fuel tank (Топливный бак)

Fuel tank (Топливный бак)
(E28 DT9.9C/MODEL:88~92)

Fuel tank (Топливный бак)

Fuel tank (Топливный бак)
(DT9.9C PLASTIC)

Oil tank (Масляный бак)

Oil tank (Масляный бак)

Optional : electrical (Опции : Электрика)

Optional : electrical (Опции : Электрика)
(1)

Optional : electrical (Опции : Электрика)

Optional : electrical (Опции : Электрика)
(2)

Optional : remote control parts (Опции : Запчасти для дистанционного управления)

Optional : remote control parts (Опции : Запчасти для дистанционного управления)

Optional : remote control (Опции : Дистанционное управление)

Optional : remote control (Опции : Дистанционное управление)
(1)

Optional : remote control (Опции : Дистанционное управление)

Optional : remote control (Опции : Дистанционное управление)
(2); NOTE : COLOR : 0ED (GRAY) 01T (WHITE) REFER TO FIG42 (G-8) FOR MODEL:93~97

Optional : remote control (Опции : Дистанционное управление)

Optional : remote control (Опции : Дистанционное управление)
(3)(MODEL:93~97); NOTE : COLOR : 0ED (GRAY)

Opt gasket set (Опции Комплект прокладок)

Opt gasket set (Опции Комплект прокладок)

Opt:reverse lock set (Опции: Блокировка задней передачи set)

Opt:reverse lock set (Опции: Блокировка задней передачи set)

Optional (Опции)

Optional (Опции)




 
 

данный сайт носит информационный характер и не является публичной офертой

склад запчастей для водомоторной техники