вконтакте

Контактный телефон: +7 (981) 121-46-93, +7 (800) 200-90-76 , Email: parts-katalog@yandex.ru, где купить

 
 

  Логин:

Пароль:

Регистрация

www.partskatalog.ru Все каталоги Запчасти Mercury Запчасти Suzuki Запчасти Tohatsu Запчасти Honda Контакты



УВАЖАЕМЫЕ КЛИЕНТЫ!
C 19 ДЕКАБРЯ 2025 ПО 02 МАРТА 2026 ГОДА ОТДЕЛ ЗАПЧАСТЕЙ И СЕРВИС РАБОТАТЬ НЕ БУДУТ
ПРОДАЖА ЛОДОЧНЫХ МОТОРОВ В ШТАТНОМ РЕЖИМЕ
ОБ ИЗМЕНЕНИЯХ В ГРАФИКЕ РАБОТЫ ЧИТАЙТЕ НА САЙТА




запчастиsuzuki

Узнать наличие и цену запчасти:

Вернуться к началу выбора

Поиск модели по серийному номеру


РЕЖИМЫ ПРОСМОТРА

Все узлы и детали

Двигатель

Трансмиссия

Электрика

Внешние части

Тип двигателя: 2x - тактный

Модель двигателя: Suzuki DT15

Модификация Вашего двигателя:   Suzuki DT15KL VJ
Год выпуска двигателя: 1988
Цвет: California Gray Metallic


Поиск запчастей по коду или названию


   Выберите раздел

найти расходники на лодочные моторы Suzuki

Начните вводить запрос

Cylinder (Цилиндр)

Cylinder (Цилиндр)
(DT9.9/15); NOTE : COLOR : 0ED (GRAY) REFER TO FIG.2 (B-3) FOR DT9.9K/DT15K

Cylinder (Цилиндр)

Cylinder (Цилиндр)
(DT9.9K/15K); NOTE : COLOR : 0ED (GRAY)

Crankshaft (Коленвал)

Crankshaft (Коленвал)

Inlet case (вход case)

Inlet case (вход case)
NOTE : COLOR : 0ED (GRAY)

Carburetor (Карбюратор)

Carburetor (Карбюратор)
(DT9.9/15); NOTE : REFER TO FIG.6(B-8) FOR DT9.9(K)/15(K)

Carburetor (Карбюратор)

Carburetor (Карбюратор)
(DT9.9K/15K)

Exhaust tube (Выхлоп Трубка)

Exhaust tube (Выхлоп Трубка)

Fuel pump (Топливный насос)

Fuel pump (Топливный насос)
(DT9.9/15); NOTE : REFER TO FIG.9 (C-4) FOR DT9.9K/15K

Fuel pump (Топливный насос)

Fuel pump (Топливный насос)
(DT9.9K/15K)

Water pump (Водяной насос)

Water pump (Водяной насос)

Starter (Стартер)

Starter (Стартер)
NOTE : N.S.I : NEUTRAL INTER LOCK

Throttle control (Управление дросселем)

Throttle control (Управление дросселем)

Clutch (Сцепление)

Clutch (Сцепление)

Transmission (Трансмиссия)

Transmission (Трансмиссия)

Starting motor (Двигатель электростартера)

Starting motor (Двигатель электростартера)
(MODEL:86~92); NOTE : COLOR : 0ED (GRAY) REFER TO FIG.16(D-3) FOR MODEL:93~00

Starting motor (Двигатель электростартера)

Starting motor (Двигатель электростартера)
(MODEL:93~00); NOTE : COLOR : 0ED (GRAY)

Magneto (Магнето)

Magneto (Магнето)
(~MODEL:95); NOTE : REFER TO FIG.18(D-5) FOR MODEL:96~00

Magneto (Магнето)

Magneto (Магнето)
(MODEL:96~00)

Ignition

Ignition
(~MODEL:95); NOTE : REFER TO FIG.20 (D-7) FOR MODEL:96~00

Ignition

Ignition
(MODEL:96~00)

Electrical (Электрика)

Electrical (Электрика)
(1) (ELECTRIC STARTER)

Electrical (Электрика)

Electrical (Электрика)
(2)

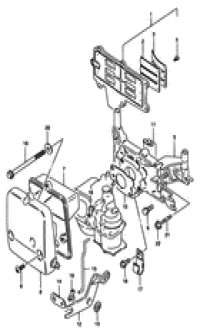
Clamp bracket (Кронштейн транца)

Clamp bracket (Кронштейн транца)
(~MODEL:94); NOTE : COLOR : 02M (SILVER) 01T (WHITE) 0ED (GRAY) REFER TO FIG.24 (E-4) FOR CLAMP BRACKET MODEL:95~00

Clamp bracket (Кронштейн транца)

Clamp bracket (Кронштейн транца)
(MODEL:95~00); NOTE : COLOR : 0ED (GRAY)

Swivel bracket (Поворотный кронштейн)

Swivel bracket (Поворотный кронштейн)
(~MODEL:94); NOTE : COLOR : 02M(SILVER) 0ED(GRAY) REFER TO FIG.26 (E-8) FOR SWIVEL BRACKET MODEL:95~00

Swivel bracket (Поворотный кронштейн)

Swivel bracket (Поворотный кронштейн)
(MODEL:95~00); NOTE : COLOR : 0ED (GRAY)

Driveshaft housing (Корпус вала передачи)

Driveshaft housing (Корпус вала передачи)
NOTE : COLOR : 02M(SILVER) 01T(WHITE) 0ED(GRAY)

Gear case (Картер коробки передач)

Gear case (Картер коробки передач)
NOTE : COLOR : 0ED (GRAY) 019 (BLACK)

Lower cover (Нижняя часть корпуса)

Lower cover (Нижняя часть корпуса)
(MODEL:97~00)

Lower cover (Нижняя часть корпуса)

Lower cover (Нижняя часть корпуса)
NOTE : COLOR : 02M (SILVER) 01T (WHITE) 0ED (GRAY) REFER TO FIG.29A(F-6) FOR MODEL:97~00

Engine cover (Крышка двигателя (капот))

Engine cover (Крышка двигателя (капот))
(DT9.9/9.9K

Engine cover (Крышка двигателя (капот))

Engine cover (Крышка двигателя (капот))
(DT9.9/9.9K

Engine cover (Крышка двигателя (капот))

Engine cover (Крышка двигателя (капот))
(DT15/15K

Engine cover (Крышка двигателя (капот))

Engine cover (Крышка двигателя (капот))
(DT15/15K

Engine cover (Крышка двигателя (капот))

Engine cover (Крышка двигателя (капот))
(DT9.9(K)/15(K) MODEL:94~96)

Engine cover (Крышка двигателя (капот))

Engine cover (Крышка двигателя (капот))
(DT9.9(K)/15(K) MODEL:97~00)

Handle

Handle

Fuel tank (Топливный бак)

Fuel tank (Топливный бак)
(MODEL:86

Fuel tank (Топливный бак)

Fuel tank (Топливный бак)
(MODEL:86

Fuel tank (Топливный бак)

Fuel tank (Топливный бак)
(MODEL:88~94/15L)

Fuel tank (Топливный бак)

Fuel tank (Топливный бак)
(MODEL:88~92/24L)

Fuel tank (Топливный бак)

Fuel tank (Топливный бак)
(MODEL:93~00)(*); NOTE : (*) DT9.9K:231077~ DT15K:231069~ DT9.9:232388~ DT15:232705~

Fuel tank (Топливный бак)

Fuel tank (Топливный бак)
(PLASTIC:12L)

Fuel tank (Топливный бак)

Fuel tank (Топливный бак)
(PLASTIC:25L)

Fuel tank (Топливный бак)

Fuel tank (Топливный бак)
(~MODEL:92/E28)

Optional : starter motor (Опции : Двигатель стартера)

Optional : starter motor (Опции : Двигатель стартера)
NOTE : COLOR : 0ED (GRAY)

Optional : electrical (Опции : Электрика)

Optional : electrical (Опции : Электрика)
(1)

Optional : electrical (Опции : Электрика)

Optional : electrical (Опции : Электрика)
(2)

Optional : remote control parts (Опции : Запчасти для дистанционного управления)

Optional : remote control parts (Опции : Запчасти для дистанционного управления)
NOTE : REFER TO FIG.51(I-6) FOR MODEL:97~00

Optional : remote control parts (Опции : Запчасти для дистанционного управления)

Optional : remote control parts (Опции : Запчасти для дистанционного управления)
(MODEL:97~00)

Optional : remote control (Опции : Дистанционное управление)

Optional : remote control (Опции : Дистанционное управление)
(1)

Optional : remote control (Опции : Дистанционное управление)

Optional : remote control (Опции : Дистанционное управление)
(2); NOTE : COLOR : 0ED (GRAY) REFER TO FIG.54(I-10) FOR MODEL:93~00

Optional : remote control (Опции : Дистанционное управление)

Optional : remote control (Опции : Дистанционное управление)
(MODEL:93~00); NOTE : COLOR : 0ED (GRAY)

Optional : drag link (Опции : Переключающая тяга)

Optional : drag link (Опции : Переключающая тяга)

Opt:gasket set (Опции: комплект прокладок)

Opt:gasket set (Опции: комплект прокладок)

Optional (Опции)

Optional (Опции)




 
 

данный сайт носит информационный характер и не является публичной офертой

склад запчастей для водомоторной техники